Объявления пользователя

ОЛГ 45-12,5.24 Стальные ограждения маршевых лестниц OCT 26.260.758-2003

ОЛГ 45-12,5.24 Стальные ограждения маршевых лестниц OCT 26.260.758-2003

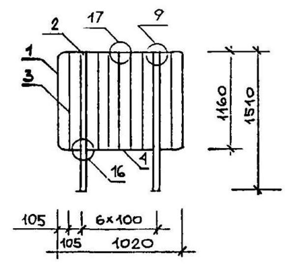
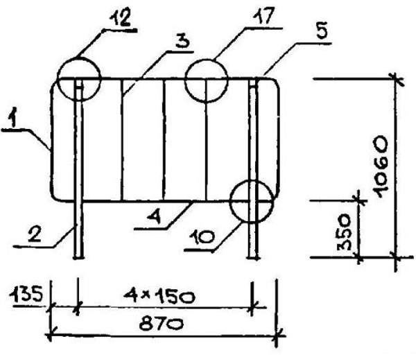
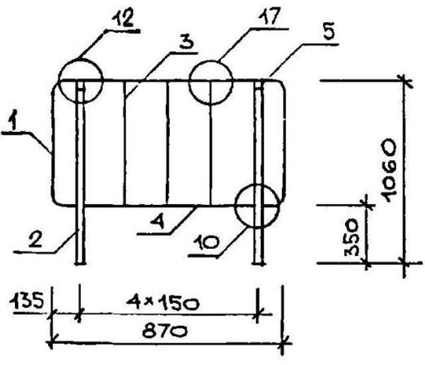
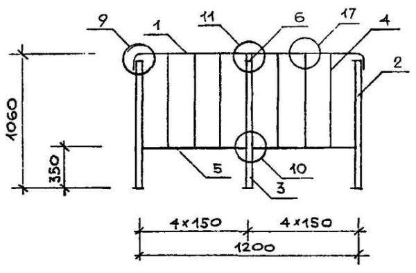
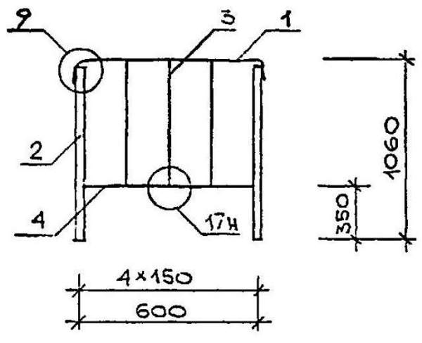
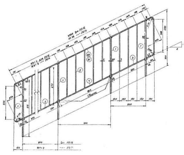
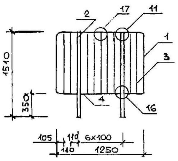
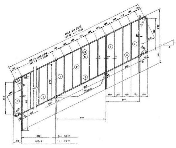
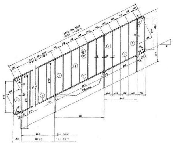
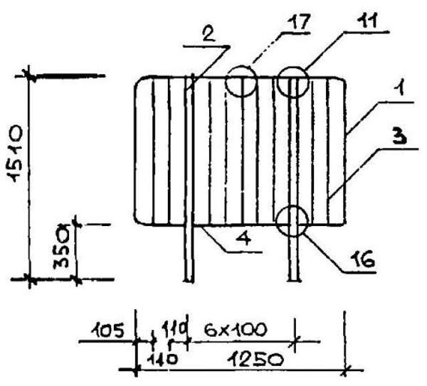
Производство стандартных стальных сварных ограждений марки ОЛГ 45-12,5.24 для лестничных маршей пожарных и промышленных производственных металлических лестниц по чертежам типовой серии 1.450.3-7.94 «Лестницы, площадки, стремянки и ограждения стальные для производственных зданий промышленных предприятий» (выпуск 2 «Конструкции из горячекатаных профилей. Чертежи КМ») с уточнениями по OCT 26.260.758-2003. Размеры стального ограждения ОЛГ 45-1250.2400 * Высота лестничного ограждения H1 = 1250 мм * Высота поручня H2 = 884 мм * Длина (поручня) ограждения L1 = 3394 мм * Вес (масса) ограждения — 44,8 кгКонструкция лестничного ограждения ОЛГ 45-12,5.24 Стойки — стальной горячекатаный равнополочный уголок сечения 50×5 по ГОСТ 8509 * Высота стоек — 980 мм * Количество стоек — 3 шт. * Шаг между стойками — 1100 мм Поручень — стальной горячекатаный равнополочный уголок сечения 50×5 по ГОСТ 8509 * Длина поручня — 3394 мм Струны — стальной горячекатаный равнополочный уголок сечения 25×3 по ГОСТ 8509 * Длина струны — 3117 и 2882 мм * Количество струн — 2 шт. * Расстояние от верха поручня до струны — 260 мм * Расстояние между струнами — 235 мм Боковая (бортовая) планка — стальная горячекатаная полоса сечением 4×150 по ГОСТ 103 * Длина боковой (бортовой) планки — 2648 мм Ограждения ОЛГ 45-12,5.24 устанавливаются на стальные лестничные марши по серии 1.450.3-7.94 высотой 2,4 м: ЛГВ 45-24.7, ЛГВ 45-24,9, ЛГФ 45-24.7 или ЛГФ 45-24,9 Стойки и поручни ограждений выполнены из стальных горячекатаных уголков по ГОСТ 8509, нижние боковые планки высотой 150 мм исключают возможность проскальзывания ног человека. Лестничные ограждения высотой 1250 мм отвечают требованиям ГОСТ 23120, OCT 26.260.758-2003 и ГОСТ Р 53254. Материалы, применяемые для изготовления ограждений В производстве ограждений ОЛГ используем сертифицированный горячекатаный металлопрокат по ГОСТ 535 и ГОСТ 14637 из углеродистых сталей марок * Ст3кп по ГОСТ 380 (класса прочности С235 по ГОСТ 27772),  * Ст3пс по ГОСТ 380 (С245 по ГОСТ 27772) или * Ст3сп5 по ГОСТ 380 (С255 по ГОСТ 27772). Защита стальных лестничных ограждений от коррозии осуществляется с учетом рекомендаций раздела 9 «Металлические конструкции» (приложение Ц) свода правил СП 28.13330.2017 «Защита строительных конструкций от коррозии. Актуализированная редакция СНиП 2.03.11-85» В качестве антикоррозионной защиты наносится один слой глифталевой грунтовки ГФ-021 по ГОСТ 25129 и один слой эмали ПФ-115 по ГОСТ 6465Производитель: Собственное производство Вид изделия: Перила Установка изделия: На лестницу Длина: 3394 мм Высота: 1250 мм Ширина: 70 мм Цвет: Красно-коричнывый Вес: 44.8 Материал изделия: Сталь Ст3 Покрытие: Грунт ГФ-021

4 570 руб.
Москва
ОЛГ 45-12,5.18 Стальные ограждения маршевых лестниц OCT 26.260.758-2003

ОЛГ 45-12,5.18 Стальные ограждения маршевых лестниц OCT 26.260.758-2003

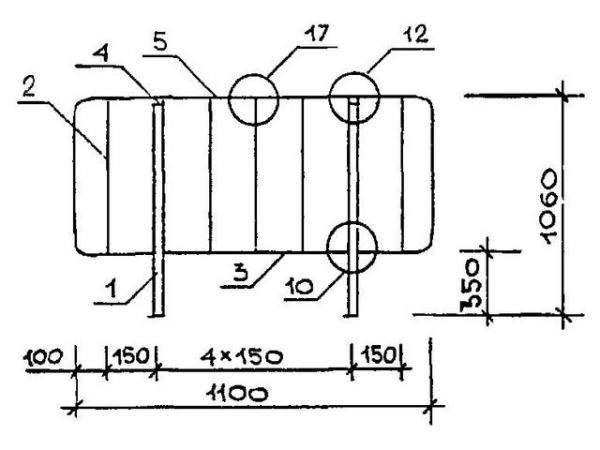
Производство стандартных стальных сварных ограждений марки ОЛГ 45-12,5.18 для лестничных маршей пожарных и промышленных производственных металлических лестниц по чертежам типовой серии 1.450.3-7.94 «Лестницы, площадки, стремянки и ограждения стальные для производственных зданий промышленных предприятий» (выпуск 2 «Конструкции из горячекатаных профилей. Чертежи КМ») с уточнениями по OCT 26.260.758-2003. Размеры стального ограждения ОЛГ 45-1250.1800 * Высота лестничного ограждения H1 = 1250 мм * Высота поручня H2 = 884 мм * Длина (поручня) ограждения L1 = 2546 мм * Вес (масса) ограждения — 31,5 кгКонструкция лестничного ограждения ОЛГ 45-12,5.18 Стойки — стальной горячекатаный равнополочный уголок сечения 50×5 по ГОСТ 8509 * Высота стоек — 980 мм * Количество стоек — 2 шт. * Шаг между стойками — 1350 мм Поручень — стальной горячекатаный равнополочный уголок сечения 50×5 по ГОСТ 8509 * Длина поручня — 2546 мм Струны — стальной горячекатаный равнополочный уголок сечения 25×3 по ГОСТ 8509 * Длина струны — 2268 и 2033 мм * Количество струн — 2 шт. * Расстояние от верха поручня до струны — 260 мм * Расстояние между струнами — 235 мм Боковая (бортовая) планка — стальная горячекатаная полоса сечением 4×150 по ГОСТ 103 * Длина боковой (бортовой) планки — 1800 мм Ограждения ОЛГ 45-12,5.18 устанавливаются на лестничные марши высотой 1,8 м: ЛГВ 45-18.7, ЛГВ 45-18,9, ЛГФ 45-18.7 или ЛГФ 45-18,9 Стойки и поручни ограждений выполнены из стальных горячекатаных уголков по ГОСТ 8509, нижние боковые планки высотой 150 мм исключают возможность проскальзывания ног человека. Лестничные ограждения высотой 1250 мм отвечают требованиям ГОСТ 23120, OCT 26.260.758-2003 и ГОСТ Р 53254. Материалы, применяемые для изготовления ограждений В производстве ограждений ОЛГ используем сертифицированный горячекатаный металлопрокат по ГОСТ 535 и ГОСТ 14637 из углеродистых сталей марок * Ст3кп по ГОСТ 380 (класса прочности С235 по ГОСТ 27772),  * Ст3пс по ГОСТ 380 (С245 по ГОСТ 27772) или * Ст3сп5 по ГОСТ 380 (С255 по ГОСТ 27772). Защита стальных лестничных ограждений от коррозии осуществляется с учетом рекомендаций раздела 9 «Металлические конструкции» (приложение Ц) свода правил СП 28.13330.2017 «Защита строительных конструкций от коррозии. Актуализированная редакция СНиП 2.03.11-85» В качестве антикоррозионной защиты наносится один слой глифталевой грунтовки ГФ-021 по ГОСТ 25129 и один слой эмали ПФ-115 по ГОСТ 6465Производитель: Собственное производство Материал изделия: Сталь Ст3 Покрытие: Грунт ГФ-021 Вид изделия: Перила Установка изделия: На лестницу Длина: 2546 мм Высота: 1250 мм Ширина: 70 мм Цвет: Красно-коричнывый Вес: 31.5

3 270 руб.
Москва
ОЛГ 45-12,5.12 Стальные ограждения маршевых лестниц OCT 26.260.758-2003

ОЛГ 45-12,5.12 Стальные ограждения маршевых лестниц OCT 26.260.758-2003

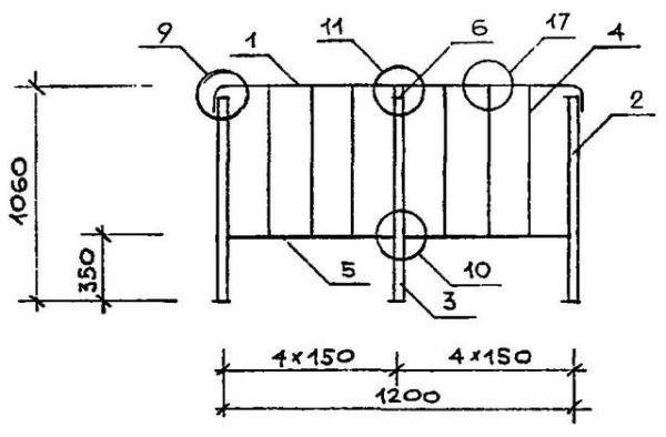
Производство стандартных стальных сварных ограждений марки ОЛГ 45-12,5.12 для лестничных маршей пожарных и промышленных производственных металлических лестниц по чертежам типовой серии 1.450.3-7.94 «Лестницы, площадки, стремянки и ограждения стальные для производственных зданий промышленных предприятий» (выпуск 2 «Конструкции из горячекатаных профилей. Чертежи КМ») с уточнениями по OCT 26.260.758-2003. Размеры стального ограждения ОЛГ 45-1250.1200 * Высота лестничного ограждения H1 = 1250 мм * Высота поручня H2 = 884 мм * Длина (поручня) ограждения L1 = 1697 мм * Вес (масса) ограждения — 22,4 кгКонструкция лестничного ограждения ОЛГ 45-12,5.12 Стойки из стального горячекатаного равнополочного уголка 50×5 по ГОСТ 8509 * Высота стоек — 980 мм * Количество стоек — 2 шт. * Шаг между стойками — 500 мм Поручень из стального горячекатаного равнополочного уголка 50×5 по ГОСТ 8509 * Длина поручня — 1697 мм Струна из стального горячекатаного равнополочного уголка 25×3 по ГОСТ 8509 * Длина струны — 1420 и 1185 мм * Количество струн — 2 шт. * Расстояние от верха поручня до струны — 260 мм * Расстояние между струнами — 235 мм Боковая планка из стальной горячекатаной полосы сечением 4×150 по ГОСТ 103 * Длина боковой планки — 950 мм Ограждения ОЛГ 45-12,5.12 устанавливаются на стальные лестничные марши высотой 1,2 м: ЛГВ 45-12.7, ЛГВ 45-12,9, ЛГФ 45-12.7, ЛГФ 45-12,9 и др. Стойки и поручни ограждений выполнены из стальных горячекатаных уголков по ГОСТ 8509, нижние боковые планки высотой 150 мм исключают возможность проскальзывания ног человека. Лестничные ограждения отвечают требованиям ГОСТ 23120, OCT 26.260.758-2003 и ГОСТ Р 53254. Материалы, применяемые для изготовления ограждений В производстве ограждений ОЛГ используем сертифицированный горячекатаный металлопрокат по ГОСТ 535 из углеродистых сталей марок * Ст3кп по ГОСТ 380 (С235 по ГОСТ 27772),  * Ст3пс по ГОСТ 380 (С245 по ГОСТ 27772) или * Ст3сп5 по ГОСТ 380 (С255 по ГОСТ 27772). Защита стальных лестничных ограждений от коррозии осуществляется с учетом рекомендаций раздела 9 «Металлические конструкции» (приложение Ц) свода правил СП 28.13330.2017 «Защита строительных конструкций от коррозии. Актуализированная редакция СНиП 2.03.11-85» В качестве антикоррозионной защиты наносится один слой глифталевой грунтовки ГФ-021 по ГОСТ 25129 (толщина лакокрасочного покрытия 15-20 мкм) и, по требованию Заказчика, один слой эмали ПФ-115 по ГОСТ 6465 (толщина ЛКП 18-23 мкм)Производитель: Собственное производство Вид изделия: Перила Установка изделия: На лестницу Длина: 1697 мм Высота: 1250 мм Ширина: 70 мм Цвет: Красно-коричнывый Вес: 21.7 Материал изделия: Сталь Ст3 Покрытие: Грунт ГФ-021

2 230 руб.
Москва
ОЛГ 60-10.42 серии 1.450.3-7.94 Ограждения стальных маршевых лестниц

ОЛГ 60-10.42 серии 1.450.3-7.94 Ограждения стальных маршевых лестниц

Производство стандартных стальных сварных ограждений марки ОЛГ 60-10.42 лестничных маршей пожарных и промышленных производственных металлических лестниц по чертежам типовой серии 1.450.3-7.94 «Лестницы, площадки, стремянки и ограждения стальные для производственных зданий промышленных предприятий» (выпуск 2 «Конструкции из горячекатаных профилей. Чертежи КМ»). Размеры ограждения ОЛГ 60-10.42 * Высота лестничного ограждения H1 = 1000 мм * Высота поручня H2 = 500 мм * Длина поручня L1 = 4849 мм * Вес (масса) ограждения - 32,0 кгКонструкция ограждения ОЛГ 60-10.42 Стойки из стального горячекатаного равнополочного уголка 50х5 по ГОСТ 8509 * Высота стоек - 595 мм * Количество стоек - 4 шт. Поручень из стального горячекатаного равнополочного уголка 50х5 по ГОСТ 8509 * Длина поручня - 4849 мм Струна из стального горячекатаного равнополочного уголка 25х3 по ГОСТ 8509 * Длина струны - 4416 мм * Количество струн - 1 шт. * Расстояние от поручня до струны - 250 мм Высота лестничного ограждения H2=1000 мм. Высота лестничного марша (ЛГВ 60-42.7 и ЛГФ 60-42.7) - H=4,2 м. Стойки и поручни ограждений выполнены из стальных горячекатаных уголков по ГОСТ 8509. Лестничные ограждения ОЛГ, изготовленные по типовым чертежам 1.450.3-7.94.2-КМ3-2 серии 1.450.3-7.94, отвечают требованиям ГОСТ 23120 и ГОСТ Р 53254. Используемые материалы В производстве ограждений используем сертифицированный горячекатаный металлопрокат по ГОСТ 535 из углеродистых сталей марок * Ст3кп по ГОСТ 380 (класса прочности С235 по ГОСТ 27772),  * Ст3пс по ГОСТ 380 (С245 по ГОСТ 27772) или * Ст3сп5 по ГОСТ 380 (С255 по ГОСТ 27772). Защита строительных стальных металлоконструкций от коррозии осуществляется с учетом рекомендаций раздела 9 (приложение Ц) свода правил СП 28.13330.2017 (актуализированная редакция СНиП 2.03.11-85) В качестве антикоррозионной защиты наносится один слой глифталевой грунтовки ГФ-021 по ГОСТ 25129 (толщина слоя 15-20 мкм) и один слой эмали ПФ-115 по ГОСТ 6465Производитель: Собственное производство Высота: 1000 мм Установка изделия: На лестницу Материал изделия: Металл Ширина: 70 мм Покрытие: Краска Вид изделия: Перила Длина: 4850 мм Вес: 32

3 840 руб.
Москва
ОЛГ 60-10.36 серии 1.450.3-7.94 Ограждения стальных маршевых лестниц

ОЛГ 60-10.36 серии 1.450.3-7.94 Ограждения стальных маршевых лестниц

Производство стандартных стальных сварных ограждений марки ОЛГ 60-10.36 лестничных маршей пожарных и промышленных производственных металлических лестниц по чертежам типовой серии 1.450.3-7.94 «Лестницы, площадки, стремянки и ограждения стальные для производственных зданий промышленных предприятий» (выпуск 2 «Конструкции из горячекатаных профилей. Чертежи КМ»). Размеры ограждения ОЛГ 60-10.36 * Высота лестничного ограждения H1 = 1000 мм * Высота поручня H2 = 500 мм * Длина поручня L1 = 4157 мм * Вес (масса) ограждения – 26,5 кгКонструкция ограждения ОЛГ 60-10.36 Стойки из стального горячекатаного равнополочного уголка 50х5 по ГОСТ 8509 * Высота стоек – 595 мм * Количество стоек – 3 шт. Поручень из стального горячекатаного равнополочного уголка 50х5 по ГОСТ 8509 * Длина поручня – 4157 мм Струна из стального горячекатаного равнополочного уголка 25х3 по ГОСТ 8509 * Длина струны – 3724 мм * Количество струн – 1 шт. * Расстояние от поручня до струны – 250 мм Лестничные ограждения ОЛГ 60-10.36 монтируются на лестничные марши высотой 3,6м (ЛГВ 60-36.7 или ЛГФ 60-36.7). Лестничные ограждения, изготовленные по типовым чертежам 1.450.3-7.94.2-КМ3-2 серии 1.450.3-7.94, отвечают требованиям ГОСТ 23120 и ГОСТ Р 53254. Используемые материалы В производстве ограждений ОЛГ используем сертифицированный горячекатаный металлопрокат по ГОСТ 535 из углеродистых сталей марок * Ст3кп по ГОСТ 380 (класса прочности С235 по ГОСТ 27772),  * Ст3пс по ГОСТ 380 (С245 по ГОСТ 27772) или * Ст3сп5 по ГОСТ 380 (С255 по ГОСТ 27772). Защита строительных стальных металлоконструкций от коррозии осуществляется с учетом рекомендаций раздела 9 (приложение Ц) свода правил СП 28.13330.2017 (актуализированная редакция СНиП 2.03.11-85) В качестве антикоррозионной защиты наносится один слой глифталевой грунтовки ГФ-021 по ГОСТ 25129 (толщина слоя 15-20 мкм) и один слой эмали ПФ-115 по ГОСТ 6465 (по требованию)Производитель: Собственное производство Высота: 1000 мм Установка изделия: На лестницу Материал изделия: Металл Ширина: 70 мм Покрытие: Краска Вид изделия: Перила Длина: 4157 мм Вес: 26.5

3 150 руб.
Москва
ОЛГ 60-12.30 серии 1.450.3-7.94 Ограждения стальных маршевых лестниц

ОЛГ 60-12.30 серии 1.450.3-7.94 Ограждения стальных маршевых лестниц

Производство стандартных стальных сварных ограждений марки ОЛГ 60-12.30 лестничных маршей пожарных и промышленных производственных металлических лестниц по чертежам типовой серии 1.450.3-7.94 (выпуск 2 «Конструкции из горячекатанных профилей»). Высота лестничного ограждения H2 = 1200 мм. Высота лестничного марша H = 3,0 м. Стойки и поручни ограждений выполнены из стальных горячекатаных уголков по ГОСТ 8509. Лестничные ограждения отвечают требованиям ГОСТ 23120 и ГОСТ Р 53254. В производстве используем сертифицированный горячекатаный металлопрокат из углеродистых сталей марок * Ст3кп по ГОСТ 380 (С235 по ГОСТ 27772),  * Ст3пс по ГОСТ 380 (С245 по ГОСТ 27772) или * Ст3сп5 по ГОСТ 380 (С255 по ГОСТ 27772). В качестве антикоррозионной защиты наносится один слой глифталевой грунтовки ГФ-021 по ГОСТ 25129 и один слой эмали ПФ-115 по ГОСТ 6465Производитель: Собственное производство Высота: 1200 мм Установка изделия: На лестницу Материал изделия: Металл Ширина: 70 мм Покрытие: Краска Вид изделия: Перила Длина: 3464 мм Вес: 24.2

2 900 руб.
Москва
ОЛГ 60-12.36 серии 1.450.3-7.94 Ограждения стальных маршевых лестниц

ОЛГ 60-12.36 серии 1.450.3-7.94 Ограждения стальных маршевых лестниц

Производство стандартных стальных сварных ограждений марки ОЛГ 60-12.36 лестничных маршей пожарных и промышленных производственных металлических лестниц по чертежам типовой серии 1.450.3-7.94 «Лестницы, площадки, стремянки и ограждения стальные для производственных зданий промышленных предприятий» (выпуск 2 «Конструкции из горячекатаных профилей. Чертежи КМ»). Размеры ограждения ОЛГ 60-12.36 * Высота лестничного ограждения H1 = 1200 мм * Высота поручня H2 = 600 мм * Длина поручня L1 = 4157 мм * Вес (масса) ограждения – 27,2 кгКонструкция ограждения ОЛГ 60-12.36 Стойки из стального горячекатаного равнополочного уголка 50х5 по ГОСТ 8509 * Высота стоек – 695 мм * Количество стоек – 3 шт. Поручень из стального горячекатаного равнополочного уголка 50х5 по ГОСТ 8509 * Длина поручня – 4157 мм Струна из стального горячекатаного равнополочного уголка 25х3 по ГОСТ 8509 * Длина струны – 3637 мм * Количество струн – 1 шт. * Расстояние от поручня до струны – 300 мм Лестничные ограждения ОЛГ 60-10.36 монтируются на лестничные марши высотой 3,6м (ЛГВ 60-36.7 или ЛГФ 60-36.7). Лестничные ограждения, изготовленные по типовым чертежам 1.450.3-7.94.2-КМ3-2 серии 1.450.3-7.94, отвечают требованиям ГОСТ 23120 и ГОСТ Р 53254. Используемые материалы В производстве ограждений ОЛГ используем сертифицированный горячекатаный металлопрокат по ГОСТ 535 из углеродистых сталей марок * Ст3кп по ГОСТ 380 (С235 по ГОСТ 27772),  * Ст3пс по ГОСТ 380 (С245 по ГОСТ 27772) или * Ст3сп5 по ГОСТ 380 (С255 по ГОСТ 27772). Защита строительных стальных металлоконструкций от коррозии осуществляется с учетом рекомендаций раздела 9 (приложение Ц) свода правил СП 28.13330.2017 (актуализированная редакция СНиП 2.03.11-85) В качестве антикоррозионной защиты наносится один слой глифталевой грунтовки ГФ-021 по ГОСТ 25129 (толщина слоя 15-20 мкм) и один слой эмали ПФ-115 по ГОСТ 6465 (по требованию)Производитель: Собственное производство Материал изделия: Металл Покрытие: Краска Вид изделия: Перила Установка изделия: На лестницу Длина: 4157 мм Высота: 1200 мм Ширина: 70 мм Вес: 27.2

3 260 руб.
Москва
ОЛГ 60-10.30 серии 1.450.3-7.94 Ограждения стальных маршевых лестниц

ОЛГ 60-10.30 серии 1.450.3-7.94 Ограждения стальных маршевых лестниц

Производство стандартных стальных сварных ограждений марки ОЛГ 60-10.30 лестничных маршей пожарных и промышленных производственных металлических лестниц по чертежам типовой серии 1.450.3-7.94 «Лестницы, площадки, стремянки и ограждения стальные для производственных зданий промышленных предприятий» (выпуск 2 «Конструкции из горячекатаных профилей. Чертежи КМ»). Размеры ограждения ОЛГ 60-10.30 * Высота лестничного ограждения H1 = 1000 мм * Высота поручня H2 = 500 мм * Длина поручня L1 = 3465 мм * Вес (масса) ограждения – 23,1 кгКонструкция ограждения ОЛГ 60-10.30 Стойки из стального горячекатаного равнополочного уголка 50х5 по ГОСТ 8509 * Высота стоек – 595 мм * Количество стоек – 3 шт. Поручень из стального горячекатаного равнополочного уголка 50х5 по ГОСТ 8509 * Длина поручня – 3465 мм Струна из стального горячекатаного равнополочного уголка 25х3 по ГОСТ 8509 * Длина струны – 3032 мм * Количество струн – 1 шт. * Расстояние от поручня до струны – 250 мм Лестничные ограждения ОЛГ 60-10.30 монтируются на лестничные марши высотой 3,0м (ЛГВ 60-30.7 или ЛГФ 60-30.7). Лестничные ограждения, изготовленные по типовым чертежам 1.450.3-7.94.2-КМ3-2 серии 1.450.3-7.94, отвечают требованиям ГОСТ 23120 и ГОСТ Р 53254. Используемые материалы В производстве используем сертифицированный горячекатаный металлопрокат по ГОСТ 535 из углеродистых сталей марок * Ст3кп по ГОСТ 380 (класса прочности С235 по ГОСТ 27772),  * Ст3пс по ГОСТ 380 (С245 по ГОСТ 27772) или * Ст3сп5 по ГОСТ 380 (С255 по ГОСТ 27772). Защита строительных стальных металлоконструкций от коррозии осуществляется с учетом рекомендаций раздела 9 (приложение Ц) свода правил СП 28.13330.2017 (актуализированная редакция СНиП 2.03.11-85) В качестве антикоррозионной защиты наносится один слой глифталевой грунтовки ГФ-021 по ГОСТ 25129 (толщина слоя 15-20 мкм) и один слой эмали ПФ-115 по ГОСТ 6465 (по требованию)Производитель: Собственное производство Высота: 1000 мм Установка изделия: На лестницу Вид изделия: Перила Ширина: 70 мм Длина: 3464 мм Вес: 23.1 Покрытие: Грунт ГФ-021 Материал изделия: Сталь Ст3 Цвет: Красно-коричнывый

2 770 руб.
Москва
ОЛГ 60-12.24 серии 1.450.3-7.94 Ограждения стальных маршевых лестниц

ОЛГ 60-12.24 серии 1.450.3-7.94 Ограждения стальных маршевых лестниц

Производство стандартных стальных сварных ограждений марки ОЛГ 60-12.24 лестничных маршей пожарных и промышленных производственных металлических лестниц, изготовленных по чертежам типовой серии 1.450.3-7.94 «Лестницы, площадки, стремянки и ограждения стальные для производственных зданий промышленных предприятий» (выпуск 2 «Конструкции из горячекатаных профилей. Чертежи КМ»). Размеры стального ограждения ОЛГ 60-12.24 * Высота лестничного ограждения H1 = 1200 мм * Высота поручня H2 = 600 мм * Длина поручня L1 = 2771 мм * Вес (масса) ограждения — 18,4 кгКонструкция лестничного ограждения ОЛГ 60-12.24 Стойки из стального горячекатаного равнополочного уголка 50×5 по ГОСТ 8509 * Высота стоек — 695 мм * Расстояние между стойками — 1420 мм * Количество стоек — 2 шт. Поручень из стального горячекатаного равнополочного уголка 50×5 по ГОСТ 8509 * Длина поручня — 2771 мм Струна из стального горячекатаного равнополочного уголка 25×3 по ГОСТ 8509 * Длина струны — 2251 мм * Количество струн — 1 шт. * Расстояние от поручня до струны — 300 мм  Сварка стоек, поручня и струны между собой осуществляется односторонними нахлесточными Н1 и тавровыми Т1 швами по ГОСТ 5264 (ручная дуговая сварка) или ГОСТ 14771 (дуговая сварка в защитном газе) Лестничные ограждения ОЛГ 60-12.24 устанавливаются на стальные маршевые лестницы высотой 2,4 м: ЛГВ 60-24.7 или ЛГФ 60-24.7. Лестничные ограждения, изготовленные по типовым чертежам 1.450.3-7.94.2-км3-2 серии 1.450.3-7.94, отвечают требованиям ГОСТ 23120 и ГОСТ Р 53254. Материалы, применяемые для изготовления ограждений В производстве ограждений ОЛГ используем сертифицированный горячекатаный металлопрокат по ГОСТ 535 из углеродистых сталей марок Ст3кп, Ст3пс или Ст3сп5 (химический состав по ГОСТ 380), что соответствует классам прочности стали С235, С245 или С255 по ГОСТ 27772 Защита стальных лестничных ограждений от коррозии осуществляется с учетом рекомендаций раздела 9 «Металлические конструкции» (приложение Ц) свода правил СП 28.13330.2017 «Защита строительных конструкций от коррозии. Актуализированная редакция СНиП 2.03.11-85» В качестве антикоррозионной защиты наносится один слой глифталевой грунтовки ГФ-021 по ГОСТ 25129 (толщина лакокрасочного покрытия 15-20 мкм) и, по требованию Заказчика, один слой эмали ПФ-115 по ГОСТ 6465 (толщина ЛКП 18-23 мкм)Производитель: Собственное производство Вид изделия: Перила Установка изделия: На лестницу Длина: 2771 мм Высота: 1200 мм Ширина: 70 мм Цвет: Красно-коричнывый Вес: 18.4 Материал изделия: Сталь Ст3 Покрытие: Грунт ГФ-021

2 200 руб.
Москва
ОЛГ 60-10.24 серии 1.450.3-7.94 Ограждения стальных маршевых лестниц

ОЛГ 60-10.24 серии 1.450.3-7.94 Ограждения стальных маршевых лестниц

Производство стандартных стальных сварных ограждений марки ОЛГ 60-10.24 лестничных маршей пожарных и промышленных производственных металлических лестниц по чертежам типовой серии 1.450.3-7.94 «Лестницы, площадки, стремянки и ограждения стальные для производственных зданий промышленных предприятий» (выпуск 2 «Конструкции из горячекатаных профилей. Чертежи КМ»). Размеры ограждения ОЛГ 60-10.24 * Высота лестничного ограждения H1 = 1000 мм * Высота поручня H2 = 500 мм * Длина поручня L1 = 2771 мм * Вес (масса) ограждения - 19,6 кгКонструкция ограждения ОЛГ 60-10.24 Стойки из стального горячекатаного равнополочного уголка 50х5 по ГОСТ 8509 * Высота стоек - 595 мм * Количество стоек - 2 шт. * Расстояние между стойками - 1420 мм Поручень из стального горячекатаного равнополочного уголка 50х5 по ГОСТ 8509 * Длина поручня - 2771 мм Струна из стального горячекатаного равнополочного уголка 25х3 по ГОСТ 8509 * Длина струны - 2338 мм * Количество струн - 1 шт. * Расстояние от поручня до струны - 250 мм Высота лестничного ограждения H2=1000 мм. Высота лестничного марша (ЛГВ 60-24.7 и ЛГФ 60-24.7) - H=2,4 м. Стойки и поручни ограждений выполнены из стальных горячекатаных уголков по ГОСТ 8509. Лестничные ограждения ОЛГ, изготовленные по типовым чертежам 1.450.3-7.94.2-КМ3-2 серии 1.450.3-7.94, отвечают требованиям ГОСТ 23120 и ГОСТ Р 53254. Используемые материалы В производстве ограждений используем сертифицированный горячекатаный металлопрокат по ГОСТ 535 из углеродистых сталей марок * Ст3кп по ГОСТ 380 (класса прочности С235 по ГОСТ 27772),  * Ст3пс по ГОСТ 380 (С245 по ГОСТ 27772) или * Ст3сп5 по ГОСТ 380 (С255 по ГОСТ 27772). Защита строительных стальных металлоконструкций от коррозии осуществляется с учетом рекомендаций раздела 9 (приложение Ц) свода правил СП 28.13330.2017 (актуализированная редакция СНиП 2.03.11-85) В качестве антикоррозионной защиты наносится один слой глифталевой грунтовки ГФ-021 по ГОСТ 25129 (толщина слоя 15-20 мкм) и один слой эмали ПФ-115 по ГОСТ 6465Производитель: Собственное производство Высота: 1000 мм Установка изделия: На лестницу Вид изделия: Перила Ширина: 70 мм Длина: 2771 мм Вес: 19.6 Покрытие: Грунт ГФ-021 Материал изделия: Сталь Ст3 Цвет: Красно-коричнывый

2 350 руб.
Москва
ОЛГ 60-12.18 серии 1.450.3-7.94 Ограждения стальных маршевых лестниц

ОЛГ 60-12.18 серии 1.450.3-7.94 Ограждения стальных маршевых лестниц

Производство стандартных стальных сварных ограждений марки ОЛГ 60-12.18 для лестничных маршей пожарных и промышленных производственных металлических лестниц, изготовленных по чертежам типовой серии 1.450.3-7.94 «Лестницы, площадки, стремянки и ограждения стальные для производственных зданий промышленных предприятий» (выпуск 2 «Конструкции из горячекатаных профилей. Чертежи КМ»). Размеры стального ограждения ОЛГ 60-12.18 * Высота лестничного ограждения H1 = 1200 мм * Высота поручня H2 = 600 мм * Длина поручня L1 =2078 мм * Вес (масса) ограждения - 14,7 кгКонструкция лестничного ограждения ОЛГ 60-12.18 Стойки из стального горячекатаного равнополочного уголка 50×5 по ГОСТ 8509 * Высота стоек - 695 мм * Расстояние между стойками - 720 мм * Количество стоек - 2 шт. Поручень из стального горячекатаного равнополочного уголка 50×5 по ГОСТ 8509 * Длина поручня - 2078 мм Струна из стального горячекатаного равнополочного уголка 25×3 по ГОСТ 8509 * Длина струны - 1558 мм * Количество струн - 1 шт. * Расстояние от поручня до струны - 300 мм Сварка стоек, поручня и струны между собой осуществляется односторонними нахлесточными Н1 и тавровыми Т1 швами по ГОСТ 5264 (ручная дуговая сварка) или ГОСТ 14771 (дуговая сварка в защитном газе) Лестничные ограждения ОЛГ 60-12.24 устанавливаются на стальные маршевые лестницы высотой 1,8 м ЛГВ 60-18.7 или ЛГФ 60-18.7 Лестничные ограждения, изготовленные по типовым чертежам 1.450.3-7.94.2-КМ3-2 серии 1.450.3-7.94, отвечают требованиям ГОСТ 23120 и ГОСТ Р 53254. Материалы, применяемые для изготовления ограждений В производстве ограждений ОЛГ используем сертифицированный горячекатаный металлопрокат по ГОСТ 535 из углеродистых сталей марок Ст3кп, Ст3пс или Ст3сп5 (химический состав по ГОСТ 380), что соответствует классам прочности стали С235, С245 или С255 по ГОСТ 27772 Защита стальных лестничных ограждений от коррозии осуществляется с учетом рекомендаций раздела 9 «Металлические конструкции» (приложение Ц) свода правил СП 28.13330.2017 «Защита строительных конструкций от коррозии. Актуализированная редакция СНиП 2.03.11-85» В качестве антикоррозионной защиты наносится один слой глифталевой грунтовки ГФ-021 по ГОСТ 25129 (толщина лакокрасочного покрытия 15-20 мкм) и, по требованию Заказчика, один слой эмали ПФ-115 по ГОСТ 6465 (толщина ЛКП 18-23 мкм)Производитель: Собственное производство Вид изделия: Перила Установка изделия: На лестницу Длина: 2078 мм Высота: 1200 мм Ширина: 70 мм Цвет: Красно-коричнывый Вес: 14.7 Материал изделия: Сталь Ст3 Покрытие: Грунт ГФ-021

1 760 руб.
Москва
ОЛГ 60-10.18 серии 1.450.3-7.94 Ограждения стальных маршевых лестниц

ОЛГ 60-10.18 серии 1.450.3-7.94 Ограждения стальных маршевых лестниц

Производство стандартных стальных сварных ограждений марки ОЛГ 60-10.18 для лестничных маршей пожарных и промышленных производственных металлических лестниц по чертежам типовой серии 1.450.3-7.94 «Лестницы, площадки, стремянки и ограждения стальные для производственных зданий промышленных предприятий» (выпуск 2 «Конструкции из горячекатаных профилей. Чертежи КМ»). Размеры ограждения ОЛГ 60-10.18 * Высота лестничного ограждения H1 = 1000 мм * Высота поручня H2 = 500 мм * Длина поручня L1 = 2078 мм * Вес (масса) ограждения – 14,0 кгКонструкция ограждения ОЛГ 60-10.18 Стойки из стального горячекатаного равнополочного уголка 50х5 по ГОСТ 8509 * Высота стоек – 595 мм * Количество стоек – 2 шт. Поручень из стального горячекатаного равнополочного уголка 50х5 по ГОСТ 8509 * Длина поручня – 2078 мм Струна из стального горячекатаного равнополочного уголка 25х3 по ГОСТ 8509 * Длина струны – 1645 мм * Количество струн – 1 шт. * Расстояние от поручня до струны – 250 мм Лестничные ограждения ОЛГ 60-10.18 монтируются на лестничные марши высотой 1,2м (ЛГВ 60-18.7 или ЛГФ 60-18.7). Лестничные ограждения, изготовленные по типовым чертежам 1.450.3-7.94.2-км3-2 серии 1.450.3-7.94, отвечают требованиям ГОСТ 23120 и ГОСТ Р 53254. Используемые материалы В производстве используем сертифицированный горячекатаный металлопрокат по ГОСТ 535 из углеродистых сталей марок * Ст3кп по ГОСТ 380 (класса прочности С235 по ГОСТ 27772),  * Ст3пс по ГОСТ 380 (С245 по ГОСТ 27772) или * Ст3сп5 по ГОСТ 380 (С255 по ГОСТ 27772). Защита строительных стальных металлоконструкций от коррозии осуществляется с учетом рекомендаций раздела 9 (приложение Ц) свода правил СП 28.13330.2017 (актуализированная редакция СНиП 2.03.11-85) В качестве антикоррозионной защиты наносится один слой глифталевой грунтовки ГФ-021 по ГОСТ 25129 (толщина слоя 15-20 мкм) и один слой эмали ПФ-115 по ГОСТ 6465 (по требованию)Производитель: Собственное производство Высота: 1000 мм Установка изделия: На лестницу Вид изделия: Перила Ширина: 70 мм Длина: 2078 мм Вес: 14 Покрытие: Грунт ГФ-021 Материал изделия: Сталь Ст3 Цвет: Красно-коричнывый

1 680 руб.
Москва
ОЛГ 60-10.12 серии 1.450.3-7.94 Ограждения стальных маршевых лестниц

ОЛГ 60-10.12 серии 1.450.3-7.94 Ограждения стальных маршевых лестниц

Производство стандартных стальных сварных ограждений марки ОЛГ 60-10.12 для лестничных маршей пожарных и промышленных производственных металлических лестниц по чертежам типовой серии 1.450.3-7.94 «Лестницы, площадки, стремянки и ограждения стальные для производственных зданий промышленных предприятий» (выпуск 2 «Конструкции из горячекатанных профилей. Чертежи КМ»). Размеры ограждения ОЛГ 60-10.12 * Высота лестничного ограждения H1 = 1000 мм * Высота поручня H2 = 500 мм * Длина поручня L1 = 1386 мм * Вес (масса) ограждения – 8,5 кгКонструкция ограждения ОЛГ 60-10.12 Стойки из стального горячекатаного равнополочного уголка 50х5 по ГОСТ 8509 * Высота стоек – 595 мм * Количество стоек – 1 шт. Поручень из стального горячекатаного равнополочного уголка 50х5 по ГОСТ 8509 * Длина поручня – 1386 мм Струна из стального горячекатаного равнополочного уголка 25х3 по ГОСТ 8509 * Длина струны – 953 мм * Количество струн – 1 шт. * Расстояние от поручня до струны – 250 мм Лестничные ограждения ОЛГ 60-10.12 монтируются на лестничные марши высотой 1,2м (ЛГВ 60-12.7 или ЛГФ 60-12.7). Лестничные ограждения, изготовленные по типовым чертежам 1.450.3-7.94.2-км3-2 серии 1.450.3-7.94, отвечают требованиям ГОСТ 23120 и ГОСТ Р 53254. Используемые материалы В производстве используем сертифицированный горячекатаный металлопрокат по ГОСТ 535 из углеродистых сталей марок * Ст3кп по ГОСТ 380 (класса прочности С235 по ГОСТ 27772),  * Ст3пс по ГОСТ 380 (С245 по ГОСТ 27772) или * Ст3сп5 по ГОСТ 380 (С255 по ГОСТ 27772). Защита строительных стальных металлоконструкций от коррозии осуществляется с учетом рекомендаций раздела 9 (приложение Ц) свода правил СП 28.13330.2017 (актуализированная редакция СНиП 2.03.11-85) В качестве антикоррозионной защиты наносится один слой глифталевой грунтовки ГФ-021 по ГОСТ 25129 (толщина слоя 15-20 мкм) и один слой эмали ПФ-115 по ГОСТ 6465 (по требованию)Производитель: Собственное производство Высота: 1000 мм Установка изделия: На лестницу Вид изделия: Перила Ширина: 70 мм Длина: 1386 мм Вес: 8.5 Покрытие: Грунт ГФ-021 Материал изделия: Сталь Ст3 Цвет: Красно-коричнывый

1 100 руб.
Москва
ОЛГ 45-12.30 серии 1.450.3-7.94 Ограждения стальных маршевых лестниц

ОЛГ 45-12.30 серии 1.450.3-7.94 Ограждения стальных маршевых лестниц

Производство стандартных стальных сварных ограждений марки ОЛГ 45-12.30 для лестничных маршей пожарных и промышленных производственных металлических лестниц, изготовленных по чертежам типовой серии 1.450.3-7.94 «Лестницы, площадки, стремянки и ограждения стальные для производственных зданий промышленных предприятий» (выпуск 2 «Конструкции из горячекатаных профилей. Чертежи КМ»). Размеры стального ограждения ОЛГ 45-12.30 * Высота лестничного ограждения H1 = 1200 мм * Высота поручня H2 = 848 мм * Длина (поручня) ограждения L1 = 4243 мм * Вес (масса) ограждения — 30,9 кгКонструкция лестничного ограждения ОЛГ 45-12.30 Стойки из стального горячекатаного равнополочного уголка 50×5 по ГОСТ 8509 * Высота стоек — 943 мм * Количество стоек — 3 шт. * Шаг между стойками — 1500 мм Поручень из стального горячекатаного равнополочного уголка 50×5 по ГОСТ 8509 * Длина поручня — 4243 мм Струна из стального горячекатаного равнополочного уголка 25×3 по ГОСТ 8509 * Длина струны — 3705 мм * Количество струн — 1 шт. * Расстояние от поручня до струны — 424 мм Ограждения ОЛГ45-12.30 устанавливаются на стальные маршевые лестницы ЛГВ 45-30.7, ЛГФ 45-30.7, ЛГВ 45-30.9, ЛГФ 45-30.9 и др. Ограждения ОЛГ45-12.30, изготовленные по чертежам 1.450.3-7.94.2-КМ3-1 типовой серии 1.450.3-7.94, полностью отвечают требованиям ГОСТ 23120 и ГОСТ Р 53254. Материалы, применяемые для изготовления ограждений В производстве ограждений ОЛГ используем сертифицированный горячекатаный металлопрокат по ГОСТ 535 из углеродистых сталей марок * Ст3кп по ГОСТ 380 (класса прочности С235 по ГОСТ 27772),  * Ст3пс по ГОСТ 380 (С245 по ГОСТ 27772) или * Ст3сп5 по ГОСТ 380 (С255 по ГОСТ 27772). Защита стальных лестничных ограждений от коррозии осуществляется с учетом рекомендаций раздела 9 «Металлические конструкции» (приложение Ц) свода правил СП 28.13330.2017 «Защита строительных конструкций от коррозии. Актуализированная редакция СНиП 2.03.11-85» В качестве антикоррозионной защиты наносится один слой глифталевой грунтовки ГФ-021 по ГОСТ 25129 (толщина лакокрасочного покрытия 15-20 мкм) и, по требованию Заказчика, один слой эмали ПФ-115 по ГОСТ 6465 (толщина ЛКП 18-23 мкм)Производитель: Собственное производство Вид изделия: Перила Установка изделия: На лестницу Длина: 4247 мм Высота: 1200 мм Ширина: 70 мм Цвет: Красно-коричнывый Вес: 30.9 Материал изделия: Сталь Ст3 Покрытие: Грунт ГФ-021

3 700 руб.
Москва
ОЛГ 45-12.18 серии 1.450.3-7.94 Ограждения стальных маршевых лестниц

ОЛГ 45-12.18 серии 1.450.3-7.94 Ограждения стальных маршевых лестниц

Производство стандартных стальных сварных ограждений марки ОЛГ 45-12.18 лестничных маршей пожарных и промышленных производственных металлических лестниц по чертежам типовой серии 1.450.3-7.94 «Лестницы, площадки, стремянки и ограждения стальные для производственных зданий промышленных предприятий» (выпуск 2 «Конструкции из горячекатаных профилей. Чертежи КМ»). Размеры металлического ограждения ОЛГ 45-12.18 * Высота лестничного ограждения H1 = 1200 мм * Высота поручня H2 = 848 мм * Длина (поручня) ограждения L1 = 2546 мм * Вес (масса) ограждения — 19,0 кгКонструкция лестничного ограждения ОЛГ 45-12.18 Стойки из стального горячекатаного равнополочного уголка 50х5 по ГОСТ 8509 * Высота стоек — 943 мм * Количество стоек — 2 шт. * Шаг между стойками — 1350 мм Поручень из стального горячекатаного равнополочного уголка 50х5 по ГОСТ 8509 * Длина поручня — 2546 мм Струна из стального горячекатаного равнополочного уголка 25х3 по ГОСТ 8509 * Длина струны — 2008 мм * Количество струн — 1 шт. * Расстояние от поручня до струны — 424 мм Ограждения ОЛГ 45-12.18 устанавливаются на лестницы ЛГВ 45-18.7, ЛГФ 45-18.7, ЛГВ 45-18.9, ЛГФ 45-18.9 и др. Ограждения ОЛГ 45-12.18, изготовленные по чертежам 1.450.3-7.94.2-КМ3-1 типовой серии 1.450.3-7.94, полностью отвечают требованиям ГОСТ 23120 и ГОСТ Р 53254. Используемые материалы В производстве ограждений ОЛГ используем сертифицированный горячекатаный металлопрокат по ГОСТ 535 из углеродистых сталей марок * кипящей Ст3кп по ГОСТ 380 (класса прочности С235 по ГОСТ 27772),  * полуспокойной Ст3пс по ГОСТ 380 (С245 по ГОСТ 27772) или * спокойной Ст3сп5 по ГОСТ 380 (С255 по ГОСТ 27772). Защита строительных стальных металлоконструкций от коррозии осуществляется с учетом рекомендаций раздела 9 (приложение Ц) свода правил СП 28.13330.2017 (актуализированная редакция СНиП 2.03.11-85) В качестве антикоррозионной защиты наносится один слой глифталевой грунтовки ГФ-021 по ГОСТ 25129 (толщина лакокрасочного покрытия 15-20 мкм) и один слой эмали ПФ-115 по ГОСТ 6465 (толщина слоя ЛКП 18-23 мкм)Производитель: Собственное производство Материал изделия: Металл Покрытие: Краска Вид изделия: Перила Установка изделия: На лестницу Длина: 2546 мм Высота: 1200 мм Ширина: 70 мм Вес: 19

2 280 руб.
Москва
ОЛГ 45-12.36 серии 1.450.3-7.94 Ограждения стальных маршевых лестниц

ОЛГ 45-12.36 серии 1.450.3-7.94 Ограждения стальных маршевых лестниц

Производство стандартных стальных сварных ограждений марки ОЛГ 45-12.36 для лестничных маршей пожарных и промышленных производственных металлических лестниц по чертежам типовой серии 1.450.3-7.94 «Лестницы, площадки, стремянки и ограждения стальные для производственных зданий промышленных предприятий» (выпуск 2 «Конструкции из горячекатаных профилей. Чертежи КМ»). Размеры ограждения ОЛГ 45-12.36 * Высота лестничного ограждения H1 = 3600 мм * Высота поручня H2 = 848 мм * Длина (поручня) ограждения L1 = 5092 мм * Вес (масса) ограждения — 38,7 кгКонструкция ограждения ОЛГ 45-12.36 Стойки из стального горячекатаного равнополочного уголка 50х5 по ГОСТ 8509 * Высота стоек — 943 мм * Количество стоек — 4 шт. * Шаг между стойками — 1300 мм Поручень из стального горячекатаного равнополочного уголка 50х5 по ГОСТ 8509 * Длина поручня — 5092 мм Струна из стального горячекатаного равнополочного уголка 25х3 по ГОСТ 8509 * Длина струны — 4554 мм * Количество струн — 1 шт. * Расстояние от поручня до струны — 424 мм Ограждения ОЛГ45-12.36 устанавливаются на лестницы ЛГВ 45-36.7, ЛГФ 45-36.7, ЛГВ 45-36.9, ЛГФ 45-36.9 и др. Ограждения ОЛГ45-12.36, изготовленные по чертежам 1.450.3-7.94.2-КМ3-1 типовой серии 1.450.3-7.94, полностью отвечают требованиям ГОСТ 23120 и ГОСТ Р 53254. Используемые материалы В производстве используется сертифицированный горячекатаный металлопрокат по ГОСТ 535 из углеродистых сталей * Ст3кп по ГОСТ 380 (класса прочности С235 по ГОСТ 27772),  * Ст3пс по ГОСТ 380 (С245 по ГОСТ 27772) или * Ст3сп5 по ГОСТ 380 (С255 по ГОСТ 27772). Защита строительных стальных металлоконструкций от коррозии осуществляется с учетом рекомендаций раздела 9 (приложение Ц) свода правил СП 28.13330.2017 (актуализированная редакция СНиП 2.03.11-85) В качестве антикоррозионной защиты наносится один слой глифталевой грунтовки ГФ-021 по ГОСТ 25129 (толщина слоя 18-20 мкм) и один слой эмали ПФ-115 по ГОСТ 6465Производитель: Собственное производство Вид изделия: Перила Установка изделия: На лестницу Длина: 5092 мм Высота: 1200 мм Ширина: 70 мм Вес: 38.7 Покрытие: Грунт ГФ-021 Материал изделия: Сталь Ст3 Цвет: Красно-коричнывый

4 640 руб.
Москва
ОЛГ 45-12.42 серии 1.450.3-7.94 Ограждения стальных маршевых лестниц

ОЛГ 45-12.42 серии 1.450.3-7.94 Ограждения стальных маршевых лестниц

Производство стандартных стальных сварных ограждений марки ОЛГ 45-12.42 для лестничных маршей пожарных и промышленных производственных металлических лестниц по чертежам типовой серии 1.450.3-7.94 «Лестницы, площадки, стремянки и ограждения стальные для производственных зданий промышленных предприятий» (выпуск 2 «Конструкции из горячекатаных профилей. Чертежи КМ» ). Размеры стального ограждения ОЛГ 45-12.42 * Высота лестничного ограждения H1 = 1200 мм * Высота поручня H2 = 848 мм * Длина (поручня) ограждения L1 = 5940 мм * Вес (масса) ограждения — 42,9 кгКонструкция лестничного ограждения ОЛГ 45-12.42 Стойки из стального горячекатаного равнополочного уголка 50×5 по ГОСТ 8509 * Высота стоек — 943 мм * Количество стоек — 4 шт. * Шаг между стойками — 1500 мм Поручень из стального горячекатаного равнополочного уголка 50×5 по ГОСТ 8509 * Длина поручня — 5940 мм Струна из стального горячекатаного равнополочного уголка 25×3 по ГОСТ 8509 * Длина струны — 5403 мм * Количество струн — 1 шт. * Расстояние от поручня до струны — 424 мм Сварка стоек, поручня и струны между собой осуществляется односторонними нахлесточными Н1 и тавровыми Т1 швами по ГОСТ 5264 (ручная дуговая сварка) или ГОСТ 14771 (дуговая сварка в защитном газе) Ограждения ОЛГ45-12.42 устанавливаются на стальные маршевые лестницы ЛГВ 45-42.7, ЛГФ 45-42.7, ЛГВ 45-42.9, ЛГФ 45-42.9 и др. Ограждения ОЛГ45-12.42, изготовленные по чертежам 1.450.3-7.94.2-КМ3-1 типовой серии 1.450.3-7.94, полностью отвечают требованиям ГОСТ 23120 и ГОСТ Р 53254. Материалы, применяемые для изготовления ограждений В производстве используется сертифицированный горячекатаный металлопрокат по ГОСТ 535 из углеродистых сталей * Ст3кп по ГОСТ 380 (С235 по ГОСТ 27772),  * Ст3пс по ГОСТ 380 (С245 по ГОСТ 27772) или * Ст3сп5 по ГОСТ 380 (С255 по ГОСТ 27772). Защита стальных лестничных ограждений от коррозии осуществляется с учетом рекомендаций раздела 9 «Металлические конструкции» (приложение Ц) свода правил СП 28.13330.2017 «Защита строительных конструкций от коррозии. Актуализированная редакция СНиП 2.03.11-85» В качестве антикоррозионной защиты наносится один слой глифталевой грунтовки ГФ-021 по ГОСТ 25129 (толщина лакокрасочного покрытия 15-20 мкм) и, по требованию Заказчика, один слой эмали ПФ-115 по ГОСТ 6465 (толщина ЛКП 18-23 мкм)Производитель: Собственное производство Вид изделия: Перила Установка изделия: На лестницу Длина: 5940 мм Высота: 1200 мм Ширина: 70 мм Цвет: Красно-коричнывый Вес: 42.9 Материал изделия: Сталь Ст3 Покрытие: Грунт ГФ-021

5 140 руб.
Москва
ОЛГ 45-10.42 серии 1.450.3-7.94 Ограждения стальных маршевых лестниц

ОЛГ 45-10.42 серии 1.450.3-7.94 Ограждения стальных маршевых лестниц

Производство стандартных стальных сварных ограждений марки ОЛГ 45-10.42 для лестничных маршей пожарных и промышленных производственных металлических лестниц по чертежам типовой серии 1.450.3-7.94 (выпуск 2 «Конструкции из горячекатаных профилей»). Размеры стального ограждения ОЛГ 45-10.42 * Высота лестничного ограждения H1 = 1000 мм * Высота поручня H2 = 707 мм * Длина (поручня) ограждения L1 = 5940 мм * Вес (масса) ограждения — 40,4 кгКонструкция лестничного ограждения ОЛГ 45-10.42 Стойки из стального горячекатаного равнополочного уголка 50×5 по ГОСТ 8509 * Высота стоек — 802 мм * Количество стоек — 4 шт. * Шаг между стойками — 1500 мм Поручень из стального горячекатаного равнополочного уголка 50×5 по ГОСТ 8509 * Длина поручня — 5940 мм Струна из стального горячекатаного равнополочного уголка 25×3 по ГОСТ 8509 * Длина струны — 5332 мм * Количество струн — 1 шт. * Расстояние от поручня до струны — 354 мм Сварка стоек, поручня и струны между собой осуществляется односторонними нахлесточными Н1 и тавровыми Т1 швами по ГОСТ 5264 (ручная дуговая сварка) или ГОСТ 14771 (дуговая сварка в защитном газе) Ограждения ОЛГ45-10.42 устанавливаются на стальные маршевые лестницы ЛГВ 45-42.7, ЛГФ 45-42.7, ЛГВ 45-42.9, ЛГФ 45-42.9 и др. Ограждения ОЛГ45-10.42, изготовленные по чертежам 1.450.3-7.94.2-КМ3-1 типовой серии 1.450.3-7.94, полностью отвечают требованиям ГОСТ 23120 и ГОСТ Р 53254. Материалы, применяемые для изготовления ограждений В производстве используется сертифицированный горячекатаный металлопрокат по ГОСТ 535 из углеродистых сталей * Ст3кп по ГОСТ 380 (С235 по ГОСТ 27772), * Ст3пс по ГОСТ 380 (С245 по ГОСТ 27772) или * Ст3сп5 по ГОСТ 380 (С255 по ГОСТ 27772). Защита стальных лестничных ограждений от коррозии осуществляется с учетом рекомендаций раздела 9 «Металлические конструкции» (приложение Ц) свода правил СП 28.13330.2017 «Защита строительных конструкций от коррозии. Актуализированная редакция СНиП 2.03.11-85» В качестве антикоррозионной защиты наносится один слой глифталевой грунтовки ГФ-021 по ГОСТ 25129 (толщина лакокрасочного покрытия 15-20 мкм) и, по требованию Заказчика, один слой эмали ПФ-115 по ГОСТ 6465 (толщина ЛКП 18-23 мкм)Производитель: Собственное производство Вид изделия: Перила Установка изделия: На лестницу Длина: 5940 мм Высота: 1000 мм Ширина: 70 мм Цвет: Красно-коричнывый Вес: 40.4 Материал изделия: Сталь Ст3 Покрытие: Грунт ГФ-021

4 840 руб.
Москва
ОЛГ 45-10.36 серии 1.450.3-7.94 Ограждения стальных маршевых лестниц

ОЛГ 45-10.36 серии 1.450.3-7.94 Ограждения стальных маршевых лестниц

Производство стандартных стальных сварных ограждений марки ОЛГ 45-10.36 для лестничных маршей пожарных и промышленных производственных металлических лестниц по чертежам типовой серии 1.450.3-7.94 «Лестницы, площадки, стремянки и ограждения стальные для производственных зданий промышленных предприятий» (выпуск 2 «Конструкции из горячекатаных профилей. Чертежи КМ»). Размеры ограждения ОЛГ 45-10.36 * Высота лестничного ограждения H1 = 3600 мм * Высота поручня H2 = 707 мм * Длина (поручня) ограждения L1 = 5092 мм * Вес (масса) ограждения — 36,2 кгКонструкция ограждения ОЛГ 45-10.36 Стойки из стального горячекатаного равнополочного уголка 50х5 по ГОСТ 8509 * Высота стоек — 802 мм * Количество стоек — 4 шт. * Шаг между стойками — 1300 мм Поручень из стального горячекатаного равнополочного уголка 50х5 по ГОСТ 8509 * Длина поручня — 5092 мм Струна из стального горячекатаного равнополочного уголка 25х3 по ГОСТ 8509 * Длина струны — 4483 мм * Количество струн — 1 шт. * Расстояние от поручня до струны — 354 мм Ограждения ОЛГ45-10.36 устанавливаются на лестницы ЛГВ 45-36.7, ЛГФ 45-36.7, ЛГВ 45-36.9, ЛГФ 45-36.9 и др. Ограждения ОЛГ45-10.36, изготовленные по чертежам 1.450.3-7.94.2-КМ3-1 типовой серии 1.450.3-7.94, полностью отвечают требованиям ГОСТ 23120 и ГОСТ Р 53254. Используемые материалы В производстве используется сертифицированный горячекатаный металлопрокат по ГОСТ 535 из углеродистых сталей * Ст3кп по ГОСТ 380 (класса прочности С235 по ГОСТ 27772),  * Ст3пс по ГОСТ 380 (С245 по ГОСТ 27772) или * Ст3сп5 по ГОСТ 380 (С255 по ГОСТ 27772). Защита строительных стальных металлоконструкций от коррозии осуществляется с учетом рекомендаций раздела 9 (приложение Ц) свода правил СП 28.13330.2017 (актуализированная редакция СНиП 2.03.11-85) В качестве антикоррозионной защиты наносится один слой глифталевой грунтовки ГФ-021 по ГОСТ 25129 (толщина слоя 18-20 мкм) и один слой эмали ПФ-115 по ГОСТ 6465Производитель: Собственное производство Покрытие: Грунт ГФ-021 Цвет: Красно-коричнывый Вид изделия: Перила Установка изделия: На лестницу Длина: 5092 мм Высота: 1000 мм Ширина: 70 мм Вес: 36.2 Материал изделия: Сталь Ст3

4 340 руб.
Москва
ОЛГ 45-10.30 серии 1.450.3-7.94 Ограждения стальных маршевых лестниц

ОЛГ 45-10.30 серии 1.450.3-7.94 Ограждения стальных маршевых лестниц

Производство стандартных стальных сварных ограждений марки ОЛГ 45-10.30 для лестничных маршей пожарных и промышленных производственных металлических лестниц по чертежам типовой серии 1.450.3-7.94 «Лестницы, площадки, стремянки и ограждения стальные для производственных зданий промышленных предприятий» (выпуск 2 «Конструкции из горячекатаных профилей. Чертежи КМ»). Размеры стальные ограждения ОЛГ 45-10.30 * Высота лестничного ограждения H1 = 1000 мм * Высота поручня H2 = 707 мм * Длина (поручня) ограждения L1 = 4243 мм * Вес (масса) ограждения — 29,1 кгКонструкция лестничного ограждения ОЛГ 45-10.30 Стойки из стального горячекатаного равнополочного уголка 50×5 по ГОСТ 8509 * Высота стоек — 802 мм * Расстояние между стойками — 1500 мм * Количество стоек — 3 шт. Поручень из стального горячекатаного равнополочного уголка 50×5 по ГОСТ 8509 * Длина поручня — 4243 мм Струна из стального горячекатаного равнополочного уголка 25×3 по ГОСТ 8509 * Длина струны — 3634 мм * Количество струн — 1 шт. * Расстояние от поручня до струны — 354 мм Ограждения ОЛГ 45-10.30 устанавливаются на стальные маршевые лестницы ЛГВ 45-30.7, ЛГФ 45-30.7, ЛГВ 45-30.9, ЛГФ 45-30.9 и др. Ограждения ОЛГ 45-10.30, изготовленные по чертежам 1.450.3-7.94.2-КМ3-1 типовой серии 1.450.3-7.94, полностью отвечают требованиям ГОСТ 23120 и ГОСТ Р 53254. Материалы, применяемые для изготовления ограждений В производстве используется сертифицированный горячекатаный металлопрокат по ГОСТ 535 из углеродистых сталей * Ст3кп по ГОСТ 380 (класса прочности С235 по ГОСТ 27772),  * Ст3пс по ГОСТ 380 (С245 по ГОСТ 27772) или * Ст3сп5 по ГОСТ 380 (С255 по ГОСТ 27772). Защита стальных лестничных ограждений от коррозии осуществляется с учетом рекомендаций раздела 9 «Металлические конструкции» (приложение Ц) свода правил СП 28.13330.2017 «Защита строительных конструкций от коррозии. Актуализированная редакция СНиП 2.03.11-85» В качестве антикоррозионной защиты наносится один слой глифталевой грунтовки ГФ-021 по ГОСТ 25129 (толщина лакокрасочного покрытия 15-20 мкм) и, по требованию Заказчика, один слой эмали ПФ-115 по ГОСТ 6465 (толщина ЛКП 18-23 мкм)Производитель: Собственное производство Вид изделия: Перила Установка изделия: На лестницу Длина: 4247 мм Высота: 1000 мм Ширина: 70 мм Цвет: Красно-коричнывый Вес: 29.1 Материал изделия: Сталь Ст3 Покрытие: Грунт ГФ-021

3 490 руб.
Москва
ОЛГ45-10.18 серии 1.450.3-7.94 Ограждения стальных маршевых лестниц

ОЛГ45-10.18 серии 1.450.3-7.94 Ограждения стальных маршевых лестниц

Производство стандартных стальных сварных ограждений марки ОЛГ 45-10.18 лестничных маршей пожарных и промышленных производственных металлических лестниц, изготовленных по чертежам типовой серии 1.450.3-7.94 «Лестницы, площадки, стремянки и ограждения стальные для производственных зданий промышленных предприятий» (выпуск 2 «Конструкции из горячекатаных профилей. Чертежи КМ»). Размеры стального ограждения ОЛГ 45-10.18 * Высота лестничного ограждения H1 = 1000 мм * Высота поручня H2 = 707 мм * Длина (поручня) ограждения L1 = 2546 мм * Вес (масса) ограждения — 17,8 кгКонструкция лестничного ограждения ОЛГ 45-10.18 Стойки из стального горячекатаного равнополочного уголка 50×5 по ГОСТ 8509 * Высота стоек — 802 мм * Количество стоек — 2 шт. * Шаг между стойками — 1350 мм Поручень из стального горячекатаного равнополочного уголка 50×5 по ГОСТ 8509 * Длина поручня — 2546 мм Струна из стального горячекатаного равнополочного уголка 25×3 по ГОСТ 8509 * Длина струны — 1937 мм * Количество струн — 1 шт. * Расстояние от поручня до струны — 354 мм Ограждения ОЛГ45-10.18 устанавливаются на стальные маршевые лестницы ЛГВ 45-18.7, ЛГФ 45-18.7, ЛГВ 45-18.9, ЛГФ 45-18.9 и др. Ограждения ОЛГ45-10.18, изготовленные по чертежам 1.450.3-7.94.2-КМ3-1 типовой серии 1.450.3-7.94, полностью отвечают требованиям ГОСТ 23120 и ГОСТ Р 53254. Материалы, применяемые для изготовления ограждений В производстве ограждений ОЛГ используем сертифицированный горячекатаный металлопрокат по ГОСТ 535 из углеродистых сталей * Ст3кп по ГОСТ 380 (класса прочности С235 по ГОСТ 27772),  * Ст3пс по ГОСТ 380 (С245 по ГОСТ 27772) или * Ст3сп5 по ГОСТ 380 (С255 по ГОСТ 27772). Защита стальных лестничных ограждений от коррозии осуществляется с учетом рекомендаций раздела 9 «Металлические конструкции» (приложение Ц) свода правил СП 28.13330.2017 «Защита строительных конструкций от коррозии. Актуализированная редакция СНиП 2.03.11-85» В качестве антикоррозионной защиты наносится один слой глифталевой грунтовки ГФ-021 по ГОСТ 25129 (толщина лакокрасочного покрытия 15-20 мкм) и, по требованию Заказчика, один слой эмали ПФ-115 по ГОСТ 6465 (толщина ЛКП 18-23 мкм)Производитель: Собственное производство Материал изделия: Металл Покрытие: Краска Вид изделия: Перила Установка изделия: На лестницу Длина: 2546 мм Высота: 1000 мм Ширина: 70 мм Вес: 17.8

2 130 руб.
Москва
ОЛГ 45-10.12 серии 1.450.3-7.94 Ограждения стальных маршевых лестниц

ОЛГ 45-10.12 серии 1.450.3-7.94 Ограждения стальных маршевых лестниц

Производство стандартных стальных сварных ограждений марки ОЛГ 45-10.12 лестничных маршей пожарных и промышленных производственных металлических лестниц по чертежам типовой серии 1.450.3-7.94 «Лестницы, площадки, стремянки и ограждения стальные для производственных зданий промышленных предприятий» (выпуск 2 «Конструкции из горячекатаных профилей. Чертежи КМ»). Размеры стального ограждения ОЛГ 45-10.12 * Высота лестничного ограждения H1 = 1000 мм * Высота поручня H2 = 707 мм * Длина (поручня) ограждения L1 = 1697 мм * Вес (масса) ограждения — 13,6 кгКонструкция лестничного ограждения ОЛГ 45-10.12 Стойки из стального горячекатаного равнополочного уголка 50×5 по ГОСТ 8509 * Высота стоек — 802 мм * Количество стоек — 2 шт. * Шаг между стойками — 500 мм Поручень из стального горячекатаного равнополочного уголка 50×5 по ГОСТ 8509 * Длина поручня — 1697 мм Струна из стального горячекатаного равнополочного уголка 25×3 по ГОСТ 8509 * Длина струны — 1088 мм * Количество струн — 1 шт. * Расстояние от поручня до струны — 354 мм Ограждения ОЛГ45-10.12 устанавливаются на стальные маршевые лестницы ЛГВ 45-12.7, ЛГФ 45-12.7, ЛГВ 45-12.9, ЛГФ 45-12.9 и др. по типовой серии 1.450.3-7.94 Ограждения ОЛГ45-10.12, изготовленные по чертежам 1.450.3-7.94.2-КМ3-1 типовой серии 1.450.3-7.94, полностью отвечают требованиям ГОСТ 23120 и ГОСТ Р 53254. Материалы, применяемые для изготовления ограждений В производстве ограждений ОЛГ используем сертифицированный горячекатаный металлопрокат по ГОСТ 535 из углеродистых сталей марок * Ст3кп по ГОСТ 380 (класса прочности С235 по ГОСТ 27772),  * Ст3пс по ГОСТ 380 (С245 по ГОСТ 27772) или * Ст3сп5 по ГОСТ 380 (С255 по ГОСТ 27772). Защита стальных лестничных ограждений от коррозии осуществляется с учетом рекомендаций раздела 9 «Металлические конструкции» (приложение Ц) свода правил СП 28.13330.2017 «Защита строительных конструкций от коррозии. Актуализированная редакция СНиП 2.03.11-85» В качестве антикоррозионной защиты наносится один слой глифталевой грунтовки ГФ-021 по ГОСТ 25129 (толщина лакокрасочного покрытия 15-20 мкм) и, по требованию Заказчика, один слой эмали ПФ-115 по ГОСТ 6465 (толщина ЛКП 18-23 мкм)Производитель: Собственное производство Вид изделия: Перила Установка изделия: На лестницу Длина: 1697 мм Высота: 1000 мм Ширина: 50 мм Цвет: Красно-коричнывый Вес: 13.6 Материал изделия: Сталь Ст3 Покрытие: Грунт ГФ-021

1 630 руб.
Москва
ОЛГ 45-12,5.30 Стальные ограждения маршевых лестниц OCT 26.260.758-2003

ОЛГ 45-12,5.30 Стальные ограждения маршевых лестниц OCT 26.260.758-2003

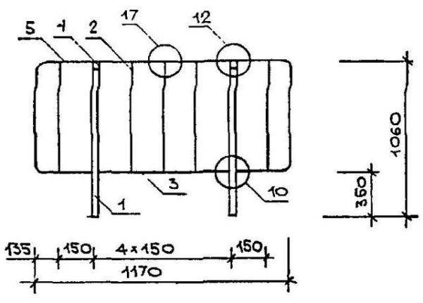
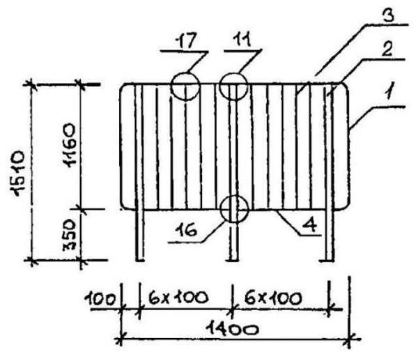
Производство стандартных стальных сварных ограждений марки ОЛГ 45-12,5.30 для лестничных маршей пожарных и промышленных производственных металлических лестниц по чертежам типовой серии 1.450.3-7.94 «Лестницы, площадки, стремянки и ограждения стальные для производственных зданий промышленных предприятий» (выпуск 2 «Конструкции из горячекатаных профилей. Чертежи КМ») с уточнениями по OCT 26.260.758-2003. Размеры стального ограждения ОЛГ 45-1250.3000 * Высота лестничного ограждения H1 = 1250 мм * Высота поручня H2 = 884 мм * Длина (поручня) ограждения L1 = 4243 мм * Вес (масса) ограждения — 54,5 кгКонструкция лестничного ограждения ОЛГ 45-12,5.30 Стойки — стальной горячекатаный равнополочный уголок сечения 50×5 по ГОСТ 8509 * Высота стоек — 980 мм * Количество стоек — 4 шт. * Расстояние между стойками — 1000 мм Поручень — стальной горячекатаный равнополочный уголок сечения 50×5 по ГОСТ 8509 * Длина поручня — 4243 мм Струны — стальной горячекатаный равнополочный уголок сечения 25×3 по ГОСТ 8509 * Длина струны — 3966 и 3731 мм * Количество струн — 2 шт. * Расстояние от верха поручня до струны — 260 мм * Расстояние между струнами — 235 мм Боковая (бортовая) планка — стальная горячекатаная полоса сечением 4×150 по ГОСТ 103 * Длина боковой (бортовой) планки — 3497 мм Ограждения ОЛГ 45-12,5.30 устанавливаются на стальные лестничные марши по серии 1.450.3-7.94 высотой 3,0 м: ЛГВ 45-30.7, ЛГВ 45-30,9, ЛГФ 45-30.7 или ЛГФ 45-30,9 Стойки и поручни ограждений выполнены из стальных горячекатаных уголков по ГОСТ 8509, нижние боковые планки высотой 150 мм исключают возможность проскальзывания ног человека. Лестничные ограждения высотой 1250 мм отвечают требованиям ГОСТ 23120, OCT 26.260.758-2003 и ГОСТ Р 53254. Материалы, применяемые для изготовления ограждений В производстве ограждений ОЛГ используем сертифицированный горячекатаный металлопрокат по ГОСТ 535 и ГОСТ 14637 из углеродистых сталей марок * Ст3кп по ГОСТ 380 (класса прочности С235 по ГОСТ 27772),  * Ст3пс по ГОСТ 380 (С245 по ГОСТ 27772) или * Ст3сп5 по ГОСТ 380 (С255 по ГОСТ 27772). Защита стальных лестничных ограждений от коррозии осуществляется с учетом рекомендаций раздела 9 «Металлические конструкции» (приложение Ц) свода правил СП 28.13330.2017 «Защита строительных конструкций от коррозии. Актуализированная редакция СНиП 2.03.11-85» В качестве антикоррозионной защиты наносится один слой глифталевой грунтовки ГФ-021 по ГОСТ 25129 и один слой эмали ПФ-115 по ГОСТ 6465Производитель: Собственное производство Вид изделия: Перила Установка изделия: На лестницу Длина: 4243 мм Высота: 1250 мм Ширина: 70 мм Цвет: Красно-коричнывый Вес: 54.5 Материал изделия: Сталь Ст3 Покрытие: Грунт ГФ-021

6 570 руб.
Москва
ОЛГ 45-10.24 серии 1.450.3-7.94 Ограждения стальных маршевых лестниц

ОЛГ 45-10.24 серии 1.450.3-7.94 Ограждения стальных маршевых лестниц

Производство стандартных стальных сварных ограждений марки ОЛГ 45-10.24 лестничных маршей пожарных и промышленных производственных металлических лестниц по чертежам типовой серии 1.450.3-7.94 «Лестницы, площадки, стремянки и ограждения стальные для производственных зданий промышленных предприятий» (выпуск 2 «Конструкции из горячекатаных профилей. Чертежи КМ»). Размеры стального ограждения ОЛГ 45-10.24 * Высота лестничного ограждения H1 = 1000 мм * Высота поручня H2 = 707 мм * Длина (поручня) ограждения L1 = 3394 мм * Вес (масса) ограждения — 24,9 кгКонструкция лестничного ограждения ОЛГ 45-10.24 Стойки из стального горячекатаного равнополочного уголка 50×5 по ГОСТ 8509 * Высота стоек — 802 мм * Количество стоек — 3 шт. * Шаг между стойками — 1100 мм Поручень из стального горячекатаного равнополочного уголка 50×5 по ГОСТ 8509 * Длина поручня — 3394 мм Струна из стального горячекатаного равнополочного уголка 25×3 по ГОСТ 8509 * Длина струны — 2785 мм * Количество струн — 1 шт. * Расстояние от поручня до струны — 354 мм Сварка стоек, поручня и струны между собой осуществляется односторонними нахлесточными Н1 и тавровыми Т1 швами по ГОСТ 5264 (ручная дуговая сварка) или ГОСТ 14771 (дуговая сварка в защитном газе) Ограждения ОЛГ 45-10.24 устанавливаются на стальные маршевые лестницы ЛГВ 45-24.7, ЛГФ 45-24.7, ЛГВ 45-24.9, ЛГФ 45-24.9 и др. Ограждения ОЛГ 45-10.24, изготовленные по чертежам 1.450.3-7.94.2-КМ3-1 типовой серии 1.450.3-7.94, полностью отвечают требованиям ГОСТ 23120 и ГОСТ Р 53254. Материалы, применяемые для изготовления ограждений В производстве ограждений ОЛГ используем сертифицированный горячекатаный металлопрокат по ГОСТ 535 из углеродистых сталей марок Ст3кп, Ст3пс или Ст3сп5 (химический состав по ГОСТ 380), что соответствует классам прочности стали С235, С245 или С255 по ГОСТ 27772 Защита стальных лестничных ограждений от коррозии осуществляется с учетом рекомендаций раздела 9 «Металлические конструкции» (приложение Ц) свода правил СП 28.13330.2017 «Защита строительных конструкций от коррозии. Актуализированная редакция СНиП 2.03.11-85» В качестве антикоррозионной защиты наносится один слой глифталевой грунтовки ГФ-021 по ГОСТ 25129 (толщина лакокрасочного покрытия 15-20 мкм) и, по требованию Заказчика, один слой эмали ПФ-115 по ГОСТ 6465 (толщина ЛКП 18-23 мкм)Производитель: Собственное производство Материал изделия: Металл Покрытие: Краска Вид изделия: Перила Установка изделия: На лестницу Длина: 3394 мм Высота: 1000 мм Ширина: 70 мм Вес: 24.9

2 980 руб.
Москва
ОГРАЖДЕНИЯ стальные типа ОЛГ маршевых лестниц

ОГРАЖДЕНИЯ стальные типа ОЛГ маршевых лестниц

Производство стандартных стальных сварных ограждений типа ОЛГ для лестничных маршей пожарных и промышленных производственных металлических лестниц, изготовленных по чертежам типовой серии 1.450.3-7.94 «Лестницы, площадки, стремянки и ограждения стальные для производственных зданий промышленных предприятий» (выпуск 2 «Конструкции из горячекатаных профилей. Чертежи КМ»). Высота лестничного ограждения ОЛГ H2 1000 или 1200 мм. Высота лестничных маршей ЛГВ или ЛГФ, на которые устанавливаются ограждения ОЛГ - до 4,2 м. Стойки и поручни ограждений выполнены из стальных горячекатаных уголков по ГОСТ 8509. Лестничные ограждения отвечают требованиям ГОСТ 23120 и ГОСТ Р 53254. В производстве используем сертифицированный горячекатаный металлопрокат из углеродистых сталей марок * Ст3кп по ГОСТ 380 (класса прочности С235 по ГОСТ 27772),  * Ст3пс по ГОСТ 380 (С245 по ГОСТ 27772) или * Ст3сп5 по ГОСТ 380 (С255 по ГОСТ 27772). В качестве антикоррозионной защиты наносится один слой глифталевой грунтовки ГФ-021 по ГОСТ 25129 и один слой эмали ПФ-115 по ГОСТ 6465. Стальные лестничные ограждения для стационарных эвакуационных лестниц с углом наклона 45°Высота лестничного ограждения H2 = 1000 мм: * ОЛГ 45-10.12 (высота лестницы H = 1,2 м) * ОЛГ 45-10.18 (H = 1,8 м) * ОЛГ 45-10.24 (H = 2,4 м) * ОЛГ 45-10.30 (H = 3,0 м) * ОЛГ 45-10.36 (H = 3,6 м) * ОЛГ 45-10.42 (H = 4,2 м)Высота лестничного ограждения H2=1200 мм: * ОЛГ 45-12.12 (H = 1,2 м) * ОЛГ 45-12.18 (H = 1,8 м) * ОЛГ 45-12.24 (H = 2,4 м) * ОЛГ 45-12.30 (H = 3,0 м) * ОЛГ 45-12.36 (H = 3,6 м) * ОЛГ 45-12.42 (H = 4,2 м).Стальные лестничные ограждения для стационарных пожарных лестниц с углом наклона к горизонту 60°Высота лестничного ограждения H2 = 1000 мм: * ОЛГ 60-10.12 (высота лестницы H = 1,2 м) * ОЛГ 60-10.18 (H = 1,8 м) * ОЛГ 60-10.24 (H = 2,4 м) * ОЛГ 60-10.30 (H = 3,0 м) * ОЛГ 60-10.36 (H = 3,6 м) * ОЛГ 60-10.42 (H = 4,2 м)Высота лестничного ограждения H2=1200 мм: * ОЛГ 60-12.12 (H = 1,2 м) * ОЛГ 60-12.18 (H = 1,8 м) * ОЛГ 60-12.24 (H = 2,4 м) * ОЛГ 60-12.30 (H = 3,0 м) * ОЛГ 60-12.36 (H = 3,6 м) * ОЛГ 60-12.42 (H = 4,2 м).Производитель: Собственное производство Установка изделия: На лестницу Вид изделия: Перила Покрытие: Грунт ГФ-021 Материал изделия: Сталь Ст3 Цвет: Красно-коричнывый

700 руб.
Москва
ОЛГ 60-12.42 серии 1.450.3-7.94 Ограждения стальных маршевых лестниц

ОЛГ 60-12.42 серии 1.450.3-7.94 Ограждения стальных маршевых лестниц

Производство стандартных стальных сварных ограждений марки ОЛГ 60-12.42 лестничных маршей пожарных и промышленных производственных металлических лестниц по чертежам типовой серии 1.450.3-7.94 (выпуск 2 «Конструкции из горячекатаных профилей»). Размеры стального ограждения ОЛГ 60-12.42 * Высота лестничного ограждения H1 = 1200 мм * Высота поручня H2 = 600 мм * Длина поручня L1 = 4850 мм * Вес (масса) ограждения — 33,5 кгКонструкция лестничного ограждения ОЛГ 60-12.42 Стойки из стального горячекатаного равнополочного уголка 50×5 по ГОСТ 8509 * Высота стоек — 695 мм * Расстояние между стойками — 1150 мм * Количество стоек — 4 шт. Поручень из стального горячекатаного равнополочного уголка 50×5 по ГОСТ 8509 * Длина поручня — 4850 мм Струна из стального горячекатаного равнополочного уголка 25×3 по ГОСТ 8509 * Длина струны — 4330 мм * Количество струн — 1 шт. * Расстояние от поручня до струны — 300 мм  Сварка стоек, поручня и струны между собой осуществляется односторонними нахлесточными Н1 и тавровыми Т1 швами по ГОСТ 5264 (ручная дуговая сварка) или ГОСТ 14771 (дуговая сварка в защитном газе) Лестничные ограждения ОЛГ 60-12.24 устанавливаются на стальные маршевые лестницы высотой 2,4 м: ЛГВ 60-24.7 или ЛГФ 60-24.7. Лестничные ограждения, изготовленные по типовым чертежам 1.450.3-7.94.2-км3-2 серии 1.450.3-7.94, отвечают требованиям ГОСТ 23120 и ГОСТ Р 53254. Материалы, применяемые для изготовления ограждений В производстве ограждений ОЛГ используем сертифицированный горячекатаный металлопрокат по ГОСТ 535 из углеродистых сталей марок Ст3кп, Ст3пс или Ст3сп5 (химический состав по ГОСТ 380), что соответствует классам прочности стали С235, С245 или С255 по ГОСТ 27772 Защита стальных лестничных ограждений от коррозии осуществляется с учетом рекомендаций раздела 9 «Металлические конструкции» (приложение Ц) свода правил СП 28.13330.2017 «Защита строительных конструкций от коррозии. Актуализированная редакция СНиП 2.03.11-85» В качестве антикоррозионной защиты наносится один слой глифталевой грунтовки ГФ-021 по ГОСТ 25129 (толщина лакокрасочного покрытия 15-20 мкм) и, по требованию Заказчика, один слой эмали ПФ-115 по ГОСТ 6465 (толщина ЛКП 18-23 мкм)Производитель: Собственное производство Материал изделия: Сталь Ст3 Покрытие: Грунт ГФ-021 Вид изделия: Перила Установка изделия: На лестницу Длина: 4850 мм Высота: 1200 мм Ширина: 70 мм Цвет: Красно-коричнывый Вес: 33.5

4 020 руб.
Москва
ОЛГ 60-12.12 серии 1.450.3-7.94 Ограждения стальных маршевых лестниц

ОЛГ 60-12.12 серии 1.450.3-7.94 Ограждения стальных маршевых лестниц

Производство стандартных стальных сварных ограждений марки ОЛГ 60-12.12 лестничных маршей пожарных и промышленных производственных металлических лестниц по чертежам типовой серии 1.450.3-7.94 (выпуск 2 «Конструкции из горячекатанных профилей» серии 1.450.3-7.94 «Лестницы, площадки, стремянки и ограждения стальные для производственных зданий промышленных предприятий»). Высота лестничного ограждения H2=1200 мм. Высота лестничного марша H=1,2 м. Стойки и поручни ограждений выполнены из стальных горячекатаных уголков по ГОСТ 8509. Лестничные ограждения отвечают требованиям ГОСТ 23120 и ГОСТ Р 53254. В производстве используем сертифицированный горячекатаный металлопрокат из углеродистых сталей марок * Ст3кп по ГОСТ 380 (класса прочности С235 по ГОСТ 27772),  * Ст3пс по ГОСТ 380 (С245 по ГОСТ 27772) или * Ст3сп5 по ГОСТ 380 (С255 по ГОСТ 27772). В качестве антикоррозионной защиты наносится один слой глифталевой грунтовки ГФ-021 по ГОСТ 25129 и один слой эмали ПФ-115 по ГОСТ 6465Производитель: Собственное производство Высота: 1200 мм Установка изделия: На лестницу Вид изделия: Перила Ширина: 70 мм Длина: 1386 мм Вес: 8.8 Покрытие: Грунт ГФ-021 Материал изделия: Сталь Ст3 Цвет: Красно-коричнывый

1 150 руб.
Москва
ОЛГ 45-12. 24 серии 1. 450. 3-7. 94 Ограждения стальных маршевых лестниц

ОЛГ 45-12. 24 серии 1. 450. 3-7. 94 Ограждения стальных маршевых лестниц

Производство стандартных стальных сварных ограждений марки ОЛГ 45-12.24 для лестничных маршей пожарных и промышленных производственных металлических лестниц, изготовленных по чертежам типовой серии 1.450.3-7.94 «Лестницы, площадки, стремянки и ограждения стальные для производственных зданий промышленных предприятий» (выпуск 2 «Конструкции из горячекатаных профилей. Чертежи КМ»). Размеры стального ограждения ОЛГ 45-12.24 * Высота лестничного ограждения H1 = 1200 мм * Высота поручня H2 = 848 мм * Длина (поручня) ограждения L1 = 3395 мм * Вес (масса) ограждения - 26,8 кгКонструкция лестничного ограждения ОЛГ 45-12.24 Стойки из стального горячекатаного равнополочного уголка 50×5 по ГОСТ 8509 * Высота стоек - 943 мм * Количество стоек - 3 шт. * Шаг между стойками - 1100 мм Поручень из стального горячекатаного равнополочного уголка 50×5 по ГОСТ 8509 * Длина поручня - 3395 мм Струна из стального горячекатаного равнополочного уголка 25×3 по ГОСТ 8509 * Длина струны - 2857 мм * Количество струн - 1 шт. * Расстояние от поручня до струны - 424 мм Ограждения ОЛГ 45-12.24 устанавливаются на стальные маршевые лестницы ЛГВ 45-24.7, ЛГФ 45-24.7, ЛГВ 45-24.9, ЛГФ 45-24.9 и др. Ограждения ОЛГ 45-12.24, изготовленные по чертежам 1.450.3-7.94.2-КМ3-1 типовой серии 1.450.3-7.94, полностью отвечают требованиям ГОСТ 23120 и ГОСТ Р 53254. Материалы, применяемые для изготовления ограждений В производстве ограждений ОЛГ используется сертифицированный горячекатаный металлопрокат по ГОСТ 535 из углеродистых сталей марок * кипящей Ст3кп по ГОСТ 380 (С235 по ГОСТ 27772), * полуспокойной Ст3пс по ГОСТ 380 (С245 по ГОСТ 27772) или * спокойной Ст3сп5 по ГОСТ 380 (С255 по ГОСТ 27772). Защита стальных лестничных ограждений от коррозии осуществляется с учетом рекомендаций раздела 9 «Металлические конструкции» (приложение Ц) свода правил СП 28.13330.2017 «Защита строительных конструкций от коррозии. Актуализированная редакция СНиП 2.03.11-85» В качестве антикоррозионной защиты наносится один слой грунтовки ГФ-021 по ГОСТ 25129 (толщина слоя 15-20 мкм) и один слой эмали ПФ-115 по ГОСТ 6465 (по требованию)Производитель: Собственное производство Вид изделия: Перила Установка изделия: На лестницу Длина: 3395 мм Высота: 1200 мм Ширина: 50 мм Цвет: Красно-коричнывый Вес: 26.8 Материал изделия: Сталь Ст3 Покрытие: Грунт ГФ-021

3 210 руб.
Москва
ОЛГ 45-12.12 серии 1.450.3-7.94 Ограждения стальных маршевых лестниц

ОЛГ 45-12.12 серии 1.450.3-7.94 Ограждения стальных маршевых лестниц

Производство стандартных стальных сварных ограждений марки ОЛГ 45-12.12 лестничных маршей пожарных и промышленных производственных металлических лестниц по чертежам типовой серии 1.450.3-7.94 «Лестницы, площадки, стремянки и ограждения стальные для производственных зданий промышленных предприятий» (выпуск 2 «Конструкции из горячекатаных профилей. Чертежи КМ»). Размеры металлического ограждения ОЛГ 45-12.12 * Высота лестничного ограждения H1 = 1200 мм * Высота поручня H2 = 848 мм * Длина (поручня) ограждения L1 = 1697 мм * Вес (масса) ограждения — 14,9 кгКонструкция лестничного ограждения ОЛГ 45-12.12 Стойки из стального горячекатаного равнополочного уголка 50×5 по ГОСТ 8509 * Высота стоек — 943 мм * Количество стоек — 2 шт. * Шаг между стойками — 500 мм Поручень из стального горячекатаного равнополочного уголка 50×5 по ГОСТ 8509 * Длина поручня — 1697 мм Струна из стального горячекатаного равнополочного уголка 25×3 по ГОСТ 8509 * Длина струны — 1159 мм * Количество струн — 1 шт. * Расстояние от поручня до струны — 424 мм Ограждения ОЛГ45-12.12 устанавливаются на лестницы ЛГВ 45-12.7, ЛГФ 45-12.7, ЛГВ 45-12.9, ЛГФ 45-12.9 и др. Ограждения ОЛГ 45-12.12, изготовленные по чертежам 1.450.3-7.94.2-КМ3-1 типовой серии 1.450.3-7.94, полностью отвечают требованиям ГОСТ 23120 и ГОСТ Р 53254. Используемые материалы В производстве ограждений ОЛГ используется сертифицированный горячекатаный металлопрокат по ГОСТ 535 из углеродистых сталей * Ст3кп по ГОСТ 380 (класса прочности С235 по ГОСТ 27772),  * Ст3пс по ГОСТ 380 (С245 по ГОСТ 27772) или * Ст3сп5 по ГОСТ 380 (С255 по ГОСТ 27772). Защита строительных стальных металлоконструкций от коррозии осуществляется с учетом рекомендаций раздела 9 (приложение Ц) свода правил СП 28.13330.2017 (актуализированная редакция СНиП 2.03.11-85) В качестве антикоррозионной защиты наносится один слой глифталевой грунтовки ГФ-021 по ГОСТ 25129 (толщина слоя 15-20 мкм) и один слой эмали ПФ-115 по ГОСТ 6465 (толщиной 18-23 мкм), по требованию заказчикаПроизводитель: Собственное производство Вид изделия: Перила Установка изделия: На лестницу Длина: 1697 мм Высота: 1200 мм Ширина: 50 мм Цвет: Красно-коричнывый Вес: 14.9 Материал изделия: Сталь Ст3 Покрытие: Грунт ГФ-021

1 780 руб.
Москва
ОЛГ 45-12. 6 Стальные ограждения маршевых лестниц

ОЛГ 45-12. 6 Стальные ограждения маршевых лестниц

Производство стандартных стальных сварных ограждений марки ОЛГ 45-12.6 лестничных маршей пожарных и промышленных производственных металлических лестниц по чертежам типовой серии 1.450.3-7.94 (выпуск 2 «Конструкции из горячекатаных профилей» серии 1.450.3-7.94 «Лестницы, площадки, стремянки и ограждения стальные для производственных зданий промышленных предприятий»). Размеры ограждения ОЛГ 45-12.6 * Высота лестничного ограждения H1 = 1200 мм * Высота поручня H2 = 848 мм * Длина (поручня) ограждения L1 = 1360 мм * Вес (масса) ограждения - 9,7 кгКонструкция ограждения ОЛГ 45-12.6 Стойки из стального горячекатаного равнополочного уголка 50х5 по ГОСТ 8509 * Высота стоек - 995 мм * Количество стоек - 1 шт. Поручень из стального горячекатаного равнополочного уголка 50х5 по ГОСТ 8509 * Длина поручня - 1360 мм Струна из стального горячекатаного равнополочного уголка 25х3 по ГОСТ 8509 * Длина струны - 738 мм * Количество струн - 1 шт. * Расстояние от поручня до струны - 424 мм Ограждения ОЛГ 45-12.6 устанавливаются на лестницы ЛГВ 45-6.7, ЛГФ 45-6.7, ЛГВ 45-6.9, ЛГФ 45-6.9 и др. Ограждения ОЛГ 45-12.6, изготовленные по чертежам 1.450.3-7.94.2-КМ3-1 типовой серии 1.450.3-7.94, полностью отвечают требованиям ГОСТ 23120 и ГОСТ Р 53254. Используемые материалы В производстве используется сертифицированный горячекатаный металлопрокат по ГОСТ 535 из углеродистых сталей * Ст3кп по ГОСТ 380 (С235 по ГОСТ 27772), * Ст3пс по ГОСТ 380 (С245 по ГОСТ 27772) или * Ст3сп5 по ГОСТ 380 (С255 по ГОСТ 27772). В качестве антикоррозионной защиты наносится один слой глифталевой грунтовки ГФ-021 по ГОСТ 25129 и один слой эмали ПФ-115 по ГОСТ 6465Производитель: Собственное производство Вид изделия: Перила Установка изделия: На лестницу Длина: 1360 мм Высота: 1200 мм Ширина: 50 мм Материал изделия: Сталь Ст3 Покрытие: Грунт ГФ-021 Цвет: Красно-коричнывый Вес: 9.7

1 070 руб.
Москва
ОЛГ1а Стальные ограждения маршевых лестниц

ОЛГ1а Стальные ограждения маршевых лестниц

Производство стандартных стальных сварных ограждений марки ОЛГ1а лестничных маршей промышленных производственных металлических лестниц по чертежам ТП 902-2-332 (альбом II «Технологическая, архитектурно-строительная и электротехническая части» типового проекта 902-2-332 «Аэротенк контактной стабилизации производительностью 17-40 тыс. м3/сутки»). Размеры ограждения ОЛГ1а * Высота лестничного ограждения H1 = 1200 мм * Высота поручня H2 = 848 мм * Длина (поручня) ограждения L1 = 1360 мм * Вес (масса) ограждения - 10,0 кгКонструкция ограждения ОЛГ1а Стойки из стального горячекатаного равнополочного уголка 50х5 по ГОСТ 8509 * Высота стоек - 995 мм * Количество стоек - 1 шт. Поручень из стального горячекатаного равнополочного уголка 56х4 по ГОСТ 8509 * Длина поручня - 1360 мм Струна из стального горячекатаного равнополочного уголка 25х3 по ГОСТ 8509 * Длина струны - 738 мм * Количество струн - 1 шт. * Расстояние от поручня до струны - 424 мм Ограждения ОЛГ1а устанавливаются на лестницы ЛГВ 45-6.7, ЛГФ 45-6.7, ЛГВ 45-6.9, ЛГФ 45-6.9 и др. Ограждения ОЛГ1а, изготовленные по типовым чертежам 902-2-332-II-КЖИ-52 альбома II ТП 902-2-332, полностью отвечают требованиям ГОСТ 23120 Используемые материалы В производстве используется сертифицированный горячекатаный металлопрокат по ГОСТ 535 из углеродистых сталей * Ст3кп по ГОСТ 380 (С235 по ГОСТ 27772), * Ст3пс по ГОСТ 380 (С245 по ГОСТ 27772) или * Ст3сп5 по ГОСТ 380 (С255 по ГОСТ 27772). В качестве антикоррозионной защиты наносится один слой глифталевой грунтовки ГФ-021 по ГОСТ 25129 и один слой эмали ПФ-115 по ГОСТ 6465Производитель: Собственное производство Вид изделия: Перила Установка изделия: На лестницу Длина: 1360 мм Высота: 1200 мм Ширина: 56 мм Материал изделия: Сталь Ст3 Покрытие: Грунт ГФ-021 Цвет: Красно-коричнывый Вес: 10

1 100 руб.
Москва
Изготовление сварных стальных ограждений ОЛГ для маршевых лестниц

Изготовление сварных стальных ограждений ОЛГ для маршевых лестниц

Производство стандартных стальных сварных ограждений типа ОЛГ для лестничных маршей пожарных и промышленных производственных металлических лестниц, изготовленных по чертежам типовой серии 1.450.3-7.94 (выпуск 2 «Конструкции из горячекатаных профилей»). Высота лестничного ограждения ОЛГ H2 1000 или 1200 мм. Высота лестничных маршей ЛГВ или ЛГФ, на которые устанавливаются ограждения ОЛГ - до 4,2 м. Стойки и поручни ограждений выполнены из стальных горячекатаных уголков по ГОСТ 8509. Лестничные ограждения отвечают требованиям ГОСТ 23120 и ГОСТ Р 53254. В производстве используем сертифицированный горячекатаный металлопрокат из углеродистых сталей марок Ст3кп по ГОСТ 380 (С235 по ГОСТ 27772), Ст3пс по ГОСТ 380 (С245 по ГОСТ 27772) илиСт3сп5 по ГОСТ 380 (С255 по ГОСТ 27772). В качестве антикоррозионной защиты наносится один слой глифталевой грунтовки ГФ-021 по ГОСТ 25129 и один слой эмали ПФ-115 по ГОСТ 6465. Стальные ограждения маршевых лестниц с углом наклона 45°Высота лестничного ограждения H2 = 1000 мм: * ОЛГ 45-10.12 (высота лестницы H = 1,2 м) * ОЛГ 45-10.18 (H = 1,8 м) * ОЛГ 45-10.24 (H = 2,4 м) * ОЛГ 45-10.30 (H = 3,0 м) * ОЛГ 45-10.36 (H = 3,6 м) * ОЛГ 45-10.42 (H = 4,2 м)Высота лестничного ограждения H2=1200 мм: * ОЛГ 45-12.12 (H = 1,2 м) * ОЛГ 45-12.18 (H = 1,8 м) * ОЛГ 45-12.24 (H = 2,4 м) * ОЛГ 45-12.30 (H = 3,0 м) * ОЛГ 45-12.36 (H = 3,6 м) * ОЛГ 45-12.42 (H = 4,2 м).Стальные ограждения маршевых лестниц с углом наклона к горизонту 60°Высота лестничного ограждения H2 = 1000 мм: * ОЛГ 60-10.12 (высота лестницы H = 1,2 м) * ОЛГ 60-10.18 (H = 1,8 м) * ОЛГ 60-10.24 (H = 2,4 м) * ОЛГ 60-10.30 (H = 3,0 м) * ОЛГ 60-10.36 (H = 3,6 м) * ОЛГ 60-10.42 (H = 4,2 м)Высота лестничного ограждения H2=1200 мм: * ОЛГ 60-12.12 (H = 1,2 м) * ОЛГ 60-12.18 (H = 1,8 м) * ОЛГ 60-12.24 (H = 2,4 м) * ОЛГ 60-12.30 (H = 3,0 м) * ОЛГ 60-12.36 (H = 3,6 м) * ОЛГ 60-12.42 (H = 4,2 м).Производитель: Собственное производство Тип услуги: Сварка стали Вид изделия: Перила Покрытие: Грунт ГФ-021 Материал изделия: Сталь Ст3 Цвет: Красно-коричнывый Установка изделия: На лестницу

700 руб.
Москва
ОЛГ 45-12, 5. 36 Стальные ограждения маршевых лестниц OCT 26. 260. 758-2003

ОЛГ 45-12, 5. 36 Стальные ограждения маршевых лестниц OCT 26. 260. 758-2003

Производство стандартных стальных сварных ограждений марки ОЛГ 45-12,5.36 для лестничных маршей пожарных и промышленных производственных металлических лестниц по чертежам типовой серии 1.450.3-7.94 «Лестницы, площадки, стремянки и ограждения стальные для производственных зданий промышленных предприятий» (выпуск 2 «Конструкции из горячекатаных профилей. Чертежи КМ») с уточнениями по OCT 26.260.758-2003. Размеры ограждения ОЛГ 45-12,5.36 * Высота лестничного ограждения H1 = 1250 мм * Высота поручня H2 = 884 мм * Длина (поручня) ограждения L1 = 5092 мм * Вес (масса) ограждения — 68 кгКонструкция ограждения ОЛГ 45-12,5.36 Стойки из стального горячекатаного равнополочного уголка 50х5 по ГОСТ 8509 * Высота стоек — 980 мм * Количество стоек — 4 шт. * Шаг между стойками — 1300 мм Поручень из стального горячекатаного равнополочного уголка 50х5 по ГОСТ 8509 * Длина поручня — 5092 мм Струна из стального горячекатаного равнополочного уголка 25х3 по ГОСТ 8509 * Длина струны — 4815 и 4022 мм * Количество струн — 2 шт. * Расстояние от верха поручня до струны — 260 мм * Расстояние между струнами — 235 мм Боковая планка из стальной горячекатаной полосы сечением 4х150 по ГОСТ 103 * Длина боковой планки — 4345 мм Ограждения ОЛГ 45-12,5.36 устанавливаются на лестничные марши высотой 3,6м: ЛГВ 45-36.7, ЛГВ 45-36,9, ЛГФ 45-36.7, ЛГФ 45-36,9 и др. Стойки и поручни ограждений выполнены из стальных горячекатаных уголков по ГОСТ 8509, нижние боковые планки высотой 150 мм исключают возможность проскальзывания ног человека. Лестничные ограждения отвечают требованиям ГОСТ 23120, OCT 26.260.758-2003 и ГОСТ Р 53254. Используемые материалы В производстве ограждений ОЛГ используем сертифицированный горячекатаный металлопрокат по ГОСТ 535 из углеродистых сталей марок * Ст3кп по ГОСТ 380 (класса прочности С235 по ГОСТ 27772), * Ст3пс по ГОСТ 380 (С245 по ГОСТ 27772) или * Ст3сп5 по ГОСТ 380 (С255 по ГОСТ 27772). Защита строительных стальных металлоконструкций от коррозии осуществляется с учетом рекомендаций раздела 9 (приложение Ц) свода правил СП 28.13330.2017 (актуализированная редакция СНиП 2.03.11-85) В качестве антикоррозионной защиты наносится один слой глифталевой грунтовки ГФ-021 по ГОСТ 25129 (толщина слоя 18-20 мкм) и один слой эмали ПФ-115 по ГОСТ 6465Производитель: Собственное производство Материал изделия: Сталь Ст3 Покрытие: Грунт ГФ-021 Цвет: Красно-коричнывый Вид изделия: Перила Установка изделия: На лестницу Длина: 5092 мм Высота: 1250 мм Ширина: 70 мм Вес: 68

7 790 руб.
Москва
ОЛГ 45-12, 5. 42 Стальные ограждения маршевых лестниц OCT 26. 260. 758-2003

ОЛГ 45-12, 5. 42 Стальные ограждения маршевых лестниц OCT 26. 260. 758-2003

Производство стандартных стальных сварных ограждений марки ОЛГ 45-12,5.42 лестничных маршей пожарных и промышленных производственных металлических лестниц по чертежам типовой серии 1.450.3-7.94 (выпуск 2 «Конструкции из горячекатанных профилей») с уточнениями. Высота лестничного ограждения H2=1250 мм. Высота подъема ограждаемого лестничного марша (ЛГВ 45-42.7, ЛГВ 45-42,9, ЛГФ 45-42.7 или ЛГФ 45-42,9) - H=4,2 м. Стойки и поручни ограждений выполнены из стальных горячекатаных уголков по ГОСТ 8509, нижние боковые планки высотой 150 мм исключают возможность проскальзывания ног человека. Лестничные ограждения отвечают требованиям ГОСТ 23120, OCT 26.260.758-2003 и ГОСТ Р 53254. В производстве используем сертифицированный горячекатаный металлопрокат из углеродистых сталей марок Ст3кп по ГОСТ 380 (С235 по ГОСТ 27772), Ст3пс по ГОСТ 380 (С245 по ГОСТ 27772) или Ст3сп5 по ГОСТ 380 (С255 по ГОСТ 27772). В качестве антикоррозионной защиты наносится один слой глифталевой грунтовки ГФ-021 по ГОСТ 25129 и один слой эмали ПФ-115 по ГОСТ 6465Производитель: Собственное производство Высота: 1250 мм Установка изделия: На лестницу Вид изделия: Перила Ширина: 70 мм Длина: 5940 мм Вес: 77.6 Цвет: Красно-коричнывый Материал изделия: Сталь Ст3 Покрытие: Грунт ГФ-021

9 260 руб.
Москва
ПОРУЧЕНЬ 40×6 пластиковый ПВХ коричневого цвета

ПОРУЧЕНЬ 40×6 пластиковый ПВХ коричневого цвета

Предлагаем стандартный пластиковый поручень ПЖО из полужесткого ПВХ коричневого цвета по ГОСТ 19111 для установки на стальные стандартные лестничные ограждения - перила с поручнем из стальной полосы сечением 6×40 мм. Плоский пластиковый ПВХ поручень ПП-40×6 — накладка на типовые стальные перила Лестничные ПВХ накладки – это высококачественное изделие из поливинилхлорида (ПВХ), используемое во время проведения отделочных работ для установки на металлическое полотно перил. Данные поручни изготовлены по ГОСТ 19111 и представляют из себя планку из полужесткого поливинилхлорида со специальным каналом, который используется для надежного крепления на металлической полосе. Стоимость плоской пластиковой накладки невысока, что позволяет минимизировать затраты на материалы для отделочных работ на объекте Стандартные поручни отличаются долговечностью и высокими потребительскими свойствами, в т.ч. химической стойкостью к щелочам, минеральным маслам, многим кислотам и растворителям Накладка ПП-40×6 легко устанавливается на металлические перила. Для монтажа накладки не требуется специального оборудования – она просто, легко и, что очень важно, быстро натягивается на металлическую полосу лестничного ограждения. Стальные лестничные ограждения - стандартные перила типов ЛО, МВ, ПВ, ОМВ и ОМН с пластиковым ПВХ поручнем устанавливаются на железобетонные лестничные марши в подъездах многоэтажных жилых домов, производственных и административных зданийЦвет: Коричневый Вид изделия: Поручень Установка изделия: На лестницу Высота: 6 мм Ширина: 40 мм Материал изделия: Поливинилхлорид

79 руб.
Москва
ПОРУЧЕНЬ 40×5 пластиковый ПВХ коричневого цвета

ПОРУЧЕНЬ 40×5 пластиковый ПВХ коричневого цвета

Предлагаем стандартный пластиковый поручень ПЖО из полужесткого ПВХ коричневого цвета по ГОСТ 19111 для установки на стальные стандартные лестничные ограждения - перила с поручнем из стальной полосы сечением 5×40 мм. Плоский пластиковый ПВХ поручень ПП-40×5 — накладка на типовые стальные перила Лестничные ПВХ накладки – это высококачественное изделие из поливинилхлорида (ПВХ), используемое во время проведения отделочных работ для установки на металлическое полотно перил. Данные поручни изготовлены по ГОСТ 19111 и представляют из себя планку из полужесткого поливинилхлорида со специальным каналом, который используется для надежного крепления на металлической полосе. Стоимость плоской пластиковой накладки невысока, что позволяет минимизировать затраты на материалы для отделочных работ на объекте Стандартные поручни отличаются долговечностью и высокими потребительскими свойствами, в т.ч. химической стойкостью к щелочам, минеральным маслам, многим кислотам и растворителям Накладка ПП-40×5 легко устанавливается на металлические перила. Для монтажа накладки не требуется специального оборудования – она просто, легко и, что очень важно, быстро натягивается на металлическую полосу лестничного ограждения. Стальные лестничные ограждения - стандартные перила типов ЛО, МВ, ПВ, ОМВ и ОМН с пластиковым ПВХ поручнем устанавливаются на железобетонные лестничные марши в подъездах многоэтажных жилых домов, производственных и административных зданийЦвет: Коричневый Вид изделия: Поручень Установка изделия: На лестницу Высота: 5 мм Ширина: 40 мм Материал изделия: Поливинилхлорид

77 руб.
Москва
ПОРУЧЕНЬ 50×4 пластиковый ПВХ коричневого цвета

ПОРУЧЕНЬ 50×4 пластиковый ПВХ коричневого цвета

Предлагаем стандартный пластиковый поручень ПЖО из полужесткого ПВХ коричневого цвета по ГОСТ 19111 для установки на стальные стандартные лестничные ограждения - перила с поручнем из стальной полосы сечением 4×50 мм. Плоский пластиковый ПВХ поручень ПП-50×4 — накладка на типовые стальные перила Лестничные ПВХ накладки – это высококачественное изделие из поливинилхлорида (ПВХ), используемое во время проведения отделочных работ для установки на металлическое полотно перил. Данные поручни изготовлены по ГОСТ 19111 и представляют из себя планку из полужесткого поливинилхлорида со специальным каналом, который используется для надежного крепления на металлической полосе. Стоимость плоской пластиковой накладки невысока, что позволяет минимизировать затраты на материалы для отделочных работ на объекте Стандартные поручни отличаются долговечностью и высокими потребительскими свойствами, в т.ч. химической стойкостью к щелочам, минеральным маслам, многим кислотам и растворителям Накладка ПП-50×4 легко устанавливается на металлические перила. Для монтажа накладки не требуется специального оборудования – она просто, легко и, что очень важно, быстро натягивается на металлическую полосу лестничного ограждения. Стальные лестничные ограждения - стандартные перила типов ЛО, МВ, ПВ, ОМВ и ОМН с пластиковым ПВХ поручнем устанавливаются на железобетонные лестничные марши в подъездах многоэтажных жилых домов, производственных и административных зданийЦвет: Коричневый Вид изделия: Поручень Установка изделия: На лестницу Высота: 4 мм Ширина: 50 мм Материал изделия: Поливинилхлорид

75 руб.
Москва
ПОРУЧЕНЬ 50×5 пластиковый ПВХ коричневого цвета

ПОРУЧЕНЬ 50×5 пластиковый ПВХ коричневого цвета

Предлагаем стандартный пластиковый поручень ПЖО из полужесткого ПВХ коричневого цвета по ГОСТ 19111 для установки на стальные стандартные лестничные ограждения - перила с поручнем из стальной полосы сечением 5×50 мм. Плоский пластиковый ПВХ поручень ПП-50×5 — накладка на типовые стальные перила Лестничные ПВХ накладки – это высококачественное изделие из поливинилхлорида (ПВХ), используемое во время проведения отделочных работ для установки на металлическое полотно перил. Данные поручни изготовлены по ГОСТ 19111 и представляют из себя планку из полужесткого поливинилхлорида со специальным каналом, который используется для надежного крепления на металлической полосе. Стоимость плоской пластиковой накладки невысока, что позволяет минимизировать затраты на материалы для отделочных работ на объекте Стандартные поручни отличаются долговечностью и высокими потребительскими свойствами, в т.ч. химической стойкостью к щелочам, минеральным маслам, многим кислотам и растворителям Накладка ПП-50×5 легко устанавливается на металлические перила. Для монтажа накладки не требуется специального оборудования – она просто, легко и, что очень важно, быстро натягивается на металлическую полосу лестничного ограждения. Стальные лестничные ограждения - стандартные перила типов ЛО, МВ, ПВ, ОМВ и ОМН с пластиковым ПВХ поручнем устанавливаются на железобетонные лестничные марши в подъездах многоэтажных жилых домов, производственных и административных зданийЦвет: Коричневый Вид изделия: Поручень Установка изделия: На лестницу Высота: 5 мм Ширина: 50 мм Материал изделия: Поливинилхлорид

79 руб.
Москва
ПОРУЧЕНЬ 50×5 пластиковый ПВХ серого цвета

ПОРУЧЕНЬ 50×5 пластиковый ПВХ серого цвета

Предлагаем стандартный пластиковый поручень ПЖО из полужесткого ПВХ серого цвета по ГОСТ 19111 для установки на стальные стандартные лестничные ограждения - перила с поручнем из стальной полосы сечением 5×50 мм. Плоский пластиковый ПВХ поручень ПП-50×5 — накладка на типовые стальные перила Лестничные ПВХ накладки – это высококачественное изделие из поливинилхлорида (ПВХ), используемое во время проведения отделочных работ для установки на металлическое полотно перил. Данные поручни изготовлены по ГОСТ 19111 и представляют из себя планку из полужесткого поливинилхлорида со специальным каналом, который используется для надежного крепления на металлической полосе. Стоимость плоской пластиковой накладки невысока, что позволяет минимизировать затраты на материалы для отделочных работ на объекте Стандартные поручни отличаются долговечностью и высокими потребительскими свойствами, в т.ч. химической стойкостью к щелочам, минеральным маслам, многим кислотам и растворителям Накладка ПП-50×5 легко устанавливается на металлические перила. Для монтажа накладки не требуется специального оборудования – она просто, легко и, что очень важно, быстро натягивается на металлическую полосу лестничного ограждения. Стальные лестничные ограждения - стандартные перила типов ЛО, МВ, ПВ, ОМВ и ОМН с пластиковым ПВХ поручнем устанавливаются на железобетонные лестничные марши в подъездах многоэтажных жилых домов, производственных и административных зданийЦвет: Светло-серый Вид изделия: Поручень Установка изделия: На лестницу Высота: 5 мм Ширина: 50 мм Материал изделия: Поливинилхлорид

73 руб.
Москва
ПОРУЧЕНЬ 50×4 пластиковый ПВХ серого цвета

ПОРУЧЕНЬ 50×4 пластиковый ПВХ серого цвета

Стандартный плоский пластиковый поручень типа ПЖО из полужесткого ПВХ серого цвета по ГОСТ 19111 для установки на стальные типовые лестничные ограждения - перила с поручнем из стальной полосы сечением 4×50 мм. Плоский пластиковый ПВХ поручень ПП-50×4 — накладка на типовые стальные перила Лестничные ПВХ накладки – это высококачественное изделие из поливинилхлорида (ПВХ), используемое во время проведения отделочных работ для установки на металлическое полотно перил. Данные поручни изготовлены по ГОСТ 19111 и представляют из себя планку из полужесткого поливинилхлорида со специальным каналом, который используется для надежного крепления на металлической полосе. Стоимость плоской пластиковой накладки невысока, что позволяет минимизировать затраты на материалы для отделочных работ на объекте Стандартные поручни отличаются долговечностью и высокими потребительскими свойствами, в т.ч. химической стойкостью к щелочам, минеральным маслам, многим кислотам и растворителям Накладка ПП-540×4 легко устанавливается на металлические перила. Для монтажа накладки не требуется специального оборудования – она просто, легко и, что очень важно, быстро натягивается на металлическую полосу лестничного ограждения. Стальные лестничные ограждения - стандартные перила типов ЛО, МВ, ПВ, ОМВ и ОМН с пластиковым ПВХ поручнем устанавливаются на железобетонные лестничные марши в подъездах многоэтажных жилых домов, производственных и административных зданийЦвет: Светло-серый Вид изделия: Поручень Установка изделия: На лестницу Высота: 4 мм Ширина: 50 мм Материал изделия: Поливинилхлорид

71 руб.
Москва
ПОРУЧЕНЬ 40×6 пластиковый ПВХ серого цвета

ПОРУЧЕНЬ 40×6 пластиковый ПВХ серого цвета

Предлагаем стандартный пластиковый поручень ПЖО из полужесткого ПВХ серого цвета по ГОСТ 19111 для установки на стальные стандартные лестничные ограждения - перила с поручнем из стальной полосы сечением 6×40 мм. Плоский пластиковый ПВХ поручень ПП-40×6 — накладка на типовые стальные перила Лестничные ПВХ накладки – это высококачественное изделие из поливинилхлорида (ПВХ), используемое во время проведения отделочных работ для установки на металлическое полотно перил. Данные поручни изготовлены по ГОСТ 19111 и представляют из себя планку из полужесткого поливинилхлорида со специальным каналом, который используется для надежного крепления на металлической полосе. Стоимость плоской пластиковой накладки невысока, что позволяет минимизировать затраты на материалы для отделочных работ на объекте Стандартные поручни отличаются долговечностью и высокими потребительскими свойствами, в т.ч. химической стойкостью к щелочам, минеральным маслам, многим кислотам и растворителям Накладка ПП-40×6 легко устанавливается на металлические перила. Для монтажа накладки не требуется специального оборудования – она просто, легко и, что очень важно, быстро натягивается на металлическую полосу лестничного ограждения. Стальные лестничные ограждения - стандартные перила типов ЛО, МВ, ПВ, ОМВ и ОМН с пластиковым ПВХ поручнем устанавливаются на железобетонные лестничные марши в подъездах многоэтажных жилых домов, производственных и административных зданийЦвет: Светло-серый Вид изделия: Поручень Установка изделия: На лестницу Высота: 6 мм Ширина: 40 мм Материал изделия: Поливинилхлорид

75 руб.
Москва
ПОРУЧЕНЬ 35×4 пластиковый ПВХ серого цвета

ПОРУЧЕНЬ 35×4 пластиковый ПВХ серого цвета

Предлагаем стандартный пластиковый поручень ПЖО из полужесткого ПВХ серого цвета по ГОСТ 19111 для установки на стальные стандартные лестничные ограждения - перила с поручнем из стальной полосы сечением 4×35 мм. Плоский пластиковый ПВХ поручень ПП-35×4 — накладка на типовые стальные перила Лестничные ПВХ накладки – это высококачественное изделие из поливинилхлорида (ПВХ), используемое во время проведения отделочных работ для установки на металлическое полотно перил. Данные поручни изготовлены по ГОСТ 19111 и представляют из себя планку из полужесткого поливинилхлорида со специальным каналом, который используется для надежного крепления на металлической полосе. Стоимость плоской пластиковой накладки невысока, что позволяет минимизировать затраты на материалы для отделочных работ на объекте Стандартные поручни отличаются долговечностью и высокими потребительскими свойствами, в т.ч. химической стойкостью к щелочам, минеральным маслам, многим кислотам и растворителям Накладка ПП-35×4 легко устанавливается на металлические перила. Для монтажа накладки не требуется специального оборудования – она просто, легко и, что очень важно, быстро натягивается на металлическую полосу лестничного ограждения. Стальные лестничные ограждения - стандартные перила типов ЛО, МВ, ПВ, ОМВ и ОМН с пластиковым ПВХ поручнем устанавливаются на железобетонные лестничные марши в подъездах многоэтажных жилых домов, производственных и административных зданийЦвет: Светло-серый Вид изделия: Поручень Установка изделия: На лестницу Высота: 4 мм Ширина: 35 мм Материал изделия: Поливинилхлорид

59 руб.
Москва
ПОРУЧЕНЬ 40×5 пластиковый ПВХ серого цвета

ПОРУЧЕНЬ 40×5 пластиковый ПВХ серого цвета

Стандартный плоский пластиковый поручень типа ПЖО из полужесткого ПВХ серого цвета по ГОСТ 19111 для установки на стальные стандартные лестничные ограждения - перила с поручнем из стальной полосы сечением 5×40 мм. Плоский пластиковый ПВХ поручень ПП-40×5 — накладка на типовые стальные перила Лестничные ПВХ накладки – это высококачественное изделие из поливинилхлорида (ПВХ), используемое во время проведения отделочных работ для установки на металлическое полотно перил. Данные поручни изготовлены по ГОСТ 19111 и представляют из себя планку из полужесткого поливинилхлорида со специальным каналом, который используется для надежного крепления на металлической полосе. Стоимость плоской пластиковой накладки невысока, что позволяет минимизировать затраты на материалы для отделочных работ на объекте Стандартные поручни отличаются долговечностью и высокими потребительскими свойствами, в т.ч. химической стойкостью к щелочам, минеральным маслам, многим кислотам и растворителям Накладка ПП-40×5 легко устанавливается на металлические перила. Для монтажа накладки не требуется специального оборудования – она просто, легко и, что очень важно, быстро натягивается на металлическую полосу лестничного ограждения. Стальные лестничные ограждения - стандартные перила типов ЛО, МВ, ПВ, ОМВ и ОМН с пластиковым ПВХ поручнем устанавливаются на железобетонные лестничные марши в подъездах многоэтажных жилых домов, производственных и административных зданийЦвет: Светло-серый Вид изделия: Поручень Установка изделия: На лестницу Высота: 5 мм Ширина: 40 мм Материал изделия: Поливинилхлорид

87 руб.
Москва
ПОРУЧЕНЬ 35×5 пластиковый ПВХ серого цвета

ПОРУЧЕНЬ 35×5 пластиковый ПВХ серого цвета

Предлагаем стандартный пластиковый поручень ПЖО из полужесткого ПВХ серого цвета по ГОСТ 19111 для установки на стальные стандартные лестничные ограждения - перила с поручнем из стальной полосы сечением 5×35 мм. Пластиковый ПВХ поручень 35×5 — накладка на стальные перила Стальные лестничные ограждения - перила типов ЛО, МВ, ПВ, ОМВ и ОМН с пластиковым ПВХ поручнем устанавливаются на железобетонные лестничные марши в многоэтажных жилых домах, производственных и административных зданиях.Цвет: Светло-серый Вид изделия: Поручень Установка изделия: На лестницу Высота: 5 мм Ширина: 35 мм Материал изделия: Поливинилхлорид

61 руб.
Москва
ПОРУЧЕНЬ 30×4 пластиковый ПВХ серого цвета

ПОРУЧЕНЬ 30×4 пластиковый ПВХ серого цвета

Предлагаем стандартный плоский пластиковый поручень типа ПЖО из полужесткого ПВХ серого цвета по ГОСТ 19111 для установки на стальные стандартные лестничные ограждения - перила с поручнем из стальной полосы сечением 4×30 мм. Плоский пластиковый ПВХ поручень ПП-30×4 — накладка на типовые стальные перила Лестничные ПВХ накладки – это высококачественное изделие из поливинилхлорида (ПВХ), используемое во время проведения отделочных работ для установки на металлическое полотно перил. Данные поручни изготовлены по ГОСТ 19111 и представляют из себя планку из полужесткого поливинилхлорида со специальным каналом, который используется для надежного крепления на металлической полосе. Стоимость плоской пластиковой накладки невысока, что позволяет минимизировать затраты на материалы для отделочных работ на объекте Стандартные поручни отличаются долговечностью и высокими потребительскими свойствами, в т.ч. химической стойкостью к щелочам, минеральным маслам, многим кислотам и растворителям Накладка ПП-30×4 легко устанавливается на металлические перила. Для монтажа накладки не требуется специального оборудования – она просто, легко и, что очень важно, быстро натягивается на металлическую полосу лестничного ограждения. Стальные лестничные ограждения - стандартные перила типов ЛО, МВ, ПВ, ОМВ и ОМН с пластиковым ПВХ поручнем устанавливаются на железобетонные лестничные марши в подъездах многоэтажных жилых домов, производственных и административных зданийМатериал изделия: Поливинилхлорид Цвет: Светло-серый Вид изделия: Поручень Установка изделия: На лестницу Высота: 5 мм Ширина: 30 мм Бухта (пог.м): 21|30

57 руб.
Москва
ПОРУЧЕНЬ 40×4 пластиковый ПВХ серого цвета

ПОРУЧЕНЬ 40×4 пластиковый ПВХ серого цвета

Стандартный плоский пластиковый поручень типа ПЖО из полужесткого ПВХ серого цвета по ГОСТ 19111 для установки на стальные стандартные лестничные ограждения - перила с поручнем из стальной полосы сечением 4×40 мм. Плоский пластиковый ПВХ поручень ПП-40×4 — накладка на типовые стальные перила Лестничные ПВХ накладки – это высококачественное изделие из поливинилхлорида (ПВХ), используемое во время проведения отделочных работ для установки на металлическое полотно перил. Данные поручни изготовлены по ГОСТ 19111 и представляют из себя планку из полужесткого поливинилхлорида со специальным каналом, который используется для надежного крепления на металлической полосе. Стоимость плоской пластиковой накладки невысока, что позволяет минимизировать затраты на материалы для отделочных работ на объекте Стандартные поручни отличаются долговечностью и высокими потребительскими свойствами, в т.ч. химической стойкостью к щелочам, минеральным маслам, многим кислотам и растворителям Накладка ПП-40×4 легко устанавливается на металлические перила. Для монтажа накладки не требуется специального оборудования – она просто, легко и, что очень важно, быстро натягивается на металлическую полосу лестничного ограждения. Стальные лестничные ограждения - стандартные перила типов ЛО, МВ, ПВ, ОМВ и ОМН с пластиковым ПВХ поручнем устанавливаются на железобетонные лестничные марши в подъездах многоэтажных жилых домов, производственных и административных зданийЦвет: Светло-серый Вид изделия: Поручень Установка изделия: На лестницу Высота: 4 мм Ширина: 40 мм Материал изделия: Поливинилхлорид

49 руб.
Москва
ПОРУЧЕНЬ 40×4 пластиковый ПВХ коричневого цвета

ПОРУЧЕНЬ 40×4 пластиковый ПВХ коричневого цвета

Предлагаем стандартный плоский пластиковый поручень типа ПЖО из полужесткого ПВХ коричневого цвета по ГОСТ 19111 для установки на стальные стандартные лестничные ограждения - перила с верхней металлической полосой сечением 4×40 мм. Плоский пластиковый ПВХ поручень ПП-40×4 — накладка на типовые стальные перила Лестничные ПВХ накладки – это высококачественное изделие из поливинилхлорида (ПВХ), используемое во время проведения отделочных работ для установки на металлическое полотно перил. Данные поручни изготовлены по ГОСТ 19111 и представляют из себя планку из полужесткого поливинилхлорида со специальным каналом, который используется для надежного крепления на металлической полосе. Стоимость плоской пластиковой накладки невысока, что позволяет минимизировать затраты на материалы для отделочных работ на объекте Стандартные поручни отличаются долговечностью и высокими потребительскими свойствами, в т.ч. химической стойкостью к щелочам, минеральным маслам, многим кислотам и растворителям Накладка ПП-40×4 легко устанавливается на металлические перила. Для монтажа накладки не требуется специального оборудования – она просто, легко и, что очень важно, быстро натягивается на металлическую полосу лестничного ограждения. Стальные лестничные ограждения - стандартные перила типов ЛО, МВ, ПВ, ОМВ и ОМН с пластиковым ПВХ поручнем устанавливаются на железобетонные лестничные марши в подъездах многоэтажных жилых домов, производственных и административных зданийЦвет: Коричневый Вид изделия: Поручень Установка изделия: На лестницу Высота: 4 мм Ширина: 40 мм Материал изделия: Поливинилхлорид

67 руб.
Москва
ПОРУЧЕНЬ 30×5 пластиковый ПВХ серого цвета

ПОРУЧЕНЬ 30×5 пластиковый ПВХ серого цвета

Предлагаем стандартный плоский пластиковый поручень типа ПЖО из полужесткого ПВХ серого цвета по ГОСТ 19111 для установки на стальные стандартные лестничные ограждения - перила с поручнем из стальной полосы сечением 5×30 мм. Плоский пластиковый ПВХ поручень ПП-30×5 — накладка на типовые стальные перила Лестничные ПВХ накладки – это высококачественное изделие из поливинилхлорида (ПВХ), используемое во время проведения отделочных работ для установки на металлическое полотно перил. Данные поручни изготовлены по ГОСТ 19111 и представляют из себя планку из полужесткого поливинилхлорида со специальным каналом, который используется для надежного крепления на металлической полосе. Стоимость плоской пластиковой накладки невысока, что позволяет минимизировать затраты на материалы для отделочных работ на объекте Стандартные поручни отличаются долговечностью и высокими потребительскими свойствами, в т.ч. химической стойкостью к щелочам, минеральным маслам, многим кислотам и растворителям Накладка ПП-30×5 легко устанавливается на металлические перила. Для монтажа накладки не требуется специального оборудования – она просто, легко и, что очень важно, быстро натягивается на металлическую полосу лестничного ограждения. Стальные лестничные ограждения - стандартные перила типов ЛО, МВ, ПВ, ОМВ и ОМН с пластиковым ПВХ поручнем устанавливаются на железобетонные лестничные марши в подъездах многоэтажных жилых домов, производственных и административных зданийЦвет: Светло-серый Вид изделия: Поручень Установка изделия: На лестницу Высота: 5 мм Ширина: 30 мм Материал изделия: Поливинилхлорид

57 руб.
Москва
ПОРУЧЕНЬ пластиковый ПВХ серого цвета - Накладка на стальную на полосу 5×40 ограждения лестниц

ПОРУЧЕНЬ пластиковый ПВХ серого цвета - Накладка на стальную на полосу 5×40 ограждения лестниц

Предлагаем стандартный пластиковый поручень ПЖО из полужесткого ПВХ серого цвета по ГОСТ 19111 для установки на стальные стандартные лестничные ограждения - перила с поручнем из стальной полосы сечением 5×40 мм. Плоский пластиковый ПВХ поручень ПП-40×5 — накладка на типовые стальные перила Лестничные ПВХ накладки – это высококачественное изделие из поливинилхлорида (ПВХ), используемое во время проведения отделочных работ для установки на металлическое полотно перил. Данные поручни изготовлены по ГОСТ 19111 и представляют из себя планку из полужесткого поливинилхлорида со специальным каналом, который используется для надежного крепления на металлической полосе. Стоимость плоской пластиковой накладки невысока, что позволяет минимизировать затраты на материалы для отделочных работ на объекте Стандартные поручни отличаются долговечностью и высокими потребительскими свойствами, в т.ч. химической стойкостью к щелочам, минеральным маслам, многим кислотам и растворителям Накладка ПП-40×5 легко устанавливается на металлические перила. Для монтажа накладки не требуется специального оборудования – она просто, легко и, что очень важно, быстро натягивается на металлическую полосу лестничного ограждения. Стальные лестничные ограждения - стандартные перила типов ЛО, МВ, ПВ, ОМВ и ОМН с пластиковым ПВХ поручнем устанавливаются на железобетонные лестничные марши в подъездах многоэтажных жилых домов, производственных и административных зданийЦвет: Светло-серый Вид изделия: Поручень Установка изделия: На лестницу Высота: 5 мм Ширина: 40 мм Материал изделия: Поливинилхлорид

87 руб.
Москва
ПОРУЧЕНЬ пластиковый ПВХ серого цвета Накладка на стальную полосу 5×30 ограждения лестниц

ПОРУЧЕНЬ пластиковый ПВХ серого цвета Накладка на стальную полосу 5×30 ограждения лестниц

Стандартный плоский пластиковый поручень типа ПЖО из полужесткого ПВХ серого цвета по ГОСТ 19111 для установки на стальные стандартные лестничные ограждения - перила с поручнем из стальной полосы сечением 5×30 мм. Плоский пластиковый ПВХ поручень ПП-30×5 — накладка на типовые стальные перила Лестничные ПВХ накладки – это высококачественное изделие из поливинилхлорида (ПВХ), используемое во время проведения отделочных работ для установки на металлическое полотно перил. Данные поручни изготовлены по ГОСТ 19111 и представляют из себя планку из полужесткого поливинилхлорида со специальным каналом, который используется для надежного крепления на металлической полосе. Стоимость плоской пластиковой накладки невысока, что позволяет минимизировать затраты на материалы для отделочных работ на объекте Стандартные поручни отличаются долговечностью и высокими потребительскими свойствами, в т.ч. химической стойкостью к щелочам, минеральным маслам, многим кислотам и растворителям Накладка ПП-30×5 легко устанавливается на металлические перила. Для монтажа накладки не требуется специального оборудования – она просто, легко и, что очень важно, быстро натягивается на металлическую полосу лестничного ограждения. Стальные лестничные ограждения - стандартные перила типов ЛО, МВ, ПВ, ОМВ и ОМН с пластиковым ПВХ поручнем устанавливаются на железобетонные лестничные марши в подъездах многоэтажных жилых домов, производственных и административных зданийЦвет: Светло-серый Вид изделия: Поручень Установка изделия: На лестницу Высота: 5 мм Ширина: 30 мм Материал изделия: Поливинилхлорид

57 руб.
Москва
ПОРУЧЕНЬ деревянный П-4475.40 длина 4,0 м сечение 44×75 сращенный из сосны

ПОРУЧЕНЬ деревянный П-4475.40 длина 4,0 м сечение 44×75 сращенный из сосны

Предлагаем стандартный деревянный профильный поручень П-4475-40 сечением 44×75 мм длиной 4,0 м из древесины хвойных пород (сосна) сращенный по длине по ГОСТ 8242 «Детали профильные из древесины и древесных материалов для строительства. Технические условия» для установки на стальные стандартные ограждения лестниц - перила с поручнем из стальной полосы сечением 4×20, 4×25, 4×30, 4×40 или 4×50 мм. Размеры деревянного поручня П-4475-40 * Высота поручня — 44 мм * Ширина поручня — 65 мм * Длина поручня — 4000 мм Стальные лестничные ограждения - перила типов ЛО, МВ, ПВ, ОМВ и ОМН с деревянным поручнем устанавливаются на железобетонные лестничные марши в подъездах многоэтажных жилых домов, производственных и административных зданий.Порода дерева: Сосна Материал изделия: Дерево Покрытие: Без покрытия Вид изделия: Поручень Установка изделия: На лестницу|На балкон|На стену Длина: 4000 мм Высота: 44 мм Ширина: 75 мм

1 100 руб.
Москва
ПОРУЧЕНЬ деревянный П-4860.30 длина 3,0 м сечение 48×60 сращенный из сосны

ПОРУЧЕНЬ деревянный П-4860.30 длина 3,0 м сечение 48×60 сращенный из сосны

Предлагаем стандартный деревянный профильный поручень П-4860-30 сечением 48×60 мм длиной 3,0 м из древесины хвойных пород (сосна) сращенный по длине по ГОСТ 8242 «Детали профильные из древесины и древесных материалов для строительства. Технические условия» для установки на стальные стандартные ограждения лестниц - перила с поручнем из стальной полосы сечением 4×20, 4×25, 4×30 или 4×40 мм. Размеры деревянного поручня П-4860-30 * Высота поручня — 48 мм * Ширина поручня — 60 мм * Длина поручня — 3000 мм Стальные лестничные ограждения - перила типов ЛО, МВ, ПВ, ОМВ и ОМН с деревянным поручнем устанавливаются на железобетонные лестничные марши в подъездах многоэтажных жилых домов, производственных и административных зданий.Порода дерева: Сосна Материал изделия: Дерево Покрытие: Без покрытия Вид изделия: Поручень Установка изделия: На лестницу|На балкон|На стену Длина: 3000 мм Высота: 48 мм Ширина: 60 мм

675 руб.
Москва
ПОРУЧЕНЬ деревянный П-4860.40 длина 4,0 м сечение 48×60 сращенный из сосны

ПОРУЧЕНЬ деревянный П-4860.40 длина 4,0 м сечение 48×60 сращенный из сосны

Предлагаем стандартный деревянный профильный поручень П-4860-40 сечением 48×60 мм длиной 4,0 м из древесины хвойных пород (сосна) сращенный по длине по ГОСТ 8242 «Детали профильные из древесины и древесных материалов для строительства. Технические условия» для установки на стальные стандартные ограждения лестниц - перила с поручнем из стальной полосы сечением 4×20, 4×25, 4×30 или 4×40 мм. Размеры поручня П-4860-40 * Высота поручня — 48 мм * Ширина поручня — 60 мм * Длина поручня — 4000 мм Стальные лестничные ограждения - перила типов ЛО, МВ, ПВ, ОМВ и ОМН с деревянным поручнем устанавливаются на железобетонные лестничные марши в подъездах многоэтажных жилых домов, производственных и административных зданий.Порода дерева: Сосна Материал изделия: Дерево Покрытие: Без покрытия Вид изделия: Поручень Установка изделия: На лестницу|На балкон|На стену Длина: 4000 мм Высота: 48 мм Ширина: 60 мм

900 руб.
Москва
ПОРУЧЕНЬ деревянный П-4465.30 длина 3,0 м сечение 44×65 сращенный из сосны

ПОРУЧЕНЬ деревянный П-4465.30 длина 3,0 м сечение 44×65 сращенный из сосны

Предлагаем стандартный деревянный профильный поручень П-4465-30 сечением 44×65 мм и длиной 3,0 м из древесины хвойных пород (сосна) сращенный по длине по ГОСТ 8242 «Детали профильные из древесины и древесных материалов для строительства. Технические условия» для установки на стальные стандартные ограждения лестниц - перила с поручнем из стальной полосы сечением 4×20, 4×25, 4×30 или 4×40 мм. Размеры поручня П-4465-30 * Высота поручня — 44 мм * Ширина поручня — 65 мм * Длина поручня — 3000 мм Стальные лестничные ограждения - перила типов ЛО, МВ, ПВ, ОМВ и ОМН с деревянным поручнем устанавливаются на железобетонные лестничные марши в подъездах многоэтажных жилых домов, производственных и административных зданий.Порода дерева: Сосна Материал изделия: Дерево Покрытие: Без покрытия Вид изделия: Поручень Установка изделия: На лестницу|На балкон|На стену Длина: 3000 мм Высота: 44 мм Ширина: 65 мм

750 руб.
Москва
ПОРУЧЕНЬ пластиковый ПВХ серого цвета — Накладка на стальную полосу полосу 4×35 стальных ограждений лестниц

ПОРУЧЕНЬ пластиковый ПВХ серого цвета — Накладка на стальную полосу полосу 4×35 стальных ограждений лестниц

Предлагаем стандартный пластиковый поручень ПЖО из полужесткого ПВХ серого цвета по ГОСТ 19111 для установки на стальные стандартные лестничные ограждения - перила с поручнем из стальной полосы сечением 4×35 мм. Плоский пластиковый ПВХ поручень ПП-35×4 — накладка на типовые стальные перила Лестничные ПВХ накладки – это высококачественное изделие из поливинилхлорида (ПВХ), используемое во время проведения отделочных работ для установки на металлическое полотно перил. Данные поручни изготовлены по ГОСТ 19111 и представляют из себя планку из полужесткого поливинилхлорида со специальным каналом, который используется для надежного крепления на металлической полосе. Стоимость плоской пластиковой накладки невысока, что позволяет минимизировать затраты на материалы для отделочных работ на объекте Стандартные поручни отличаются долговечностью и высокими потребительскими свойствами, в т.ч. химической стойкостью к щелочам, минеральным маслам, многим кислотам и растворителям Накладка ПП-35×4 легко устанавливается на металлические перила. Для монтажа накладки не требуется специального оборудования – она просто, легко и, что очень важно, быстро натягивается на металлическую полосу лестничного ограждения. Стальные лестничные ограждения - стандартные перила типов ЛО, МВ, ПВ, ОМВ и ОМН с пластиковым ПВХ поручнем устанавливаются на железобетонные лестничные марши в подъездах многоэтажных жилых домов, производственных и административных зданийЦвет: Светло-серый Вид изделия: Поручень Установка изделия: На лестницу Ширина: 35 мм Материал изделия: Поливинилхлорид

59 руб.
Москва
ПЕРИЛА ОЛ-36-1 стальные ограждения лестниц 1.020-1

ПЕРИЛА ОЛ-36-1 стальные ограждения лестниц 1.020-1

Производство стандартных стальных лестничных ограждений — перил марки ОЛ 36-1 по типовой серии 1.020-1 «Конструкции каркаса межвидового применения для многоэтажных общественных и производственных зданий (на основе серии ИИ-04)» (выпуск 8-1 «Металлические ограждения лестниц. Рабочие чертежи»), разработанной ЦНИИЭП торгово-бытовых зданий и туристических комплексов и введенной в действие в 1982 году. Размеры лестничного ограждения ОЛ 36-1 Металлические перила марки ОЛ-36-1 изготавливаются по чертежам 1.020-1.8-1.02: * длина лестничного ограждения ОЛ 36-1 в плане — 3370 мм, * длина поручня — 3768 мм * высота стоек — 1060 мм * количество стоек (с шагом 600 мм) — 6 шт. * высота решетчатого заполнения (с шагом 150 мм) — 710 мм * уклон — 1:2 * угол наклона к горизонту — 26°34' Типовые стальные перила марки ОЛ 36-1 по серии 1.020-1 применяются в стандартных двухмаршевых лестничных клетках. Ограждения ОЛ36-1 разработаны для установки на стандартные железобетонные лестничные марши по ГОСТ 9818 при высоте подъема марша hом = 1800 мм (высота этажа Hэ = 3,6 м) и длине марша lом = 3300 мм): * на железо-бетонные ребристые лестничные марши с двумя полуплощадками с накладными проступями марки ЛМ 57.14.18 по серии 1.020-1 (выпуск 7-1) * на железо-бетонные ребристые лестничные марши с двумя полуплощадками марки ЛМП 57.11.18-5 по ГОСТ 9818Производитель: Собственное производство Материал изделия: Сталь Ст3 Вид изделия: Перила Установка изделия: На лестницу|На ступеньки Длина: 3768 мм Высота: 1060 мм Ширина: 40 мм Покрытие: Грунт ГФ-021 Количество стоек: 5 Цвет: Красно-коричнывый Высота решетчатого заполнения: 710 мм

5 040 руб.
Москва
ПЕРИЛА ОЛ-33-1 стальные ограждения лестниц 1.020-1

ПЕРИЛА ОЛ-33-1 стальные ограждения лестниц 1.020-1

Производство стандартных стальных лестничных ограждений — перил марки ОЛ 33-1 по типовой серии 1.020-1 «Конструкции каркаса межвидового применения для многоэтажных общественных и производственных зданий (на основе серии ИИ-04)» (выпуск 8-1 «Металлические ограждения лестниц. Рабочие чертежи»), разработанной ЦНИИЭП торгово-бытовых зданий и туристических комплексов и введенной в действие в 1982 году. Размеры лестничного ограждения ОЛ 33-1 Металлические перила марки ОЛ-33-1 изготавливаются по чертежам 1.020-1.8-1.03: * длина лестничного ограждения ОЛ 33-1 в плане lом = 3070 мм, * длина поручня — 3432 мм * высота стоек — 1060 мм * количество стоек (с шагом 600 мм) — 5 шт. * высота решетчатого заполнения (с шагом 150 мм) — 710 мм * уклон — 1:2 * угол наклона к горизонту — 26°34' Типовые стальные перила марки ОЛ 33-1 по серии 1.020-1 применяются в стандартных двухмаршевых лестничных клетках. Ограждения ОЛ33-1 разработаны для установки на стандартные железобетонные лестничные марши по ГОСТ 9818 при высоте подъема марша hом = 1650 мм (высота этажа Hэ = 3.3 м) и длине марша lом = 3000 мм): * на железо-бетонные ребристые лестничные марши с двумя полуплощадками с накладными проступями марки ЛМ 57.14.17 по серии 1.020-1 (выпуск 7-1) * на железо-бетонные ребристые лестничные марши с двумя полуплощадками марки ЛМП 57.11.17-5 по ГОСТ 9818Производитель: Собственное производство Материал изделия: Сталь Ст3 Вид изделия: Перила Установка изделия: На лестницу|На ступеньки Длина: 3432 мм Высота: 1060 мм Ширина: 40 мм Покрытие: Грунт ГФ-021 Количество стоек: 5 Цвет: Красно-коричнывый Высота решетчатого заполнения: 710 мм

4 600 руб.
Москва
ПЕРИЛА ОЛ 42-1 стальные ограждения лестниц 1.020-1

ПЕРИЛА ОЛ 42-1 стальные ограждения лестниц 1.020-1

Производство стандартных стальных лестничных ограждений — перил марки ОЛ 42-1 по типовой серии 1.020-1 «Конструкции каркаса межвидового применения для многоэтажных общественных и производственных зданий (на основе серии ИИ-04)» (выпуск 8-1 «Металлические ограждения лестниц. Рабочие чертежи»), разработанной ЦНИИЭП торгово-бытовых зданий и туристических комплексов и введенной в действие в 1982 году. Размеры лестничного ограждения ОЛ 42-1 Металлические перила марки ОЛ 42-1 изготавливаются по чертежам 1.020-1.8-1.01: * длина лестничного ограждения ОЛ 42-1 в плане — 2850 мм, * длина поручня — 3145 мм, * высота стоек — 1060 мм, * высота решетчатого заполнения (с шагом 150 мм) — 710 мм, * количество стоек (с шагом 600 мм) — 5, * уклон — 7:15, * угол наклона к горизонту — 25°01'. Типовые стальные перила марки ОЛ 42-1 по серии 1.020-1 применяются в стандартных трехмаршевых лестничных клетках. Ограждения ОЛ42-1 разработаны для установки на стандартные железобетонные лестничные марши по ГОСТ 9818 при высоте подъема марша hом = 1400 мм (высота этажа Hэ = 2.8 м или 4,2 м) и длине марша lом = 2700 мм: * на железо-бетонные ребристые лестничные марши с двумя полуплощадками с накладными проступями марки ЛМ 57.14.14 по серии 1.020-1 (выпуск 7-1) * на железо-бетонные ребристые лестничные марши с двумя полуплощадками марки ЛМП 57.11.14-5 по ГОСТ 9818Производитель: Собственное производство Материал изделия: Сталь Ст3 Вид изделия: Перила Установка изделия: На лестницу|На ступеньки Длина: 3145 мм Высота: 1060 мм Ширина: 40 мм Покрытие: Грунт ГФ-021 Количество стоек: 5 Цвет: Красно-коричнывый Высота решетчатого заполнения: 710 мм

4 340 руб.
Москва
ПЕРИЛА ЛО-14 ограждения лестниц серии 1.050.9-4.93

ПЕРИЛА ЛО-14 ограждения лестниц серии 1.050.9-4.93

Производство стандартных стальных лестничных ограждений — перил марки ЛО-14 по типовой серии 1.050.9-4.93 «Лестницы для многоэтажных общественных, административных и бытовых зданий и производственных зданий промышленных предприятий» (выпуск 3 «Стальные изделия»), разработанной ЦНИИпромзданий и введенной в действие в 1995 году (взамен серии 1.450-1 выпуск 2, действовавшей с 1973 по 1995 год). Размеры лестничного ограждения ЛО 14 Металлические перила марки ЛО 14 изготавливаются по чертежам 1.050.9-4.93.3-103: * Длина лестничного ограждения ЛО14 в плане lом = 3000 мм * длина поручня — 3354 мм * высота стоек — 980 мм * количество стоек (с шагом 600 и 900 мм) — 5 шт. * высота решетчатого заполнения (с шагом 150 мм) — 680 мм * уклон — 1:2 * угол наклона к горизонту — 26°34' Типовые стальные перила марки ЛО14 по серии 1.050.9-4.93.3, применяются в стандартных двухмаршевых лестничных клетках марок ЛК-33-15-2, ЛК-33-17-2, ЛК-33/42-15-2/3 и ЛК-33/42-17-2/3 и в трехмаршевых лестничных клетках (с лифтами) марок ЛКЛ-33/42-15-2/3 и ЛКЛ-33/42-17-2/3 по серии 1.050.9-4.93.0-1. Они устанавливаются на стандартные лестницы из накладных бетонных лестничных ступеней типа ЛС, ЛСВ, ЛСН и ЛСП по ГОСТ 8717, уложенных по стальным косоурам марки ЛК-11 по серии 1.050.9-4.93.3. Ограждения лестниц ЛО14 также могут устанавливаться на другие стандартные железобетонные лестничные марши по ГОСТ 9818 при высоте подъема марша hом = 1650 мм (высота этажа Hэ = 3,3 м): * ЛМП 57.11.17-5, ЛМП 60.11.17-5, ЛМП 57.11.17-5-3 и ЛМП 60.11.17-5-3 с накладными бетонными проступями типа 1ЛН и 2ЛН по серии 1.050.9-4.93 (выпуск 1), либо серии 1.050.1-3 (выпуск 1), действовавшей с 1991 по 1994 год и серии 1.050.1-2 (выпуск 1), действовавшей с 1984 по 1991 год; * ребристые лестничные марши марки ЛМ 165-115 по серии 1.150-КР-1 (выпуск 1); * лестничные марши ребристой конструкции с фризовыми ступенями марок 2ЛМФ 39.12.17-5, 2ЛМФ 39.14.17-5 и 2ЛМФ 39.15.17-5 с накладными проступями типа 1ЛН и 2ЛН по серии 1.251-4 (выпуск 1); * лестничные марши ребристой конструкции с фризовыми ступенями марок ЛМ-17.12, ЛМ-17.13 и ЛМ-17.15 с накладными проступями типа ЛН по серии 1.251-3 (выпуск 1), действовавшей с 1977 по 1984 год; * лестничные марши ребристой конструкции с фризовыми ступенями марок ЛМ 33.12, ЛМ 33.14 и ЛМ 33.15 с накладными проступями типа ЛН по серии 1.250-1 (выпуск 1), действовавшей с 1971 по 1977 год. * лестничные марш-площадки однокосоурные ребристой конструкции марки ЛМР 58.12.17-5Т, ЛМР 58.14.17-5Т и ЛМР 70.14.17-5Т по серии 1.258 КЛ-2 (выпуск 1-1); * лестничные марши с накладными мозаичными ступенями марки ЛМ 33-14 по серии ИИ-03-02 (альбом 30А) Крепление ограждений лестниц Монтаж типовых стальных ограждений лестниц к железобетонным лестничным маршам и ступеням лестничных клеток жилых зданий выполняется по рабочим чертежам серий 1.450-1 (выпуск 0) и 2.150-1 (выпуск 1). При креплении ограждений сверху ступеней на расстоянии 140 мм от края сверлятся отверстия под стойки ограждения, в которые вставляются эти стойки, после чего отверстия бетонируются. При креплении ограждений с торца, стойки ограждений лестничных маршей привариваются к закладным деталям, предусмотренным в железобетонных лестничных маршах или накладных ступенях, сварным швом длиной 100..120 мм. Между собой лестничные ограждения связываются путем сварки с использованием металлических монтажных деталейПроизводитель: Собственное производство Вид изделия: Перила Установка изделия: На лестницу|На ступеньки Длина: 3354 мм Высота: 980 мм Ширина: 40 мм Цвет: Красно-коричнывый Материал изделия: Сталь Ст3 Покрытие: Грунт ГФ-021 Количество стоек: 5

3 970 руб.
Москва
Перила ЛО-1 Стальные ограждения лестниц серии 1.450-1

Перила ЛО-1 Стальные ограждения лестниц серии 1.450-1

Производство стандартных стальных лестничных ограждений - перил марки ЛО 1 по типовой серии 1.450-1 «Лестницы из сборных железобетонных ступеней по стальным косоурам для многоэтажных производственных зданий промышленных предприятий» (выпуск 2 «Стальные изделия. Рабочие чертежи»), разработанной ЦНИИпромзданий и введенной в действие в 1973 году Размеры лестничного ограждения ЛО-1 Металлические ограждения лестничных маршей марки ЛО 1 изготавливаются по чертежам 1.450-1.2-9: * длина лестничного ограждения ЛО1 в плане — 2100 мм * длина поручня — 2348 мм * высота стоек — 980 мм * высота решетчатого заполнения — 680 мм * количество стоек — 4 шт. * уклон — 1:2 * угол наклона к горизонту — 26°34' Типовые стальные перила марки ЛО 1 по серии 1.450-1.2 применяются в стандартных двухмаршевых лестничных клетках марок ЛК-36/48-15-2/3, ЛК-36/48-17-2/3, ЛК-60/72-15-4/5 и ЛК-60/72-17-4/5, а также в трехмаршевых лестничных клетках с лифтами марок ЛКЛ-36-15-3, ЛКЛ-36-17-3, ЛКЛ-72-15-6 и ЛКЛ-72-17-6 по серии 1.450-1.0. Ограждения ЛО1 устанавливаются на стандартные железобетонные лестницы многоэтажных зданий при высоте подъема марша hом = 1200 мм: на лестницы из накладных бетонных лестничных ступеней типа ЛС, ЛСВ, ЛСН и ЛСП по стальным косоурам марок ЛК-2, ЛК-3, ЛК-14 или ЛК-15 по серии 1.450-1.2 Крепление лестничных ограждений Монтаж типовых стальных ограждений лестниц к железобетонным лестничным маршам и ступеням лестничных клеток жилых зданий выполняется по рабочим чертежам серии 1.450-1 (выпуск 0) или серии 2.150-1 (выпуск 1). При креплении ограждений сверху ступеней на расстоянии 140 мм от края сверлятся отверстия под стойки ограждения, в которые вставляются эти стойки, после чего отверстия бетонируются. При креплении ограждений с торца, стойки ограждений лестничных маршей привариваются к закладным деталям, предусмотренным в железобетонных лестничных маршах или накладных ступенях, сварным швом длиной 100...120 мм. Между собой лестничные ограждения связываются путем сварки с использованием металлических монтажных деталейПроизводитель: Собственное производство Вид изделия: Перила Установка изделия: На лестницу|На ступеньки Длина: 2348 мм Высота: 980 мм Ширина: 40 мм Покрытие: Грунт ГФ-021 Материал изделия: Сталь Ст3 Количество стоек: 4 Цвет: Красно-коричнывый

3 260 руб.
Москва
Перила ЛО-13 Стальные ограждения лестниц серии 1.450-1

Перила ЛО-13 Стальные ограждения лестниц серии 1.450-1

Производство стандаартных стальных лестничных ограждений — перил марки ЛО 13 по типовой серии 1.450-1 «Лестницы из сборных железобетонных ступеней по стальным косоурам для многоэтажных производственных зданий промышленных предприятий» (выпуск 2 «Стальные изделия. Рабочие чертежи»), разработанной ЦНИИпромзданий и введенной в действие в 1973 году Размеры лестничного ограждения ЛО-13 Металлические ограждения лестничных маршей марки ЛО 13 изготавливаются по типовым чертежам 1.450-1.2-9: * длина лестничного ограждения ЛО 13 в плане — 2700 мм * длина поручня — 3019 мм * высота стоек — 980 мм * количество стоек (с шагом 600 мм) — 5 шт. * высота решетчатого заполнения (с шагом 150 мм) — 680 мм * уклон — 1:2 * угол наклона к горизонту — 26°34' Типовые стальные перила марки ЛО 13 по серии 1.450-1.2 применяются в стандартных двухмаршевых лестничных клетках марок ЛК-60-15-4, ЛК-60-17-4, ЛК-60/72-15-4/5 и ЛК-60/72-17-4/5, а также в трехмаршевых лестничных клетках с лифтами марок ЛКЛ-42-15-3, ЛКЛ-42-17-3, ЛКЛ-48/60-15-3/4, ЛКЛ-48/60-17-3/4, ЛКЛ-60/72-15-4/5 и ЛКЛ-60/72-17-4/5 по серии 1.450-1.0. Ограждения лестниц ЛО13 устанавливаются на стандартные железобетонные лестницы многоэтажных зданий при высоте подъема марша hом = 1500 мм: на лестницы из накладных бетонных лестничных ступеней типа ЛС, ЛСВ, ЛСН и ЛСП по ГОСТ 8717, уложенных по стальным косоурам марок ЛК-5, ЛК-10 и ЛК-23 по серии 1.450-1.2 Крепление лестничных ограждений Монтаж типовых стальных ограждений лестниц к железобетонным лестничным маршам и ступеням лестничных клеток жилых зданий выполняется по рабочим чертежам серии 1.450-1 (выпуск 0) или серии 2.150-1 (выпуск 1). При креплении ограждений сверху ступеней на расстоянии 140 мм от края сверлятся отверстия под стойки ограждения, в которые вставляются эти стойки, после чего отверстия бетонируются. При креплении ограждений с торца, стойки ограждений лестничных маршей привариваются к закладным деталям, предусмотренным в железобетонных лестничных маршах или накладных ступенях, сварным швом длиной 100...120 мм. Между собой лестничные ограждения связываются путем сварки с использованием металлических монтажных деталейПроизводитель: Собственное производство Вид изделия: Перила Установка изделия: На лестницу|На ступеньки Длина: 3019 мм Высота: 980 мм Ширина: 40 мм Покрытие: Грунт ГФ-021 Материал изделия: Сталь Ст3 Количество стоек: 5 Цвет: Красно-коричнывый

3 880 руб.
Москва
Перила ЛО-12 Стальные ограждения лестниц серии 1.450-1

Перила ЛО-12 Стальные ограждения лестниц серии 1.450-1

Производство стандартных стальных лестничных ограждений — перил марки ЛО 12 по типовой серии 1.450-1 «Лестницы из сборных железобетонных ступеней по стальным косоурам для многоэтажных производственных зданий промышленных предприятий» (выпуск 2 «Стальные изделия. Рабочие чертежи»), разработанной ЦНИИпромзданий и введенной в действие в 1973 году Размеры лестничного ограждения ЛО-12 Металлические ограждения лестничных маршей марки ЛО 12 изготавливаются по типовым чертежам 1.450-1.2-11: * длина лестничного ограждения ЛО 12 в плане — 2400 мм * длина поручня — 2683 мм * высота стоек — 980 мм * количество стоек (с шагом 600 и 900 мм) — 4 шт. * высота решетчатого заполнения (с шагом 150 мм) — 680 мм * уклон — 1:2 * угол наклона к горизонту — 26°34' Типовые стальные перила марки ЛО 12 по серии 1.450-1.2 применяются в стандартных двухмаршевых лестничных клетках марок ЛК-54-15-4 и ЛК-54-17-4, а также в трехмаршевых лестничных клетках (с лифтами) марок ЛКЛ-33/42-15-2/3 и , ЛКЛ-33/42-17-2/3 по серии 1.450-1.0. Ограждения лестниц ЛО12 устанавливаются на стандартные железобетонные лестницы многоэтажных зданий при высоте подъема марша hом = 1350 мм: на лестницы из накладных бетонных лестничных ступеней типа ЛС, ЛСВ, ЛСН и ЛСП по ГОСТ 8717, уложенных по стальным косоурам марок ЛК-4, ЛК-9 и ЛК-22 по серии 1.450-1.2 Крепление лестничных ограждений Монтаж типовых стальных ограждений лестниц к железобетонным лестничным маршам и ступеням лестничных клеток жилых зданий выполняется по рабочим чертежам серии 1.450-1 (выпуск 0) или серии 2.150-1 (выпуск 1). При креплении ограждений сверху ступеней на расстоянии 140 мм от края сверлятся отверстия под стойки ограждения, в которые вставляются эти стойки, после чего отверстия бетонируются. При креплении ограждений с торца, стойки ограждений лестничных маршей привариваются к закладным деталям, предусмотренным в железобетонных лестничных маршах или накладных ступенях, сварным швом длиной 100...120 мм. Между собой лестничные ограждения связываются путем сварки с использованием металлических монтажных деталейПроизводитель: Собственное производство Вид изделия: Перила Установка изделия: На лестницу|На ступеньки Длина: 2683 мм Высота: 980 мм Ширина: 40 мм Покрытие: Грунт ГФ-021 Материал изделия: Сталь Ст3 Количество стоек: 4 Цвет: Красно-коричнывый

3 500 руб.
Москва
Перила ЛО-11 Стальные ограждения лестниц серии 1.450-1

Перила ЛО-11 Стальные ограждения лестниц серии 1.450-1

Производство стандартных стальных лестничных ограждений - перил марки ЛО 11 по типовой серии 1.450-1 «Лестницы из сборных железобетонных ступеней по стальным косоурам для многоэтажных производственных зданий промышленных предприятий» (выпуск 2 «Стальные изделия. Рабочие чертежи»), разработанной ЦНИИпромзданий и введенной в действие в 1973 году Размеры лестничных ограждений ЛО-11 Металлические перила марки ЛО 11 изготавливаются по чертежам 1.450-1.2-10: * длина лестничного ограждения ЛО 11 в плане — 1500 мм, * длина поручня — 1677 мм, * высота стоек — 980 мм, * высота решетчатого заполнения (с шагом 150 мм) — 680 мм, * количество стоек (с шагом 600 мм) — 3, * уклон — 1:2, * угол наклона к горизонту — 26°34' Типовые стальные перила марки ЛО 11 по серии 1.050.9-4.93.3 применяются в стандартных двухмаршевых лестничных клетках марок ЛК-33/42-15-2/3, ЛК-33/42-17-2/3 по серии 1.450-1.0 Ограждения лестниц ЛО 11 устанавливаются на стандартные железобетонные лестницы многоэтажных зданий при высоте подъема марша hом = 900 мм: на лестницы из накладных бетонных лестничных ступеней типов ЛС, ЛСВ, ЛСН и ЛСП по ГОСТ 8717 по стальным косоурам марок ЛК-1 по серии 1.450-1.2 Крепление лестничных ограждений Крепление типовых стальных ограждений лестниц к железобетонным лестничным маршам и ступеням лестничных клеток жилых зданий выполняется по рабочим чертежам серии 2.150-1 (выпуск 1). При креплении ограждений сверху ступеней на расстоянии 140 мм от края сверлятся отверстия под стойки ограждения, в которые вставляются эти стойки, после чего отверстия бетонируются. При креплении ограждений с торца, стойки ограждений лестничных маршей привариваются к закладным деталям, предусмотренным в железобетонных лестничных маршах или накладных ступенях, сварным швом длиной 100 мм. Между собой лестничные ограждения связываются путем сварки с использованием металлических монтажных деталейПроизводитель: Собственное производство Вид изделия: Перила Установка изделия: На лестницу|На ступеньки Длина: 1677 мм Высота: 980 мм Ширина: 40 мм Покрытие: Грунт ГФ-021 Материал изделия: Сталь Ст3 Количество стоек: 3 Цвет: Красно-коричнывый

2 640 руб.
Москва
Перила ОМ 17-1 Стальные ограждения лестниц 1.050.1-3

Перила ОМ 17-1 Стальные ограждения лестниц 1.050.1-3

Производство стандартных стальных лестничных ограждений - перил марки ОМ 17-1 по типовой серии 1.050.1-3 «Сборные железобетонные марши, площадки и проступи для многоэтажных общественных, административных и бытовых зданий и производственных зданий промышленных предприятий» (выпуск 2 «Ограждения лестниц. Рабочие чертежи»), разработанной ТбилЗНИИЭП и введенной в действие в 1991 году (взамен серий 1.050.1-2 вып.2). Размеры перильного лестничного ограждения ОМ 17-1 Металлические ограждения лестничных маршей марки ОМ 17-1 изготавливаются по типовым чертежам 1.050.1-3.2-4: * длина лестничного ограждения ОМ 17-1 в плане — 3070 мм * длина поручня — 3432 мм * высота стоек — 1060 мм * количество стоек (с шагом 600 мм) — 5 шт. * высота решетчатого заполнения (с шагом 150 мм) — 710 мм * уклон — 1:2 * угол наклона к горизонту — 26°34' Типовые стальные перила марки ОМ 17-1 по серии 1.050.1-3.2 применяются в стандартных двухмаршевых лестничных клетках марок ЛК-33-15-2, ЛК-33-17-2, ЛК-33/42-15-2/3 и ЛК-33/42-17-2/3 и в трехмаршевых лестничных клетках с лифтами марок ЛКЛ-33/42-15-2/3 и ЛКЛ-33/42-17-2/3. Ограждения ОМ17-1 предназначены для установки на стандартные железобетонные ребристые лестничные марши с полуплощадкой типа ЛМП при высоте подъема марша hом = 1650 мм (высота этажа Hэ = 3,3 м) и длине марша lом = 3000 мм следующих марок: * ЛМП 57.11.17-5, ЛМП 60.11.17-5, ЛМП 57.11.17-5-3 и ЛМП 60.11.17-5-3 с накладными бетонными проступями типа 1ЛН и 2ЛН по серии 1.050.9-4.93 (выпуск 1), либо серии 1.050.1-3 (выпуск 1), действовавшей с 1991 по 1994 год и серии 1.050.1-2 (выпуск 1), действовавшей с 1984 по 1991 год. Ограждения ОМ 17-1 также могут устанавливаться на другие стандартные железобетонные лестничные марши по ГОСТ 9818 при высоте подъема марша hом = 1650 мм (высота этажа Hэ = 3.3 м) и длине марша lом = 3000 мм следующих марок: * лестницы из накладных лестничных ступеней типа ЛС, ЛСВ, ЛСН и ЛСП по стальным косоурам марки ЛК 11 по серии 1.050.9-4.93 (выпуск 3); * ребристые лестничные марши марки ЛМ 165-115 по серии 1.150-КР-1 (выпуск 1); * лестничные марши ребристой конструкции с фризовыми ступенями марок 2ЛМФ 39.12.17-5, 2ЛМФ 39.14.17-5 и 2ЛМФ 39.15.17-5 с накладными проступями типа 1ЛН и 2ЛН по серии 1.251-4 (выпуск 1); * лестничные марши ребристой конструкции с фризовыми ступенями марок ЛМ-17.12, ЛМ-17.13 и ЛМ-17.15 с накладными проступями типа ЛН по серии 1.251-3 (выпуск 1), действовавшей с 1977 по 1984 год; * лестничные марши ребристой конструкции с фризовыми ступенями марок ЛМ 33.12, ЛМ 33.14 и ЛМ 33.15 с накладными проступями типа ЛН по серии 1.250-1 (выпуск 1), действовавшей с 1971 по 1977 год. * лестничные марш-площадки однокосоурные ребристой конструкции марки ЛМР 58.12.17-5Т, ЛМР 58.14.17-5Т и ЛМР 70.14.17-5Т по серии 1.258 КЛ-2 (выпуск 1-1); * лестничные марши с накладными мозаичными ступенями марки ЛМ 33-14 по серии ИИ-03-02 (альбом 30А).Крепление лестничных ограждений Крепление типовых стальных ограждений лестниц к железобетонным лестничным маршам и ступеням лестничных клеток жилых зданий выполняется по рабочим чертежам серии 2.150-1 (выпуск 1). При креплении ограждений сверху ступеней на расстоянии 140 мм от края сверлятся отверстия под стойки ограждения, в которые вставляются эти стойки, после чего отверстия бетонируются. При креплении ограждений с торца, стойки ограждений лестничных маршей привариваются к закладным деталям, предусмотренным в железобетонных лестничных маршах или накладных ступенях, сварным швом длиной 100 мм. Между собой лестничные ограждения связываются путем сварки с использованием металлических монтажных деталейПроизводитель: Собственное производство Вид изделия: Перила Установка изделия: На лестницу|На ступеньки Длина: 3432 мм Высота: 1060 мм Ширина: 40 мм Покрытие: Грунт ГФ-021 Материал изделия: Сталь Ст3 Количество стоек: 5 Цвет: Красно-коричнывый

4 600 руб.
Москва
Перила ОМ 18-1 Стальные ограждения лестниц 1.050.1-3

Перила ОМ 18-1 Стальные ограждения лестниц 1.050.1-3

Производство стандартных стальных лестничных ограждений - перил марки ОМ 18-1 по типовой серии 1.050.1-3 «Сборные железобетонные марши, площадки и проступи для многоэтажных общественных, административных и бытовых зданий и производственных зданий промышленных предприятий» (выпуск 2 «Ограждения лестниц. Рабочие чертежи»), разработанной ТбилЗНИИЭП и введенной в действие в 1991 году (взамен серий 1.050.1-2 вып.2). Размеры перильного лестничного ограждения ОМ 18-1 Металлические перила марки ОМ 18-1 изготавливаются по чертежам 1.050.1-3.2-1: * длина лестничного ограждения ОМ 18-1 в плане — 3370 мм * длина поручня — 3768 мм * высота стоек — 1060 мм * высота решетчатого заполнения (с шагом 150 мм) — 710 мм * количество стоек (с шагом 600 мм) — 6 шт. * уклон — 1:2 * угол наклона к горизонту — 26°34' Типовые стальные перила марки ОМ 18-1 по серии 1.050.1-3.2 применяются в стандартных двухмаршевых лестничных клетках марок ЛК-36-15-2, ЛК-36-17-2, ЛК-72-15-4, ЛК-72-17-4, ЛК-36/48-15-2/3, ЛК-36/48-17-2/3 и в трехмаршевых лестничных клетках с лифтами марок ЛКЛ-48-15-3, ЛКЛ-48-17-3, ЛКЛ-48/60-15-3/4, ЛКЛ-48/60-17-3/4. Ограждения ОМ18-1 могут устанавливаться на стандартные железобетонные лестничные марши по ГОСТ 9818 при высоте подъема марша hом = 1800 мм (высота этажа Hэ = 3,6 м): * железо-бетонные ребристые лестничные марши с полуплощадкой марки ЛМП 57.11.18-5, ЛМП 60.11.18-5, ЛМП 57.11.18-5-3 и ЛМП 60.11.18-5-3 с накладными бетонными проступями типа 1ЛН и 2ЛН по серии 1.050.9-4.93 (выпуск 1); * лестницы из накладных бетонных лестничных ступеней типа ЛС, ЛСВ, ЛСН и ЛСП по стальным косоурам марки ЛК 7 и ЛК 12 по серии 1.050.9-4.93 (выпуск 3); * железобетонные ребристые лестничные марши марки ЛМ 180-115 по серии 1.150-КР-1 (выпуск 1); * железобетонные лестничные марши ребристой конструкции с фризовыми ступенями марок 2ЛМФ 39.12.18-5, 2ЛМФ 39.14.18-5 и 2ЛМФ 39.15.18-5 с накладными проступями типа 1ЛН и 2ЛН по серии 1.251.1-4 (выпуск 1); * железобетонные лестничные марши ребристой конструкции с фризовыми ступенями марок ЛМ-18.12, ЛМ-18.13 и ЛМ-18.15 с накладными проступями типа ЛН по серии 1.251-3 (выпуск 1), действовавшей с 1977 по 1984 год; * железобетонные лестничные марши ребристой конструкции с фризовыми ступенями марок ЛМ 36.12, ЛМ 36.14 и ЛМ 36.15 с накладными проступями типа ЛН по серии 1.250-1 (выпуск 2), действовавшей с 1971 по 1977 год; * железобетонные лестничные марш-площадки однокосоурные ребристой конструкции марки ЛМР 58.12.18-5Т и ЛМР 70.12.18-5Т посерии 1.258 КЛ-2 (выпуск 1-1).Крепление лестничных ограждений Крепление типовых стальных ограждений лестниц к железобетонным лестничным маршам и ступеням лестничных клеток жилых зданий выполняется по рабочим чертежам серии 2.150-1 (выпуск 1). При креплении ограждений сверху ступеней на расстоянии 140 мм от края сверлятся отверстия под стойки ограждения, в которые вставляются эти стойки, после чего отверстия бетонируются. При креплении ограждений с торца, стойки ограждений лестничных маршей привариваются к закладным деталям, предусмотренным в железобетонных лестничных маршах или накладных ступенях, сварным швом длиной 100 мм. Между собой лестничные ограждения связываются путем сварки с использованием металлических монтажных деталейПроизводитель: Собственное производство Материал изделия: Сталь Ст3 Вид изделия: Перила Установка изделия: На лестницу|На ступеньки Длина: 3768 мм Высота: 1060 мм Ширина: 40 мм Покрытие: Грунт ГФ-021 Количество стоек: 6 Цвет: Красно-коричнывый Высота решетчатого заполнения: 710 мм

5 040 руб.
Москва
ПЕРИЛА ОМ15-1 стальные лестничные ограждения бетонных лестниц серии 1.050.1-2

ПЕРИЛА ОМ15-1 стальные лестничные ограждения бетонных лестниц серии 1.050.1-2

Производствео стандартных стальных лестничных ограждений — перил марки ОМ 15-1 по типовой серии 1.050.1-2 (выпуск 2 «Сборные железобетонные марши, площадки и проступи для многоэтажных общественных зданий, производственных и вспомогательных зданий промышленных предприятий. Ограждения лестниц. Рабочие чертежи»), разработанной ТбилЗНИИЭП и введенной в действие в 1984 году. Размеры лестничного ограждения ОМ 15-1 Металлические перила марки ОМ 15-1 изготавливаются по чертежам 1.050.1-2.2-01: * длина лестничного ограждения ОМ 15-1 в плане lом = 2770 мм, * длина поручня — 3097 мм, * высота стоек — 1060 мм, * высота решетчатого заполнения (с шагом 150 мм) — 710 мм, * количество стоек (с шагом 600 мм) — 5, * уклон — 1:2, * угол наклона к горизонту — 26°34'. Типовые стальные перила марки ОМ 15-1 по серии 1.050.1-2.2 применяются в стандартных двухмаршевых лестничных клетках марок ЛК-60-15-4, ЛК-60-17-4, ЛК-60/72-15-4/5 и ЛК-60/72-17-4/5, а также в трехмаршевых лестничных клетках с лифтами марок ЛКЛ-42-15-3, ЛКЛ-42-17-3, ЛКЛ-48/60-15-3/4, ЛКЛ-48/60-17-3/4, ЛКЛ-60/72-15-4/5 и ЛКЛ-60/72-17-4/5. Ограждения ОМ15-1 могут устанавливаться на стандартные железобетонные лестничные марши по ГОСТ 9818 при высоте подъема марша hом = 1500 мм (высота этажа hэ = 3 м): * железо-бетонные ребристые лестничные марши с полуплощадкой марки ЛМП 57.11.15-5, ЛМП 60.11.15-5, ЛМП 57.11.15-5-3 и ЛМП 60.11.15-5-3 с накладными бетонными проступями типа 1ЛН и 2ЛН по серии 1.050.9-4.93 (выпуск 1); * лестницы из накладных лестничных ступеней типа ЛС, ЛСВ, ЛСН и ЛСП по стальным косоурам марок ЛК 5, ЛК 10 и ЛК 23 по серии 1.050.9-4.93 (выпуск 3); * железобетонные плоские лестничные марши марки ЛМ 30.11.15-4 и ЛМ 30.12.15-4 по серии 1.151.1-7 (выпуск 1); * железобетонные ребристые лестничные марши марки ЛМ 150-115 по серии 1.150-КР-1 (выпуск 1).Производитель: Собственное производство Вид изделия: Перила Установка изделия: На лестницу|На ступеньки Длина: 3097 мм Высота: 1060 мм Ширина: 40 мм Цвет: Красно-коричнывый Материал изделия: Сталь Ст3 Покрытие: Грунт ГФ-021 Количество стоек: 5

3 960 руб.
Москва
Перила ОМ15-1 серии 1.050.9-4.93 ограждения лестниц

Перила ОМ15-1 серии 1.050.9-4.93 ограждения лестниц

Производство стандартных стальных лестничных ограждений — ПЕРИЛ марки ОМ 15-1 по типовой серии 1.050.9-4.93 «Лестницы для многоэтажных общественных, административных и бытовых зданий и производственных зданий промышленных предприятий» (выпуск 3 «Стальные изделия»), разработанной ЦНИИпромзданий и введенной в действие в 1995 году (взамен серий 1.050.1-2 вып.2 и 1.050.1-3 вып.2). Размеры перильного лестничного ограждения ОМ 15-1 Металлические ограждения марки ОМ 15-1 железобетонных лестничных маршей изготавливаются по типовым чертежам 1.050.9-4.93.3-38: * длина лестничного ограждения ОМ15 в плане lом = 2770 мм * длина поручня — 3097 мм * высота стоек — 1060 мм * количество стоек (с шагом 600 мм) — 5 шт. * высота решетчатого заполнения (с шагом 150 мм) — 710 мм * уклон — 1:2 * угол наклона к горизонту — 26°34' Типовые стальные перила марки ОМ 15-1 по серии 1.050.9-4.93 применяются в стандартных двухмаршевых лестничных клетках марок ЛК-60-15-4, ЛК-60-17-4, ЛК-60/72-15-4/5 и ЛК-60/72-17-4/5, а также в трехмаршевых лестничных клетках с лифтами марок ЛКЛ-42-15-3, ЛКЛ-42-17-3, ЛКЛ-48/60-15-3/4, ЛКЛ-48/60-17-3/4, ЛКЛ-60/72-15-4/5 и ЛКЛ-60/72-17-4/5. Ограждения ОМ15-1 могут устанавливаться на стандартные железобетонные лестничные марши по ГОСТ 9818 при высоте подъема марша hом = 1500 мм (высота этажа hэ = 3 м): * железо-бетонные ребристые лестничные марши с полуплощадкой марки ЛМП 57.11.15-5, ЛМП 60.11.15-5, ЛМП 57.11.15-5-3 и ЛМП 60.11.15-5-3 с накладными бетонными проступями типа 1ЛН и 2ЛН по серии 1.050.9-4.93 (выпуск 1); * лестницы из накладных лестничных ступеней типа ЛС, ЛСВ, ЛСН и ЛСП по стальным косоурам марок ЛК 5, ЛК 10 и ЛК 23 по серии 1.050.9-4.93 (выпуск 3); * железобетонные плоские лестничные марши марки ЛМ 30.11.15-4 и ЛМ 30.12.15-4 по серии 1.151.1-7 (выпуск 1); * железобетонные ребристые лестничные марши марки ЛМ 150-115 по серии 1.150-КР-1 (выпуск 1).Крепление ограждений бетонных лестниц Крепление типовых стальных ограждений лестниц к железобетонным лестничным маршам и ступеням лестничных клеток жилых зданий выполняется по рабочим чертежам серии 2.150-1 (выпуск 1). При креплении ограждений сверху ступеней на расстоянии 140 мм от края сверлятся отверстия под стойки ограждения, в которые вставляются эти стойки, после чего отверстия бетонируются. При креплении ограждений с торца, стойки ограждений лестничных маршей привариваются к закладным деталям, предусмотренным в железобетонных лестничных маршах или накладных ступенях, сварным швом длиной 100 мм. Между собой лестничные ограждения связываются путем сварки с использованием металлических монтажных деталейПроизводитель: Собственное производство Вид изделия: Перила Установка изделия: На лестницу|На ступеньки Длина: 3097 мм Высота: 1060 мм Ширина: 40 мм Цвет: Красно-коричнывый Материал изделия: Сталь Ст3 Покрытие: Грунт ГФ-021 Количество стоек: 5

4 340 руб.
Москва
Перила ОМ11-1 серии 1.050.9-4.93 Ограждения лестниц

Перила ОМ11-1 серии 1.050.9-4.93 Ограждения лестниц

Производство стандартных стальных лестничных ограждений — ПЕРИЛ марки ОМ 11-1 по типовой серии 1.050.9-4.93 «Лестницы для многоэтажных общественных, административных и бытовых зданий и производственных зданий промышленных предприятий» (выпуск 3 «Стальные изделия»), разработанной ЦНИИпромзданий и введенной в действие в 1995 году (взамен серий 1.050.1-2 вып.2 и 1.050.1-3 вып.2). Размеры перильного лестничного ограждения ОМ 11-1 Металлические ограждения лестничных маршей марки ОМ 11-1 изготавливаются по чертежам 1.050.9-4.93.3-49: * длина лестничного ограждения ОМ11-1 в плане lом = 1870 мм * длина поручня — 2091 мм * высота стоек — 1060 мм * количество стоек (с шагом 600 мм) — 3 шт. * высота решетчатого заполнения (с шагом 150 мм) — 710 мм * уклон — 1:2 * угол наклона к горизонту — 26°34' Типовые стальные перила марки ОМ 11-1 по серии 1.050.9-4.93 применяются в стандартных двухмаршевых и трехмаршевых лестничных клетках общественных, административных и производственных зданий. Перильные ограждения ОМ11-1 устанавливаются на лестницы из отдельных ступеней при высоте подъема марша hом = 1050 мм (лестница на 7 ступеней): * лестницы из накладных бетонных лестничных ступеней типа ЛС, ЛСВ, ЛСН, ЛСС и ЛСП по ГОСТ 8717.0-84 и ГОСТ 8717.1-84.Крепление лестничных ограждений Крепление типовых стальных перил к железобетонным лестничным маршам и ступеням лестничных клеток жилых зданий выполняется по рабочим чертежам серии 2.250-1 «Детали лестниц общественных зданий» (выпуски 1 и 3 «Лестницы каркасно-панельных зданий»). Монтаж металлических ограждений лестниц должен осуществляться до укладки накладных проступей. При креплении ограждений сверху ступеней на расстоянии 140 мм от края сверлятся отверстия под стойки ограждения, в которые вставляются эти стойки, после чего отверстия бетонируются. При креплении ограждений с торца, стойки ограждений лестничных маршей привариваются к закладным деталям, предусмотренным в железобетонных лестничных маршах или накладных ступенях, тавровым сварным швом Т1 по ГОСТ 5264 (ручная дуговая сварка) длиной 80..100 мм электродами Э42А. Между собой лестничные ограждения связываются путем сварки с использованием металлических монтажных деталейПроизводитель: Собственное производство Вид изделия: Перила Установка изделия: На лестницу|На ступеньки Длина: 2091 мм Высота: 1060 мм Ширина: 40 мм Цвет: Красно-коричнывый Материал изделия: Сталь Ст3 Покрытие: Грунт ГФ-021 Количество стоек: 3

3 200 руб.
Москва
ОГП 11 Перильное ограждение площадок лестничных сходов 3.503.1-96

ОГП 11 Перильное ограждение площадок лестничных сходов 3.503.1-96

Осуществляем поставку в любой регион России, Белоруссии и Казахстана стальных сварных ограждений лестничных сходов марки ОГП 11 по типовой серии 3.503.1-96 «Сопряжения автодорожных мостов и путепроводов с насыпью» (выпуск 2-2 «Лестничные сходы. Металлические ограждения. Рабочие чертежи»),устанавливаемых на железобетонные лестницы автодорожных мостов и путепроводов. Размеры перильного ограждения ОГП-11п/л * Высота лестничного ограждения Hог = 1200 мм * Длина ограждения Lог = 1100 мм * Длина поручня — 1100 мм * Вес (масса) ограждения — 18,02 кгКонструкция ограждения ОГП-11л/п Стойки из стального горячекатаного квадрата 22х22 по ГОСТ 2591 * Высота стоек — 1200 мм * Количество стоек — 2 шт. * Шаг между стойками — 750 мм Поручень из стального горячекатаного равнополочного уголка 63х5 по ГОСТ 8509 * Длина поручня — 1100 мм Струна из стальной спаренной горячекатаной полосы 4х25 по ГОСТ 103 * Длина струны — 1100 мм * Количество струн — 1 шт. * Расстояние от верха поручня до низа струны — 960 мм Заполнение из круглого стального прутка диаметром 8 мм по ГОСТ 2590 или класса A-I (А240) по ГОСТ 5781 * Высота прутков заполнения — 950 мм * Шаг между прутками заполнения — 150 ммИспользуемые материалы В производстве ограждений ОГП лестничных сходов используется сертифицированный горячекатаный металлопрокат по ГОСТ 535 и ГОСТ 5781 из углеродистых сталей марок * Ст3кп по ГОСТ 380 (С235 по ГОСТ 27772),  * Ст3пс по ГОСТ 380 (С245 по ГОСТ 27772) или  * Ст3сп5 по ГОСТ 380 (С255 по ГОСТ 27772). Защита строительных стальных металлоконструкций от коррозии осуществляется с учетом рекомендаций раздела 9 (приложение Ц) свода правил СП 28.13330.2017 (актуализированная редакция СНиП 2.03.11-85) В качестве антикоррозионной защиты наносится один слой грунтовки ГФ-021 по ГОСТ 25129 (толщина слоя 15-20 мкм) и один или два слоя эмали ПФ-115 по ГОСТ 6465 (по требованию заказчика)Производитель: Собственное производство Вид изделия: Перила Установка изделия: На лестницу Длина: 1100 мм Высота: 1200 мм Ширина: 63 мм Вес: 18.02 Покрытие: Грунтовка Материал изделия: Сталь Ст3 Цвет: Красно-коричнывый

1 800 руб.
Москва
ПОРУЧЕНЬ деревянный П-4475.30 длина 3,0 м сечение 44×75 сращенный из сосны

ПОРУЧЕНЬ деревянный П-4475.30 длина 3,0 м сечение 44×75 сращенный из сосны

Предлагаем стандартный деревянный профильный поручень П-4475-30 сечением 44×75 мм длиной 3,0 м из древесины хвойных пород (сосна) сращенный по длине по ГОСТ 8242 «Детали профильные из древесины и древесных материалов для строительства. Технические условия» для установки на стальные стандартные ограждения лестниц - перила с поручнем из стальной полосы сечением 4×20, 4×25, 4×30, 4×40 или 4×50 мм. Размеры деревянного поручня П-4475-30 * Высота поручня — 44 мм * Ширина поручня — 75 мм * Длина поручня — 3000 мм Стальные лестничные ограждения - перила типов ЛО, МВ, ПВ, ОМВ и ОМН с деревянным поручнем устанавливаются на железобетонные лестничные марши в подъездах многоэтажных жилых домов, производственных и административных зданий.Порода дерева: Сосна Материал изделия: Дерево Покрытие: Без покрытия Вид изделия: Поручень Установка изделия: На лестницу|На балкон|На стену Длина: 3000 мм Высота: 44 мм Ширина: 75 мм

825 руб.
Москва
ПОРУЧЕНЬ деревянный П-4465.40 длина 4,0 м сечение 44×65 сращенный из сосны

ПОРУЧЕНЬ деревянный П-4465.40 длина 4,0 м сечение 44×65 сращенный из сосны

Предлагаем стандартный деревянный профильный поручень П-4465-40 сечением 44×65 мм и длиной 4,0 м из древесины хвойных пород (сосна) сращенный по длине по ГОСТ 8242 «Детали профильные из древесины и древесных материалов для строительства. Технические условия» для установки на стальные стандартные ограждения лестниц - перила с поручнем из стальной полосы сечением 4×20, 4×25, 4×30 или 4×40 мм. Размеры поручня П-4465-40 * Высота поручня — 44 мм * Ширина поручня — 65 мм * Длина поручня — 4000 мм Стальные лестничные ограждения - перила типов ЛО, МВ, ПВ, ОМВ и ОМН с деревянным поручнем устанавливаются на железобетонные лестничные марши в подъездах многоэтажных жилых домов, производственных и административных зданий.Порода дерева: Сосна Материал изделия: Дерево Покрытие: Без покрытия Вид изделия: Поручень Установка изделия: На лестницу|На балкон|На стену Длина: 4000 мм Высота: 44 мм Ширина: 65 мм

1 000 руб.
Москва
ПОРУЧЕНЬ деревянный профильный сечение 48×60 сращенный из сосны

ПОРУЧЕНЬ деревянный профильный сечение 48×60 сращенный из сосны

Предлагаем стандартный деревянный профильный поручень сечением 48×60 мм из древесины хвойных пород (сосна) сращенный по длине по ГОСТ 8242 «Детали профильные из древесины и древесных материалов для строительства. Технические условия» для установки на стальные стандартные ограждения лестниц - перила с поручнем из стальной полосы сечением 4×20, 4×25 или 4×40 мм. Стандартная длина поручня: 3,0 и 4,0 м Стальные лестничные ограждения - перила типов ЛО, МВ, ПВ, ОМВ и ОМН с деревянным поручнем устанавливаются на железобетонные лестничные марши в подъездах многоэтажных жилых домов, производственных и административных зданий.Порода дерева: Сосна Материал изделия: Дерево Вид изделия: Поручень Установка изделия: На лестницу|На балкон|На стену Высота: 48 мм Ширина: 60 мм Покрытие: Без покрытия

225 руб.
Москва
ПОРУЧЕНЬ деревянный профильный сечение 44×75 сращенный из сосны

ПОРУЧЕНЬ деревянный профильный сечение 44×75 сращенный из сосны

Предлагаем стандартный деревянный профильный поручень сечением 44×75 мм из древесины хвойных пород (сосна) сращенный по длине по ГОСТ 8242 «Детали профильные из древесины и древесных материалов для строительства. Технические условия» для установки на стальные стандартные ограждения лестниц - перила с поручнем из стальной полосы сечением 4×20, 4×25, 4×40 или 4×50 мм. Стандартная длина поручня: 3,0 и 4,0 м Стальные лестничные ограждения - перила типов ЛО, МВ, ПВ, ОМВ и ОМН с деревянным поручнем устанавливаются на железобетонные лестничные марши в подъездах многоэтажных жилых домов, производственных и административных зданий.Порода дерева: Сосна Длина: 3000 мм Высота: 44 мм Ширина: 75 мм Материал изделия: Дерево

275 руб.
Москва
ПОРУЧЕНЬ деревянный профильный сечение 44×65 сращенный из сосны

ПОРУЧЕНЬ деревянный профильный сечение 44×65 сращенный из сосны

Предлагаем стандартный деревянный профильный поручень сечением 44×65 мм из древесины хвойных пород (сосна) сращенный по длине по ГОСТ 8242 «Детали профильные из древесины и древесных материалов для строительства. Технические условия» для установки на стальные стандартные ограждения лестниц - перила с поручнем из стальной полосы сечением 4×20, 4×25, 4×40 или 4×50 мм. Стандартная длина поручня: 3,0 и 4,0 м Стальные лестничные ограждения - перила типов ЛО, МВ, ПВ, ОМВ и ОМН с деревянным поручнем устанавливаются на железобетонные лестничные марши в подъездах многоэтажных жилых домов, производственных и административных зданий.Порода дерева: Сосна Длина: 3000 мм Высота: 44 мм Ширина: 65 мм Материал изделия: Дерево

250 руб.
Москва
ПОРУЧЕНЬ деревянный сращенный из сосны

ПОРУЧЕНЬ деревянный сращенный из сосны

Предлагаем стандартный деревянный поручень из древесины хвойных пород (сосна) сращенный по длине по ГОСТ 8242 «Детали профильные из древесины и древесных материалов для строительства. Технические условия» для установки на стальные стандартные ограждения лестниц - перила с поручнем из стальной полосы сечением 40х4 мм. Стальные лестничные ограждения - перила типов ЛО, МВ, ПВ, ОМВ и ОМН с деревянным поручнем устанавливаются на железобетонные лестничные марши в многоэтажных жилых домах, производственных и административных зданиях.Высота: 44 Ширина: 65 Длина: 3000 Порода дерева: Сосна Вид изделия: Поручень Покрытие: Без покрытия Установка изделия: На лестницу

250 руб.
Москва
Перила ЛО-14 Стальные ограждения лестниц серии 1.450-1

Перила ЛО-14 Стальные ограждения лестниц серии 1.450-1

Производство стандартных стальных лестничных ограждений — перил марки ЛО 14 по типовой серии 1.450-1 «Лестницы из сборных железобетонных ступеней по стальным косоурам для многоэтажных производственных зданий промышленных предприятий» (выпуск 2 «Стальные изделия. Рабочие чертежи»), разработанной ЦНИИпромзданий и введенной в действие в 1973 году Размеры лестничных ограждений ЛО-14 Металлические ограждения лестничных маршей марки ЛО 14 изготавливаются по чертежам 1.450-1.2-11: * Длина лестничного ограждения ЛО 14 в плане — 3000 мм * длина поручня — 3354 мм * высота стоек — 980 мм * количество стоек (с шагом 600 и 900 мм) — 5 шт. * высота решетчатого заполнения (с шагом 150 мм) — 680 мм * уклон — 1:2 * угол наклона к горизонту — 26°34' Типовые стальные перила марки ЛО 14 по серии 1.450-1.2 применяются в стандартных двухмаршевых лестничных клетках марок ЛК-33-15-2, ЛК-33-17-2, ЛК-33/42-15-2/3 и ЛК-33/42-17-2/3 и в трехмаршевых лестничных клетках (с лифтами) марок ЛКЛ-33/42-15-2/3 и ЛКЛ-33/42-17-2/3 по серии 1.450-1.0. Они устанавливаются на стандартные лестницы из накладных железобетонных лестничных ступеней типа ЛС, ЛСВ, ЛСН и ЛСП по ГОСТ 8717 по стальным косоурам марки ЛК-11. Ограждения лестниц ЛО14 также могут устанавливаться на другие стандартные железобетонные лестничные марши по ГОСТ 9818 при высоте подъема марша hом = 1650 мм (высота этажа Hэ = 3,3 м): * ЛМП 57.11.17-5, ЛМП 60.11.17-5, ЛМП 57.11.17-5-3 и ЛМП 60.11.17-5-3 с накладными бетонными проступями типа 1ЛН и 2ЛН по серии 1.050.9-4.93 (выпуск 1), либо серии 1.050.1-3 (выпуск 1), действовавшей с 1991 по 1994 год и серии 1.050.1-2 (выпуск 1), действовавшей с 1984 по 1991 год; * ребристые лестничные марши марки ЛМ 165-115 по серии 1.150-КР-1 (выпуск 1); * лестничные марши ребристой конструкции с фризовыми ступенями марок 2ЛМФ 39.12.17-5, 2ЛМФ 39.14.17-5 и 2ЛМФ 39.15.17-5 с накладными проступями типа 1ЛН и 2ЛН по серии 1.251-4 (выпуск 1); * лестничные марши ребристой конструкции с фризовыми ступенями марок ЛМ-17.12, ЛМ-17.13 и ЛМ-17.15 с накладными проступями типа ЛН по серии 1.251-3 (выпуск 1), действовавшей с 1977 по 1984 год; * лестничные марши ребристой конструкции с фризовыми ступенями марок ЛМ 33.12, ЛМ 33.14 и ЛМ 33.15 с накладными проступями типа ЛН по серии 1.250-1 (выпуск 1), действовавшей с 1971 по 1977 год. * лестничные марш-площадки однокосоурные ребристой конструкции марки ЛМР 58.12.17-5Т, ЛМР 58.14.17-5Т и ЛМР 70.14.17-5Т по серии 1.258 КЛ-2 (выпуск 1-1); * лестничные марши с накладными мозаичными ступенями марки ЛМ 33-14 по серии ИИ-03-02 (альбом 30А)Крепление лестничных ограждений Монтаж типовых стальных ограждений лестниц к железобетонным лестничным маршам и ступеням лестничных клеток жилых зданий выполняется по рабочим чертежам серии 1.450-1 (выпуск 0) или серии 2.150-1 (выпуск 1). При креплении ограждений сверху ступеней на расстоянии 140 мм от края сверлятся отверстия под стойки ограждения, в которые вставляются эти стойки, после чего отверстия бетонируются. При креплении ограждений с торца, стойки ограждений лестничных маршей привариваются к закладным деталям, предусмотренным в железобетонных лестничных маршах или накладных ступенях, сварным швом длиной 100...120 мм. Между собой лестничные ограждения связываются путем сварки с использованием металлических монтажных деталейПроизводитель: Собственное производство Вид изделия: Перила Установка изделия: На лестницу|На ступеньки Длина: 3354 мм Высота: 980 мм Ширина: 40 мм Покрытие: Грунт ГФ-021 Материал изделия: Сталь Ст3 Количество стоек: 5 Цвет: Красно-коричнывый

3 970 руб.
Москва
ПЕРИЛА ОВП-24Д-1 - стальные ограждения лестничных площадок

ПЕРИЛА ОВП-24Д-1 - стальные ограждения лестничных площадок

Производствео стандартных стальных лестничных ограждений - перил марки ОВП-24Д-1 по типовой серии 1.256-1 «Металлические ограждения лестниц общественных зданий с высотами этажей 3,3; 3,6; 4,2 м и зданий детских садов-яслей с высотами этажей 2,8; 3,3 м со стенами из кирпича»), разработанной ЦНИИЭП учебных зданий и введенной в действие в 1974 году. Размеры ограждения лестничных площадок ОВП-24Д-1 Металлические ограждения верхней площадки марки ОВП-24Д-1 изготавливаются по типовым чертежам 1.256.1-29: * длина лестничного ограждения ОВП-24Д-1 в плане Lом = 1180 мм * высота стоек — 1450 мм * количество стоек (с шагом 600 мм) — 2 шт. * высота решетчатого заполнения (с шагом 100 мм) — 1160 мм Установка ограждений Крепление типовых стальных ограждений лестниц к железобетонным площадкам многоэтажных зданий выполняется по рабочим чертежам серии 2.150-1 (выпуск 1). При креплении ограждений сверху площадок, в плите, на расстоянии 140 мм от края, сверлятся отверстия под стойки ограждения, в которые вставляются эти стойки, после чего отверстия бетонируются. При креплении ограждений с торца, стойки ограждений площадок привариваются к закладным деталям, предусмотренным в железобетонных лестничных площадках, сварным швом длиной 100 мм. При креплении ограждения площадки к стене поручень ограждения заделывается в стену на глубину 120 мм и бетонируется. Между собой лестничные ограждения связываются путем сварки с использованием металлических монтажных деталей.Производитель: Собственное производство Ширина: 40 мм Вид изделия: Перила Длина: 1180 мм Высота: 1450 мм Установка изделия: На площадку Покрытие: Грунт ГФ-021 Материал изделия: Сталь Ст3 Цвет: Красно-коричнывый

3 360 руб.
Москва
Перила ОВП-27Д-1 серии 1.256-1 стальные ограждения лестничных площадок

Перила ОВП-27Д-1 серии 1.256-1 стальные ограждения лестничных площадок

Производство стандартных стальных лестничных ограждений - перил марки ОВП-27Д-1 по типовой серии 1.256-1 «Металлические ограждения лестниц общественных зданий с высотами этажей 3,3; 3,6; 4,2 м и зданий детских садов-яслей с высотами этажей 2,8; 3,3 м со стенами из кирпича»), разработанной ЦНИИЭП учебных зданий и введенной в действие в 1974 году. Размеры ограждения ОВП-27Д-1 Металлические ограждения верхней площадки марки ОВП-27Д-1 изготавливаются по типовым чертежам 1.256.1-29: * длина лестничного ограждения ОВП-27Д-1 в плане Lом = 1470 мм * высота стоек - 1450 мм * количество стоек (с шагом 900 мм) - 2 шт. * высота решетчатого заполнения (с шагом 100 мм) - 1160 ммПроизводитель: Собственное производство Ширина: 40 мм Вид изделия: Перила Длина: 1470 мм Высота: 1450 мм Установка изделия: На площадку Покрытие: Грунт ГФ-021 Материал изделия: Сталь Ст3 Цвет: Красно-коричнывый

3 960 руб.
Москва
Перила ОВП-30Д-1 серии 1.256-1 стальные ограждения лестничных площадок

Перила ОВП-30Д-1 серии 1.256-1 стальные ограждения лестничных площадок

Производство стандартных стальных лестничных ограждений - перил марки ОВП-30Д-1 по типовой серии 1.256-1 «Металлические ограждения лестниц общественных зданий с высотами этажей 3,3; 3,6; 4,2 м и зданий детских садов-яслей с высотами этажей 2,8; 3,3 м со стенами из кирпича»), разработанной ЦНИИЭП учебных зданий и введенной в действие в 1974 году. Размеры ограждения ОВП-30Д-1 Металлические ограждения верхней площадки марки ОВП-30Д-1 изготавливаются по типовым чертежам 1.256.1-29: * длина лестничного ограждения в плане Lом = 1620 мм * высота стоек - 1450 мм * количество стоек (с шагом 900 мм) - 2 шт. * высота решетчатого заполнения (с шагом 100 мм) - 1160 ммПроизводитель: Собственное производство Ширина: 40 мм Вид изделия: Перила Длина: 1620 мм Высота: 1350 мм Покрытие: Грунт ГФ-021 Материал изделия: Сталь Ст3 Цвет: Красно-коричнывый

4 090 руб.
Москва
Перила МВ 24.14-24.9Р-3 серии 1.100.2-5 стальные ограждения лестниц

Перила МВ 24.14-24.9Р-3 серии 1.100.2-5 стальные ограждения лестниц

Производство стандартных стальных лестничных ограждений - ПЕРИЛ марки МВ 24.14-24.9Р-3 с волнистым заполнением по типовой серии 1.100.2-5 (выпуск 1 «Металлические изделия для жилых зданий») разработаны для жилых домов с высотой этажа 2,8 м ЦНИИЭПжилища, введены в действие в 1989 году. Металлические перила марки МВ 24.14-24.9Р-3 с волнистым заполнением изготавливаются по чертежам 1.100.2-5.1-2СБ. Размеры лестничного ограждения МВ 24.14-24.9Р-3 * длина лестничного ограждения МВ 24.14-24.9Р-3 в плане lом = 2400 мм * длина поручня — 2705 мм * высота стоек — 1000 мм * высота ограждения лестницы — 900 мм * уклон — 156:300 * угол наклона к горизонту — 27°28'28"Конструкция лестничного ограждения МВ 24.14-24.9Р-3 * высота решетчатого заполнения — 600 мм, * решетчатое заполнение с чередованием волнистых и прямых элементов — с шагом 150 мм. * расстояние от поручня до решетчатого заполнения — 200 мм, * количество стоек (с шагом 600 и 900 мм) — 4 шт, * ширина поручня — 40 мм. Ограждения МВ 24.14-24.9Р-3 предназначены для установки на стандартные железобетонные плоские лестничные марши плитной конструкции без фризовых ступеней при высоте подъема марша hом = 1400 мм (высота этажа hэ = 2,8 м) марок: * 1ЛМ 27.11.14-4 и 1ЛМ 27.12.14-4 по серии 1.151.1-6 (выпуск 1); * 1ЛМ 27.11.14-4П и 1ЛМ 27.12.14-4П из бетонов на пористых заполнителях по серии 1.151.1-6 (выпуск 2); * ЛМ 28.11п и ЛМ 28.12п по серии 1.151-1 (выпуск 1), действовавшей с 1970 по 1984 год. Ограждения МВ 24.14-24.9Р-3 также могут устанавливаться на другие стандартные железобетонные лестничные марши по ГОСТ 9818 при высоте подъема марша hом = 1400 мм (высота этажа hэ = 2,8 м): * на железобетонные лестничные марши ребристой конструкции с фризовыми ступенями марки ЛМ 28.11 и ЛМ 28.12 по серии 1.151-1 (выпуск 2), действовавшей с 1970 по 1984 год; * на железобетонные лестничные марши ребристой конструкции с фризовыми ступенями марки ЛМ 28.11 и ЛМ 28.11л по серии ИИ-03-02 (альбом 30-64), действовавшей с 1964 по 1969 год.Производитель: Собственное производство Вид изделия: Перила Установка изделия: На лестницу|На ступеньки Длина: 2705 мм Высота: 1000 мм Ширина: 40 мм Материал изделия: Сталь Ст3 Покрытие: Грунт ГФ-021 Цвет: Красно-коричнывый Количество стоек: 4

3 990 руб.
Москва
ПЕРИЛА МВ 24.14-24.9Р-4 стальные ограждения лестниц

ПЕРИЛА МВ 24.14-24.9Р-4 стальные ограждения лестниц

Производство стандартных стальных лестничных ограждений - перил марки МВ 24.14-24.9Р-4 с волнистым заполнением по типовой серии 1.100.2-5 (выпуск 1 «Металлические изделия для жилых зданий») разработаны для жилых домов с высотой этажа 2,8 м ЦНИИЭПжилища, введены в действие в 1989 году. Металлические перила марки МВ 24.14-24.9Р-4 с волнистым заполнением изготавливаются по чертежам 1.100.2-5.1-2СБ. Размеры лестничного ограждения МВ 24.14-24.9Р-4 * длина лестничного ограждения МВ 24.14-24.9Р-4 в плане lом = 2400 мм, * длина поручня — 2705 мм, * высота стоек — 1000 мм, * высота решетчатого заполнения — 600 мм, * решетчатое заполнение с чередованием волнистых и прямых элементов — с шагом 150 мм. * расстояние от поручня до решетчатого заполнения — 200 мм, * количество стоек (с шагом 600 и 900 мм) — 4 шт, * уклон — 156:300, * угол наклона к горизонту — 27°28'28". Ограждения МВ 24.14-24.9Р-4 предназначены для установки на стандартные железобетонные плоские лестничные марши плитной конструкции без фризовых ступеней при высоте подъема марша hом = 1400 мм (высота этажа hэ = 2,8 м) марок: * 1ЛМ 27.11.14-4 и 1ЛМ 27.12.14-4 по серии 1.151.1-6 (выпуск 1); * 1ЛМ 27.11.14-4П и 1ЛМ 27.12.14-4П из бетонов на пористых заполнителях по серии 1.151.1-6 (выпуск 2); * ЛМ 28.11п и ЛМ 28.12п по серии 1.151-1 (выпуск 1), действовавшей с 1970 по 1984 год. Ограждения МВ 24.14-24.9Р-4 также могут устанавливаться на другие стандартные железобетонные лестничные марши по ГОСТ 9818 при высоте подъема марша hом = 1400 мм (высота этажа hэ = 2,8 м): * на железобетонные лестничные марши ребристой конструкции с фризовыми ступенями марки ЛМ 28.11 и ЛМ 28.12 по серии 1.151-1 (выпуск 2), действовавшей с 1970 по 1984 год; * на железобетонные лестничные марши ребристой конструкции с фризовыми ступенями марки ЛМ 28.11 и ЛМ 28.11л по серии ИИ-03-02 (альбом 30-64), действовавшей с 1964 по 1969 год.Производитель: Собственное производство Вид изделия: Перила Установка изделия: На лестницу|На ступеньки Длина: 2705 мм Высота: 1000 мм Ширина: 40 мм Материал изделия: Сталь Ст3 Покрытие: Грунт ГФ-021 Цвет: Красно-коричнывый Количество стоек: 4

1 990 руб.
Москва
ПЕРИЛА МВ 24.14-24.9Р-1 стальные ограждения лестниц

ПЕРИЛА МВ 24.14-24.9Р-1 стальные ограждения лестниц

Производство стандартных стальных лестничных ограждений - перил марки МВ 24.14-24.9Р-1 с Z-образным заполнением по типовой серии 1.100.2-5 (выпуск 1 «Металлические изделия для жилых зданий») разработаны для жилых домов с высотой этажа 2,8 м ЦНИИЭПжилища, введены в действие в 1989 году. Металлические перила марки МВ 24.14-24.9Р-1 с Z-образным заполнением изготавливаются по чертежам 1.100.2-5.1-1СБ. Размеры лестничного ограждения МВ 24.14-24.9Р-1 * длина лестничного ограждения МВ 24.14-24.9Р-1 в плане lом = 2400 мм, * длина поручня — 2705 мм, * высота стоек — 1000 мм, * высота решетчатого Z-образного заполнения — 600 мм, * высота решетчатого заполнения — 600 мм, * решетчатое заполнение с чередованием Z-образных и прямых элементов. * расстояние от поручня до решетчатого заполнения — 200 мм, * количество стоек (с шагом 600 и 900 мм) — 4 шт, * уклон — 156:300, * угол наклона к горизонту — 27°28'28". Ограждения МВ 24.14-24.9Р-1 предназначены для установки на стандартные железобетонные плоские лестничные марши плитной конструкции без фризовых ступеней при высоте подъема марша hом = 1400 мм (высота этажа hэ = 2,8 м) марок: * 1ЛМ 27.11.14-4 и 1ЛМ 27.12.14-4 по серии 1.151.1-6 (выпуск 1); * 1ЛМ 27.11.14-4П и 1ЛМ 27.12.14-4П из бетонов на пористых заполнителях по серии 1.151.1-6 (выпуск 2); * ЛМ 28.11п и ЛМ 28.12п по серии 1.151-1 (выпуск 1), действовавшей с 1970 по 1984 год. Ограждения МВ 24.14-24.9Р-1 также могут устанавливаться на другие стандартные железобетонные лестничные марши по ГОСТ 9818 при высоте подъема марша hом = 1400 мм (высота этажа hэ = 2,8 м): * на железобетонные лестничные марши ребристой конструкции с фризовыми ступенями марки ЛМ 28.11 и ЛМ 28.12 по серии 1.151-1 (выпуск 2), действовавшей с 1970 по 1984 год; * на железобетонные лестничные марши ребристой конструкции с фризовыми ступенями марки ЛМ 28.11 и ЛМ 28.11л по серии ИИ-03-02 (альбом 30-64), действовавшей с 1964 по 1969 год.Производитель: Собственное производство Вид изделия: Перила Установка изделия: На лестницу|На ступеньки Длина: 2705 мм Высота: 1000 мм Ширина: 40 мм Материал изделия: Сталь Ст3 Покрытие: Грунт ГФ-021 Цвет: Красно-коричнывый Количество стоек: 4

990 руб.
Москва
ПЕРИЛА МВ 24.14-24.9Р-2 стальные ограждения лестниц

ПЕРИЛА МВ 24.14-24.9Р-2 стальные ограждения лестниц

Производство стандартных стальных лестничных ограждений - перил марки МВ 24.14-24.9Р-2 с Z-образным заполнением по типовой серии 1.100.2-5 (выпуск 1 «Металлические изделия для жилых зданий») разработаны для жилых домов с высотой этажа 2,8 м ЦНИИЭПжилища, введены в действие в 1989 году. Металлические перила марки МВ 24.14-24.9Р-2 с Z-образным заполнением изготавливаются по чертежам 1.100.2-5.1-1СБ. Размеры лестничного ограждения МВ 24.14-24.9Р-2 * длина лестничного ограждения МВ 24.14-24.9Р-2 в плане lом = 2400 мм, * длина поручня — 2705 мм, * высота стоек — 1000 мм, * высота решетчатого Z-образного заполнения — 600 мм, * высота решетчатого заполнения — 600 мм, * решетчатое заполнение с чередованием Z-образных и прямых элементов. * расстояние от поручня до решетчатого заполнения — 200 мм, * количество стоек (с шагом 600 и 900 мм) — 4 шт, * уклон — 156:300, * угол наклона к горизонту — 27°28'28". Ограждения МВ 24.14-24.9Р-2 предназначены для установки на стандартные железобетонные плоские лестничные марши плитной конструкции без фризовых ступеней при высоте подъема марша hом = 1400 мм (высота этажа hэ = 2,8 м) марок: * 1ЛМ 27.11.14-4 и 1ЛМ 27.12.14-4 по серии 1.151.1-6 (выпуск 1); * 1ЛМ 27.11.14-4П и 1ЛМ 27.12.14-4П из бетонов на пористых заполнителях по серии 1.151.1-6 (выпуск 2); * ЛМ 28.11п и ЛМ 28.12п по серии 1.151-1 (выпуск 1), действовавшей с 1970 по 1984 год. Ограждения МВ 24.14-24.9Р-2 также могут устанавливаться на другие стандартные железобетонные лестничные марши по ГОСТ 9818 при высоте подъема марша hом = 1400 мм (высота этажа hэ = 2,8 м): * на железобетонные лестничные марши ребристой конструкции с фризовыми ступенями марки ЛМ 28.11 и ЛМ 28.12 по серии 1.151-1 (выпуск 2), действовавшей с 1970 по 1984 год; * на железобетонные лестничные марши ребристой конструкции с фризовыми ступенями марки ЛМ 28.11 и ЛМ 28.11л по серии ИИ-03-02 (альбом 30-64), действовавшей с 1964 по 1969 год.Производитель: Собственное производство Вид изделия: Перила Установка изделия: На лестницу|На ступеньки Длина: 2705 мм Высота: 1000 мм Ширина: 40 мм Материал изделия: Сталь Ст3 Покрытие: Грунт ГФ-021 Цвет: Красно-коричнывый Количество стоек: 4

990 руб.
Москва
ПЕРИЛА и лестничные ограждения в подъезд жилого дома

ПЕРИЛА и лестничные ограждения в подъезд жилого дома

При проектировании жилых, общественных, производственных и административных многоэтажных зданий с высотой этажа Hэ = 2,7 м для соединения этажей в этих зданиях устраивают двухмаршевые железобетонные лестницы с высотой подъема в каждом марше hом = 1350 мм. Уклон лестничных маршей с высотой подъема hом = 1350 мм — 1:2 (высота ступени — 150 мм, глубина ступени — 300 мм), т.е. угол наклона к горизонту составляет 26°34'. На лестничные марши в зданиях с высотой этажа 2,7 м устанавливаются стандартные стальные лестничные ограждения следующих марок: Ограждения ЛО 12 по серии 1.050.9-4.93 * Металлические перила марки ЛО 12 изготавливаются по чертежам 1.050.9-4.93.3-101: * Длина лестничного ограждения ЛО 12 в плане lом = 2400 мм, * длина поручня — 2683 мм, * высота стоек — 980 мм, * высота решетчатого заполнения (с шагом 150 мм) — 680 мм, * количество стоек (с шагом 600 и 900 мм) — 4 Ограждения лестничного марша защищаются от коррозии в соответствии с требованиями СП 28.13330.2012 «Защита строительных конструкций от коррозии» (актуализированная редакция СНиП 2.03.11-85): окрашиваются эмалью ПФ-115 на 2 раза по слою грунтовки ГФ-021. При креплении перил сверху ступеней, в плите, на расстоянии 140 мм от края, сверлятся отверстия под стойки ограждения, в которые вставляются эти стойки, после чего отверстия бетонируются. При креплении же ограждений с торца, стойки ограждений лестничных маршей привариваются к закладным деталям, предусмотренным в железобетонных лестничных маршах и накладных ступенях, сварным швом длиной 100 мм. Между собой лестничные ограждения связываются путем сварки с использованием металлических монтажных деталей. В качестве железобетонных лестничных маршей используются стандартные (по ГОСТ 9818) марши следующих марок: * лестницы из накладных лестничных ступеней типа ЛС, ЛСВ, ЛСН и ЛСП по стальным косоурам марок ЛК 4 и ЛК 9 по серии 1.050.9-4.93 (выпуск 3).Производитель: Собственное производство Высота: 900 м Ширина: 40 м Длина: 2400 м Вид изделия: Перила Количество стоек: 4 Цвет: Красно-коричнывый Материал изделия: Сталь Ст3 Установка изделия: На лестницу|На ступеньки Покрытие: Грунт ГФ-021

1 990 руб.
Москва
ПЕРИЛА и лестничные ограждения в подъезд

ПЕРИЛА и лестничные ограждения в подъезд

При проектировании жилых, общественных, производственных и административных многоэтажных зданий с высотой этажа Hэ = 3,0 м для соединения этажей в этих зданиях устраивают двухмаршевые железобетонные лестницы с высотой подъема в каждом марше hом = 1500 мм. Уклон лестничных маршей с высотой подъема hом = 1500 мм — 1:2 (высота ступени — 150 мм, глубина ступени — 300 мм), т.е. угол наклона к горизонту составляет 26°34'. На лестничные марши в зданиях с высотой этажа 3,0 м устанавливаются стандартные стальные лестничные ограждения следующих марок: * ОМ 15-1 по серии 1.050.9-4.93.3; * ЛО 13 по серии 1.050.9-4.93.3.Металлические перила марки ОМ 15-1 изготавливаются по чертежам 1.050.9-4.93.3-38 и характеризуются слудующими параметрами: * длина лестничного ограждения ОМ 15-1 в плане lом = 2770 мм, * длина поручня — 3097 мм, * высота стоек — 1060 мм, * высота решетчатого заполнения (с шагом 150 мм) — 710 мм, * количество стоек (с шагом 600 мм) — 5.Металлические перила марки ЛО 13 зготавливаются по чертежам 1.050.9-4.93.3-102: * Длина лестничного ограждения ЛО 13 в плане lом = 2700 мм, * длина поручня — 3019 мм, * высота стоек — 980 мм, * высота решетчатого заполнения (с шагом 150 мм) — 680 мм, * количество стоек (с шагом 600 мм) — 5. Ограждения лестничного марша защищаются от коррозии в соответствии с требованиями СП 28.13330.2012 «Защита строительных конструкций от коррозии» (актуализированная редакция СНиП 2.03.11-85): окрашиваются эмалью ПФ-115 на 2 раза по слою грунтовки ГФ-021. При креплении перил сверху ступеней, в плите, на расстоянии 140 мм от края, сверлятся отверстия под стойки ограждения, в которые вставляются эти стойки, после чего отверстия бетонируются. При креплении же ограждений с торца, стойки ограждений лестничных маршей привариваются к закладным деталям, предусмотренным в железобетонных лестничных маршах и накладных ступенях, сварным швом длиной 100 мм. Между собой лестничные ограждения связываются путем сварки с использованием металлических монтажных деталей. В качестве железобетонных лестничных маршей используются стандартные (по ГОСТ 9818) марши следующих марок: * железо-бетонные ребристые лестничные марши с полуплощадкой марки ЛМП 57.11.15-5, ЛМП 60.11.15-5, ЛМП 57.11.15-5-3 и ЛМП 60.11.15-5-3 с накладными бетонными проступями типа 1ЛН и 2ЛН по серии 1.050.9-4.93 (выпуск 1), либо серии 1.050.1-3 (выпуск 1), действовавшей с 1991 по 1994 год и серии 1.050.1-2 (выпуск 1), действовавшей с 1984 по 1991 год; * лестницы из накладных лестничных ступеней типа ЛС, ЛСВ, ЛСН и ЛСП по стальным косоурам марок ЛК 5 и ЛК 10 по серии 1.050.9-4.93 (выпуск 3); * железобетонные плоские лестничные марши марки ЛМ 30.11.15-4 и ЛМ 30.12.15-4 по серии 1.151.1-7 (выпуск 1); * железобетонные ребристые лестничные марши марки ЛМ 150-115 по серии 1.150-КР-1 (выпуск 1).Производитель: Собственное производство Вид изделия: Перила Количество стоек: 5 Цвет: Красно-коричнывый Материал изделия: Сталь Ст3 Установка изделия: На лестницу|На ступеньки Покрытие: Грунт ГФ-021 Высота: 900.0 Ширина: 40.0 Длина: 2700.0

1 990 руб.
Москва
Перила ОП-12-4 Стальные ограждения лестничных площадок 1.050.1-2

Перила ОП-12-4 Стальные ограждения лестничных площадок 1.050.1-2

Производство стандартных стальных лестничных ограждений — перил марки ОП 12-4 по типовой серии 1.050.1-2 (выпуск 2 «Сборные железобетонные марши, площадки и проступи для многоэтажных общественных зданий, производственных и вспомогательных зданий промышленных предприятий. Ограждения лестниц. Рабочие чертежи»), разработанной ТбилЗНИИЭП и введенной в действие в 1984 году. Размеры ограждения лестничных площадок ОП 12-4 Металлические перила марки ОП 12-4 изготавливаются по чертежам 1.050.1-2.2-15: * длина лестничного ограждения ОП 12-4 lом = 1228 мм * высота стоек — 1510 мм * высота решетчатого заполнения (с шагом 100 мм) — 1160 мм * количество стоек (с шагом 600 мм) — 3 шт.Производитель: Собственное производство Высота: 1510 мм Установка изделия: На лестницу|На ступеньки Вид изделия: Перила Ширина: 40 мм Длина: 1228 мм Количество стоек: 3 Цвет: Красно-коричнывый Материал изделия: Сталь Ст3 Покрытие: Грунт ГФ-021

2 950 руб.
Москва
ПЕРИЛА ОП-12-1 стальные ограждения лестничных площадок

ПЕРИЛА ОП-12-1 стальные ограждения лестничных площадок

Производство стандартных стальных лестничных ограждений — перил марки ОП 12-1 по типовой серии 1.050.1-2 (выпуск 2 «Сборные железобетонные марши, площадки и проступи для многоэтажных общественных зданий, производственных и вспомогательных зданий промышленных предприятий. Ограждения лестниц. Рабочие чертежи»), разработанной ТбилЗНИИЭП и введенной в действие в 1984 году. Размеры оградления ОП 12-1 Металлические перила марки ОП 12-1 изготавливаются по чертежам 1.050.1-2.2-14: * длина лестничного ограждения ОП 12-1 lом = 1228 мм, * высота стоек — 1060 мм, * высота решетчатого заполнения (с шагом 150 мм) — 710 мм, * количество стоек (с шагом 600 мм) — 3Производитель: Собственное производство Высота: 1060 мм Установка изделия: На лестницу|На ступеньки Вид изделия: Перила Ширина: 40 мм Длина: 1228 мм Количество стоек: 3 Цвет: Красно-коричнывый Материал изделия: Сталь Ст3 Покрытие: Грунт ГФ-021

2 950 руб.
Москва
ПЕРИЛА ОМН 17-4 стальные ограждения лестничных площадок

ПЕРИЛА ОМН 17-4 стальные ограждения лестничных площадок

Производство стандартных стальных лестничных ограждений — перил марки ОМН 17-4 по типовой серии 1.050.1-2 (выпуск 2 «Сборные железобетонные марши, площадки и проступи для многоэтажных общественных зданий, производственных и вспомогательных зданий промышленных предприятий. Ограждения лестниц. Рабочие чертежи»), разработанной ТбилЗНИИЭП и введенной в действие в 1984 году. Размеры ограждения нижней площадки ОМН 17-4 Металлические перила марки ОМН 17-4 изготавливаются по чертежам 1.050.1-2.2-13: * длина лестничного ограждения ОМН 17-4 lом = 1020 мм, * высота стоек — 1510 мм, * высота решетчатого заполнения (с шагом 100 мм) — 1060 мм, * количество стоек (с шагом 600 мм) — 2Производитель: Собственное производство Высота: 1510 мм Установка изделия: На лестницу|На ступеньки Вид изделия: Перила Ширина: 40 мм Длина: 1020 мм Количество стоек: 2 Цвет: Красно-коричнывый Материал изделия: Сталь Ст3 Покрытие: Грунт ГФ-021

2 950 руб.
Москва
ПЕРИЛА ОМВ 17-4 стальные ограждения лестничных площадок

ПЕРИЛА ОМВ 17-4 стальные ограждения лестничных площадок

Производство стандартных стальных лестничных ограждений — перил марки ОМВ 17-4 по типовой серии 1.050.1-2 (выпуск 2 «Сборные железобетонные марши, площадки и проступи для многоэтажных общественных зданий, производственных и вспомогательных зданий промышленных предприятий. Ограждения лестниц. Рабочие чертежи»), разработанной ТбилЗНИИЭП и введенной в действие в 1984 году. Размеры ограждения верхней лестничной площадки ОМВ 17-4 Металлические перила марки ОМВ 17-4 изготавливаются по чертежам 1.050.1-2.2-12: * длина лестничного ограждения ОМВ 17-4 lом = 1250 мм, * высота стоек — 1510 мм, * высота решетчатого заполнения (с шагом 100 мм) — 1060 мм, * количество стоек (с шагом 600 мм) — 2Производитель: Собственное производство Высота: 1510 мм Установка изделия: На лестницу|На ступеньки Вид изделия: Перила Ширина: 40 мм Длина: 1250 мм Количество стоек: 2 Цвет: Красно-коричнывый Материал изделия: Сталь Ст3 Покрытие: Грунт ГФ-021

2 950 руб.
Москва
ПЕРИЛА ОМВ 14-4 стальные ограждения лестничных площадок

ПЕРИЛА ОМВ 14-4 стальные ограждения лестничных площадок

Производство стандартных стальных лестничных ограждений — перил марки ОМВ 14-4 по типовой серии 1.050.1-2 (выпуск 2 «Сборные железобетонные марши, площадки и проступи для многоэтажных общественных зданий, производственных и вспомогательных зданий промышленных предприятий. Ограждения лестниц. Рабочие чертежи»), разработанной ТбилЗНИИЭП и введенной в действие в 1984 году. Размеры ограждения верхней лестничной площадки ОМВ 14-4 Металлические перила марки ОМВ 14-4 изготавливаются по чертежам 1.050.1-2.2-11: * длина лестничного ограждения ОМВ 14-4 lом = 1400 мм, * высота стоек — 1510 мм, * высота решетчатого заполнения (с шагом 100 мм) — 1060 мм, * количество стоек (с шагом 600 мм) — 3Производитель: Собственное производство Высота: 1510 мм Установка изделия: На лестницу|На ступеньки Вид изделия: Перила Ширина: 40 мм Длина: 1400 мм Количество стоек: 3 Цвет: Красно-коричнывый Материал изделия: Сталь Ст3 Покрытие: Грунт ГФ-021

2 950 руб.
Москва
ПЕРИЛА ОМН 18-1к стальные ограждения лестничных площадок

ПЕРИЛА ОМН 18-1к стальные ограждения лестничных площадок

Пермская производственная компания «ГРАН-Стиль» осуществляет поставку в любой регион России и Казахстана стальных лестничных ограждений — перил марки ОМН 18-1к по типовой серии 1.050.1-2 (выпуск 2 «Сборные железобетонные марши, площадки и проступи для многоэтажных общественных зданий, производственных и вспомогательных зданий промышленных предприятий. Ограждения лестниц. Рабочие чертежи»), разработанной ТбилЗНИИЭП и введенной в действие в 1984 году. Размеры ограждения нижней лестничной площадки ОМН 18-1к Металлические перила марки ОМН 18-1к изготавливаются по чертежам 1.050.1-2.2-09: * длина лестничного ограждения ОМН 18-1к lом = 628 мм, * высота стоек — 1060 мм, * высота решетчатого заполнения (с шагом 150 мм) — 710 мм, * количество стоек (с шагом 600 мм) — 2Производитель: Собственное производство Высота: 1060 мм Установка изделия: На лестницу|На ступеньки Вид изделия: Перила Ширина: 40 мм Длина: 628 мм Количество стоек: 2 Цвет: Красно-коричнывый Материал изделия: Сталь Ст3 Покрытие: Грунт ГФ-021

2 950 руб.
Москва
ПЕРИЛА ОМН 18-1 стальные ограждения лестничных площадок серии 1.050.1-2

ПЕРИЛА ОМН 18-1 стальные ограждения лестничных площадок серии 1.050.1-2

Пермская производственная компания «ГРАН-Стиль» осуществляет поставку в любой регион России и Казахстана стальных лестничных ограждений — перил марки ОМН 18-1 по типовой серии 1.050.1-2 (выпуск 2 «Сборные железобетонные марши, площадки и проступи для многоэтажных общественных зданий, производственных и вспомогательных зданий промышленных предприятий. Ограждения лестниц. Рабочие чертежи»), разработанной ТбилЗНИИЭП и введенной в действие в 1984 году. Размеры ограждения нижней лестничной площадки ОМН 18-1 Металлические перила марки ОМН 18-1 изготавливаются по чертежам 1.050.1-2.2-08: * длина лестничного ограждения ОМН 18-1 lом = 870 мм, * высота стоек — 1060 мм, * высота решетчатого заполнения (с шагом 150 мм) — 710 мм, * количество стоек (с шагом 600 мм) — 2Производитель: Собственное производство Высота: 1060 мм Установка изделия: На лестницу|На ступеньки Вид изделия: Перила Ширина: 40 мм Длина: 870 мм Количество стоек: 2 Цвет: Красно-коричнывый Материал изделия: Сталь Ст3 Покрытие: Грунт ГФ-021

2 950 руб.
Москва
ПЕРИЛА ОМН 17-1 стальные ограждения лестничных площадок

ПЕРИЛА ОМН 17-1 стальные ограждения лестничных площадок

Производство стандартных стальных лестничных ограждений — перил марки ОМН 17-1 по типовой серии 1.050.1-2 (выпуск 2 «Сборные железобетонные марши, площадки и проступи для многоэтажных общественных зданий, производственных и вспомогательных зданий промышленных предприятий. Ограждения лестниц. Рабочие чертежи»), разработанной ТбилЗНИИЭП и введенной в действие в 1984 году. Размеры ограждения нижней лестничной площадки ОМН 17-1 Металлические перила марки ОМН 17-1 изготавливаются по чертежам 1.050.1-2.2-07: * длина лестничного ограждения ОМН 17-1 lом = 1020 мм, * высота стоек — 1060 мм, * высота решетчатого заполнения (с шагом 150 мм) — 710 мм, * количество стоек (с шагом 600 мм) — 2Производитель: Собственное производство Высота: 1060 мм Установка изделия: На лестницу|На ступеньки Вид изделия: Перила Ширина: 40 мм Длина: 1020 мм Количество стоек: 2 Цвет: Красно-коричнывый Материал изделия: Сталь Ст3 Покрытие: Грунт ГФ-021

2 950 руб.
Москва
ПЕРИЛА ОМН 14-1 стальные ограждения лестничных площадок

ПЕРИЛА ОМН 14-1 стальные ограждения лестничных площадок

Производство стандартных стальных лестничных ограждений — перил марки ОМН 14-1 по типовой серии 1.050.1-2 (выпуск 2 «Сборные железобетонные марши, площадки и проступи для многоэтажных общественных зданий, производственных и вспомогательных зданий промышленных предприятий. Ограждения лестниц. Рабочие чертежи»), разработанной ТбилЗНИИЭП и введенной в действие в 1984 году. Размеры ограждения нижней лестничной площадки ОМН 14-1 Металлические перила марки ОМН 14-1 изготавливаются по чертежам 1.050.1-2.2-07: * длина лестничного ограждения ОМН 14-1 lом = 1170 мм, * высота стоек — 1060 мм, * высота решетчатого заполнения (с шагом 150 мм) — 710 мм, * количество стоек (с шагом 600 мм) — 2Производитель: Собственное производство Высота: 1060 мм Установка изделия: На лестницу|На ступеньки Вид изделия: Перила Ширина: 40 мм Длина: 1170 мм Количество стоек: 2 Цвет: Красно-коричнывый Материал изделия: Сталь Ст3 Покрытие: Грунт ГФ-021

2 950 руб.
Москва
ПЕРИЛА ОМВ 17-1 стальные ограждения лестничных площадок

ПЕРИЛА ОМВ 17-1 стальные ограждения лестничных площадок

Производство стандартных стальных лестничных ограждений верхней площадки — перил марки ОМВ 17-1 по типовой серии 1.050.1-2 «Сборные железобетонные марши, площадки и проступи для многоэтажных общественных зданий, производственных и вспомогательных зданий промышленных предприятий» (выпуск 2 «Ограждения лестниц. Рабочие чертежи»), разработанной ТбилЗНИИЭП и введенной в действие в 1984 году. Размеры ограждения верхней лестничной площадки ОМВ 17-1 Металлические перила марки ОМВ 17-1 изготавливаются по чертежам 1.050.1-2.2-07: * длина лестничного ограждения ОМВ 17-1 lом = 1250 мм * высота стоек — 1060 мм * количество стоек (с шагом 600 мм) — 2 шт. * высота решетчатого заполнения (с шагом 150 мм) — 710 ммПроизводитель: Собственное производство Высота: 1060 мм Установка изделия: На лестницу|На ступеньки Вид изделия: Перила Ширина: 40 мм Длина: 1250 мм Количество стоек: 2 Цвет: Красно-коричнывый Материал изделия: Сталь Ст3 Покрытие: Грунт ГФ-021

2 950 руб.
Москва
ПЕРИЛА ОМВ 18-1 стальные ограждения лестничных площадок

ПЕРИЛА ОМВ 18-1 стальные ограждения лестничных площадок

Производство стандартных стальных лестничных ограждений — перил марки ОМВ 18-1 по типовой серии 1.050.1-2 (выпуск 2 «Сборные железобетонные марши, площадки и проступи для многоэтажных общественных зданий, производственных и вспомогательных зданий промышленных предприятий. Ограждения лестниц. Рабочие чертежи»), разработанной ТбилЗНИИЭП и введенной в действие в 1984 году. Размеры ограждения верхней лестничной площадки ОМВ 18-1 Металлические перила марки ОМВ 18-1 изготавливаются по чертежам 1.050.1-2.2-07: * длина лестничного ограждения ОМВ 18-1 lом = 1100 мм, * высота стоек — 1060 мм, * высота решетчатого заполнения (с шагом 150 мм) — 710 мм, * количество стоек (с шагом 600 мм) — 2Производитель: Собственное производство Высота: 1060 мм Установка изделия: На лестницу|На ступеньки Вид изделия: Перила Ширина: 40 мм Длина: 1100 мм Количество стоек: 2 Цвет: Красно-коричнывый Материал изделия: Сталь Ст3 Покрытие: Грунт ГФ-021

2 950 руб.
Москва
ПЕРИЛА ОМВ 14-1 стальные ограждения лестничных площадок

ПЕРИЛА ОМВ 14-1 стальные ограждения лестничных площадок

Производство стандартных стальных лестничных ограждений — перил марки ОМВ 14-1 по типовой серии 1.050.1-2 (выпуск 2 «Сборные железобетонные марши, площадки и проступи для многоэтажных общественных зданий, производственных и вспомогательных зданий промышленных предприятий. Ограждения лестниц. Рабочие чертежи»), разработанной ТбилЗНИИЭП и введенной в действие в 1984 году. Размеры ограждения верхней лестничной площадки ОМВ 14-1 Металлические перила марки ОМВ 14-1 изготавливаются по чертежам 1.050.1-2.2-06: * длина лестничного ограждения ОМВ 14-1 lом = 1400 мм, * высота стоек — 1060 мм, * высота решетчатого заполнения (с шагом 150 мм) — 710 мм, * количество стоек (с шагом 600 мм) — 3Производитель: Собственное производство Высота: 1060 мм Установка изделия: На лестницу|На ступеньки Вид изделия: Перила Ширина: 40 мм Длина: 1400 мм Количество стоек: 3 Цвет: Красно-коричнывый Материал изделия: Сталь Ст3 Покрытие: Грунт ГФ-021

2 950 руб.
Москва
ПЕРИЛА ОМ-11-4 стальные ограждения лестниц

ПЕРИЛА ОМ-11-4 стальные ограждения лестниц

Производство стандаартных стальных лестничных ограждений — перил марки ОМ 11-4 по типовой серии 1.050.1-2 (выпуск 2 «Сборные железобетонные марши, площадки и проступи для многоэтажных общественных зданий, производственных и вспомогательных зданий промышленных предприятий. Ограждения лестниц. Рабочие чертежи»), разработанной ТбилЗНИИЭП и введенной в действие в 1984 году. Размеры лестничного ограждения ОМ 11-4 Металлические перила марки ОМ 11-4 изготавливаются по чертежам 1.050.1-2.2-05: * длина лестничного ограждения ОМ 11-4 в плане lом = 1870 мм, * длина поручня — 2091 мм, * высота стоек — 1510 мм, * высота решетчатого заполнения (с шагом 100 мм) — 1160 мм, * количество стоек (с шагом 600 мм) — 3, * уклон — 1:2, * угол наклона к горизонту — 26°34'. Типовые стальные перила марки ОМ 11-4 по серии 1.050.1-2.2 применяются в двухмаршевых лестничных клетках зданий детских дошкольных учреждений (ДДУ) для устройства перильного ограждения высотой 1200 мм с дополнительным поручнем на высоте 900 мм. Ограждения ОМ 11-4 устанавливаются на лестницы из отдельных ступеней при высоте подъема марша hом = 1050 мм (лестница на 7 ступеней): * лестницы из накладных лестничных ступеней типа ЛС, ЛСВ, ЛСН, ЛСС и ЛСП по ГОСТ 8717.0-84 и ГОСТ 8717.1-84. В соответствии с требованиями ГОСТ 25772 стальные лестничные ограждения (перила) изготавливаются из углеродистой стали марок Ст3кп, Ст3пс и Ст1пс по ГОСТ 380 (стали С235 или С245 по ГОСТ 27772). Типовые стальные перила ОМ 11-4 рассчитаны на нагрузки, предусмотренные п. 8.3.2 СП 20.13330.2011 «Нагрузки и воздействия» (актуализированная редакция СНиП 2.01.07-85): горизонтальные нормативные нагрузки на поручни перил общественных зданий — 0,8 кН/м (80 кгс/м). Стальные лестничные ограждения изготавливаются сварными. Электро-дуговая сварка выполняется в соответствии с требованиями ГОСТ 23118, ГОСТ 5264, ГОСТ 14098 и ГОСТ 11534. Ограждения лестничного марша защищены от коррозии в соответствии с требованиями СП 28.13330.2012 «Защита строительных конструкций от коррозии» (актуализированная редакция СНиП 2.03.11-85): загрунтованы грунтом ГФ-021. При креплении перил сверху ступеней, в плите, на расстоянии 140 мм от края, сверлятся отвертия под стойки ограждения, в которые вставляются эти стойки, после чего отверстия бетонируются. При креплении ограждений с торца, стойки ограждений лестничных маршей привариваются к закладным деталям, предусмотренным в железобетонных лестничных маршах и накладных ступенях, сварным швом длиной 100 мм. Между собой лестничные ограждения связываются путем сварки с использованием металлических монтажных деталей.Производитель: Собственное производство Высота: 1510 мм Установка изделия: На лестницу|На ступеньки Вид изделия: Перила Ширина: 40 мм Длина: 2091 мм Количество стоек: 3 Цвет: Красно-коричнывый Материал изделия: Сталь Ст3 Покрытие: Грунт ГФ-021

2 950 руб.
Москва
ПЕРИЛА ОМ-17-4 стальные ограждения лестниц серии 1.050.1-2

ПЕРИЛА ОМ-17-4 стальные ограждения лестниц серии 1.050.1-2

Производство стандаартных стальных лестничных ограждений - перил марки ОМ 17-4 по типовой серии 1.050.1-2 (выпуск 2 «Сборные железобетонные марши, площадки и проступи для многоэтажных общественных зданий, производственных и вспомогательных зданий промышленных предприятий. Ограждения лестниц. Рабочие чертежи»), разработанной ТбилЗНИИЭП и введенной в действие в 1984 году. Размеры лестничного ограждения ОМ 17-4 Металлические перила марки ОМ 17-4 изготавливаются по чертежам 1.050.9-1.2.2-04 и оборудованы дополнительным поручнем, расположенным на 300 мм ниже основного поручня: * длина лестничного ограждения ОМ 17-4 в плане lом = 3070 мм, * длина поручня — 3432 мм, * высота стоек — 1510 мм, * высота решетчатого заполнения (с шагом 100 мм) — 1160 мм, * количество стоек (с шагом 600 мм) — 5, * уклон — 1:2, * угол наклона к горизонту — 26°34'. Типовые стальные перила марки ОМ 17-4 по серии 1.050.9-1.2 применяются в двухмаршевых лестничных клетках типа ЛК 33-15-2 зданий детских дошкольных учреждений (ДДУ) для устройства перильного ограждения высотой 1200 мм с дополнительным поручнем на высоте 900 мм. Ограждения ОМ 17-4 предназначены для установки на стандартные железобетонные ребристые лестничные марши с полуплощадкой типа ЛМП при высоте подъема марша hом = 1650 мм (высота этажа Hэ = 3,3 м) марок: * ЛМП 57.11.17-5, ЛМП 60.11.17-5, ЛМП 57.11.17-5-3 и ЛМП 60.11.17-5-3 с накладными бетонными проступями типа 1ЛН и 2ЛН по серии 1.050.9-4.93 (выпуск 1), либо серии 1.050.1-3 (выпуск 1), действовавшей с 1991 по 1994 год и серии 1.050.1-2 (выпуск 1), действовавшей с 1984 по 1991 год. Ограждения ОМ 17-4 также могут устанавливаться на другие стандартные железобетонные лестничные марши по ГОСТ 9818 при высоте подъема марша hом = 1650 мм (высота этажа Hэ = 3,3 м): * лестницы из накладных лестничных ступеней типа ЛС, ЛСВ, ЛСН и ЛСП по стальным косоурам марки ЛК 11 по серии 1.050.9-4.93 (выпуск 3); * ребристые лестничные марши марки ЛМ 165-115 по серии 1.150-КР-1 (выпуск 1); * лестничные марши ребристой конструкции с фризовыми ступенями марок 2ЛМФ 39.12.17-5, 2ЛМФ 39.14.17-5 и 2ЛМФ 39.15.17-5 с накладными проступями типа 1ЛН и 2ЛН по серии 1.251-4 (выпуск 1); * лестничные марши ребристой конструкции с фризовыми ступенями марок ЛМ-17.12, ЛМ-17.13 и ЛМ-17.15 с накладными проступями типа ЛН по серии 1.251-3 (выпуск 1), действовавшей с 1977 по 1984 год; * лестничные марши ребристой конструкции с фризовыми ступенями марок ЛМ 33.12, ЛМ 33.14 и ЛМ 33.15 с накладными проступями типа ЛН по серии 1.250-1 (выпуск 1), действовавшей с 1971 по 1977 год. * лестничные марш-площадки однокосоурные ребристой конструкции марки ЛМР 58.12.17-5Т, ЛМР 58.14.17-5Т и ЛМР 70.14.17-5Т по серии 1.258 КЛ-2 (выпуск 1-1); * лестничные марши с накладными мозаичными ступенями марки ЛМ 33-14 по серии ИИ-03-02 (альбом 30А).Производитель: Собственное производство Высота: 1510 мм Установка изделия: На лестницу|На ступеньки Вид изделия: Перила Ширина: 40 мм Длина: 3432 мм Количество стоек: 5 Цвет: Красно-коричнывый Материал изделия: Сталь Ст3 Покрытие: Грунт ГФ-021

4 200 руб.
Москва
ПЕРИЛА ОМ-17-1 стальные ограждения лестниц серии 1.050.1-2

ПЕРИЛА ОМ-17-1 стальные ограждения лестниц серии 1.050.1-2

Производство стандартных стальных лестничных ограждений - перил марки ОМ 17-1 по типовой серии 1.050.1-2 (выпуск 2 «Сборные железобетонные марши, площадки и проступи для многоэтажных общественных зданий, производственных и вспомогательных зданий промышленных предприятий. Ограждения лестниц. Рабочие чертежи»), разработанной ТбилЗНИИЭП и введенной в действие в 1984 году. Размеры лестничного ограждения ОМ 11-4 Металлические перила марки ОМ 17-1 изготавливаются по чертежам 1.050.1-2.2-02: * длина лестничного ограждения ОМ 17-1 в плане lом = 3070 мм, * длина поручня — 3432 мм, * высота стоек — 1060 мм, * высота решетчатого заполнения (с шагом 150 мм) — 710 мм, * количество стоек (с шагом 600 мм) — 5, * уклон — 1:2, * угол наклона к горизонту — 26°34'. Типовые стальные перила марки ОМ 17-1 по серии 1.050.1-2.2 применяются в стандартных двухмаршевых лестничных клетках марок ЛК-33-15-2, ЛК-33-17-2, ЛК-33/42-15-2/3 и ЛК-33/42-17-2/3 и в трехмаршевых лестничных клетках с лифтами марок ЛКЛ-33/42-15-2/3 и ЛКЛ-33/42-17-2/3. Ограждения ОМ17-1 предназначены для установки на стандартные железобетонные ребристые лестничные марши с полуплощадкой типа ЛМП при высоте подъема марша hом = 1650 мм (высота этажа Hэ = 3,3 м) марок: * ЛМП 57.11.17-5, ЛМП 60.11.17-5, ЛМП 57.11.17-5-3 и ЛМП 60.11.17-5-3 с накладными бетонными проступями типа 1ЛН и 2ЛН посерии 1.050.9-4.93 (выпуск 1), либо серии 1.050.1-3 (выпуск 1), действовавшей с 1991 по 1994 год и серии 1.050.1-2 (выпуск 1), действовавшей с 1984 по 1991 год. Ограждения ОМ 17-1 также могут устанавливаться на другие стандартные железобетонные лестничные марши по ГОСТ 9818 при высоте подъема марша hом = 1650 мм (высота этажа hэ = 3.3 м): * лестницы из накладных лестничных ступеней типа ЛС, ЛСВ, ЛСН и ЛСП по стальным косоурам марки ЛК 11 по серии 1.050.9-4.93 (выпуск 3); * ребристые лестничные марши марки ЛМ 165-115 по серии 1.150-КР-1 (выпуск 1); * лестничные марши ребристой конструкции с фризовыми ступенями марок 2ЛМФ 39.12.17-5, 2ЛМФ 39.14.17-5 и 2ЛМФ 39.15.17-5 с накладными проступями типа 1ЛН и 2ЛН по серии 1.251-4 (выпуск 1); * лестничные марши ребристой конструкции с фризовыми ступенями марок ЛМ-17.12, ЛМ-17.13 и ЛМ-17.15 с накладными проступями типа ЛН по серии 1.251-3 (выпуск 1), действовавшей с 1977 по 1984 год; * лестничные марши ребристой конструкции с фризовыми ступенями марок ЛМ 33.12, ЛМ 33.14 и ЛМ 33.15 с накладными проступями типа ЛН по серии 1.250-1 (выпуск 1), действовавшей с 1971 по 1977 год. * лестничные марш-площадки однокосоурные ребристой конструкции марки ЛМР 58.12.17-5Т, ЛМР 58.14.17-5Т и ЛМР 70.14.17-5Т посерии 1.258 КЛ-2 (выпуск 1-1); * лестничные марши с накладными мозаичными ступенями марки ЛМ 33-14 по серии ИИ-03-02 (альбом 30А).Производитель: Собственное производство Высота: 1060 мм Установка изделия: На лестницу|На ступеньки Вид изделия: Перила Ширина: 40 мм Длина: 3432 мм Количество стоек: 5 Цвет: Красно-коричнывый Материал изделия: Сталь Ст3 Покрытие: Грунт ГФ-021

4 200 руб.
Москва
ПЕРИЛА ОМ-18-1 - стальные ограждения лестниц серии 1.050.1-2

ПЕРИЛА ОМ-18-1 - стальные ограждения лестниц серии 1.050.1-2

Производство стандартных стальных лестничных ограждений - перил марки ОМ 18-1 по типовой серии 1.050.1-2 (выпуск 2 «Сборные железобетонные марши, площадки и проступи для многоэтажных общественных зданий, производственных и вспомогательных зданий промышленных предприятий. Ограждения лестниц. Рабочие чертежи»), разработанной ТбилЗНИИЭП и введенной в действие в 1984 году. Размеры лестничного ограждения ОМ 18-1 Металлические перила марки ОМ 18-1 изготавливаются по чертежам 1.050.1-2.2-01: * длина лестничного ограждения ОМ 18-1 в плане lом = 3370 мм, * длина поручня — 3768 мм, * высота стоек — 1060 мм, * высота решетчатого заполнения (с шагом 150 мм) — 710 мм, * количество стоек (с шагом 600 мм) — 6, * уклон — 1:2, * угол наклона к горизонту — 26°34'. Типовые стальные перила марки ОМ 18-1 по серии 1.050.1-2.2 применяются в стандартных двухмаршевых лестничных клетках марок ЛК-36-15-2, ЛК-36-17-2, ЛК-72-15-4, ЛК-72-17-4, ЛК-36/48-15-2/3, ЛК-36/48-17-2/3 и в трехмаршевых лестничных клетках с лифтами марок ЛКЛ-48-15-3, ЛКЛ-48-17-3, ЛКЛ-48/60-15-3/4, ЛКЛ-48/60-17-3/4. Ограждения ОМ18-1 могут устанавливаться на стандартные железобетонные лестничные марши по ГОСТ 9818 при высоте подъема марша hом = 1800 мм (высота этажа hэ = 3,6 м): * железо-бетонные ребристые лестничные марши с полуплощадкой марки ЛМП 57.11.18-5, ЛМП 60.11.18-5, ЛМП 57.11.18-5-3 и ЛМП 60.11.18-5-3 с накладными бетонными проступями типа 1ЛН и 2ЛН по серии 1.050.9-4.93 (выпуск 1); * лестницы из накладных бетонных лестничных ступеней типа ЛС, ЛСВ, ЛСН и ЛСП по стальным косоурам марки ЛК 7 и ЛК 12 по серии 1.050.9-4.93 (выпуск 3); * железобетонные ребристые лестничные марши марки ЛМ 180-115 по серии 1.150-КР-1 (выпуск 1); * железобетонные лестничные марши ребристой конструкции с фризовыми ступенями марок 2ЛМФ 39.12.18-5, 2ЛМФ 39.14.18-5 и 2ЛМФ 39.15.18-5 с накладными проступями типа 1ЛН и 2ЛН по серии 1.251.1-4 (выпуск 1); * железобетонные лестничные марши ребристой конструкции с фризовыми ступенями марок ЛМ-18.12, ЛМ-18.13 и ЛМ-18.15 с накладными проступями типа ЛН по серии 1.251-3 (выпуск 1), действовавшей с 1977 по 1984 год; * железобетонные лестничные марши ребристой конструкции с фризовыми ступенями марок ЛМ 36.12, ЛМ 36.14 и ЛМ 36.15 с накладными проступями типа ЛН по серии 1.250-1 (выпуск 2), действовавшей с 1971 по 1977 год; * железобетонные лестничные марш-площадки однокосоурные ребристой конструкции марки ЛМР 58.12.18-5Т и ЛМР 70.12.18-5Т посерии 1.258 КЛ-2 (выпуск 1-1).Производитель: Собственное производство Высота: 1060 мм Установка изделия: На лестницу|На ступеньки Вид изделия: Перила Ширина: 40 мм Длина: 3768 мм Количество стоек: 6 Цвет: Красно-коричнывый Материал изделия: Сталь Ст3 Покрытие: Грунт ГФ-021

4 580 руб.
Москва
ПЕРИЛА ОМ-14-1 стальные ограждения лестниц серии 1.050.1-2

ПЕРИЛА ОМ-14-1 стальные ограждения лестниц серии 1.050.1-2

Производство стандартных стальных лестничных ограждений — перил марки ОМ 14-1 по типовой серии 1.050.1-2 (выпуск 2 «Сборные железобетонные марши, площадки и проступи для многоэтажных общественных зданий, производственных и вспомогательных зданий промышленных предприятий. Ограждения лестниц. Рабочие чертежи»), разработанной ТбилЗНИИЭП и введенной в действие в 1984 году. Размеры лестничного ограждения ОМ 14-1 Металлические перила марки ОМ 14-1 изготавливаются по чертежам 1.050.1-2.2-01: * длина лестничного ограждения ОМ 14-1 в плане lом = 2770 мм, * длина поручня — 3057 мм, * высота стоек — 1060 мм, * высота решетчатого заполнения (с шагом 150 мм) — 710 мм, * количество стоек (с шагом 600 мм) — 5, * уклон — 7:15, * угол наклона к горизонту — 25°01'. Типовые стальные перила марки ОМ 14-1 по серии 1.050.1-2.2 применяются в стандартных двухмаршевых лестничных клетках. Ограждения ОМ 14-1 разработаны для установки на стандартные железобетонные лестничные марши по ГОСТ 9818 при высоте подъема марша hом = 1400 мм (высота этажа hэ = 2.8 м): * на железо-бетонные ребристые лестничные марши с полуплощадкой марки ЛМП 57.11.14-5 и ЛМП 57.11.14-5-3 по серии 1.050.9-4.93 (выпуск 1), по серии 1.050.1-3 (выпуск 1), действовавшей с 1991 по 1994 год или по серии 1.050.1-2 (выпуск 1), действовавшей с 1984 по 1991 год.Производитель: Собственное производство Высота: 1060 мм Установка изделия: На лестницу|На ступеньки Вид изделия: Перила Ширина: 40 мм Длина: 3057 мм Количество стоек: 5 Цвет: Красно-коричнывый Материал изделия: Сталь Ст3 Покрытие: Грунт ГФ-021

3 960 руб.
Москва
ПЕРИЛА ОМ-11-1 стальные ограждения лестниц серии 1.050.1-2

ПЕРИЛА ОМ-11-1 стальные ограждения лестниц серии 1.050.1-2

Производство стандартных стальных лестничных ограждений — перил марки ОМ 11-1 по типовой серии 1.050.1-2 (выпуск 2 «Сборные железобетонные марши, площадки и проступи для многоэтажных общественных зданий, производственных и вспомогательных зданий промышленных предприятий. Ограждения лестниц. Рабочие чертежи»), разработанной ТбилЗНИИЭП и введенной в действие в 1984 году. Размеры лестничного ограждения ОМ 11-1 Металлические перила марки ОМ 11-1 изготавливаются по чертежам 1.050.1-2.2-03: * длина лестничного ограждения ОМ 11-1 в плане lом = 1870 мм, * длина поручня — 2091 мм, * высота стоек — 1060 мм, * высота решетчатого заполнения (с шагом 150 мм) — 710 мм, * количество стоек (с шагом 600 мм) — 3, * уклон — 1:2, * угол наклона к горизонту — 26°34'. Типовые стальные перила марки ОМ 11-1 по серии 1.050.1-2.2 применяются в двухмаршевых и трехмаршевых лестничных клетках общественных, административных и производственных зданий. Ограждения ОМ11-1 устанавливаются на лестницы из отдельных ступеней при высоте подъема марша hом = 1050 мм (лестница на 7 ступеней): * лестницы из накладных лестничных ступеней типа ЛС, ЛСВ, ЛСН, ЛСС и ЛСП по ГОСТ 8717.0-84 и ГОСТ 8717.1-84.Производитель: Собственное производство Высота: 1060 мм Установка изделия: На лестницу|На ступеньки Вид изделия: Перила Ширина: 40 мм Длина: 2091 мм Количество стоек: 3 Цвет: Красно-коричнывый Материал изделия: Сталь Ст3 Покрытие: Грунт ГФ-021

2 950 руб.
Москва
Перила ПВ 12.9 стальные ограждения лестничных площадок серии 1.100.2-5

Перила ПВ 12.9 стальные ограждения лестничных площадок серии 1.100.2-5

Производство стандартных стальных лестничных ограждений - ПЕРИЛ марки ПВ 12.9Р по типовой серии 1.100.2-5 «Металлические изделия для жилых зданий» (выпуск 1 «Технические условия. Рабочие чертежи») разработаны для жилых домов с высотой этажа 2,8 м ЦНИИЭПжилища, введены в действие в 1989 году. Размеры ограждения лестничной площадки ПВ 12.9Р Металлические перила марки ПВ 12.9Р изготавливаются по чертежам 1.100.2-5.1: * длина лестничного ограждения ПВ 12.9Р в плане lом = 1200 мм,Производитель: Собственное производство Вид изделия: Перила Установка изделия: На лестницу|На ступеньки Ширина: 40 мм Высота: 1000 мм Покрытие: Грунт ГФ-021 Материал изделия: Сталь Ст3 Цвет: Красно-коричнывый

2 950 руб.
Москва
Перила ПВ 16.9 серии 1.100.2-5 стальные ограждения лестничных площадок

Перила ПВ 16.9 серии 1.100.2-5 стальные ограждения лестничных площадок

Производство стандартных стальных лестничных ограждений - ПЕРИЛ марки ПВ 16.9Р по типовой серии 1.100.2-5 (выпуск 1 «Металлические изделия для жилых зданий») разработаны для жилых домов с высотой этажа 2,8 м ЦНИИЭПжилища, введены в действие в 1989 году. Размеры ограждения лестничной площадки ПВ 16.9Р Металлические перила марки ПВ 16.9Р изготавливаются по чертежам 1.100.2-5.1: * длина лестничного ограждения ПВ 16.9Р в плане lом = 1600 мм,Производитель: Собственное производство Вид изделия: Перила Установка изделия: На лестницу|На ступеньки Ширина: 40 мм Высота: 1000 мм Цвет: Красно-коричнывый Материал изделия: Сталь Ст3 Покрытие: Грунт ГФ-021

2 950 руб.
Москва
Перила МВ 15.10-15.9 серии 1.100.2-5 стальные ограждения лестниц

Перила МВ 15.10-15.9 серии 1.100.2-5 стальные ограждения лестниц

Производство стандартных стальных лестничных ограждений - ПЕРИЛ марки МВ 15.10-15.9Р по типовой серии 1.100.2-5 (выпуск 1 «Металлические изделия для жилых зданий») разработаны для жилых домов с высотой этажа 2,8 м ЦНИИЭПжилища, введены в действие в 1989 году. Размеры лестничных ограждений МВ 15.10-15.9Р Металлические перила марки МВ 15.10-15.9Р изготавливаются по чертежам 1.100.2-5.1: * длина лестничного ограждения МВ 15.10-15.9Р в плане lом = 1500 мм * длина поручня — 1691 мм, * высота стоек — 1000 мм * высота решетчатого заполнения (с шагом 150 мм) — 800 мм * количество стоек (с шагом 600 мм) — 3 шт. * уклон — 156:300 * угол наклона к горизонту — 27°28'28"Производитель: Собственное производство Вид изделия: Перила Установка изделия: На лестницу|На ступеньки Ширина: 40 мм Высота: 1000 мм Количество стоек: 3 Цвет: Красно-коричнывый Материал изделия: Сталь Ст3 Покрытие: Грунт ГФ-021

2 950 руб.
Москва
Перила МВ 24.14-24.9р серии 1.100.2-5 стальные ограждения лестниц

Перила МВ 24.14-24.9р серии 1.100.2-5 стальные ограждения лестниц

Производство стандартных стальных лестничных ограждений - ПЕРИЛ марки МВ 24.14-24.9Р по типовой серии 1.100.2-5 «Металлические изделия для жилых зданий» (выпуск 1 «Технические условия. Рабочие чертежи»), разработанной для жилых домов с высотой этажа 2,8 м ЦНИИЭПжилища и введенной в действие в 1989 году. Размеры лестничного ограждения МВ 24.14-24.9Р Металлические ограждения лестничных маршей марки МВ 24.14-24.9Р изготавливаются по типовым чертежам 1.100.2-5.1: * длина лестничного ограждения МВ 24.14-24.9Р в плане lом = 2400 мм * длина поручня — 2705 мм * высота стоек — 1000 мм * количество стоек (с шагом 600 и 900 мм) — 4 шт. * высота решетчатого заполнения (с шагом 150 мм) — 800 мм * уклон — 156:300 * угол наклона к горизонту — 27°28'28" Ограждения МВ 24.14-24.9Р предназначены для установки на стандартные железобетонные плоские лестничные марши плитной конструкции без фризовых ступеней при высоте подъема марша hом = 1400 мм (высота этажа hэ = 2,8 м) марок: * 1ЛМ 27.11.14-4 и 1ЛМ 27.12.14-4 по серии 1.151.1-6 (выпуск 1); * 1ЛМ 27.11.14-4П и 1ЛМ 27.12.14-4П из бетонов на пористых заполнителях по серии 1.151.1-6 (выпуск 2); * ЛМ 28.11п и ЛМ 28.12п по серии 1.151-1 (выпуск 1), действовавшей с 1970 по 1984 год. Ограждения МВ 24.14-24.9Р также могут устанавливаться на другие стандартные железобетонные лестничные марши по ГОСТ 9818 при высоте подъема марша hом = 1400 мм (высота этажа hэ = 2,8 м): * на железобетонные лестничные марши ребристой конструкции с фризовыми ступенями марки ЛМ 28.11 и ЛМ 28.12 по серии 1.151-1 (выпуск 2), действовавшей с 1970 по 1984 год; * на железобетонные лестничные марши ребристой конструкции с фризовыми ступенями марки ЛМ 28.11 и ЛМ 28.11л по серии ИИ-03-02 (альбом 30-64), действовавшей с 1964 по 1969 годПроизводитель: Собственное производство Высота: 1000 мм Установка изделия: На лестницу|На ступеньки Вид изделия: Перила Ширина: 40 мм Длина: 2705 мм Количество стоек: 4 Покрытие: Грунт ГФ-021 Материал изделия: Сталь Ст3 Цвет: Красно-коричнывый

3 990 руб.
Москва
Перила ПД 12.12Р серии 1.256.2-2 стальные ограждения лестничных площадок

Перила ПД 12.12Р серии 1.256.2-2 стальные ограждения лестничных площадок

Производство стандартных стальных лестничных ограждений - перил марки ПД 12.12Р по типовой серии 1.256.2-2 «Металлические ограждения лестниц общественных зданий» (выпуск 1 «Ограждения лестниц зданий со стенами из кирпича с высотами этажей 2,8; 3,3; 3,6 и 4,2 м. Рабочие чертежи»), разработанной ЦНИИЭП учебных зданий и введенной в действие в 1987 году (взамен серии 1.256-1). Размеры ограждения ПД 12.12Р Металлические перила марки ПД 12.12Р изготавливаются по чертежам 1.256.2-2.1-07.00.0СБ: * длина ограждения ПД 12.12Р в плане L = 1470 мм * высота стоек — 1345 мм * количество стоек (с шагом L1 = 600 мм) — 2 шт. * высота решетчатого заполнения (с шагом 100 мм) — 1180 мм Установка ограждений Крепление типовых стальных ограждений лестниц к железобетонным площадкам многоэтажных зданий выполняется по рабочим чертежам серии 2.150-1 (выпуск 1). При креплении ограждений сверху площадок, в плите, на расстоянии 140 мм от края, сверлятся отверстия под стойки ограждения, в которые вставляются эти стойки, после чего отверстия бетонируются. При креплении ограждений с торца, стойки ограждений площадок привариваются к закладным деталям, предусмотренным в железобетонных лестничных площадках, сварным швом длиной 100 мм. При креплении ограждения площадки к стене поручень ограждения заделывается в стену на глубину 120 мм и бетонируется. Между собой лестничные ограждения связываются путем сварки с использованием металлических монтажных деталей.Производитель: Собственное производство Ширина: 40 мм Вид изделия: Перила Длина: 1180 мм Высота: 1345 мм Установка изделия: На площадку Покрытие: Грунт ГФ-021 Материал изделия: Сталь Ст3 Цвет: Красно-коричнывый

3 360 руб.
Москва
Перила ПД 15.12Р серии 1.256.2-2 стальные ограждения лестничных площадок

Перила ПД 15.12Р серии 1.256.2-2 стальные ограждения лестничных площадок

Производство стандартных стальных лестничных ограждений - перил марки ПД 15.12Р по типовой серии 1.256.2-2 «Металлические ограждения лестниц общественных зданий» (выпуск 1 «Ограждения лестниц зданий со стенами из кирпича с высотами этажей 2,8; 3,3; 3,6 и 4,2 м. Рабочие чертежи»), разработанной ЦНИИЭП учебных зданий и введенной в действие в 1987 году (взамен серии 1.256-1). Размеры ограждения лестничных площадок ПД 15.12Р Металлические перила марки ПД 15.12Р изготавливаются по чертежам 1.256.2-2.1-07.00.0СБ: * длина лестничного ограждения ПД 15.12Р в плане L = 1470 мм * высота стоек — 1345 мм * количество стоек (с шагом L1 = 900 мм) — 2 шт. * высота решетчатого заполнения (с шагом 100 мм) — 1180 ммУстановка ограждений Крепление типовых стальных ограждений лестниц к железобетонным площадкам многоэтажных зданий выполняется по рабочим чертежам серии 2.150-1 (выпуск 1). При креплении ограждений сверху площадок, в плите, на расстоянии 140 мм от края, сверлятся отверстия под стойки ограждения, в которые вставляются эти стойки, после чего отверстия бетонируются. При креплении ограждений с торца, стойки ограждений площадок привариваются к закладным деталям, предусмотренным в железобетонных лестничных площадках, сварным швом длиной 100 мм. При креплении ограждения площадки к стене поручень ограждения заделывается в стену на глубину 120 мм и бетонируется. Между собой лестничные ограждения связываются путем сварки с использованием металлических монтажных деталей.Производитель: Собственное производство Ширина: 40 мм Вид изделия: Перила Длина: 1470 мм Высота: 1345 мм Установка изделия: На площадку Покрытие: Грунт ГФ-021 Материал изделия: Сталь Ст3 Цвет: Красно-коричнывый

3 960 руб.
Москва
МД 30.17-30.12Р Ограждение лестничных маршей серии 1.256.2-2

МД 30.17-30.12Р Ограждение лестничных маршей серии 1.256.2-2

Производство стандартных стальных лестничных ограждений - ПЕРИЛ марки МД 30.17-30.12Р по чертежам типовой серии 1.256.2-2 (выпуск 1 «Металлические ограждения лестниц общественных зданий. Ограждения лестниц зданий со стенами из кирпича с высотами этажей 2,8; 3,3; 3,6 и 4,2 м»), разработанной ЦНИИЭП учебных зданий и введенной в действие в 1987 году (взамен серии 1.256-1). Конструкция перильного лестничного ограждения МД 30.17-30.12Р Металлические перила марки МД 30.17-30.12Р изготавливаются по типовым чертежам 1.256.2-2.1-03.00.0СБ: * длина лестничного ограждения МД 30.17-30.12Р в плане lом = 3000 мм * длина поручня — 3354 мм * высота стоек — 1420 мм * высота решетчатого заполнения (с шагом 100 мм) — 1180 мм * количество стоек (с шагом 900 мм) — 4 шт. * уклон — 1:2 * угол наклона к горизонту — 26°34' Типовые стальные перила марки МД 30.17-30.12Р по серии 1.256.2-2.1 могут применяются в стандартных двухмаршевых лестничных клетках марок ЛК 33-15-2 зданий детских дошкольных учреждений (ДДУ) для устройства перильного ограждения высотой 1200 мм с дополнительным поручнем на высоте 820 мм. Ограждения МД 30.17-30.12Р предназначены для установки на стандартные железобетонные лестничные марши ребристой конструкции с фризовыми ступенями при высоте подъема марша hом = 1650 мм (высота этажа hэ = 3,3 м) марок: * 2ЛМФ 39.12.17-5, 2ЛМФ 39.14.17-5 и 2ЛМФ 39.15.17-5 с накладными проступями типа 1ЛН и 2ЛН по серии 1.251.1-4 (выпуск 1); * ЛМ-17.12, ЛМ-17.13 и ЛМ-17.15 с накладными проступями типа ЛН по серии 1.251-3 (выпуск 1), действовавшей с 1977 по 1984 год; * ЛМ 33.12, ЛМ 33.14 и ЛМ 33.15 с накладными проступями типа ЛН по серии 1.250-1 (выпуск 1), действовавшей с 1971 по 1977 год. Ограждения МД 30.17-30.12Р также могут устанавливаться на другие стандартные железобетонные лестничные марши по ГОСТ 9818 при высоте подъема марша hом = 1650 мм (высота этажа hэ = 3,3 м): * железо-бетонные ребристые лестничные марши с полуплощадкой марки ЛМП 57.11.17-5, ЛМП 60.11.17-5, ЛМП 57.11.17-5-3 и ЛМП 60.11.17-5-3 с накладными бетонными проступями типа 1ЛН и 2ЛН по серии 1.050.9-4.93 (выпуск 1); * лестницы из накладных лестничных ступеней типа ЛС, ЛСВ, ЛСН и ЛСП по стальным косоурам марки ЛК 11 по серии 1.050.9-4.93 (выпуск 3); * железобетонные ребристые лестничные марши марки ЛМ 165-115 по серии 1.150-КР-1 (выпуск 1); * железобетонные лестничные марш-площадки однокосоурные ребристой конструкции марки ЛМР 58.12.17-5Т, ЛМР 58.14.17-5Т и ЛМР 70.14.17-5Т по серии 1.258 КЛ-2 (выпуск 1-1); * железобетонные лестничные марши с накладными мозаичными ступенями марки ЛМ 33-14 по серии ИИ-03-02 (альбом 30А).Производитель: Собственное производство Высота: 1420 мм Вид изделия: Перила Ширина: 40 мм Длина: 3354 мм Количество стоек: 4 Покрытие: Грунт ГФ-021 Материал изделия: Сталь Ст3 Цвет: Красно-коричнывый

6 660 руб.
Москва
Перила ПД 16.12Р серии 1.256.2-2 стальные ограждения лестничных площадок

Перила ПД 16.12Р серии 1.256.2-2 стальные ограждения лестничных площадок

Производство стандартных стальных лестничных ограждений - перил марки ПД 16.12Р по типовой серии 1.256.2-2 «Металлические ограждения лестниц общественных зданий» (выпуск 1 «Ограждения лестниц зданий со стенами из кирпича с высотами этажей 2,8; 3,3; 3,6 и 4,2 м. Рабочие чертежи»), разработанной ЦНИИЭП учебных зданий и введенной в действие в 1987 году (взамен серии 1.256-1). Размеры ограждения лестничных площадок ПД 16.12Р Металлические перила марки ПД 16.12Р изготавливаются по чертежам 1.256.2-2.1-07.00.0СБ: * длина лестничного ограждения ПД 16.12Р в плане lом = 1620 мм * высота стоек - 1345 мм * количество стоек (с шагом 900 мм) - 2 шт. * высота решетчатого заполнения (с шагом 100 мм) - 1180 ммПроизводитель: Собственное производство Ширина: 40 мм Вид изделия: Перила Длина: 1620 мм Высота: 1350 мм Покрытие: Грунт ГФ-021 Материал изделия: Сталь Ст3 Цвет: Красно-коричнывый

4 090 руб.
Москва
Перила ПВ 12.9Р серии 1.256.2-2 стальные ограждения лестничных площадок

Перила ПВ 12.9Р серии 1.256.2-2 стальные ограждения лестничных площадок

Производство стандартных стальных лестничных ограждений - перил марки ПВ 12.9Р по типовой серии 1.256.2-2 (выпуск 1 «Металлические ограждения лестниц общественных зданий. Ограждения лестниц зданий со стенами из кирпича с высотами этажей 2,8; 3,3; 3,6 и 4,2 м»), разработанной ЦНИИЭП учебных зданий и введенной в действие в 1987 году (взамен серии 1.256-1). Размеры ограждения лестничных площадок ПВ 12.9Р Металлические перила марки ПВ 12.9Р изготавливаются по чертежам 1.256.2-2.1-05.00.0СБ: * длина лестничного ограждения ПВ 12.9Р в плане Lом = 1210 мм * высота стоек - 1045 мм * количество стоек - 2 шт. (с шагом 900 мм) * высота решетчатого заполнения (с шагом 150 мм) - 800 мм *Производитель: Собственное производство Ширина: 40 мм Вид изделия: Перила Длина: 1210 мм Высота: 1045 мм Установка изделия: На площадку Покрытие: Грунт ГФ-021 Материал изделия: Сталь Ст3

2 360 руб.
Москва
МВ 6.5-6.9Р Ограждение лестничных маршей серии 1.256.2-2

МВ 6.5-6.9Р Ограждение лестничных маршей серии 1.256.2-2

Производство стандартных стальных лестничных ограждений - ПЕРИЛ марки МВ 6.5-6.9Р по чертежам типовой серии 1.256.2-2 (выпуск 1 «Металлические ограждения лестниц общественных зданий. Ограждения лестниц зданий со стенами из кирпича с высотами этажей 2,8; 3,3; 3,6 и 4,2 м»), разработанной ЦНИИЭП учебных зданий и введенной в действие в 1987 году (взамен серии 1.256-1). Размеры перильного лестничного ограждения МВ 6.5-6.9Р Металлические ограждения лестничных маршей марки МВ 6.5-6.9Р изготавливаются по типовым чертежам 1.256.2-2.1-02.00.0СБ: * длина лестничного ограждения МВ 6.5-6.9Р в плане lом = 600 мм * длина поручня — 671 мм * высота стоек — 1120 мм * количество стоек (с шагом 300 мм) — 2 шт. * высота решетчатого заполнения (с шагом 150 мм) — 800 мм * уклон — 1:2 * угол наклона к горизонту — 26°34' Типовые стальные перила марки МВ 6.5-6.9Р по серии 1.256.2-2.1 могут применяются в двухмаршевых лестничных клетках. Ограждения МВ 6.5-6.9Р устанавливаются на лестницы из отдельных ступеней при высоте подъема марша hом = 450 мм (лестница на 3 ступени): * лестницы из накладных лестничных ступеней типа ЛС, ЛСВ, ЛСН, ЛСС и ЛСП по ГОСТ 8717.0-84 и ГОСТ 8717.1-84.Производитель: Собственное производство Покрытие: Краска Материал изделия: Металл Высота: 1120 мм Вид изделия: Перила Ширина: 40 мм Длина: 671 мм Количество стоек: 2

1 900 руб.
Москва
Перила ПВ 14.9Р серии 1.256.2-2 стальные ограждения лестничных площадок

Перила ПВ 14.9Р серии 1.256.2-2 стальные ограждения лестничных площадок

Производство стандартных стальных лестничных ограждений - перил марки ПВ 14.9Р по типовой серии 1.256.2-2 «Металлические ограждения лестниц общественных зданий» (выпуск 1 «Ограждения лестниц зданий со стенами из кирпича с высотами этажей 2,8; 3,3; 3,6 и 4,2 м»), разработанной ЦНИИЭП учебных зданий и введенной в действие в 1987 году (взамен серии 1.256-1). Размеры ограждения лестничных площадок ПВ 14.9Р Металлические ограждения лестничных площадок марки ПВ 14.9Р изготавливаются по типовым чертежам 1.256.2-2.1-06.00.0СБ: * длина лестничного ограждения ПВ 14.9Р в плане Lом = 1470 мм * высота стоек — 1045 мм * количество стоек (с шагом 900 мм) — 2 шт. * высота решетчатого заполнения (с шагом 150 мм) — 800 ммПроизводитель: Собственное производство Ширина: 40 мм Вид изделия: Перила Длина: 1470 мм Высота: 1045 мм Установка изделия: На площадку Покрытие: Грунт ГФ-021 Материал изделия: Сталь Ст3

2 710 руб.
Москва
МВ 12.8-18.9Р Ограждение лестничных маршей серии 1.256.2-2

МВ 12.8-18.9Р Ограждение лестничных маршей серии 1.256.2-2

Производство стандартных стальных лестничных ограждений - ПЕРИЛ марки МВ 12.8-18.9Р по чертежам типовой серии 1.256.2-2 «Металлические ограждения лестниц общественных зданий» (выпуск 1 «Ограждения лестниц зданий со стенами из кирпича с высотами этажей 2,8; 3,3; 3,6 и 4,2 м»), разработанной ЦНИИЭП учебных зданий и введенной в действие в 1987 году (взамен серии 1.256-1). Размеры перильного лестничного ограждения МВ 12.8-18.9Р Металлические ограждения лестничных маршей марки МВ 12.8-18.9Р изготавливаются по типовым чертежам 1.256.2-2.1-02.00.0СБ: * длина лестничного ограждения МВ 12.8-18.9Р в плане lом = 1800 мм * длина поручня — 2012 мм * высота стоек — 1120 мм * высота решетчатого заполнения (с шагом 150 мм) — 800 мм * количество стоек (с шагом 600 мм) — 3 шт. * уклон — 1:2 * угол наклона к горизонту — 26°34' Типовые стальные перила марки МВ 12.8-18.9Р по серии 1.256.2-2.1 могут применяются в двухмаршевых лестничных клетках. Ограждения МВ 12.8-18.9Р устанавливаются на лестницы из отдельных ступеней при высоте подъема марша hом = 1050 мм (лестница на 7 ступеней): * лестницы из накладных лестничных ступеней типа ЛС, ЛСВ, ЛСН, ЛСС и ЛСП по ГОСТ 8717.0-84 и ГОСТ 8717.1-84.Производитель: Собственное производство Покрытие: Краска Материал изделия: Металл Высота: 1120 мм Вид изделия: Перила Ширина: 40 мм Длина: 2012 мм Количество стоек: 3

3 110 руб.
Москва
Перила ПВ 15.9Р серии 1.256.2-2 стальные ограждения лестничных площадок

Перила ПВ 15.9Р серии 1.256.2-2 стальные ограждения лестничных площадок

Производство стандартных стальных лестничных ограждений - перил марки ПВ 15.9Р по типовой серии 1.256.2-2 (выпуск 1 «Металлические ограждения лестниц общественных зданий. Ограждения лестниц зданий со стенами из кирпича с высотами этажей 2,8; 3,3; 3,6 и 4,2 м»), разработанной ЦНИИЭП учебных зданий и введенной в действие в 1987 году (взамен серии 1.256-1). Размеры ограждения лестничных площадок ПВ 15.9Р Металлические перила марки ПВ 15.9Р изготавливаются по чертежам 1.256.2-2.1-05.00.0СБ: * длина лестничного ограждения ПВ 15.9Р в плане Lом = 1510 мм * высота стоек - 1045 мм * количество стоек - 2 шт. (с шагом 900 мм) * высота решетчатого заполнения (с шагом 150 мм) - 800 мм *Производитель: Собственное производство Ширина: 40 мм Вид изделия: Перила Длина: 1510 мм Высота: 1045 мм Установка изделия: На площадку Покрытие: Грунт ГФ-021 Материал изделия: Сталь Ст3

2 780 руб.
Москва
МВ 15.9-16.9Р Ограждение лестничных маршей серии 1.256.2-2

МВ 15.9-16.9Р Ограждение лестничных маршей серии 1.256.2-2

Производство стандартных стальных лестничных ограждений - ПЕРИЛ марки МВ 15.9-16.9Р по чертежам типовой серии 1.256.2-2 «Металлические ограждения лестниц общественных зданий» (выпуск 1 «Ограждения лестниц зданий со стенами из кирпича с высотами этажей 2,8; 3,3; 3,6 и 4,2 м»), разработанной ЦНИИЭП учебных зданий и введенной в действие в 1987 году (взамен серии 1.256-1). Размеры перильного лестничного ограждения МВ 15.9-16.9Р Металлические ограждения лестничных маршей марки МВ 15.9-16.9Р изготавливаются по типовым чертежам 1.256.2-2.1-02.00.0СБ: * длина лестничного ограждения МВ15.9-16.9Р в плане lом = 1580 мм * длина поручня — 1766 мм * высота стоек — 1120 мм * количество стоек (с шагом 900 мм) — 2 шт. * высота решетчатого заполнения (с шагом 150 мм) — 800 мм * уклон — 1:2 * угол наклона к горизонту — 26°34' Типовые стальные перила марки МВ 15.9-16.9Р по серии 1.256.2-2.1 могут применяются в стандартных двухмаршевых лестничных клетках марок ЛК-33/42-15-2/3, ЛК-33/42-17-2/3. Ограждения МВ 15.9-16.9Р устанавливаются на лестницы из отдельных ступеней при высоте подъема марша hом = 900 мм (лестница на 6 ступеней): * лестницы из накладных лестничных ступеней типа ЛС, ЛСВ, ЛСН, ЛСС и ЛСП по ГОСТ 8717.0-84 и ГОСТ 8717.1-84 по стальным косоурам марок ЛК 1 по серии 1.050.9-4.93 (выпуск 3).Производитель: Собственное производство Материал изделия: Металл Покрытие: Краска Вид изделия: Перила Длина: 1766 мм Высота: 1120 мм Ширина: 40 мм Количество стоек: 2

2 860 руб.
Москва
Перила ПВ 16.9Р серии 1.256.2-2 стальные ограждения лестничных площадок

Перила ПВ 16.9Р серии 1.256.2-2 стальные ограждения лестничных площадок

Производство стандартных стальных лестничных ограждений - ПЕРИЛ марки ПВ 16.9Р по типовой серии 1.256.2-2 (выпуск 1 «Металлические ограждения лестниц общественных зданий. Ограждения лестниц зданий со стенами из кирпича с высотами этажей 2,8; 3,3; 3,6 и 4,2 м»), разработанной ЦНИИЭП учебных зданий и введенной в действие в 1987 году (взамен серии 1.256-1). Размеры ограждения лестничных площадок ПВ 16.9Р Металлические перила марки ПВ 16.9Р изготавливаются по чертежам 1.256.2-2.1-06.00.0СБ: * длина лестничного ограждения ПВ 16.9Р в плане Lом = 1620 мм * высота стоек - 1045 мм * количество стоек - 2 шт. (с шагом 900 мм) * высота решетчатого заполнения (с шагом 150 мм) - 800 мм *Производитель: Собственное производство Ширина: 40 мм Вид изделия: Перила Длина: 1620 мм Высота: 1045 мм Установка изделия: На площадку Покрытие: Грунт ГФ-021 Материал изделия: Сталь Ст3

2 860 руб.
Москва
МВ 21.12-21.9Р Ограждение лестничных маршей серии 1.256.2-2

МВ 21.12-21.9Р Ограждение лестничных маршей серии 1.256.2-2

Производство стандартных стальных лестничных ограждений - ПЕРИЛ марки МВ 21.12-21.9Р по чертежам типовой серии 1.256.2-2 «Металлические ограждения лестниц общественных зданий» (выпуск 1 «Ограждения лестниц зданий со стенами из кирпича с высотами этажей 2,8; 3,3; 3,6 и 4,2 м»), разработанной ЦНИИЭП учебных зданий и введенной в действие в 1987 году (взамен серии 1.256-1). Размеры перильного лестничного ограждения МВ 21.12-21.9Р Металлические ограждения лестничных маршей марки МВ 21.12-21.9Р изготавливаются по типовым чертежам 1.256.2-2.1-01.00.0СБ: * длина лестничного ограждения МВ21.12-21.9Р в плане lом = 2100 мм * длина поручня — 2348 мм * высота стоек — 1120 мм * количество стоек (с шагом 900 мм) — 3 шт. * высота решетчатого заполнения (с шагом 150 мм) — 800 мм * уклон — 1:2 * угол наклона к горизонту — 26°34' Типовые стальные перила марки МВ 21.12-21.9Р по серии 1.256.2-2.1 могут применяются в стандартных двухмаршевых лестничных клетках марок ЛК-36/48-15-2/3, ЛК-36/48-17-2/3, ЛК-60/72-15-4/5 и ЛК-60/72-17-4/5, а также в трехмаршевых лестничных клетках с лифтами марок ЛКЛ-36-15-3, ЛКЛ-36-17-3, ЛКЛ-72-15-6 и ЛКЛ-72-17-6. Ограждения МВ 21.12-21.9Р устанавливаются на лестницы из отдельных ступеней при высоте подъема марша hом = 1200 мм (лестница на 8 ступеней): * лестницы из накладных лестничных ступеней типа ЛС, ЛСВ, ЛСН, ЛСС и ЛСП по ГОСТ 8717.0-84 и ГОСТ 8717.1-84 по стальным косоурам марок ЛК 2, ЛК 3, ЛК 14 или ЛК 15 по серии 1.050.9-4.93 (выпуск 3).Производитель: Собственное производство Материал изделия: Металл Покрытие: Краска Вид изделия: Перила Длина: 2348 мм Высота: 1120 мм Ширина: 40 мм Количество стоек: 3

3 560 руб.
Москва
Перила ПВ 17.9Р серии 1.256.2-2 стальные ограждения лестничных площадок

Перила ПВ 17.9Р серии 1.256.2-2 стальные ограждения лестничных площадок

Производство стандартных стальных лестничных ограждений площадок - ПЕРИЛ марки ПВ 17.9Р по типовой серии 1.256.2-2 (выпуск 1 «Металлические ограждения лестниц общественных зданий. Ограждения лестниц зданий со стенами из кирпича с высотами этажей 2,8; 3,3; 3,6 и 4,2 м»), разработанной ЦНИИЭП учебных зданий и введенной в действие в 1987 году (взамен серии 1.256-1). Размеры ограждения лестничных площадок ПВ 17.9Р Металлические перила марки ПВ 17.9Р изготавливаются по чертежам 1.256.2-2.1-06.00.0СБ: * длина лестничного ограждения ПВ 17.9Р в плане Lом = 1770 мм * высота стоек - 1045 мм * количество стоек - 2 шт. (с шагом 900 мм) * высота решетчатого заполнения (с шагом 150 мм) - 800 мм *Производитель: Собственное производство Ширина: 40 мм Вид изделия: Перила Длина: 1770 мм Высота: 1045 мм Установка изделия: На площадку Покрытие: Грунт ГФ-021 Материал изделия: Сталь Ст3

2 960 руб.
Москва
Ограждение ЛО-22 лестничных площадок 1.050.9-4.93

Ограждение ЛО-22 лестничных площадок 1.050.9-4.93

Производство стандартных стальных лестничных ограждений - перил марки ЛО-22 по типовой серии1.050.9-4.93 (выпуск 3 «Лестницы для многоэтажных общественных, административных и бытовых зданий и производственных зданий промышленных предприятий. Стальные изделия.»), разработанной ЦНИИпромзданий и введенной в действие в 1995 году (взамен серий 1.050.1-2 вып.2,1.050.1-3 вып.2 и 1.450-1 вып.2) Размеры ограждения лестничной площадки ЛО 22 Металлические перила марки ЛО 22 изготавливаются по чертежам 1.050.9-4.93.3-113: * Длина лестничного ограждения ЛО22 — 2400 мм, * высота стоек — 840 мм, * высота решетчатого заполнения — 680 мм, * количество стоек — 4. Типовые стальные перила марки ЛО 22 по серии 1.050.9-4.93.3 применяются в стандартных трехмаршевых (с лифтами) типа ЛКЛ лестничных клетках по серии 1.050.9-4.93.0-1 с шириной марша 1650 мм. Ограждения ЛО22 устанавливаются на стандартные железобетонные площадочные плиты типа ЛП 15-3 или ЛП 17-4 на межэтажных площадках.Производитель: Собственное производство Высота: 840 мм Установка изделия: На лестницу|На ступеньки Вид изделия: Перила Ширина: 40 мм Длина: 2400 мм Количество стоек: 4 Цвет: Красно-коричнывый Материал изделия: Сталь Ст3 Покрытие: Грунт ГФ-021

3 380 руб.
Москва
Перила ПВ 18.9Р серии 1.256.2-2 стальные ограждения лестничных площадок

Перила ПВ 18.9Р серии 1.256.2-2 стальные ограждения лестничных площадок

Производство стандартных стальных лестничных ограждений - ПЕРИЛ марки ПВ 18.9Р по типовой серии 1.256.2-2 (выпуск 1 «Металлические ограждения лестниц общественных зданий. Ограждения лестниц зданий со стенами из кирпича с высотами этажей 2,8; 3,3; 3,6 и 4,2 м»), разработанной ЦНИИЭП учебных зданий и введенной в действие в 1987 году (взамен серии 1.256-1). Размеры ограждения лестничных площадок ПВ 18.9Р Металлические перила марки ПВ 18.9Р изготавливаются по чертежам 1.256.2-2.1-05.00.0СБ: * длина лестничного ограждения ПВ 18.9Р в плане Lом = 1810 мм * высота стоек - 1045 мм * количество стоек - 3 шт. (с шагом 600 мм) * высота решетчатого заполнения (с шагом 150 мм) - 800 мм *Производитель: Собственное производство Ширина: 40 мм Вид изделия: Перила Длина: 1810 мм Высота: 1045 мм Установка изделия: На площадку Покрытие: Грунт ГФ-021 Материал изделия: Сталь Ст3

3 020 руб.
Москва
Ограждение ЛО-21 лестничных площадок 1.050.9-4.93

Ограждение ЛО-21 лестничных площадок 1.050.9-4.93

Производство стандартных стальных лестничных ограждений - перил марки ЛО 21 по типовой серии 1.050.9-4.93 «Лестницы для многоэтажных общественных, административных и бытовых зданий и производственных зданий промышленных предприятий» (выпуск 3 «Стальные изделия»), разработанной ЦНИИпромзданий и введенной в действие в 1995 году (взамен серий 1.050.1-2 вып.2,1.050.1-3 вып.2 и 1.450-1 вып.2) Размеры ограждения лестничной площадки ЛО-21 Металлические ограждения лестничных площадок марки ЛО 21 изготавливаются по типовым чертежам 1.050.9-4.93.3-112: * Длина лестничного ограждения ЛО21 — 1940 мм * высота стоек — 840 мм * высота решетчатого заполнения — 680 мм * количество стоек — 3 шт. Типовые стальные перила марки ЛО 21 по серии 1.050.9-4.93.3 применяются в стандартных двухмаршевых типа ЛК и трехмаршевых (с лифтами) типа ЛКЛ лестничных клетках по серии 1.050.9-4.93.0-1 с шириной марша 1650 мм. Ограждения ЛО21 устанавливаются на стандартные железобетонные площадочные плиты типа ЛП 17-1 или ЛП 17-4 на площадке верхнего этажа.Производитель: Собственное производство Высота: 840 мм Установка изделия: На лестницу|На ступеньки Вид изделия: Перила Ширина: 40 мм Длина: 1940 мм Количество стоек: 3 Цвет: Красно-коричнывый Материал изделия: Сталь Ст3 Покрытие: Грунт ГФ-021

2 870 руб.
Москва
Перила ПВ 21.9Р серии 1.256.2-2 стальные ограждения лестничных площадок

Перила ПВ 21.9Р серии 1.256.2-2 стальные ограждения лестничных площадок

Производство стандартных стальных лестничных ограждений - ПЕРИЛ марки ПВ 21.9Р по типовой серии 1.256.2-2 (выпуск 1 «Металлические ограждения лестниц общественных зданий. Ограждения лестниц зданий со стенами из кирпича с высотами этажей 2,8; 3,3; 3,6 и 4,2 м»), разработанной ЦНИИЭП учебных зданий и введенной в действие в 1987 году (взамен серии 1.256-1). Размеры ограждения лестничных площадок ПВ-21.9Р Металлические перила марки ПВ 21.9Р изготавливаются по чертежам 1.256.2-2.1-04.00.0СБ: * длина лестничного ограждения ПВ 21.9Р в плане Lом = 2110 мм * высота стоек — 1045 мм * высота решетчатого заполнения (с шагом 150 мм) — 800 мм * количество стоек — 3 шт. (с шагом 900 мм)Производитель: Собственное производство Ширина: 40 мм Вид изделия: Перила Длина: 2110 мм Высота: 1045 мм Установка изделия: На площадку Покрытие: Грунт ГФ-021 Материал изделия: Сталь Ст3

3 440 руб.
Москва
Ограждение ЛО-20 лестничных площадок 1.050.9-4.93

Ограждение ЛО-20 лестничных площадок 1.050.9-4.93

Производство стандартных стальных лестничных ограждений - перил марки ЛО 20 по типовой серии 1.050.9-4.93 «Лестницы для многоэтажных общественных, административных и бытовых зданий и производственных зданий промышленных предприятий» (выпуск 3 «Стальные изделия»), разработанной ЦНИИпромзданий и введенной в действие в 1995 году (взамен серий 1.050.1-2 вып.2,1.050.1-3 вып.2 и 1.450-1 вып.2) Размеры ограждения лестничной площадки ЛО 20 Металлические ограждения лестничных площадок марки ЛО 20 изготавливаются по типовым чертежам 1.050.9-4.93.3-111: * Длина лестничного ограждения ЛО20 — 1690 мм * высота стоек — 840 мм * высота решетчатого заполнения — 680 мм * количество стоек (с шагом 600 мм) — 2 шт. Типовые стальные перила марки ЛО 20 по серии 1.050.9-4.93.3 применяются в стандартных двухмаршевых типа ЛК и трехмаршевых (с лифтами) типа ЛКЛ лестничных клетках по серии 1.050.9-4.93.0-1 с шириной марша 1500 мм. Ограждения ЛО20 устанавливаются на стандартные железобетонные площадочные плиты типа ЛП 15-1 или ЛП 15-4 на площадке верхнего этажа.Производитель: Собственное производство Высота: 840 мм Установка изделия: На лестницу|На ступеньки Вид изделия: Перила Ширина: 40 мм Длина: 1690 мм Количество стоек: 2 Цвет: Красно-коричнывый Материал изделия: Сталь Ст3 Покрытие: Грунт ГФ-021

2 730 руб.
Москва
Перила ПВ 30.9Р серии 1.256.2-2 стальные ограждения лестничных площадок

Перила ПВ 30.9Р серии 1.256.2-2 стальные ограждения лестничных площадок

Производство стандартных стальных лестничных ограждений - ПЕРИЛ марки ПВ 30.9Р по типовой серии 1.256.2-2 (выпуск 1 «Металлические ограждения лестниц общественных зданий. Ограждения лестниц зданий со стенами из кирпича с высотами этажей 2,8; 3,3; 3,6 и 4,2 м»), разработанной ЦНИИЭП учебных зданий и введенной в действие в 1987 году (взамен серии 1.256-1). Размеры ограждения лестничных площадок ПВ 30.9Р Металлические перила марки ПВ 30.9Р изготавливаются по чертежам 1.256.2-2.1-04.00.0СБ: * длина лестничного ограждения ПВ 30.9Р в плане Lом = 3010 мм * высота стоек — 1045 мм * высота решетчатого заполнения (с шагом 150 мм) — 800 мм * количество стоек — 4 шт. (с шагом 900 мм)Производитель: Собственное производство Ширина: 40 мм Вид изделия: Перила Длина: 3010 мм Высота: 1045 мм Установка изделия: На площадку Покрытие: Грунт ГФ-021 Материал изделия: Сталь Ст3

4 190 руб.
Москва
Перила ОМН 18-1к серии 1.050.9-4.93 стальные ограждения лестничных площадок

Перила ОМН 18-1к серии 1.050.9-4.93 стальные ограждения лестничных площадок

Производство стандартных стальных лестничных ограждений — ПЕРИЛ марки ОМН 18-1к по типовой серии 1.050.9-4.93 (выпуск 3 «Лестницы для многоэтажных общественных, административных и бытовых зданий и производственных зданий промышленных предприятий. Стальные изделия»), разработанной ЦНИИпромзданий и введенной в действие в 1995 году (взамен серий 1.050.1-2 вып.2 и 1.050.1-3 вып.2). Размеры ограждения нижней лестничной площадки ОМН 18-1к Металлические перила марки ОМН 18-1к изготавливаются по чертежам 1.050.9-4.93.3-76: * длина лестничного ограждения ОМН 18-1к lом = 628 мм, * высота стоек — 1060 мм, * высота решетчатого заполнения (с шагом 150 мм) — 710 мм, * количество стоек (с шагом 600 мм) — 2Производитель: Собственное производство Высота: 1060 мм Установка изделия: На лестницу|На ступеньки Вид изделия: Перила Ширина: 40 мм Длина: 628 мм Количество стоек: 2 Цвет: Красно-коричнывый Материал изделия: Сталь Ст3 Покрытие: Грунт ГФ-021

2 950 руб.
Москва
Перила ОМН 18-1 серии 1.050.9-4.93 стальные ограждения лестничных площадок

Перила ОМН 18-1 серии 1.050.9-4.93 стальные ограждения лестничных площадок

Производство стандартных стальных лестничных ограждений — ПЕРИЛ марки ОМН 18-1 по типовой серии 1.050.9-4.93 (выпуск 3 «Лестницы для многоэтажных общественных, административных и бытовых зданий и производственных зданий промышленных предприятий. Стальные изделия»), разработанной ЦНИИпромзданий и введенной в действие в 1995 году (взамен серий 1.050.1-2 вып.2 и 1.050.1-3 вып.2). Размеры ограждения нижней лестничной площадки ОМН 18-1 Металлические перила марки ОМН 18-1 изготавливаются по чертежам 1.050.9-4.93.3-73: * длина лестничного ограждения ОМН 18-1 lом = 870 мм, * высота стоек — 1060 мм, * высота решетчатого заполнения (с шагом 150 мм) — 710 мм, * количество стоек (с шагом 600 мм) — 2Производитель: Собственное производство Высота: 1060 мм Установка изделия: На лестницу|На ступеньки Вид изделия: Перила Ширина: 40 мм Длина: 870 мм Количество стоек: 2 Цвет: Красно-коричнывый Материал изделия: Сталь Ст3 Покрытие: Грунт ГФ-021

2 950 руб.
Москва
Перила ОМН 17-4 серии 1.050.9-4.93 стальные ограждения лестничных площадок

Перила ОМН 17-4 серии 1.050.9-4.93 стальные ограждения лестничных площадок

Производство стандартных стальных лестничных ограждений — ПЕРИЛ марки ОМН 17-4 по типовой серии 1.050.9-4.93 (выпуск 3 «Лестницы для многоэтажных общественных, административных и бытовых зданий и производственных зданий промышленных предприятий. Стальные изделия»), разработанной ЦНИИпромзданий и введенной в действие в 1995 году (взамен серий 1.050.1-2 вып.2 и 1.050.1-3 вып.2). Размеры ограждения нижней лестничной площадки ОМН 17-4 Металлические перила марки ОМН 17-4 изготавливаются по чертежам 1.050.9-4.93.3-85: * длина лестничного ограждения ОМН 17-4 lом = 1020 мм, * высота стоек — 1510 мм, * высота решетчатого заполнения (с шагом 100 мм) — 1060 мм, * количество стоек (с шагом 600 мм) — 2Производитель: Собственное производство Высота: 1510 мм Установка изделия: На лестницу|На ступеньки Вид изделия: Перила Ширина: 40 мм Длина: 1020 мм Количество стоек: 2 Цвет: Красно-коричнывый Материал изделия: Сталь Ст3 Покрытие: Грунт ГФ-021

2 950 руб.
Москва
Перила ОМН 17-1 серии 1.050.9-4.93 стальные ограждения лестничных площадок

Перила ОМН 17-1 серии 1.050.9-4.93 стальные ограждения лестничных площадок

Производство стандартных стальных лестничных ограждений — ПЕРИЛ марки ОМН 17-1 по типовой серии 1.050.9-4.93 (выпуск 3 «Лестницы для многоэтажных общественных, административных и бытовых зданий и производственных зданий промышленных предприятий. Стальные изделия»), разработанной ЦНИИпромзданий и введенной в действие в 1995 году (взамен серий 1.050.1-2 вып.2 и 1.050.1-3 вып.2). Размеры ограждения нижних лестничных площадок ОМН 17-1 Металлические перила марки ОМН 17-1 изготавливаются по чертежам 1.050.9-4.93.3-70: * длина лестничного ограждения ОМН 17-1 lом = 1020 мм, * высота стоек — 1060 мм, * высота решетчатого заполнения (с шагом 150 мм) — 710 мм, * количество стоек (с шагом 600 мм) — 2Производитель: Собственное производство Высота: 1060 мм Установка изделия: На лестницу|На ступеньки Вид изделия: Перила Ширина: 40 мм Длина: 1020 мм Количество стоек: 2 Цвет: Красно-коричнывый Материал изделия: Сталь Ст3 Покрытие: Грунт ГФ-021

2 950 руб.
Москва
Перила ОМН 14-1 серии 1.050.9-4.93 стальные ограждения лестничных площадок

Перила ОМН 14-1 серии 1.050.9-4.93 стальные ограждения лестничных площадок

Производство стандартных стальных лестничных ограждений — ПЕРИЛ марки ОМН 14-1 по типовой серии 1.050.9-4.93 (выпуск 3 «Лестницы для многоэтажных общественных, административных и бытовых зданий и производственных зданий промышленных предприятий. Стальные изделия»), разработанной ЦНИИпромзданий и введенной в действие в 1995 году (взамен серий 1.050.1-2 вып.2 и 1.050.1-3 вып.2). Размеры ограждения нижних лестничных площадок ОМН 14-1 Металлические перила марки ОМН 14-1 изготавливаются по чертежам 1.050.9-4.93.3-67: * длина лестничного ограждения ОМН 14-1 Lом = 1170 мм * высота стоек — 1060 мм * высота решетчатого заполнения (с шагом 150 мм) — 710 мм * количество стоек (с шагом 600 мм) — 2 шт.Производитель: Собственное производство Высота: 1060 мм Установка изделия: На лестницу|На ступеньки Вид изделия: Перила Ширина: 40 мм Длина: 1170 мм Количество стоек: 2 Цвет: Красно-коричнывый Материал изделия: Сталь Ст3 Покрытие: Грунт ГФ-021

2 950 руб.
Москва
Перила ОМВ 17-4 серии 1.050.9-4.93 стальные ограждения лестничных площадок

Перила ОМВ 17-4 серии 1.050.9-4.93 стальные ограждения лестничных площадок

Производство стандартных стальных лестничных ограждений — ПЕРИЛ марки ОМВ 17-4 по типовой серии 1.050.9-4.93 (выпуск 3 «Лестницы для многоэтажных общественных, административных и бытовых зданий и производственных зданий промышленных предприятий. Стальные изделия»), разработанной ЦНИИпромзданий и введенной в действие в 1995 году (взамен серий 1.050.1-2 вып.2 и 1.050.1-3 вып.2). Размеры ограждения верхних лестничных площадок ОМВ 17-4 Металлические перила марки ОМВ 17-4 изготавливаются по чертежам 1.050.9-4.93.3-82: * длина лестничного ограждения ОМВ 17-4 lом = 1250 мм, * высота стоек — 1510 мм, * высота решетчатого заполнения (с шагом 100 мм) — 1060 мм, * количество стоек (с шагом 600 мм) — 2Производитель: Собственное производство Высота: 1510 мм Установка изделия: На лестницу|На ступеньки Вид изделия: Перила Ширина: 40 мм Длина: 1250 мм Количество стоек: 2 Цвет: Красно-коричнывый Материал изделия: Сталь Ст3 Покрытие: Грунт ГФ-021

2 950 руб.
Москва
Перила ОМВ 18-1 серии 1.050.9-4.93 стальные ограждения лестничных площадок

Перила ОМВ 18-1 серии 1.050.9-4.93 стальные ограждения лестничных площадок

Производство стандартных стальных лестничных ограждений — ПЕРИЛ марки ОМВ 18-1 по типовой серии 1.050.9-4.93 (выпуск 3 «Лестницы для многоэтажных общественных, административных и бытовых зданий и производственных зданий промышленных предприятий. Стальные изделия»), разработанной ЦНИИпромзданий и введенной в действие в 1995 году (взамен серий 1.050.1-2 вып.2 и 1.050.1-3 вып.2). Размеры ограждения верхних лестничных площадок ОМВ 18-1 Металлические перила марки ОМВ 18-1 изготавливаются по чертежам 1.050.9-4.93.3-61: * длина лестничного ограждения ОМВ 18-1 lом = 1100 мм, * высота стоек — 1060 мм, * высота решетчатого заполнения (с шагом 150 мм) — 710 мм, * количество стоек (с шагом 600 мм) — 2Производитель: Собственное производство Высота: 1060 мм Установка изделия: На лестницу|На ступеньки Вид изделия: Перила Ширина: 40 мм Длина: 1100 мм Количество стоек: 2 Цвет: Красно-коричнывый Материал изделия: Сталь Ст3 Покрытие: Грунт ГФ-021

2 950 руб.
Москва
Перила ОМВ 17-1 серии 1.050.9-4.93 стальные ограждения лестничных площадок

Перила ОМВ 17-1 серии 1.050.9-4.93 стальные ограждения лестничных площадок

Производство стандартных стальных лестничных ограждений — ПЕРИЛ марки ОМВ 17-1 по типовой серии 1.050.9-4.93 «Лестницы для многоэтажных общественных, административных и бытовых зданий и производственных зданий промышленных предприятий» (выпуск 3 «Стальные изделия»), разработанной ЦНИИпромзданий и введенной в действие в 1995 году (взамен серий 1.050.1-2 вып.2 и 1.050.1-3 вып.2). Размеры ограждения верхней лестничной площадки ОМВ 17-1 Металлические ограждения верхней лестничной площадки марки ОМВ 17-1 изготавливаются по типовым чертежам 1.050.9-4.93.3-64: * длина лестничного ограждения ОМВ 17-1 lом = 1250 мм * высота стоек — 1060 мм * количество стоек (с шагом 600 мм) — 2 шт. * высота решетчатого заполнения (с шагом 150 мм) — 710 ммПроизводитель: Собственное производство Высота: 1060 мм Установка изделия: На лестницу|На ступеньки Вид изделия: Перила Ширина: 40 мм Длина: 1250 мм Количество стоек: 2 Цвет: Красно-коричнывый Материал изделия: Сталь Ст3 Покрытие: Грунт ГФ-021

2 950 руб.
Москва
Перила ОМВ 14-4 серии 1.050.9-4.93 стальные ограждения лестничных площадок

Перила ОМВ 14-4 серии 1.050.9-4.93 стальные ограждения лестничных площадок

Производство стандартных стальных лестничных ограждений — ПЕРИЛ марки ОМВ 14-4 по типовой серии 1.050.9-4.93 (выпуск 3 «Лестницы для многоэтажных общественных, административных и бытовых зданий и производственных зданий промышленных предприятий. Стальные изделия»), разработанной ЦНИИпромзданий и введенной в действие в 1995 году (взамен серий 1.050.1-2 вып.2 и 1.050.1-3 вып.2). Размеры ограждения верхней лестничной площадки ОМВ 14-4 Металлические перила марки ОМВ 14-4 изготавливаются по чертежам 1.050.9-4.93.3-79: * длина лестничного ограждения ОМВ 14-4 lом = 1400 мм * высота стоек — 1510 мм * высота решетчатого заполнения (с шагом 100 мм) — 1060 мм * количество стоек (с шагом 600 мм) — 3 шт.Производитель: Собственное производство Высота: 1510 мм Установка изделия: На лестницу|На ступеньки Вид изделия: Перила Ширина: 40 мм Длина: 1400 мм Количество стоек: 3 Цвет: Красно-коричнывый Материал изделия: Сталь Ст3 Покрытие: Грунт ГФ-021

2 950 руб.
Москва
Ограждение ОМВ 14-1 серии 1.050.9-4.93 верхних лестничных площадок

Ограждение ОМВ 14-1 серии 1.050.9-4.93 верхних лестничных площадок

Производство стандартных стальных лестничных ограждений — ПЕРИЛ марки ОМВ 14-1 по типовой серии 1.050.9-4.93 «Лестницы для многоэтажных общественных, административных и бытовых зданий и производственных зданий промышленных предприятий» (выпуск 3 «Стальные изделия»), разработанной ЦНИИпромзданий и введенной в действие в 1995 году (взамен серий 1.050.1-2 вып.2 и 1.050.1-3 вып.2). Размеры ограждения верхних лестничных площадок ОМВ 14-1 Металлические ограждения верхних лестничных площадок марки ОМВ 14-1 изготавливаются по типовым чертежам 1.050.9-4.93.3-58: * длина лестничного ограждения ОМВ 14-1 lом = 1400 мм * высота стоек — 1060 мм * количество стоек (с шагом 600 мм) — 3 шт. * высота решетчатого заполнения (с шагом 150 мм) — 710 мм Крепление ограждений лестничных площадок Крепление типовых стальных ограждений лестниц к железобетонным лестничным площадкам лестничных клеток жилых зданий выполняется по рабочим чертежам серии 2.150-1 (выпуск 1). При креплении ограждений сверху площадок, в плите, на расстоянии 140 мм от края, сверлятся отверстия под стойки ограждения, в которые вставляются эти стойки, после чего отверстия бетонируются. При креплении ограждений с торца, стойки ограждений лестничных площадок привариваются к закладным деталям, предусмотренным в железобетонных лестничных площадках, сварным швом длиной 100 ммПроизводитель: Собственное производство Высота: 1060 мм Установка изделия: На лестницу|На ступеньки Вид изделия: Перила Ширина: 40 мм Длина: 1400 мм Количество стоек: 3 Цвет: Красно-коричнывый Материал изделия: Сталь Ст3 Покрытие: Грунт ГФ-021

2 710 руб.
Москва
Перила ОП-12-4 серии 1.050.9-4.93 стальные ограждения лестничных площадок

Перила ОП-12-4 серии 1.050.9-4.93 стальные ограждения лестничных площадок

Производство стандартных стальных лестничных ограждений — ПЕРИЛ марки ОП 12-4 по типовой серии 1.050.9-4.93 (выпуск 3 «Лестницы для многоэтажных общественных, административных и бытовых зданий и производственных зданий промышленных предприятий. Стальные изделия»), разработанной ЦНИИпромзданий и введенной в действие в 1995 году (взамен серий 1.050.1-2 вып.2 и 1.050.1-3 вып.2). Размеры ограждения лестничных площадок ОП 12-4 Металлические перила марки ОП 12-4 изготавливаются по чертежам 1.050.9-4.93.3-91: * длина лестничного ограждения ОП 12-4 lом = 1228 мм, * высота стоек — 1510 мм, * высота решетчатого заполнения (с шагом 100 мм) — 1160 мм, * количество стоек (с шагом 600 мм) — 3Производитель: Собственное производство Высота: 1510 мм Установка изделия: На лестницу|На ступеньки Вид изделия: Перила Ширина: 40 мм Длина: 1228 мм Количество стоек: 3 Цвет: Красно-коричнывый Материал изделия: Сталь Ст3 Покрытие: Грунт ГФ-021

2 950 руб.
Москва
Перила ОП-12-1 серии 1.050.9-4.93 стальные ограждения лестничных площадок

Перила ОП-12-1 серии 1.050.9-4.93 стальные ограждения лестничных площадок

Производство стандартных стальных лестничных ограждений — ПЕРИЛ марки ОП 12-1 по типовой серии 1.050.9-4.93 «Лестницы для многоэтажных общественных, административных и бытовых зданий и производственных зданий промышленных предприятий» (выпуск 3 «Стальные изделия»), разработанной ЦНИИпромзданий и введенной в действие в 1995 году (взамен серий 1.050.1-2 вып.2 и 1.050.1-3 вып.2). Размеры ограждения лестничных площадок ОП 12-1 Металлические перила марки ОП 12-1 изготавливаются по чертежам 1.050.9-4.93.3-88: * длина лестничного ограждения ОП 12-1 lом = 1228 мм * высота стоек — 1060 мм * высота решетчатого заполнения (с шагом 150 мм) — 710 мм * количество стоек (с шагом 600 мм) — 3 шт.Производитель: Собственное производство Высота: 1060 мм Установка изделия: На лестницу|На ступеньки Вид изделия: Перила Ширина: 40 мм Длина: 1228 мм Количество стоек: 3 Цвет: Красно-коричнывый Материал изделия: Сталь Ст3 Покрытие: Грунт ГФ-021

2 360 руб.
Москва
Перила ОМ 17-4 серии 1.050.9-4.93 стальные ограждения лестниц

Перила ОМ 17-4 серии 1.050.9-4.93 стальные ограждения лестниц

Производство стандартных стальных лестничных ограждений - ПЕРИЛ марки ОМ 17-4 по типовой серии 1.050.9-4.93 ( (выпуск 3 «Лестницы для многоэтажных общественных, административных и бытовых зданий и производственных зданий промышленных предприятий. Стальные изделия.»), разработанной ЦНИИпромздеденной в действие в 1995 году (взамен серий 1.050.1-2 вып.2,1.050.1-3 вып.2 и 1.450-1 вып.2) Размеры перильного лестничного ограждения ОМ 17-4 Металлические перила марки ОМ 17-4 изготавливаются по чертежам 1.050.9-4.93.3-52 и оборудованы дополнительным поручнем, расположенным на 300 мм ниже основного поручня: * длина лестничного ограждения ОМ 17-4 в плане lом = 3070 мм, * длина поручня — 3432 мм, * высота стоек — 1510 мм, * высота решетчатого заполнения (с шагом 100 мм) — 1160 мм, * количество стоек (с шагом 600 мм) — 5, * уклон — 1:2, * угол наклона к горизонту — 26°34'. Типовые стальные перила марки ОМ 17-4 по серии 1.050.9-4.93.3 применяются в двухмаршевых лестничных клетках типа ЛК 33-15-2 зданий детских дошкольных учреждений (ДДУ) для устройства перильного ограждения высотой 1200 мм с дополнительным поручнем на высоте 900 мм. Ограждения ОМ 17-4 предназначены для установки на стандартные железобетонные ребристые лестничные марши с полуплощадкой типа ЛМП при высоте подъема марша hом = 1650 мм (высота этажа Hэ = 3,3 м) марок: * ЛМП 57.11.17-5, ЛМП 60.11.17-5, ЛМП 57.11.17-5-3 и ЛМП 60.11.17-5-3 с накладными бетонными проступями типа 1ЛН и 2ЛН по серии 1.050.9-4.93 (выпуск 1), либо серии 1.050.1-3 (выпуск 1), действовавшей с 1991 по 1994 год и серии 1.050.1-2 (выпуск 1), действовавшей с 1984 по 1991 год. Ограждения ОМ 17-4 также могут устанавливаться на другие стандартные железобетонные лестничные марши по ГОСТ 9818 при высоте подъема марша hом = 1650 мм (высота этажа Hэ = 3,3 м): * лестницы из накладных лестничных ступеней типа ЛС, ЛСВ, ЛСН и ЛСП по стальным косоурам марки ЛК 11 по серии 1.050.9-4.93 (выпуск 3); * ребристые лестничные марши марки ЛМ 165-115 по серии 1.150-КР-1 (выпуск 1); * лестничные марши ребристой конструкции с фризовыми ступенями марок 2ЛМФ 39.12.17-5, 2ЛМФ 39.14.17-5 и 2ЛМФ 39.15.17-5 с накладными проступями типа 1ЛН и 2ЛН по серии 1.251-4 (выпуск 1); * лестничные марши ребристой конструкции с фризовыми ступенями марок ЛМ-17.12, ЛМ-17.13 и ЛМ-17.15 с накладными проступями типа ЛН по серии 1.251-3 (выпуск 1), действовавшей с 1977 по 1984 год; * лестничные марши ребристой конструкции с фризовыми ступенями марок ЛМ 33.12, ЛМ 33.14 и ЛМ 33.15 с накладными проступями типа ЛН по серии 1.250-1 (выпуск 1), действовавшей с 1971 по 1977 год. * лестничные марш-площадки однокосоурные ребристой конструкции марки ЛМР 58.12.17-5Т, ЛМР 58.14.17-5Т и ЛМР 70.14.17-5Т по серии 1.258 КЛ-2 (выпуск 1-1); * лестничные марши с накладными мозаичными ступенями марки ЛМ 33-14 по серии ИИ-03-02 (альбом 30А).Производитель: Собственное производство Высота: 1510 мм Установка изделия: На лестницу|На ступеньки Вид изделия: Перила Ширина: 40 мм Длина: 3432 мм Количество стоек: 5 Цвет: Красно-коричнывый Материал изделия: Сталь Ст3 Покрытие: Грунт ГФ-021

4 200 руб.
Москва
Перила ОМ 11-4 серии 1.050.9-4.93 стальные ограждения лестниц

Перила ОМ 11-4 серии 1.050.9-4.93 стальные ограждения лестниц

Производство стандартных стальных лестничных ограждений — перил марки ОМ 11-4 по типовой серии 1.050.9-4.93 (выпуск 3 «Лестницы для многоэтажных общественных, административных и бытовых зданий и производственных зданий промышленных предприятий. Стальные изделия»), разработанной ЦНИИпромзданий и введенной в действие в 1995 году (взамен серий 1.050.1-2 вып.2 и 1.050.1-3 вып.2). Размеры лестничного ограждения ОМ 11-4 Металлические перила марки ОМ 11-4 изготавливаются по чертежам 1.050.9-4.93.3-55: * длина лестничного ограждения ОМ 11-4 в плане lом = 1870 мм * длина поручня — 2091 мм * высота стоек — 1510 мм * высота решетчатого заполнения (с шагом 100 мм) — 1160 мм * количество стоек (с шагом 600 мм) — 3 * уклон — 1:2 * угол наклона к горизонту — 26°34' Типовые стальные перила марки ОМ 11-4 по серии 1.050.9-4.93.3 применяются в двухмаршевых лестничных клетках зданий детских дошкольных учреждений (ДДУ) для устройства перильного ограждения высотой 1200 мм с дополнительным поручнем на высоте 900 мм. Ограждения ОМ 11-4 устанавливаются на лестницы из отдельных ступеней при высоте подъема марша hом = 1050 мм (лестница на 7 ступеней): * лестницы из накладных лестничных ступеней типа ЛС, ЛСВ, ЛСН, ЛСС и ЛСП по ГОСТ 8717.0-84 и ГОСТ 8717.1-84. В соответствии с требованиями ГОСТ 25772 стальные лестничные ограждения (перила) изготавливаются из углеродистой стали марок Ст3кп, Ст3пс и Ст1пс по ГОСТ 380 (стали С235 или С245 по ГОСТ 27772). Типовые стальные перила ОМ 11-4 рассчитаны на нагрузки, предусмотренные п. 8.3.2 СП 20.13330.2011 «Нагрузки и воздействия» (актуализированная редакция СНиП 2.01.07-85): горизонтальные нормативные нагрузки на поручни перил общественных зданий — 0,8 кН/м (80 кгс/м). Стальные лестничные ограждения изготавливаются сварными. Электро-дуговая сварка выполняется в соответствии с требованиями ГОСТ 23118, ГОСТ 5264, ГОСТ 14098 и ГОСТ 11534. Ограждения лестничного марша защищены от коррозии в соответствии с требованиями СП 28.13330.2012 «Защита строительных конструкций от коррозии» (актуализированная редакция СНиП 2.03.11-85): загрунтованы грунтом ГФ-021. При креплении перил сверху ступеней, в плите, на расстоянии 140 мм от края, сверлятся отвертия под стойки ограждения, в которые вставляются эти стойки, после чего отверстия бетонируются. При креплении ограждений с торца, стойки ограждений лестничных маршей привариваются к закладным деталям, предусмотренным в железобетонных лестничных маршах и накладных ступенях, сварным швом длиной 100 мм. Между собой лестничные ограждения связываются путем сварки с использованием металлических монтажных деталей.Производитель: Собственное производство Высота: 1510 мм Установка изделия: На лестницу|На ступеньки Вид изделия: Перила Ширина: 40 мм Длина: 2091 мм Количество стоек: 3 Цвет: Красно-коричнывый Материал изделия: Сталь Ст3 Покрытие: Грунт ГФ-021

2 950 руб.
Москва
Перила ОМ 14-1 серии 1.050.9-4.93 стальные ограждения лестниц

Перила ОМ 14-1 серии 1.050.9-4.93 стальные ограждения лестниц

Производство стандартных стальных лестничных ограждений — ПЕРИЛ марки ОМ 14-1 по типовой серии 1.050.9-4.93 «Лестницы для многоэтажных общественных, административных и бытовых зданий и производственных зданий промышленных предприятий» (выпуск 3 «Стальные изделия»), разработанной ЦНИИпромзданий и введенной в действие в 1995 году (взамен серий 1.050.1-2 вып.2 и 1.050.1-3 вып.2). Размеры лестничного ограждения ОМ 14-1 Металлические перила марки ОМ 14-1 изготавливаются по чертежам 1.050.9-4.93.3-37: * длина лестничного ограждения ОМ14-1 в плане lом = 2770 мм * длина поручня — 3057 мм * высота стоек — 1060 мм * высота решетчатого заполнения (с шагом 150 мм) — 710 мм * количество стоек (с шагом 600 мм) — 5 шт. * уклон — 7:15 * угол наклона к горизонту — 25°01' Типовые стальные перила марки ОМ 14-1 по серии 1.050.9-4.93.3 применяются в стандартных двухмаршевых лестничных клетках. Ограждения ОМ 14-1 разработаны для установки на стандартные железобетонные лестничные марши по ГОСТ 9818 при высоте подъема марша hом = 1400 мм (высота этажа hэ = 2.8 м): * на железо-бетонные ребристые лестничные марши с полуплощадкой марки ЛМП 57.11.14-5 и ЛМП 57.11.14-5-3 по серии 1.050.9-4.93 (выпуск 1), по серии 1.050.1-3 (выпуск 1), действовавшей с 1991 по 1994 год или по серии 1.050.1-2 (выпуск 1), действовавшей с 1984 по 1991 год.Производитель: Собственное производство Вид изделия: Перила Установка изделия: На лестницу|На ступеньки Длина: 3057 мм Высота: 1060 мм Ширина: 40 мм Цвет: Красно-коричнывый Материал изделия: Сталь Ст3 Покрытие: Грунт ГФ-021 Количество стоек: 5

4 340 руб.
Москва
ПОРУЧЕНЬ пластиковый ПВХ из полужесткого поливинилхлорида серого, коричневого и черного цвета

ПОРУЧЕНЬ пластиковый ПВХ из полужесткого поливинилхлорида серого, коричневого и черного цвета

Стандартный плоский пластиковый поручень типа ПЖО из полужесткого ПВХ (поливинилхлорида) по ГОСТ 19111 для установки на стальные стандартные лестничные ограждения - перила с поручнем из стальной полосы Пластиковый ПВХ поручень предлагаем следующих цветов: * серый * коричневый * черныйПлоский пластиковый ПВХ поручень ПП — накладка на типовые стальные перила с верхней полосой сечения: * 4×30 мм * 4×35 мм. * 4×40 мм. * 4×50 мм. * 5×30 мм. * 5×35 мм. * 5×40 мм. * 5×50 мм. * 6×40 мм. Лестничные ПВХ накладки – это высококачественное изделие из поливинилхлорида (ПВХ), используемое во время проведения отделочных работ для установки на металлическое полотно перил. Данные поручни изготовлены по ГОСТ 19111 и представляют из себя планку из полужесткого поливинилхлорида со специальным каналом, который используется для надежного крепления на металлической полосе. Стоимость плоской пластиковой накладки невысока, что позволяет минимизировать затраты на материалы для отделочных работ на объекте Стандартные поручни отличаются долговечностью и высокими потребительскими свойствами, в т.ч. химической стойкостью к щелочам, минеральным маслам, многим кислотам и растворителям Накладка легко устанавливается на металлические перила. Для монтажа накладки не требуется специального оборудования – она просто, легко и, что очень важно, быстро натягивается на металлическую полосу лестничного ограждения. Стальные лестничные ограждения - стандартные перила типов ЛО, МВ, ПВ, ОМВ и ОМН с пластиковым ПВХ поручнем устанавливаются на железобетонные лестничные марши в подъездах многоэтажных жилых домов, производственных и административных зданийВид изделия: Поручень Установка изделия: На лестницу Материал изделия: Поливинилхлорид

49 руб.
Москва
ОГП 7,5 Перильное ограждение площадок лестничных сходов 3.503.1-96

ОГП 7,5 Перильное ограждение площадок лестничных сходов 3.503.1-96

Осуществляем поставку в любой регион России и Казахстана стальных сварных ограждений площадок лестничных сходов марки ОГП 7,5 по типовой серии 3.503.1-96 «Сопряжения автодорожных мостов и путепроводов с насыпью» (выпуск 2-2 «Лестничные сходы. Металлические ограждения. Рабочие чертежи»), устанавливаемых на железобетонные лестницы автодорожных мостов и путепроводов. Размеры перильного ограждения ОГП-7,5п/л * Высота лестничного ограждения Hог = 1200 мм * Длина ограждения Lог = 750 мм * Длина поручня — 750 мм * Вес (масса) ограждения — 15,04 кгКонструкция ограждения ОГП-7,5л/п Стойки из стального горячекатаного квадрата 22х22 по ГОСТ 2591 * Высота стоек — 1200 мм * Количество стоек — 2 шт. * Шаг между стойками — 450 мм Поручень из стального горячекатаного равнополочного уголка 63х5 по ГОСТ 8509 * Длина поручня — 750 мм Струна из стальной спаренной горячекатаной полосы 4х25 по ГОСТ 103 * Длина струны — 750 мм * Количество струн — 1 шт. * Расстояние от поручня до струны — 960 мм Заполнение из круглого стального прутка диаметром 8 мм по ГОСТ 2590 или класса A-I (А240) по ГОСТ 5781 * Высота прутков заполнения — 950 мм * Шаг между прутками заполнения — 150 ммИспользуемые материалы В производстве ограждений ОГП лестничных сходов используется сертифицированный горячекатаный металлопрокат по ГОСТ 535 и ГОСТ 5781 из углеродистых сталей марок * Ст3кп по ГОСТ 380 (С235 по ГОСТ 27772),  * Ст3пс по ГОСТ 380 (С245 по ГОСТ 27772) или  * Ст3сп5 по ГОСТ 380 (С255 по ГОСТ 27772). Защита строительных стальных металлоконструкций от коррозии осуществляется с учетом рекомендаций раздела 9 (приложение Ц) свода правил СП 28.13330.2017 (актуализированная редакция СНиП 2.03.11-85) В качестве антикоррозионной защиты наносится один слой грунтовки ГФ-021 по ГОСТ 25129 (толщина слоя 15-20 мкм) и один или два слоя эмали ПФ-115 по ГОСТ 6465 (по требованию заказчика)Производитель: Собственное производство Высота: 1200 мм Установка изделия: На лестницу Вид изделия: Перила Ширина: 63 мм Длина: 750 мм Вес: 15.04 Цвет: Красно-коричнывый Материал изделия: Сталь Ст3 Покрытие: Грунтовка

1 540 руб.
Москва
ОГМ 21 Перильное ограждение лестничных сходов 3.503.1-96

ОГМ 21 Перильное ограждение лестничных сходов 3.503.1-96

Осуществляем поставку в любой регион России и Казахстана стальных сварных ограждений лестничных сходов марки ОГМ 21 по типовой серии 3.503.1-96 «Сопряжение автодорожных мостов и путепроводов с насыпью» (выпуск 2-2 «Лестничные сходы. Металлические ограждения. Рабочие чертежи»), устанавливаемых на железобетонные лестницы автодорожных мостов и путепроводов. Размеры перильного ограждения ОГМ-21п/л * Высота лестничного ограждения Hог = 1200 мм * Длина ограждения Lог = 4250 мм * Длина поручня — 4740 мм * Вес (масса) ограждения — 65,72 кгКонструкция ограждения ОГМ-21л/п Стойки — из стального горячекатаного квадрата 22×22 по ГОСТ 2591 * Высота стоек — 1200 мм * Количество стоек — 6 шт. * Шаг между стойками — 900 и 300 мм Поручень — из стального горячекатаного равнополочного уголка 63х5 по ГОСТ 8509 * Длина поручня — 4740 мм Струна — из стальной спаренной горячекатаной полосы 4х25 по ГОСТ 103 * Длина струны — 4740 мм * Количество струн — 1 шт. * Расстояние от поручня до струны — 960 мм Заполнение — из круглого стального прутка диаметром 8 мм по ГОСТ 2590 или класса A-I (А240) по ГОСТ 5781 * Высота прутков заполнения — 950 мм * Шаг между прутками заполнения — 150 ммИспользуемые материалы В производстве ограждений ОГМ лестничных сходов используем сертифицированный горячекатаный металлопрокат по ГОСТ 535 и ГОСТ 5781 из углеродистых сталей марок * Ст3кп по ГОСТ 380 (С235 по ГОСТ 27772),  * Ст3пс по ГОСТ 380 (С245 по ГОСТ 27772) или  * Ст3сп5 по ГОСТ 380 (С255 по ГОСТ 27772). Защита строительных стальных металлоконструкций от коррозии осуществляется с учетом рекомендаций раздела 9 (приложение Ц) свода правил СП 28.13330.2017 (актуализированная редакция СНиП 2.03.11-85) В качестве антикоррозионной защиты наносится один слой грунтовки ГФ-021 по ГОСТ 25129 (толщина слоя 15-20 мкм) и один или два слоя эмали ПФ-115 по ГОСТ 6465 (по требованию заказчика)Производитель: Собственное производство Высота: 1200 мм Установка изделия: На лестницу|На ступеньки Вид изделия: Перила Ширина: 63 мм Длина: 4740 мм Вес: 65.72 Покрытие: Грунтовка Материал изделия: Сталь Ст3 Цвет: Красно-коричнывый

6 610 руб.
Москва
МД 24.14-24.12Р Ограждение лестничных маршей серии 1.256.2-2

МД 24.14-24.12Р Ограждение лестничных маршей серии 1.256.2-2

Производство стандартных стальных лестничных ограждений - перил марки МД 24.14-24.12Р по чертежам типовой серии 1.256.2-2 «Металлические ограждения лестниц общественных зданий» (выпуск 1 «Ограждения лестниц зданий со стенами из кирпича с высотами этажей 2,8; 3,3; 3,6 и 4,2 м»), разработанной ЦНИИЭП учебных зданий и введенной в действие в 1987 году (взамен серии 1.256-1). Размеры лестничного перильного ограждения МД 24.14-24.12Р Металлические ограждения лестничного марша марки МД 24.14-24.12Р изготавливаются по типовым чертежам 1.256.2-2.1-03.00.0СБ: * длина лестничного ограждения МД 24.14-24.12Р в плане lом = 2400 мм * длина поручня — 2705 мм * высота стоек — 1420 мм * высота решетчатого заполнения (с шагом 100 мм) — 1180 мм * количество стоек (с шагом 600 и 900 мм) — 4 шт. * уклон — 156:300 * угол наклона к горизонту — 27°28'28" Типовые стальные перила марки МД 24.14-24.12Р по серии 1.256.2-2.1 могут применяются в стандартных двухмаршевых лестничных клетках зданий детских дошкольных учреждений (ДДУ) для устройства перильного ограждения высотой 1200 мм с дополнительным поручнем на высоте 820 мм. Ограждения МД 24.14-24.12Р предназначены для установки на стандартные железобетонные плоские лестничные марши плитной конструкции без фризовых ступеней при высоте подъема марша hом = 1400 мм (высота этажа hэ = 2,8 м) марок: * 1ЛМ 27.11.14-4 и 1ЛМ 27.12.14-4 по серии 1.151.1-6 (выпуск 1); * 1ЛМ 27.11.14-4П и 1ЛМ 27.12.14-4П из бетонов на пористых заполнителях по серии 1.151.1-6 (выпуск 2); * ЛМ 28.11п и ЛМ 28.12п по серии 1.151-1 (выпуск 1), действовавшей с 1970 по 1984 год. Ограждения МД 24.14-24.12Р также могут устанавливаться на другие стандартные железобетонные лестничные марши по ГОСТ 9818 при высоте подъема марша hом = 1400 мм (высота этажа hэ = 2,8 м): * на железобетонные лестничные марши ребристой конструкции с фризовыми ступенями марки ЛМ 28.11 и ЛМ 28.12 по серии 1.151-1 (выпуск 2), действовавшей с 1970 по 1984 год; * на железобетонные лестничные марши ребристой конструкции с фризовыми ступенями марки ЛМ 28.11 и ЛМ 28.11л по серии ИИ-03-02 (альбом 30-64), действовавшей с 1964 по 1969 год.Производитель: Собственное производство Высота: 1420 мм Установка изделия: На лестницу|На ступеньки Вид изделия: Перила Ширина: 40 мм Длина: 2705 мм Количество стоек: 4 Покрытие: Грунт ГФ-021 Материал изделия: Сталь Ст3 Цвет: Красно-коричнывый

5 810 руб.
Москва
ПОРУЧЕНЬ пластиковый ПВХ серого цвета — Накладка на стальную полосу полосу 4×40 стальных ограждений лестниц

ПОРУЧЕНЬ пластиковый ПВХ серого цвета — Накладка на стальную полосу полосу 4×40 стальных ограждений лестниц

Предлагаем стандартный пластиковый поручень ПЖО из полужесткого ПВХ серого цвета по ГОСТ 19111 для установки на стальные стандартные лестничные ограждения - перила с поручнем из стальной полосы сечением 4×40 мм. Плоский пластиковый ПВХ поручень ПП-40×4 — накладка на типовые стальные перила Лестничные ПВХ накладки – это высококачественное изделие из поливинилхлорида (ПВХ), используемое во время проведения отделочных работ для установки на металлическое полотно перил. Данные поручни изготовлены по ГОСТ 19111 и представляют из себя планку из полужесткого поливинилхлорида со специальным каналом, который используется для надежного крепления на металлической полосе. Стоимость плоской пластиковой накладки невысока, что позволяет минимизировать затраты на материалы для отделочных работ на объекте Стандартные поручни отличаются долговечностью и высокими потребительскими свойствами, в т.ч. химической стойкостью к щелочам, минеральным маслам, многим кислотам и растворителям Накладка ПП-40×4 легко устанавливается на металлические перила. Для монтажа накладки не требуется специального оборудования – она просто, легко и, что очень важно, быстро натягивается на металлическую полосу лестничного ограждения. Стальные лестничные ограждения - стандартные перила типов ЛО, МВ, ПВ, ОМВ и ОМН с пластиковым ПВХ поручнем устанавливаются на железобетонные лестничные марши в подъездах многоэтажных жилых домов, производственных и административных зданийЦвет: Светло-серый Вид изделия: Поручень Установка изделия: На лестницу Высота: 4 мм Ширина: 40 мм Материал изделия: Поливинилхлорид

49 руб.
Москва
ПОРУЧЕНЬ пластиковый ПВХ серого цвета — Накладка на стальную полосу полосу 4×30 стальных ограждений лестниц

ПОРУЧЕНЬ пластиковый ПВХ серого цвета — Накладка на стальную полосу полосу 4×30 стальных ограждений лестниц

Предлагаем стандартный пластиковый поручень ПЖО из полужесткого ПВХ серого цвета по ГОСТ 19111 для установки на стальные стандартные лестничные ограждения - перила с поручнем из стальной полосы сечением 4×30 мм. Плоский пластиковый ПВХ поручень ПП-30×4 — накладка на типовые стальные перила Лестничные ПВХ накладки – это высококачественное изделие из поливинилхлорида (ПВХ), используемое во время проведения отделочных работ для установки на металлическое полотно перил. Данные поручни изготовлены по ГОСТ 19111 и представляют из себя планку из полужесткого поливинилхлорида со специальным каналом, который используется для надежного крепления на металлической полосе. Стоимость плоской пластиковой накладки невысока, что позволяет минимизировать затраты на материалы для отделочных работ на объекте Стандартные поручни отличаются долговечностью и высокими потребительскими свойствами, в т.ч. химической стойкостью к щелочам, минеральным маслам, многим кислотам и растворителям Накладка ПП-30×4 легко устанавливается на металлические перила. Для монтажа накладки не требуется специального оборудования – она просто, легко и, что очень важно, быстро натягивается на металлическую полосу лестничного ограждения. Стальные лестничные ограждения - стандартные перила типов ЛО, МВ, ПВ, ОМВ и ОМН с пластиковым ПВХ поручнем устанавливаются на железобетонные лестничные марши в подъездах многоэтажных жилых домов, производственных и административных зданийЦвет: Светло-серый Вид изделия: Поручень Установка изделия: На лестницу Ширина: 30 мм Материал изделия: Поливинилхлорид

57 руб.
Москва
Перила ЛО-15 ограждения лестниц серии 1.050.9-4.93

Перила ЛО-15 ограждения лестниц серии 1.050.9-4.93

Производство стандартных стальных лестничных ограждений - перил марки ЛО 15, изготовленных по типовой серии 1.050.9-4.93 «Лестницы для многоэтажных общественных, административных и бытовых зданий и производственных зданий промышленных предприятий» (выпуск 3 «Стальные изделия»), разработанной ЦНИИпромзданий и введенной в действие в 1995 году (взамен серий 1.050.1-2 вып.2,1.050.1-3 вып.2 и 1.450-1 вып.2) Размеры лестничного ограждения ЛО-15 Металлические ограждения лестничных маршей марки ЛО 15 изготавливаются по типовым чертежам 1.050.9-4.93.3-104: * длина лестничного ограждения ЛО15 в плане lом = 3300 мм * длина поручня — 3690 мм * высота стоек — 980 мм * количество стоек (с шагом 600 мм) — 6 шт. * высота решетчатого заполнения — 680 мм * уклон — 1:2 * угол наклона к горизонту — 26°34' Типовые стальные перила марки ЛО 15 по серии 1.050.9-4.93.3 применяются в стандартных двухмаршевых лестничных клетках марок ЛК-36-15-2, ЛК-36-17-2, ЛК-72-15-2, ЛК-72-17-2, ЛК-36/48-15-2/3, ЛК-36/48-17-2/3 и в трехмаршевых лестничных клетках (с лифтами) марок ЛКЛ-48-15-3, ЛКЛ-48-17-3, ЛКЛ-48/60-15-3/4, ЛКЛ-48/60-17-3/4 по серии 1.050.9-4.93.0-1. Ограждения ЛО15 могут устанавливаться на стандартные железобетонные лестничные марши по ГОСТ 9818 при высоте подъема марша hом = 1800 мм (высота этажа hэ = 3,6 м) на: * железо-бетонные ребристые лестничные марши с полуплощадкой марки ЛМП 57.11.18-5, ЛМП 60.11.18-5, ЛМП 57.11.18-5-3 и ЛМП 60.11.18-5-3 с накладными бетонными проступями типа 1ЛН и 2ЛН по серии 1.050.9-4.93 (выпуск 1); * лестницы из накладных бетонных лестничных ступеней типа ЛС, ЛСВ, ЛСН и ЛСП по стальным косоурам марки ЛК-7 и ЛК-12 посерии 1.050.9-4.93 (выпуск 3); * железобетонные ребристые лестничные марши марки ЛМ 180-115 по серии 1.150-КР-1 (выпуск 1); * железобетонные лестничные марши ребристой конструкции с фризовыми ступенями марок 2ЛМФ 39.12.18-5, 2ЛМФ 39.14.18-5 и 2ЛМФ 39.15.18-5 с накладными проступями типа 1ЛН и 2ЛН по серии 1.251.1-4 (выпуск 1); * железобетонные лестничные марши ребристой конструкции с фризовыми ступенями марок ЛМ-18.12, ЛМ-18.13 и ЛМ-18.15 с накладными проступями типа ЛН по серии 1.251-3 (выпуск 1), действовавшей с 1977 по 1984 год; * железобетонные лестничные марши ребристой конструкции с фризовыми ступенями марок ЛМ 36.12, ЛМ 36.14 и ЛМ 36.15 с накладными проступями типа ЛН по серии 1.250-1 (выпуск 2), действовавшей с 1971 по 1977 год; * железобетонные лестничные марш-площадки однокосоурные ребристой конструкции марки ЛМР 58.12.18-5Т и ЛМР 70.12.18-5Т по серии 1.258 КЛ-2 (выпуск 1-1)Крепление лестничных ограждений Крепление типовых стальных ограждений лестниц к железобетонным лестничным маршам и ступеням лестничных клеток жилых зданий выполняется по рабочим чертежам серии 2.150-1 (выпуск 1). При креплении ограждений сверху ступеней на расстоянии 140 мм от края сверлятся отверстия под стойки ограждения, в которые вставляются эти стойки, после чего отверстия бетонируются. При креплении ограждений с торца, стойки ограждений лестничных маршей привариваются к закладным деталям, предусмотренным в железобетонных лестничных маршах или накладных ступенях, сварным швом длиной 100 мм. Между собой лестничные ограждения связываются путем сварки с использованием металлических монтажных деталейПроизводитель: Собственное производство Вид изделия: Перила Установка изделия: На лестницу|На ступеньки Длина: 3690 мм Высота: 980 мм Ширина: 40 мм Цвет: Красно-коричнывый Материал изделия: Сталь Ст3 Покрытие: Грунт ГФ-021 Количество стоек: 6

4 500 руб.
Москва
ПЕРИЛА ЛО 30.9Р-1 Стальные ограждения лестниц 5262-001-43044904

ПЕРИЛА ЛО 30.9Р-1 Стальные ограждения лестниц 5262-001-43044904

Производство стандартных стальных лестничных ограждений — перил марки ЛО 30.9Р-1 по ТУ 5262-001-43049904-2020, являющихся аналогом ограждения лестниц марки ЛО-14 по типовой серии 1.050.9-4.93 «Лестницы для многоэтажных общественных, административных и бытовых зданий и производственных зданий промышленных предприятий» (выпуск 3 «Стальные изделия»), разработанной ЦНИИпромзданий и введенной в действие в 1995 году, а также ограждений ЛО-14 по серии 1.450-1 вып.2, действовавшей с 1973 по 1995 год Размеры лестничного ограждения ЛО 30.9Р-1 Металлические ограждения лестничных маршей марки ЛО 30.9Р-1 изготавливаются по чертежам, разработанным на основании типовых чертежей 1.050.9-4.93.3-103 и 1.450-1.2-11: * Длина лестничного ограждения ЛО 30.9Р-1 в плане — 3000 мм * длина поручня — 3354 мм * высота стоек — 980 мм * количество стоек (с шагом 600 и 900 мм) — 5 шт. * высота решетчатого заполнения (с шагом 150 мм) — 680 мм * уклон — 1:2 * угол наклона к горизонту — 26°34' Конструкция лестничного ограждения ЛО 30.9Р-1 * Каркасы и поручни перил выполняются из стальной полосы по ГОСТ 103 толщиной 4 мм и шириной 40 мм, * решетчатое заполнение — из стального круглого проката по ГОСТ 2590 диаметром 8 мм или гладкого прутка класса А-I (А240) по ГОСТ 5781 диаметром 8 мм (пруток МД-8×670-А240 по ГОСТ 34028), * стойки — из стальной прямоугольной трубы по ГОСТ 8645 сечением 40×25 мм. Типовые стальные перила марки ЛО 30.9Р-1 по ТУ 5262-001-43044904-2020, как и перила ЛО-14 по серии 1.050.9-4.93.3, применяются в стандартных двухмаршевых лестничных клетках марок ЛК-33-15-2, ЛК-33-17-2, ЛК-33/42-15-2/3 и ЛК-33/42-17-2/3 и в трехмаршевых лестничных клетках (с лифтами) марок ЛКЛ-33/42-15-2/3 и ЛКЛ-33/42-17-2/3 по серии 1.050.9-4.93.0-1. Они устанавливаются на стандартные лестницы из накладных бетонных лестничных ступеней типа ЛС, ЛСВ, ЛСН и ЛСП по ГОСТ 8717, уложенных по стальным косоурам марки ЛК-11 по серии 1.050.9-4.93.3. Ограждения ЛО 30.9Р-1 также могут устанавливаться на другие стандартные железобетонные лестничные марши по ГОСТ 9818 при высоте подъема марша hом = 1650 мм (высота этажа Hэ = 3,3 м): * ЛМП 57.11.17-5, ЛМП 60.11.17-5, ЛМП 57.11.17-5-3 и ЛМП 60.11.17-5-3 с накладными бетонными проступями типа 1ЛН и 2ЛН по серии 1.050.9-4.93 (выпуск 1), либо серии 1.050.1-3 (выпуск 1), действовавшей с 1991 по 1994 год и серии 1.050.1-2 (выпуск 1), действовавшей с 1984 по 1991 год; * ребристые лестничные марши марки ЛМ 165-115 по серии 1.150-КР-1 (выпуск 1); * лестничные марши ребристой конструкции с фризовыми ступенями марок 2ЛМФ 39.12.17-5, 2ЛМФ 39.14.17-5 и 2ЛМФ 39.15.17-5 с накладными проступями типа 1ЛН и 2ЛН по серии 1.251-4 (выпуск 1); * лестничные марши ребристой конструкции с фризовыми ступенями марок ЛМ-17.12, ЛМ-17.13 и ЛМ-17.15 с накладными проступями типа ЛН по серии 1.251-3 (выпуск 1), действовавшей с 1977 по 1984 год; * лестничные марши ребристой конструкции с фризовыми ступенями марок ЛМ 33.12, ЛМ 33.14 и ЛМ 33.15 с накладными проступями типа ЛН по серии 1.250-1 (выпуск 1), действовавшей с 1971 по 1977 год. * лестничные марш-площадки однокосоурные ребристой конструкции марки ЛМР 58.12.17-5Т, ЛМР 58.14.17-5Т и ЛМР 70.14.17-5Т по серии 1.258 КЛ-2 (выпуск 1-1); * лестничные марши с накладными мозаичными ступенями марки ЛМ 33-14 по серии ИИ-03-02 (альбом 30А)Крепление лестничных ограждений Монтаж типовых стальных ограждений лестниц к железобетонным лестничным маршам и ступеням лестничных клеток жилых зданий выполняется по рабочим чертежам серий 1.450-1 (выпуск 0) и 2.150-1 (выпуск 1). При креплении ограждений сверху ступеней на расстоянии 140 мм от края сверлятся отверстия под стойки ограждения, в которые вставляются эти стойки, после чего отверстия бетонируются. При креплении ограждений с торца, стойки ограждений лестничных маршей привариваются к закладным деталям, предусмотренным в железобетонных лестничных маршах или накладных ступенях, сварным швом длиной 100..120 мм. Между собой лестничные ограждения связываются путем сварки с использованием металлических монтажных деталейПроизводитель: Собственное производство Вид изделия: Перила Установка изделия: На лестницу|На ступеньки Длина: 3354 мм Высота: 980 мм Ширина: 40 мм Покрытие: Грунт ГФ-021 Материал изделия: Сталь Ст3 Количество стоек: 5 Цвет: Красно-коричнывый

3 970 руб.
Москва
Перила ЛО-13 ограждения лестниц серии 1.050.9-4.93

Перила ЛО-13 ограждения лестниц серии 1.050.9-4.93

Производство стандартных стальных лестничных ограждений — перил марки ЛО 13 по типовой серии 1.050.9-4.93 «Лестницы для многоэтажных общественных, административных и бытовых зданий и производственных зданий промышленных предприятий» (выпуск 3 «Стальные изделия»), разработанной ЦНИИпромзданий и введенной в действие в 1995 году (взамен серий 1.050.1-2 вып.2,1.050.1-3 вып.2 и 1.450-1 вып.2) Размеры лестничного ограждения ЛО-13 Металлические ограждения лестничных маршей марки ЛО 13 изготавливаются по типовым чертежам 1.050.9-4.93.3-102: * длина лестничного ограждения ЛО 13 в плане — 2700 мм * длина поручня — 3019 мм * высота стоек — 980 мм * количество стоек (с шагом 600 мм) — 5 шт. * высота решетчатого заполнения (с шагом 150 мм) — 680 мм * уклон — 1:2 * угол наклона к горизонту — 26°34' Типовые стальные перила марки ЛО 13 по серии 1.050.9-4.93.3 применяются в стандартных двухмаршевых лестничных клетках марок ЛК-60-15-4, ЛК-60-17-4, ЛК-60/72-15-4/5 и ЛК-60/72-17-4/5, а также в трехмаршевых лестничных клетках с лифтами марок ЛКЛ-42-15-3, ЛКЛ-42-17-3, ЛКЛ-48/60-15-3/4, ЛКЛ-48/60-17-3/4, ЛКЛ-60/72-15-4/5 и ЛКЛ-60/72-17-4/5 по серии 1.050.9-4.93.0-1. Ограждения ЛО13 устанавливаются на стандартные железобетонные лестницы многоэтажных зданий при высоте подъема марша hом = 1500 мм: на лестницы из накладных бетонных лестничных ступеней типа ЛС, ЛСВ, ЛСН и ЛСП по стальным косоурам марок ЛК-5, ЛК-10 и ЛК-23 по серии 1.050.9-4.93.3 Крепление лестничных ограждений Крепление типовых стальных ограждений лестниц к железобетонным лестничным маршам и ступеням лестничных клеток жилых зданий выполняется по рабочим чертежам серии 2.150-1 (выпуск 1). При креплении ограждений сверху ступеней на расстоянии 140 мм от края сверлятся отверстия под стойки ограждения, в которые вставляются эти стойки, после чего отверстия бетонируются. При креплении ограждений с торца, стойки ограждений лестничных маршей привариваются к закладным деталям, предусмотренным в железобетонных лестничных маршах или накладных ступенях, сварным швом длиной 100 мм. Между собой лестничные ограждения связываются путем сварки с использованием металлических монтажных деталейПроизводитель: Собственное производство Вид изделия: Перила Установка изделия: На лестницу|На ступеньки Длина: 3019 мм Высота: 980 мм Ширина: 40 мм Цвет: Красно-коричнывый Материал изделия: Сталь Ст3 Покрытие: Грунт ГФ-021 Количество стоек: 5

3 880 руб.
Москва
Перила ЛО-12 ограждения лестниц серии 1.050.9-4.93

Перила ЛО-12 ограждения лестниц серии 1.050.9-4.93

Производство стандартных стальных лестничных ограждений — ПЕРИЛ марки ЛО 12 по типовой серии 1.050.9-4.93 «Лестницы для многоэтажных общественных, административных и бытовых зданий и производственных зданий промышленных предприятий» (выпуск 3 «Стальные изделия»), разработанной ЦНИИпромзданий и введенной в действие в 1995 году (взамен серий 1.050.1-2 вып.2,1.050.1-3 вып.2 и 1.450-1 вып.2) Размеры лестничного ограждения ЛО-12 Металлические ограждения лестничных маршей марки ЛО 12 изготавливаются по типовым чертежам 1.050.9-4.93.3-101: * длина лестничного ограждения ЛО 12 в плане — 2400 мм * длина поручня — 2683 мм * высота стоек — 980 мм * количество стоек (с шагом 600 и 900 мм) — 4 шт. * высота решетчатого заполнения (с шагом 150 мм) — 680 мм * уклон — 1:2 * угол наклона к горизонту — 26°34' Типовые стальные перила марки ЛО 12 по серии 1.050.9-4.93.3 применяются в стандартных двухмаршевых лестничных клетках марок ЛК-54-15-4 и ЛК-54-17-4, а также в трехмаршевых лестничных клетках (с лифтами) марок ЛКЛ-33/42-15-2/3 и , ЛКЛ-33/42-17-2/3 по серии 1.050.9-4.93.0-1. Ограждения ЛО12 устанавливаются на стандартные железобетонные лестницы многоэтажных зданий при высоте подъема марша hом = 1350 мм: на лестницы из накладных бетонных лестничных ступеней типа ЛС, ЛСВ, ЛСН и ЛСП по стальным косоурам марок ЛК-4, ЛК-9 и ЛК-22 по серии 1.050.9-4.93.3 Крепление лестничных ограждений Крепление типовых стальных ограждений лестниц к железобетонным лестничным маршам и ступеням лестничных клеток жилых зданий выполняется по рабочим чертежам серии 2.150-1 (выпуск 1). При креплении ограждений сверху ступеней на расстоянии 140 мм от края сверлятся отверстия под стойки ограждения, в которые вставляются эти стойки, после чего отверстия бетонируются. При креплении ограждений с торца, стойки ограждений лестничных маршей привариваются к закладным деталям, предусмотренным в железобетонных лестничных маршах или накладных ступенях, сварным швом длиной 100 мм. Между собой лестничные ограждения связываются путем сварки с использованием металлических монтажных деталейПроизводитель: Собственное производство Вид изделия: Перила Установка изделия: На лестницу|На ступеньки Длина: 2683 мм Высота: 980 мм Ширина: 40 мм Цвет: Красно-коричнывый Материал изделия: Сталь Ст3 Покрытие: Грунт ГФ-021 Количество стоек: 4

3 500 руб.
Москва
ОГМ 27 Перильное ограждение лестничных сходов 3.503.1-96

ОГМ 27 Перильное ограждение лестничных сходов 3.503.1-96

Осуществляем поставку в любой регион России и Казахстана стальных сварных ограждений лестничных сходов марки ОГМ 27 по типовой серии 3.503.1-96 «Сопряжения автодорожных мостов и путепроводов с насыпью» (выпуск 2-2 «Лестничные сходы. Металлические ограждения. Рабочие чертежи»), устанавливаемых на железобетонные лестницы автодорожных мостов и путепроводов. Размеры перильного ограждения ОГМ-27п/л * Высота лестничного ограждения Hог = 1200 мм * Длина ограждения Lог = 5450 мм * Длина поручня — 6082 мм * Вес (масса) ограждения — 81,43 кгКонструкция ограждения ОГМ-27л/п Стойки из стального горячекатаного квадрата 22х22 по ГОСТ 2591 * Высота стоек — 1200 мм * Количество стоек — 7 шт. * Шаг между стойками — 900 и 600 мм Поручень из стального горячекатаного равнополочного уголка 63х5 по ГОСТ 8509 * Длина поручня — 6082 мм Струна из стальной спаренной горячекатаной полосы 4х25 по ГОСТ 103 * Длина струны — 6082 мм * Количество струн — 1 шт. * Расстояние от поручня до струны — 960 мм Заполнение из круглого стального прутка диаметром 8 мм по ГОСТ 2590 или класса A-I (А240) по ГОСТ 5781 * Высота прутков заполнения — 950 мм * Шаг между прутками заполнения — 150 ммИспользуемые материалы В производстве ограждений ОГМ лестничных сходов используется сертифицированный горячекатаный металлопрокат по ГОСТ 535 и ГОСТ 5781 из углеродистых сталей марок * Ст3кп по ГОСТ 380 (С235 по ГОСТ 27772),  * Ст3пс по ГОСТ 380 (С245 по ГОСТ 27772) или  * Ст3сп5 по ГОСТ 380 (С255 по ГОСТ 27772). Защита строительных стальных металлоконструкций от коррозии осуществляется с учетом рекомендаций раздела 9 (приложение Ц) свода правил СП 28.13330.2017 (актуализированная редакция СНиП 2.03.11-85) В качестве антикоррозионной защиты наносится один слой грунтовки ГФ-021 по ГОСТ 25129 (толщина слоя 15-20 мкм) и один или два слоя эмали ПФ-115 по ГОСТ 6465 (по требованию заказчика)Производитель: Собственное производство Вид изделия: Перила Установка изделия: На лестницу|На ступеньки Длина: 6080 мм Высота: 1200 мм Ширина: 63 мм Цвет: Красно-коричнывый Материал изделия: Сталь Ст3 Покрытие: Грунтовка Вес: 81.43

8 140 руб.
Москва
Перила ОМ 17-1 серии 1.050.9-4.93 Стальные ограждения лестниц

Перила ОМ 17-1 серии 1.050.9-4.93 Стальные ограждения лестниц

Производство стандартных стальных лестничных ограждений - ПЕРИЛ марки ОМ 17-1 по типовой серии 1.050.9-4.93 «Лестницы для многоэтажных общественных, административных и бытовых зданий и производственных зданий промышленных предприятий» (выпуск 3 «Стальные изделия»), разработанной ЦНИИпромзданий и введенной в действие в 1995 году (взамен серий 1.050.1-2 вып.2 и 1.050.1-3 вып.2). Размеры лестничного ограждения ОМ 17-1 Металлические ограждения лестничных маршей марки ОМ 17-1 изготавливаются по типовым чертежам 1.050.9-4.93.3-46: * длина лестничного ограждения ОМ17-1 в плане lом = 3070 мм * длина поручня — 3432 мм * высота стоек — 1060 мм * количество стоек (с шагом 600 мм) — 5 шт. * высота решетчатого заполнения (с шагом 150 мм) — 710 мм * уклон — 1:2 * угол наклона к горизонту — 26°34' Типовые стальные перила марки ОМ 17-1 по серии 1.050.9-4.93.3 применяются в стандартных двухмаршевых лестничных клетках марок ЛК-33-15-2, ЛК-33-17-2, ЛК-33/42-15-2/3 и ЛК-33/42-17-2/3 и в трехмаршевых лестничных клетках с лифтами марок ЛКЛ-33/42-15-2/3 и ЛКЛ-33/42-17-2/3. Перильные ограждения ОМ17-1 предназначены для установки на стандартные железобетонные ребристые лестничные марши с двумя полуплощадками типа ЛМП при высоте подъема марша hом = 1650 мм (высота этажа Hэ = 3,3 м) и длине марша lом = 3000 мм марок: * ЛМП 57.11.17-5, ЛМП 60.11.17-5, ЛМП 57.11.17-5-3 и ЛМП 60.11.17-5-3 с накладными бетонными проступями типа 1ЛН и 2ЛН по серии 1.050.9-4.93 (выпуск 1), либо серии 1.050.1-3 (выпуск 1), действовавшей с 1991 по 1994 год и серии 1.050.1-2 (выпуск 1), действовавшей с 1984 по 1991 год. Ограждения ОМ 17-1 также могут крепиться к другим стандартным железобетонным лестничным маршам по ГОСТ 9818 при высоте подъема марша hом = 1650 мм (высота этажа Hэ = 3.3 м) и длине марша lом = 3000 мм: * лестничные марши ребристой конструкции с фризовыми ступенями марок ЛМФ 39.12.17-5, ЛМФ 39.14.17-5 и ЛМФ 39.15.17-5 с накладными проступями типа 1ЛН и 2ЛН по ГОСТ 9818; * лестничные марши ребристой конструкции с двумя полуплощадками марок ЛМП 57.11.17-5 и ЛМП 60.11.17-5 с накладными проступями типа 1ЛН и 2ЛН по ГОСТ 9818; * лестницы из накладных лестничных ступеней типа ЛС, ЛСВ, ЛСН и ЛСП по стальным косоурам марки ЛК 11 по серии 1.050.9-4.93 (выпуск 3); * ребристые лестничные марши марки ЛМ 165-115 по серии 1.150-КР-1 (выпуск 1); * ребристые лестничные марши с двумя полуплощадками марки ЛМ 57.14.17 с накладными бетонными проступями типа 1ЛН и 2ЛН по серии 1.020-1 (выпуск 7-1); * лестничные марши ребристой конструкции с фризовыми ступенями марок 2ЛМФ 39.12.17-5, 2ЛМФ 39.14.17-5 и 2ЛМФ 39.15.17-5 с накладными проступями типа 1ЛН и 2ЛН по серии 1.251-4 (выпуск 1); * лестничные марши ребристой конструкции с фризовыми ступенями марок ЛМ-17.12, ЛМ-17.13 и ЛМ-17.15 с накладными проступями типа ЛН по серии 1.251-3 (выпуск 1), действовавшей с 1977 по 1984 год; * лестничные марши ребристой конструкции с фризовыми ступенями марок ЛМ 33.12, ЛМ 33.14 и ЛМ 33.15 с накладными проступями типа ЛН по серии 1.250-1 (выпуск 1), действовавшей с 1971 по 1977 год. * лестничные марш-площадки однокосоурные ребристой конструкции марки ЛМР 58.12.17-5Т, ЛМР 58.14.17-5Т и ЛМР 70.14.17-5Т по серии 1.258 КЛ-2 (выпуск 1-1); * лестничные марши с накладными мозаичными ступенями марки ЛМ 33-14 по серии ИИ-03-02 (альбом 30А).Крепление лестничных ограждений Крепление типовых стальных перил к железобетонным лестничным маршам и ступеням лестничных клеток жилых зданий выполняется по рабочим чертежам серии 2.250-1 «Детали лестниц общественных зданий» (выпуски 1 и 3 «Лестницы каркасно-панельных зданий»). Монтаж металлических ограждений лестниц должен осуществляться до укладки накладных проступей. При креплении ограждений сверху ступеней на расстоянии 140 мм от края сверлятся отверстия под стойки ограждения, в которые вставляются эти стойки, после чего отверстия бетонируются. При креплении ограждений с торца, стойки ограждений лестничных маршей привариваются к закладным деталям, предусмотренным в железобетонных лестничных маршах или накладных ступенях, сварным швом длиной 80..100 мм. Торцы ограждений нисходящего и восходящего маршей соединяются между собой с помощью металлических планок (монтажных деталей) на сварке Соединение с ограждениями верхней ОМВ и нижней ОМН площадок выполняются на сварке стыковыми швами С13-РшПроизводитель: Собственное производство Вид изделия: Перила Установка изделия: На лестницу|На ступеньки Длина: 3432 мм Высота: 1060 мм Ширина: 40 мм Цвет: Красно-коричнывый Материал изделия: Сталь Ст3 Покрытие: Грунт ГФ-021 Количество стоек: 5

4 600 руб.
Москва
МВ 30.17-30.9Р Ограждение лестничных маршей серии 1.256.2-2

МВ 30.17-30.9Р Ограждение лестничных маршей серии 1.256.2-2

Производство стандартных стальных лестничных ограждений - ПЕРИЛ марки МВ 30.17-30.9Р по чертежам типовой серии 1.256.2-2 «Металлические ограждения лестниц общественных зданий» (выпуск 1 «Ограждения лестниц зданий со стенами из кирпича с высотами этажей 2,8; 3,3; 3,6 и 4,2 м»), разработанной ЦНИИЭП учебных зданий и введенной в действие в 1987 году (взамен серии 1.256-1). Размеры перильного лестничного ограждения МВ 30.17-30.9Р Металлические ограждения лестничных маршей марки МВ 30.17-30.9Р изготавливаются по типовым чертежам 1.256.2-2.1-01.00.0СБ: * длина лестничного ограждения МВ30.17-30.9Р в плане lом = 3000 мм * длина поручня — 3354 мм * высота стоек — 1120 мм * количество стоек (с шагом 900 мм) — 4 шт. * высота решетчатого заполнения (с шагом 150 мм) — 800 мм * уклон — 1:2 * угол наклона к горизонту — 26°34' Типовые стальные перила марки МВ 30.17-30.9Р по серии 1.256.2-2.1 могут применяются в стандартных двухмаршевых лестничных клетках марок ЛК-33-15-2, ЛК-33-17-2, ЛК-33/42-15-2/3 и ЛК-33/42-17-2/3 и в трехмаршевых лестничных клетках с лифтами марок ЛКЛ-33/42-15-2/3 и ЛКЛ-33/42-17-2/3. Ограждения МВ 30.17-30.9Р предназначены для установки на стандартные железобетонные лестничные марши ребристой конструкции с фризовыми ступенями при высоте подъема марша hом = 1650 мм (11 ступеней, высота этажа hэ = 3,3 м) марок: * 2ЛМФ 39.12.17-5, 2ЛМФ 39.14.17-5 и 2ЛМФ 39.15.17-5 с накладными проступями типа 1ЛН и 2ЛН по серии 1.251-4 (выпуск 1); * ЛМ-17.12, ЛМ-17.13 и ЛМ-17.15 с накладными проступями типа ЛН по серии 1.251-3 (выпуск 1), действовавшей с 1977 по 1984 год; * ЛМ 33.12, ЛМ 33.14 и ЛМ 33.15 с накладными проступями типа ЛН по серии 1.250-1 (выпуск 1), действовавшей с 1971 по 1977 год. Ограждения МВ 30.17-30.9Р также могут устанавливаться на другие стандартные железобетонные лестничные марши по ГОСТ 9818 при высоте подъема марша hом = 1650 мм (11 ступеней, высота этажа hэ = 3,3 м): * железо-бетонные ребристые лестничные марши с полуплощадкой марки ЛМП 57.11.17-5, ЛМП 60.11.17-5, ЛМП 57.11.17-5-3 и ЛМП 60.11.17-5-3 с накладными бетонными проступями типа 1ЛН и 2ЛН по серии 1.050.9-4.93 (выпуск 1), * лестницы из накладных лестничных ступеней типа ЛС, ЛСВ, ЛСН и ЛСП по стальным косоурам марки ЛК 11 по серии 1.050.9-4.93 (выпуск 3), * железобетонные ребристые лестничные марши марки ЛМ 165-115 по серии 1.150-КР-1 (выпуск 1), * железобетонные лестничные марш-площадки однокосоурные ребристой конструкции марки ЛМР 58.12.17-5Т, ЛМР 58.14.17-5Т и ЛМР 70.14.17-5Т по серии 1.258 КЛ-2 (выпуск 1-1) и * железобетонные лестничные марши с накладными мозаичными ступенями марки ЛМ 33-14 по серии ИИ-03-02 (альбом 30А). * Крепление лестничных ограждений Крепление типовых стальных ограждений лестниц к железобетонным лестничным маршам и ступеням лестничных клеток жилых зданий выполняется по рабочим чертежам серии 2.150-1 (выпуск 1). При креплении ограждений сверху ступеней на расстоянии 140 мм от края сверлятся отверстия под стойки ограждения, в которые вставляются эти стойки, после чего отверстия бетонируются. При креплении ограждений с торца, стойки ограждений лестничных маршей привариваются к закладным деталям, предусмотренным в железобетонных лестничных маршах или накладных ступенях, сварным швом длиной 100 мм. Между собой лестничные ограждения связываются путем сварки с использованием металлических монтажных деталейПроизводитель: Собственное производство Материал изделия: Металл Покрытие: Краска Вид изделия: Перила Длина: 3354 мм Высота: 1120 мм Ширина: 40 мм Количество стоек: 4

4 330 руб.
Москва
Перила ОМ 18-1 серии 1.050.9-4.93 стальные ограждения лестниц

Перила ОМ 18-1 серии 1.050.9-4.93 стальные ограждения лестниц

Производство стандартных стальных лестничных ограждений - ПЕРИЛ марки ОМ 18-1 по типовой серии 1.050.9-4.93 (выпуск 3 «Лестницы для многоэтажных общественных, административных и бытовых зданий и производственных зданий промышленных предприятий. Стальные изделия»), разработанной ЦНИИпромзданий и введенной в действие в 1995 году (взамен серий 1.050.1-2 вып.2,1.050.1-3 вып.2 и 1.450-1 вып.2) Размеры лестничного ограждения ОМ 18-1 Металлические перила марки ОМ 18-1 изготавливаются по чертежам 1.050.9-4.93.3-39: * длина лестничного ограждения ОМ18-1 в плане lом = 3370 мм * длина поручня — 3768 мм * высота стоек — 1060 мм * высота решетчатого заполнения (с шагом 150 мм) — 710 мм * количество стоек (с шагом 600 мм) — 6 шт. * уклон — 1:2 * угол наклона к горизонту — 26°34' Типовые стальные перила марки ОМ 18-1 по серии 1.050.9-4.93.3 применяются в стандартных двухмаршевых лестничных клетках марок ЛК-36-15-2, ЛК-36-17-2, ЛК-72-15-4, ЛК-72-17-4, ЛК-36/48-15-2/3, ЛК-36/48-17-2/3 и в трехмаршевых лестничных клетках с лифтами марок ЛКЛ-48-15-3, ЛКЛ-48-17-3, ЛКЛ-48/60-15-3/4, ЛКЛ-48/60-17-3/4. Перильные ограждения ОМ18-1 могут устанавливаться на стандартные железобетонные лестничные марши по ГОСТ 9818 при высоте подъема марша hом = 1800 мм (высота этажа Hэ = 3,6 м) и длине марша lом = 3300 мм : * железо-бетонные ребристые лестничные марши с полуплощадкой марки ЛМП 57.11.18-5, ЛМП 60.11.18-5, ЛМП 57.11.18-5-3 и ЛМП 60.11.18-5-3 с накладными бетонными проступями типа 1ЛН и 2ЛН по серии 1.050.9-4.93 (выпуск 1); * лестничные марши ребристой конструкции с фризовыми ступенями марок ЛМФ 42.12.18-5, ЛМФ 42.14.18-5 и ЛМФ 42.15.18-5 с накладными проступями типа 1ЛН и 2ЛН по ГОСТ 9818; * лестничные марши ребристой конструкции с двумя полуплощадками марок ЛМП 57.11.18-5 с накладными проступями типа 1ЛН и 2ЛН по ГОСТ 9818; * лестницы из накладных бетонных лестничных ступеней типа ЛС, ЛСВ, ЛСН и ЛСП по стальным косоурам марки ЛК 7 и ЛК 12 по серии 1.050.9-4.93 (выпуск 3); * железобетонные ребристые лестничные марши марки ЛМ 180-115 по серии 1.150-КР-1 (выпуск 1); * ребристые лестничные марши с двумя полуплощадками марки ЛМ 57.14.18 с накладными бетонными проступями типа 1ЛН и 2ЛН по серии 1.020-1 (выпуск 7-1); * железобетонные лестничные марши ребристой конструкции с фризовыми ступенями марок 2ЛМФ 39.12.18-5, 2ЛМФ 39.14.18-5 и 2ЛМФ 39.15.18-5 с накладными проступями типа 1ЛН и 2ЛН по серии 1.251.1-4 (выпуск 1); * железобетонные лестничные марши ребристой конструкции с фризовыми ступенями марок ЛМ-18.12, ЛМ-18.13 и ЛМ-18.15 с накладными проступями типа ЛН по серии 1.251-3 (выпуск 1), действовавшей с 1977 по 1984 год; * железобетонные лестничные марши ребристой конструкции с фризовыми ступенями марок ЛМ 36.12, ЛМ 36.14 и ЛМ 36.15 с накладными проступями типа ЛН по серии 1.250-1 (выпуск 2), действовавшей с 1971 по 1977 год; * железобетонные лестничные марш-площадки однокосоурные ребристой конструкции марки ЛМР 58.12.18-5Т и ЛМР 70.12.18-5Т по серии 1.258 КЛ-2 (выпуск 1-1).Крепление лестничных ограждений Крепление типовых стальных перил к железобетонным лестничным маршам и ступеням лестничных клеток производственных зданий выполняется по рабочим чертежам серии 2.250-1 «Детали лестниц общественных зданий» (выпуски 1 и 3 «Лестницы каркасно-панельных зданий»). Монтаж металлических ограждений лестниц должен осуществляться до укладки накладных проступей. При креплении ограждений сверху ступеней на расстоянии 140 мм от края сверлятся отверстия под стойки ограждения, в которые вставляются эти стойки, после чего отверстия бетонируются. При креплении ограждений с торца, стойки ограждений лестничных маршей привариваются к закладным деталям, предусмотренным в железобетонных лестничных маршах или накладных ступенях, тавровым сварным швом Т1 по ГОСТ 5264 (ручная дуговая сварка) длиной 80..100 мм электродами Э42А. Между собой лестничные ограждения связываются путем сварки с использованием металлических монтажных деталей Высота смонтированного таким образом лестничного ограждения составляем 900 ммПроизводитель: Собственное производство Материал изделия: Сталь Ст3 Вид изделия: Перила Установка изделия: На лестницу|На ступеньки Длина: 3768 мм Высота: 1060 мм Ширина: 40 мм Цвет: Красно-коричнывый Покрытие: Грунт ГФ-021 Количество стоек: 6 Высота решетчатого заполнения: 710 мм

5 040 руб.
Москва
МВ 33.18-33.9Р Ограждение лестничных маршей серии 1.256.2-2

МВ 33.18-33.9Р Ограждение лестничных маршей серии 1.256.2-2

Производство стандартных стальных лестничных ограждений - ПЕРИЛ марки МВ 33.18-33.9Р по типовой серии 1.256.2-2 «Металлические ограждения лестниц общественных зданий» (выпуск 1 «Ограждения лестниц зданий со стенами из кирпича с высотами этажей 2,8; 3,3; 3,6 и 4,2 м»), разработанной ЦНИИЭП учебных зданий и введенной в действие в 1987 году (взамен серии 1.256-1). Размеры перильного лестничного ограждения МВ 33.18-33.9Р Металлические ограждения лестничных маршей марки МВ 33.18-33.9Р изготавливаются по типовым чертежам 1.256.2-2.1-01.00.0СБ: * длина лестничного ограждения МВ33.18-33.9Р в плане lом = 3300 мм * длина поручня — 3690 мм * высота стоек — 1120 мм * количество стоек (с шагом 600 мм) — 6 шт. * высота решетчатого заполнения (с шагом 150 мм) — 800 мм * уклон — 1:2 * угол наклона к горизонту — 26°34' Типовые стальные перила марки МВ 33.18-33.9Р по серии 1.256.2-2.1 могут применяются в стандартных двухмаршевых лестничных клетках марок ЛК-36-15-2, ЛК-36-17-2, ЛК-72-15-4, ЛК-72-17-4, ЛК-36/48-15-2/3, ЛК-36/48-17-2/3 и в трехмаршевых лестничных клетках с лифтами марок ЛКЛ-48-15-3, ЛКЛ-48-17-3, ЛКЛ-48/60-15-3/4, ЛКЛ-48/60-17-3/4. Ограждения МВ 33.18-33.9Р предназначены для установки на стандартные железобетонные лестничные марши ребристой конструкции с фризовыми ступенями при высоте подъема марша hом = 1800 мм (12 ступеней, высота этажа hэ = 3,6 м) марок: * 2ЛМФ 39.12.18-5, 2ЛМФ 39.14.18-5 и 2ЛМФ 39.15.18-5 с накладными проступями типа 1ЛН и 2ЛН по серии 1.251-4 (выпуск 1); * ЛМ-18.12, ЛМ-18.13 и ЛМ-18.15 с накладными проступями типа ЛН по серии 1.251-3 (выпуск 1), действовавшей с 1977 по 1984 год; * ЛМ 36.12, ЛМ 36.14 и ЛМ 36.15 с накладными проступями типа ЛН по серии 1.250-1 (выпуск 2), действовавшей с 1971 по 1977 год. Ограждения МВ33.18-33.9Р также могут устанавливаться на другие стандартные железобетонные лестничные марши по ГОСТ 9818при высоте подъема марша hом = 1800 мм (12 ступеней, высота этажа hэ = 3,6 м): * железо-бетонные ребристые лестничные марши с полуплощадкой марки ЛМП 57.11.18-5, ЛМП 60.11.18-5, ЛМП 57.11.18-5-3 и ЛМП 60.11.18-5-3 с накладными бетонными проступями типа 1ЛН и 2ЛН по серии 1.050.9-4.93 (выпуск 1), * лестницы из накладных бетонных лестничных ступеней типа ЛС, ЛСВ, ЛСН и ЛСП по стальным косоурам марки ЛК 12 по серии 1.050.9-4.93 (выпуск 3), * железобетонные ребристые лестничные марши марки ЛМ 180-115 по серии 1.150-КР-1 (выпуск 1), * железобетонные лестничные марш-площадки однокосоурные ребристой конструкции марки ЛМР 58.12.18-5Т и ЛМР 70.12.18-5Т по серии 1.258 КЛ-2 (выпуск 1-1).Крепление лестничных ограждений Крепление типовых стальных ограждений лестниц к железобетонным лестничным маршам и ступеням лестничных клеток жилых зданий выполняется по рабочим чертежам серии 2.150-1 (выпуск 1). При креплении ограждений сверху ступеней на расстоянии 140 мм от края сверлятся отверстия под стойки ограждения, в которые вставляются эти стойки, после чего отверстия бетонируются. При креплении ограждений с торца, стойки ограждений лестничных маршей привариваются к закладным деталям, предусмотренным в железобетонных лестничных маршах или накладных ступенях, сварным швом длиной 100 мм. Между собой лестничные ограждения связываются путем сварки с использованием металлических монтажных деталейПроизводитель: Собственное производство Вид изделия: Перила Установка изделия: На лестницу Длина: 3690 мм Высота: 1120 мм Ширина: 40 мм Цвет: Красно-коричнывый Материал изделия: Сталь Ст3 Покрытие: Грунт ГФ-021 Количество стоек: 6

4 950 руб.
Москва
МВ 39.21-39.9Р Ограждение лестничных маршей серии 1.256.2-2

МВ 39.21-39.9Р Ограждение лестничных маршей серии 1.256.2-2

Производство стандартных стальных лестничных ограждений - ПЕРИЛ марки МВ 39.21-39.9Р по чертежам типовой серии 1.256.2-2 «Металлические ограждения лестниц общественных зданий» (выпуск 1 «Ограждения лестниц зданий со стенами из кирпича с высотами этажей 2,8; 3,3; 3,6 и 4,2 м»), разработанной ЦНИИЭП учебных зданий и введенной в действие в 1987 году (взамен серии 1.256-1) Размеры перильного лестничного ограждения МВ 39.21-39.9Р Металлические перила марки МВ 39.21-39.9Р изготавливаются по чертежам 1.256.2-2.1-01.00.0СБ: * длина лестничного ограждения МВ39.21-39.9Р в плане lом = 3900 мм * длина поручня — 4360 мм * высота стоек — 1120 мм * высота решетчатого заполнения (с шагом 150 мм) — 800 мм * количество стоек (с шагом 900 мм) — 5 шт. * уклон — 1:2 * угол наклона к горизонту — 26°34' Типовые стальные перила марки МВ 39.21-39.9Р по серии 1.256.2-2.1 могут применяются в стандартных двухмаршевых лестничных клетках марок ЛК-42-15-2 и ЛК-42-17-2. Ограждения МВ 39.21-39.9Р предназначены для установки на стандартные железобетонные лестничные марши ребристой конструкции с фризовыми ступенями при высоте подъема марша hом = 2100 мм (14 ступеней, высота этажа hэ = 4,2 м) марок: * 2ЛМФ 49.14.21-5, 2ЛМФ 49.15.21-5 и 2ЛМФ 49.17.21-5 с накладными проступями типа 1ЛН и 2ЛН по серии 1.251.1-4 (выпуск 1); * ЛМ-21.13 и ЛМ-21.15 с накладными проступями типа ЛН по серии 1.251-3 (выпуск 1), действовавшей с 1977 по 1984 год. Ограждения МВ 39.21-39.9Р также могут устанавливаться на другие стандартные железобетонные лестничные марши по ГОСТ 9818 при высоте подъема марша hом = 2100 мм (14 ступеней, высота этажа hэ = 4,2 м): * лестницы из накладных бетонных лестничных ступеней типа ЛС, ЛСВ, ЛСН и ЛСП по стальным косоурам марки ЛК 13 по серии 1.050.9-4.93 (выпуск 3)Производитель: Собственное производство Вид изделия: Перила Установка изделия: На лестницу|На ступеньки Длина: 4360 мм Высота: 1120 мм Ширина: 40 мм Цвет: Красно-коричнывый Материал изделия: Сталь Ст3 Покрытие: Грунт ГФ-021 Количество стоек: 5

5 280 руб.
Москва
Перила ЛО-16 ограждения лестниц серии 1.050.9-4.93

Перила ЛО-16 ограждения лестниц серии 1.050.9-4.93

Производство стандартных стальных лестничных ограждений - перил марки ЛО 16 по типовой серии 1.050.9-4.93 «Лестницы для многоэтажных общественных, административных и бытовых зданий и производственных зданий промышленных предприятий» (выпуск 3 «Стальные изделия»), разработанной ЦНИИпромзданий и введенной в действие в 1995 году (взамен серий 1.050.1-2 вып.2,1.050.1-3 вып.2 и 1.450-1 вып.2) Размеры перильного лестничного ограждения ЛО-16 Металлические перила марки ЛО 16 изготавливаются по чертежам 1.050.9-4.93.3-105: * Длина лестничного ограждения ЛО16 в плане lом = 3900 мм * длина поручня — 4360 мм * высота стоек — 980 мм * высота решетчатого заполнения — 680 мм * количество стоек (с шагом 600 мм) — 7 шт. * уклон — 1:2 * угол наклона к горизонту — 26°34' Типовые стальные перила марки ЛО 16 по серии 1.050.9-4.93.3 применяются в стандартных двухмаршевых лестничных клетках марок ЛК-42-15-2 и ЛК-42-17-2 по серии 1.050.9-4.93.0-1. Ограждения ЛО16 устанавливаются на стандартные железобетонные лестничные марши при высоте подъема марша hом = 2100 мм (высота этажа Hэ = 4,2 м): на лестницы из накладных бетонных лестничных ступеней типа ЛС, ЛСВ, ЛСН и ЛСП по стальным косоурам марки ЛК 8 и ЛК 13 по серии 1.050.9-4.93 (выпуск 3)Производитель: Собственное производство Вид изделия: Перила Установка изделия: На лестницу|На ступеньки Длина: 4360 мм Высота: 980 мм Ширина: 40 мм Цвет: Красно-коричнывый Материал изделия: Сталь Ст3 Покрытие: Грунт ГФ-021 Количество стоек: 7

5 130 руб.
Москва
Перила ЛО-11 ограждения лестниц серии 1.050.9-4.93

Перила ЛО-11 ограждения лестниц серии 1.050.9-4.93

Производство стандартных стальных лестничных ограждений - ПЕРИЛ марки ЛО 11 по типовой серии 1.050.9-4.93 «Лестницы для многоэтажных общественных, административных и бытовых зданий и производственных зданий промышленных предприятий» (выпуск 3 «Стальные изделия»), разработанной ЦНИИпромзданий и введенной в действие в 1995 году (взамен серий 1.050.1-2 вып.2,1.050.1-3 вып.2 и 1.450-1 вып.2) Размеры лестничного ограждения ЛО-11 Металлические перила марки ЛО 11 изготавливаются по чертежам 1.050.9-4.93.3-100: * длина лестничного ограждения ЛО11 в плане lом = 1500 мм * длина поручня — 1677 мм * высота стоек — 980 мм * количество стоек (с шагом 600 мм) — 3 шт. * высота решетчатого заполнения — 680 мм * уклон — 1:2 * угол наклона к горизонту — 26°34' Типовые стальные перила марки ЛО 11 по серии 1.050.9-4.93.3 применяются в стандартных двухмаршевых лестничных клетках марок ЛК-33/42-15-2/3, ЛК-33/42-17-2/3 по серии 1.050.9-4.93.0-1. Ограждения ЛО 11 устанавливаются на стандартные железобетонные лестницы многоэтажных зданий при высоте подъема марша hом = 900 мм: на лестницы из накладных бетонных лестничных ступеней типа ЛС, ЛСВ, ЛСН и ЛСП по стальным косоурам марок ЛК-1 по серии 1.050.9-4.93.3Производитель: Собственное производство Вид изделия: Перила Установка изделия: На лестницу|На ступеньки Длина: 1677 мм Высота: 980 мм Ширина: 40 мм Цвет: Красно-коричнывый Материал изделия: Сталь Ст3 Покрытие: Грунт ГФ-021 Количество стоек: 3

2 640 руб.
Москва
Перила ЛО-1 ограждения лестниц серии 1.050.9-4.93

Перила ЛО-1 ограждения лестниц серии 1.050.9-4.93

Производств стандартных стальных лестничных ограждений - ПЕРИЛ марки ЛО 1 по типовой серии 1.050.9-4.93 «Лестницы для многоэтажных общественных, административных и бытовых зданий и производственных зданий промышленных предприятий» (выпуск 3 «Стальные изделия»), разработанной ЦНИИпромзданий и введенной в действие в 1995 году (взамен серий 1.050.1-2 вып.2,1.050.1-3 вып.2 и 1.450-1 вып.2) Размеры лестничного ограждения ЛО-1 Металлические ограждения лестничных маршей марки ЛО-1 изготавливаются по типовым чертежам 1.050.9-4.93.3-99: * длина лестничного ограждения ЛО1 в плане lом = 2100 мм * длина поручня — 2348 мм * высота стоек — 980 мм * высота решетчатого заполнения — 680 мм * количество стоек (с шагом 600 мм) — 4 шт. * уклон — 1:2 * угол наклона к горизонту — 26°34' Типовые стальные перила марки ЛО 1 по серии 1.050.9-4.93.3 применяются в стандартных двухмаршевых лестничных клетках марок ЛК-36/48-15-2/3, ЛК-36/48-17-2/3, ЛК-60/72-15-4/5 и ЛК-60/72-17-4/5, а также в трехмаршевых лестничных клетках с лифтами марок ЛКЛ-36-15-3, ЛКЛ-36-17-3, ЛКЛ-72-15-6 и ЛКЛ-72-17-6 по серии 1.050.9-4.93.0-1. Перильные ограждения ЛО1 устанавливаются на стандартные железобетонные лестницы многоэтажных зданий при высоте подъема марша hом = 1200 мм: на лестницы из накладных бетонных лестничных ступеней типа ЛС, ЛСВ, ЛСН и ЛСП по стальным косоурам марок ЛК-2, ЛК-3, ЛК-14 или ЛК-15 по серии 1.050.9-4.93.3 Установка перил на лестницу Установка стальных перил ЛО-1 на лестницу из сборных железобетонных ступеней по стальным косоурам выполняется по типовым рабочим чертежам 1.050.9-4.93.0-1.6-3 (узел 26) серии 1.050.9-4.93 (выпуски 0-1 «Материалы для проектирования лестниц по стальным косоурам»). Крепление ограждений с торца лестницы осуществляется путем приваривания стоек перил к закладным деталям, предусмотренным в железобетонных накладных ступенях, тавровым сварным швом Т1 по ГОСТ 5264 (ручная дуговая сварка) длиной 80 мм электродами Э42А. Между собой лестничные ограждения связываются путем сварки с использованием металлических монтажных деталей Высота смонтированного таким образом лестничного ограждения составляет 800 ммПроизводитель: Собственное производство Вид изделия: Перила Установка изделия: На лестницу|На ступеньки Длина: 2348 мм Высота: 980 мм Ширина: 40 мм Цвет: Красно-коричнывый Материал изделия: Сталь Ст3 Покрытие: Грунт ГФ-021 Количество стоек: 4

3 260 руб.
Москва