761001001

Раиса ООО "Дорожная Техника"

О себе / компании

Наша организация занимается капитальным и текущим ремонтом спецтехники: катков дорожных (Раскат, ДорМашина, HAMM, Bomag и др. модели), уплотнителей полигонов (РЭМ) , погрузчиков, грейдеров (ГС, ДЗ) с последующей гарантией до 12 месяцев. Предлагаем: — Капитальный ремонт отдельных узлов (насосные станции, гидромоторы, редуктора, мосты грейдера и другие агрегаты). — Изготовление новых вальцев с последующей установкой на вашу технику. — Бандажи кулачковые для уплотнения грунта и с усиленными кулачками для работы с горными породами. — Запчасти для катков дорожных пр-ва АО «Раскат»: ДУ-47, ДУ-48, ДУ-54, ДУ-58, ДУ-62, ДУ-63, ДУ-64, ДУ-65, ДУ-82, ДУ-98,ДУ-99, ДУ-100, ДУ-101 и новой линейки RV, а так же возможность изготовления ваших запчастей по чертежам. — Система обрезки кромки асфальта, возможна поставка отдельно уплотнительных, обрезных дисков. — Амортизаторы (виброгасители) для катков дорожных самоходных: АО «Раскат» модели ДУ, RV; ООО «Завод дорожных машин», Bomag, НАММ, Dynapac, Sakai, AMMANN, JSB Vibromax,TEREX,Caterpiller, Kawasaki, Volvo, XCMG, Shantui и др. — Эластомеры на вибропогружатели: DPD, MULLER, Stavostroy, Movax, MS-15, ICE, Palsonic и другие модели. — Обрезинивание накладок трака асфальтоукладчиков: Bomag, Sumitomo, Dynapac, Vogele, Wirtgen и др. — Техпластины (скребки) для спецтехники армированные метал. тросом 6, 8 или 10 мм , полимерным тросом 6 или 8 мм и др. — Насосы, гидромоторы, стекла, навесное оборудование, форсунки, РТИ, троса, рукава РВД и НВД и многое другое. — Поставка комплектующих на импортную технику.

Объявления пользователя

Амортизаторы для катков Bomag, HAMM и др.

Амортизаторы для катков Bomag, HAMM и др.

Предлагаем широкий перечень амортизаторов на отечественные и импортные катки. Изготовим и отгрузим в любом количестве, от 1 шт.Производитель: Собственное производство

Рыбинск
Каток ДУ-85 грунтовый 2005 г.в.

Каток ДУ-85 грунтовый 2005 г.в.

Возможна поставка другой дорожно-строительной техники: катки дорожные, грейдера, погрузчики. Производим капитальный и текущий ремонт техники клиента на специализированном производстве с последующей гарантией до 12 месяцев! В наличии каток грунтовый, вибрационный ДУ-85   Предназначен для уплотнения предварительно спланированных насыпных грунтов и верхних слоев оснований из различных строительных материалов. Готов к осмотру и отгрузке. ГАРАНТИЯ 12 месяцев! Произведены следующие работы:  Полная разборка и дефектование катка. Чистка, мойка и пескоструйная обработка всех металлоконструкций. Ремонт виброрамки, силовой рамы и шарнира сочленения. Капитальный ремонт вибровальца. Капитальный ремонт планетарных редукторов. Капитальный ремонт раздаточного редуктора. Капитальный ремонт двигателя. Капитальный ремонт насосов. Капитальный ремонт гидромоторов. Установка нового гидроруля и ремонт двух рулевых гидроцилиндров с заменой штоков и РТИ. Установка нового комплекта РВД и дюритовых рукавов. Установка новых пневмошин. Ремонт рабочего места и установка нового сиденья. Ремонт кабины с заменой стёкол, шумоизоляции и обшивы. Ремонт всех баков, капота и замена крыльев. Изготовление новых скребков и смачивающей системы: насос водяной, форсунки. Грунтование, покраска. Новый электромонтаж и установка полного комплекта контрольных, сигнальных и осветительных приборов. Заправка ГСМ. Обкатка, испытания катка и сдача комиссии. Больше фото и видео по запросу. Производим ремонт дорожно-строительной техники Заказчика на нашей специализированной ремонтной базе с гарантией 12 месяцев.Производитель: Раскат Тип вальцев: Комбинированные Тип двигателя: Дизельные Моточасы: 700 Владельцев по ПТС: 1 Состояние: Отличное Б/у: Да Длина: 600 см Ширина: 200 см Высота: 240 см Вес: 1300 кг

3 500 000 руб.
Рыбинск
Каток ДУ-84 комбинированный 2002 г.в.

Каток ДУ-84 комбинированный 2002 г.в.

Возможна поставка другой дорожно-строительной техники.  Каток ДУ-84 14 т. , комбинированный, вибрационный. Два режима вибрации расширяет перечень эффективно уплотняемых материалов.  В НАЛИЧИИ. ГОТОВ К ОТГРУЗКЕ. Гарантия 12 месяцев! Произведены следующие работы: * Полная разборка и дефектование катка. * Чистка, мойка и пескоструйная обработка всех металлоконструкций. * Ремонт виброрамки, силовой рамы и шарнира сочленения. * Капитальный ремонт вибровальца с заменой подшипников и амортизаторов 05-50 (14 шт.) * Капитальный ремонт двух планетарных колесных редукторов. * Капитальный ремонт раздаточного редуктора с заменой подшипников, шестерён и центрального вала. * Капитальный ремонт двигателя . * Капитальный ремонт двух насосов. * Капитальный ремонт четырех гидромоторов с заменой шатунов, поршней, распределителей и подшипников. * Установка нового гидроруля и ремонт двух рулевых гидроцилиндров с заменой штоков и РТИ. * Установка нового комплекта РВД и дюритовых рукавов. * Установка новых пневмошин. * Ремонт рабочего места и установка нового сиденья. * Ремонт кабины с заменой стёкол, шумоизоляции и обшивы. * Ремонт всех баков, капота и замена крыльев. * Изготовление новых скребков и смачивающей системы (насос+форсунки). * Грунтование, покраска. * Новый электромонтаж и установка полного комплекта контрольных, сигнальных и осветительных приборов. * Заправка ГСМ. * Обкатка, испытания катка и сдача комиссии. Производим ремонт дорожно-строительной техники Заказчика на нашей специализированной ремонтной базе с гарантией 12 месяцев.Производитель: Раскат Тип вальцев: Комбинированные Тип двигателя: Дизельные Владельцев по ПТС: 1 Состояние: Отличное Б/у: Да Длина: 6000 см Ширина: 2400 см Высота: 3200 см Вес: 14000 кг

3 950 000 руб.
Рыбинск
Шестерня ДУ-84.122.930

Шестерня ДУ-84.122.930

Проводим капитальный и частичный ремонт автогрейдеров, катков, погрузчиков, тракторов, экскаваторов. Возможно проведение ремонта по месту нахождения; Предлагаем модернизацию катков ДУ-47/48/49/58/62, а также поставка новой техники от завода-производителя; Предлагаем поставку новой, восстановленной или б/у в рабочем состоянии дорожно – строительной техники; коммунальной и снегоуборочной техники; Предлагаем поставку навесного оборудования и расходных материалов для коммунальной и дорожно-строительной техники в том числе: ножи для автогрейдеров, техпластины, диски щеточные, резцы для дорожных фрез, цепи для грунторезов и т.д; Предлагаем поставку двигателей ЯМЗ, ММЗ, АМЗ,ТМЗ, ВТЗ, Хонда и запчастей к ним; Предлагаем поставку импортных комплектующих для дорожно-строительной техники; Предлагаем поставку восстановленной или б/у в рабочем состоянии импортной дорожно – строительной техники; Возможны различные формы оплаты, в том числе рассрочка, скидка.

1 руб.
Рыбинск
Шестерня ДУ-84.122.235

Шестерня ДУ-84.122.235

Проводим капитальный и частичный ремонт автогрейдеров, катков, погрузчиков, тракторов, экскаваторов. Возможно проведение ремонта по месту нахождения; Предлагаем модернизацию катков ДУ-47/48/49/58/62, а также поставка новой техники от завода-производителя; Предлагаем поставку новой, восстановленной или б/у в рабочем состоянии дорожно – строительной техники; коммунальной и снегоуборочной техники; Предлагаем поставку навесного оборудования и расходных материалов для коммунальной и дорожно-строительной техники в том числе: ножи для автогрейдеров, техпластины, диски щеточные, резцы для дорожных фрез, цепи для грунторезов и т.д; Предлагаем поставку двигателей ЯМЗ, ММЗ, АМЗ,ТМЗ, ВТЗ, Хонда и запчастей к ним; Предлагаем поставку импортных комплектующих для дорожно-строительной техники; Предлагаем поставку восстановленной или б/у в рабочем состоянии импортной дорожно – строительной техники; Возможны различные формы оплаты, в том числе рассрочка, скидка.

1 руб.
Рыбинск
Шестерня ДУ-47Б-44-03

Шестерня ДУ-47Б-44-03

Проводим капитальный и частичный ремонт автогрейдеров, катков, погрузчиков, тракторов, экскаваторов. Возможно проведение ремонта по месту нахождения; Предлагаем модернизацию катков ДУ-47/48/49/58/62, а также поставка новой техники от завода-производителя; Предлагаем поставку новой, восстановленной или б/у в рабочем состоянии дорожно – строительной техники; коммунальной и снегоуборочной техники; Предлагаем поставку навесного оборудования и расходных материалов для коммунальной и дорожно-строительной техники в том числе: ножи для автогрейдеров, техпластины, диски щеточные, резцы для дорожных фрез, цепи для грунторезов и т.д; Предлагаем поставку двигателей ЯМЗ, ММЗ, АМЗ,ТМЗ, ВТЗ, Хонда и запчастей к ним; Предлагаем поставку импортных комплектующих для дорожно-строительной техники; Предлагаем поставку восстановленной или б/у в рабочем состоянии импортной дорожно – строительной техники; Возможны различные формы оплаты, в том числе рассрочка, скидка.

1 руб.
Рыбинск
Шестерня ДУ-47Б-44-02

Шестерня ДУ-47Б-44-02

Проводим капитальный и частичный ремонт автогрейдеров, катков, погрузчиков, тракторов, экскаваторов. Возможно проведение ремонта по месту нахождения; Предлагаем модернизацию катков ДУ-47/48/49/58/62, а также поставка новой техники от завода-производителя; Предлагаем поставку новой, восстановленной или б/у в рабочем состоянии дорожно – строительной техники; коммунальной и снегоуборочной техники; Предлагаем поставку навесного оборудования и расходных материалов для коммунальной и дорожно-строительной техники в том числе: ножи для автогрейдеров, техпластины, диски щеточные, резцы для дорожных фрез, цепи для грунторезов и т.д; Предлагаем поставку двигателей ЯМЗ, ММЗ, АМЗ,ТМЗ, ВТЗ, Хонда и запчастей к ним; Предлагаем поставку импортных комплектующих для дорожно-строительной техники; Предлагаем поставку восстановленной или б/у в рабочем состоянии импортной дорожно – строительной техники; Возможны различные формы оплаты, в том числе рассрочка, скидка.

1 руб.
Рыбинск
Шестерня ДУ-47А-03-07

Шестерня ДУ-47А-03-07

Проводим капитальный и частичный ремонт автогрейдеров, катков, погрузчиков, тракторов, экскаваторов. Возможно проведение ремонта по месту нахождения; Предлагаем модернизацию катков ДУ-47/48/49/58/62, а также поставка новой техники от завода-производителя; Предлагаем поставку новой, восстановленной или б/у в рабочем состоянии дорожно – строительной техники; коммунальной и снегоуборочной техники; Предлагаем поставку навесного оборудования и расходных материалов для коммунальной и дорожно-строительной техники в том числе: ножи для автогрейдеров, техпластины, диски щеточные, резцы для дорожных фрез, цепи для грунторезов и т.д; Предлагаем поставку двигателей ЯМЗ, ММЗ, АМЗ,ТМЗ, ВТЗ, Хонда и запчастей к ним; Предлагаем поставку импортных комплектующих для дорожно-строительной техники; Предлагаем поставку восстановленной или б/у в рабочем состоянии импортной дорожно – строительной техники; Возможны различные формы оплаты, в том числе рассрочка, скидка.

1 руб.
Рыбинск
Шестерня ДУ-47А-03-03

Шестерня ДУ-47А-03-03

Проводим капитальный и частичный ремонт автогрейдеров, катков, погрузчиков, тракторов, экскаваторов. Возможно проведение ремонта по месту нахождения; Предлагаем модернизацию катков ДУ-47/48/49/58/62, а также поставка новой техники от завода-производителя; Предлагаем поставку новой, восстановленной или б/у в рабочем состоянии дорожно – строительной техники; коммунальной и снегоуборочной техники; Предлагаем поставку навесного оборудования и расходных материалов для коммунальной и дорожно-строительной техники в том числе: ножи для автогрейдеров, техпластины, диски щеточные, резцы для дорожных фрез, цепи для грунторезов и т.д; Предлагаем поставку двигателей ЯМЗ, ММЗ, АМЗ,ТМЗ, ВТЗ, Хонда и запчастей к ним; Предлагаем поставку импортных комплектующих для дорожно-строительной техники; Предлагаем поставку восстановленной или б/у в рабочем состоянии импортной дорожно – строительной техники; Возможны различные формы оплаты, в том числе рассрочка, скидка.

1 руб.
Рыбинск
Шестерня Д455А.01.099

Шестерня Д455А.01.099

Проводим капитальный и частичный ремонт автогрейдеров, катков, погрузчиков, тракторов, экскаваторов. Возможно проведение ремонта по месту нахождения; Предлагаем модернизацию катков ДУ-47/48/49/58/62, а также поставка новой техники от завода-производителя; Предлагаем поставку новой, восстановленной или б/у в рабочем состоянии дорожно – строительной техники; коммунальной и снегоуборочной техники; Предлагаем поставку навесного оборудования и расходных материалов для коммунальной и дорожно-строительной техники в том числе: ножи для автогрейдеров, техпластины, диски щеточные, резцы для дорожных фрез, цепи для грунторезов и т.д; Предлагаем поставку двигателей ЯМЗ, ММЗ, АМЗ,ТМЗ, ВТЗ, Хонда и запчастей к ним; Предлагаем поставку импортных комплектующих для дорожно-строительной техники; Предлагаем поставку восстановленной или б/у в рабочем состоянии импортной дорожно – строительной техники; Возможны различные формы оплаты, в том числе рассрочка, скидка.Материал: Сталь

1 руб.
Рыбинск
Стакан ДУ-47А-04-64

Стакан ДУ-47А-04-64

Проводим капитальный и частичный ремонт автогрейдеров, катков, погрузчиков, тракторов, экскаваторов. Возможно проведение ремонта по месту нахождения; Предлагаем модернизацию катков ДУ-47/48/49/58/62, а также поставка новой техники от завода-производителя; Предлагаем поставку новой, восстановленной или б/у в рабочем состоянии дорожно – строительной техники; коммунальной и снегоуборочной техники; Предлагаем поставку навесного оборудования и расходных материалов для коммунальной и дорожно-строительной техники в том числе: ножи для автогрейдеров, техпластины, диски щеточные, резцы для дорожных фрез, цепи для грунторезов и т.д; Предлагаем поставку двигателей ЯМЗ, ММЗ, АМЗ,ТМЗ, ВТЗ, Хонда и запчастей к ним; Предлагаем поставку импортных комплектующих для дорожно-строительной техники; Предлагаем поставку восстановленной или б/у в рабочем состоянии импортной дорожно – строительной техники; Возможны различные формы оплаты, в том числе рассрочка, скидка.Производитель: Собственное производство

1 руб.
Рыбинск
Шестерня_дм.30.00.063

Шестерня_дм.30.00.063

Гидромотор - 310.2.56.00, 3.56.00, 4.56.00 Гидронасос - НШ-32 ук-3 Гидронасос - НШ-10 Гидронасос («Гидросила»)НП-90-00-00 Гидроруль У-245.009/1000 Гидроцилиндр поворота 80х40х400 Гидрораспределитель ГР 231.12 УХЛ2 (124) Фильтр ФВ-10 Фильтрэлемент ПЗМИ Фильтрэлемент ССА 301 Автошина (гладкая) 11.00.20 Автошина (с протектором) 14.00-20 Стекло Триплекс Сиденье У-7920-01Б Амортизатор ДУ-58.01.00.010 Форсунки для орошения вальцев Клапанная коробка МП-90-02.000 Радиатор (в сборе) МО4У-13.003-2 Радиатор водяной МО4У-13.003-2 Радиатор масляный 68-У-08-000 Редуктор раздаточный ДУ- 84-122.900 Корпус ДУ-84-122.910 Полумуфта ДУ-84.122.253 Шестерня ДУ-84.122.236 Кольцо ДУ-84.122.239 Шестерня ДУ-84.122.237 Вал ДУ-84.122.249 Ось ДУ-84.122.234 Болт ДМ 55.01.016 Шпонка ДМ 03.00.001-12 Редуктор планет. ДМ 31.01.000-11 Ступица ДУ-64.141.015 Пробка К 3/4 ДМ 19.01.001-02/03 Полукорпус ДМ 31.01.020 Шайба ДМ 30.00.042 Кольцо ДМ 31.01.023 Скалка ДМ 31.01.047 Вал-шестерня ДМ 31.01.004 Эпицикл ДМ 31.01.046 Муфта центральная ДМ 30.00.007 Крышка ДМ 31.01.063 Шайба ДМ 30.00.037 Гайка ДМ 30.00.094 Вал-шестерня ДМ 30.00.074 Поршень ДМ 30.00.023 и другие запчасти на катки ДУ-84 и ДУ-85

1 руб.
Рыбинск
Шестерня_Д211.нд-62.

Шестерня_Д211.нд-62.

Амортизатор Д-728-05-50Втулка ДУ-47А-03-29Крышка Д-552-04-41Вибровал (мех.) ДУ-47Б-43.30 (ДУ-47А-03-700)Вибровал (гидр.) ДУ-47Б-43.30-01Шестерня бортовая ДУ 47Б-43.200 (ДУ-47А-03-23)Втулка ДУ-47А-03-31Крышка ДУ-47А-03-116Ступица левая ДУ-47Б-43-300 (ДУ-47А-03-164)Ступица правая ДУ-47Б-43-310 (ДУ-47А-03-163)Шкив ДУ-47А-03-248Шпонка ДМ-03.00.001-11 / 16Втулка зубчатая ДУ-52.03.01.177Втулка зубчатая ДУ-52.03.01.156Втулка зубчатая ДУ-47Б.43.513Гидронасос (г. Кировоград) НП-90-00-00Гидронасос НШ-32-10Гидронасос НШ-32 ук-3Гидронасос НШ-10Гидромотор г.(. Кировоград) МП-90-00-000Гидромотор 210.12.01.03Гидроруль Д-250Гидроклапан У-462.815.1Радиатор масляный 245.10.13.1000Кран 3-х ходовыйФильтр ФВ-10Фильтрэлемент ПЗМИФильтрэлемент ССА 301Форсунка для орошения вальцевСиденье У-7920-01БДвигатель Д-144.08-09-10Амортизатор ДУ-47А-03-106Кронштейн левый ДУ-93.233.0Кронштейн правый ДУ-93.233.01 (ДУ-48А-04-65)Муфта упругая ДУ-63-1.124.210Корпус ДУ-98-1.124.580Жесткий диск ДУ-47Б-44.160/01Диск сцепления Т-29-1601110-БВал-шестерня ДУ-47Б-44-01Шестерня ДУ-47Б-44-02Блок-шестерня ДУ-47А-04-09Крышка ДУ-47А-04-14Редуктор бортовой ДУ-93.104.200 (ДУ-47А-03-10)Корпус ДУ-93.104.230 (ДУ-47А-03-01) и другие запчасти для Катков ДУ

1 руб.
Рыбинск
Шестерня ДУ 84.122.237

Шестерня ДУ 84.122.237

Проводим капитальный и частичный ремонт автогрейдеров, катков, погрузчиков, тракторов, экскаваторов. Возможно проведение ремонта по месту нахождения; Предлагаем модернизацию катков ДУ-47/48/49/58/62, а также поставка новой техники от завода-производителя; Предлагаем поставку новой, восстановленной или б/у в рабочем состоянии дорожно – строительной техники; коммунальной и снегоуборочной техники; Предлагаем поставку навесного оборудования и расходных материалов для коммунальной и дорожно-строительной техники в том числе: ножи для автогрейдеров, техпластины, диски щеточные, резцы для дорожных фрез, цепи для грунторезов и т.д; Предлагаем поставку двигателей ЯМЗ, ММЗ, АМЗ,ТМЗ, ВТЗ, Хонда и запчастей к ним; Предлагаем поставку импортных комплектующих для дорожно-строительной техники; Предлагаем поставку восстановленной или б/у в рабочем состоянии импортной дорожно – строительной техники; Возможны различные формы оплаты, в том числе рассрочка, скидка.

1 руб.
Рыбинск
Шестерня ДУ 84.122.236

Шестерня ДУ 84.122.236

Проводим капитальный и частичный ремонт автогрейдеров, катков, погрузчиков, тракторов, экскаваторов. Возможно проведение ремонта по месту нахождения; Предлагаем модернизацию катков ДУ-47/48/49/58/62, а также поставка новой техники от завода-производителя; Предлагаем поставку новой, восстановленной или б/у в рабочем состоянии дорожно – строительной техники; коммунальной и снегоуборочной техники; Предлагаем поставку навесного оборудования и расходных материалов для коммунальной и дорожно-строительной техники в том числе: ножи для автогрейдеров, техпластины, диски щеточные, резцы для дорожных фрез, цепи для грунторезов и т.д; Предлагаем поставку двигателей ЯМЗ, ММЗ, АМЗ,ТМЗ, ВТЗ, Хонда и запчастей к ним; Предлагаем поставку импортных комплектующих для дорожно-строительной техники; Предлагаем поставку восстановленной или б/у в рабочем состоянии импортной дорожно – строительной техники; Возможны различные формы оплаты, в том числе рассрочка, скидка.

1 руб.
Рыбинск
Шестерня Д684.02.007

Шестерня Д684.02.007

Проводим капитальный и частичный ремонт автогрейдеров, катков, погрузчиков, тракторов, экскаваторов. Возможно проведение ремонта по месту нахождения; Предлагаем модернизацию катков ДУ-47/48/49/58/62, а также поставка новой техники от завода-производителя; Предлагаем поставку новой, восстановленной или б/у в рабочем состоянии дорожно – строительной техники; коммунальной и снегоуборочной техники; Предлагаем поставку навесного оборудования и расходных материалов для коммунальной и дорожно-строительной техники в том числе: ножи для автогрейдеров, техпластины, диски щеточные, резцы для дорожных фрез, цепи для грунторезов и т.д; Предлагаем поставку двигателей ЯМЗ, ММЗ, АМЗ,ТМЗ, ВТЗ, Хонда и запчастей к ним; Предлагаем поставку импортных комплектующих для дорожно-строительной техники; Предлагаем поставку восстановленной или б/у в рабочем состоянии импортной дорожно – строительной техники; Возможны различные формы оплаты, в том числе рассрочка, скидка.

1 руб.
Рыбинск
Шестерня Д455Б.01.052

Шестерня Д455Б.01.052

Проводим капитальный и частичный ремонт автогрейдеров, катков, погрузчиков, тракторов, экскаваторов. Возможно проведение ремонта по месту нахождения; Предлагаем модернизацию катков ДУ-47/48/49/58/62, а также поставка новой техники от завода-производителя; Предлагаем поставку новой, восстановленной или б/у в рабочем состоянии дорожно – строительной техники; коммунальной и снегоуборочной техники; Предлагаем поставку навесного оборудования и расходных материалов для коммунальной и дорожно-строительной техники в том числе: ножи для автогрейдеров, техпластины, диски щеточные, резцы для дорожных фрез, цепи для грунторезов и т.д; Предлагаем поставку двигателей ЯМЗ, ММЗ, АМЗ,ТМЗ, ВТЗ, Хонда и запчастей к ним; Предлагаем поставку импортных комплектующих для дорожно-строительной техники; Предлагаем поставку восстановленной или б/у в рабочем состоянии импортной дорожно – строительной техники; Возможны различные формы оплаты, в том числе рассрочка, скидка.

1 руб.
Рыбинск
Шестерня Д455Б.01.004

Шестерня Д455Б.01.004

Проводим капитальный и частичный ремонт автогрейдеров, катков, погрузчиков, тракторов, экскаваторов. Возможно проведение ремонта по месту нахождения; Предлагаем модернизацию катков ДУ-47/48/49/58/62, а также поставка новой техники от завода-производителя; Предлагаем поставку новой, восстановленной или б/у в рабочем состоянии дорожно – строительной техники; коммунальной и снегоуборочной техники; Предлагаем поставку навесного оборудования и расходных материалов для коммунальной и дорожно-строительной техники в том числе: ножи для автогрейдеров, техпластины, диски щеточные, резцы для дорожных фрез, цепи для грунторезов и т.д; Предлагаем поставку двигателей ЯМЗ, ММЗ, АМЗ,ТМЗ, ВТЗ, Хонда и запчастей к ним; Предлагаем поставку импортных комплектующих для дорожно-строительной техники; Предлагаем поставку восстановленной или б/у в рабочем состоянии импортной дорожно – строительной техники; Возможны различные формы оплаты, в том числе рассрочка, скидка.

1 руб.
Рыбинск
Шестерня Д455.01.011

Шестерня Д455.01.011

Проводим капитальный и частичный ремонт автогрейдеров, катков, погрузчиков, тракторов, экскаваторов. Возможно проведение ремонта по месту нахождения; Предлагаем модернизацию катков ДУ-47/48/49/58/62, а также поставка новой техники от завода-производителя; Предлагаем поставку новой, восстановленной или б/у в рабочем состоянии дорожно – строительной техники; коммунальной и снегоуборочной техники; Предлагаем поставку навесного оборудования и расходных материалов для коммунальной и дорожно-строительной техники в том числе: ножи для автогрейдеров, техпластины, диски щеточные, резцы для дорожных фрез, цепи для грунторезов и т.д; Предлагаем поставку двигателей ЯМЗ, ММЗ, АМЗ,ТМЗ, ВТЗ, Хонда и запчастей к ним; Предлагаем поставку импортных комплектующих для дорожно-строительной техники; Предлагаем поставку восстановленной или б/у в рабочем состоянии импортной дорожно – строительной техники; Возможны различные формы оплаты, в том числе рассрочка, скидка.

1 руб.
Рыбинск
Шестерня Д-211-НД-62

Шестерня Д-211-НД-62

Проводим капитальный и частичный ремонт автогрейдеров, катков, погрузчиков, тракторов, экскаваторов. Возможно проведение ремонта по месту нахождения; Предлагаем модернизацию катков ДУ-47/48/49/58/62, а также поставка новой техники от завода-производителя; Предлагаем поставку новой, восстановленной или б/у в рабочем состоянии дорожно – строительной техники; коммунальной и снегоуборочной техники; Предлагаем поставку навесного оборудования и расходных материалов для коммунальной и дорожно-строительной техники в том числе: ножи для автогрейдеров, техпластины, диски щеточные, резцы для дорожных фрез, цепи для грунторезов и т.д; Предлагаем поставку двигателей ЯМЗ, ММЗ, АМЗ,ТМЗ, ВТЗ, Хонда и запчастей к ним; Предлагаем поставку импортных комплектующих для дорожно-строительной техники; Предлагаем поставку восстановленной или б/у в рабочем состоянии импортной дорожно – строительной техники; Возможны различные формы оплаты, в том числе рассрочка, скидка.

1 руб.
Рыбинск
Шестерня венечная 240.03.01.01.001

Шестерня венечная 240.03.01.01.001

Наша Компания «Специализированный Технический Центр» предлагает поставку запчастей и комплектующих для автогрейдеров, дорожных катков, погрузчиков, тракторов (МТЗ, Т-130,150,170, ДТ-75, ВТЗ, Кировец) экскаваторов, асфальтоукладчиков, бульдозеров, коммунальной техники. На нашем складе всегда в наличии большой ассортимент запчастей. Весь товар поставляется в срок, по оптимальной цене и при высоком качестве продукции. Доставка товара осуществляется по договоренности сторон. Маслоотражатель ДЗ-122А.04.05.055 Мост передний ДЗ-122А.03.00.000 Мост передний ДЗ-122Б.03.00.000 Накладка 2 отверствия ДЗ-122Б.02.00.001 Накладка 3 отверствия ДЗ-122Б.02.00.002 Накладка 557-1.04.08.052 Накладка 624А.06.30.025 Наконечник (руль) (1) ДЗ-122Б.03.09.100-01 Наконечник (руль) (3) ДЗ-122Б.03.09.100 Нож (боковой) Левый ДЗ-122А.02.09.002-01 Нож (боковой) Правый ДЗ-122А.02.09.004-01 Нож на бульдозер ДЗ-122Б.30.01.001-03 Нож основной 557-1.02.01.026 Нож основной ДЗ-122А.02.10.002 Ожерелье ДЗ-122А Ось (передний мост) ДЗ-122А.03.00.001 Ось (передний мост) ДЗ-122А.03.00.005 Ось крепления штанги ДЗ-122А.03.00.002 Ось тележки ДЗ-122.04.06.001 Отвал ДЗ-122.02.09.020 Отвал с ножами ДЗ-122.02.09.000 Палец ДЗ-122.03.00.019 Палец оси 557-1.03.00.003 Палец шаровый ДЗ-122А.03.04.104 Переходник ДЗ-122.08.60.002 Подшипник 144.24-26 Подшипник внутренний 557.04.01.022 Подшипник наружний 557.04.01.021 Подшипник СТП22062-7.01 Полуось ДЗ-122.04.06.002 Прокладка 2 отверствия 144А.05-035 Прокладка 3 отверствия 144А.05-072 Прокладка 557.04.01.016-01 Пружина 557-1.04.08.003 Пружина 557-1.04.08.008 Пружина 557-1.04.08.009 Пружина 557-1.04.08.045 Пружина 624А.06.03.008 Пружина 624А.06.03.009 Рабочее оборудование ДЗ-122Б.02.00.000 Раздатка привода тормоза ДЗ-122А.07.03.000 Рама бульдозера ДЗ-122А.30.02.000 Рама тяговая ДЗ-122Б.02.05.000 Редуктор ДЗ-122А.04.05.000 Редуктор ДЗ-122Б.02.06.000 Редуктор поворота отвала без г/м ДЗ-122.08.60.020 Редуктор поворота отвала ДЗ-122.08.60.000 Редуктор поворотного отвала без гидромотора ДЗ-122Б.02.06.020 Руль гидравлический ДЗ-122А.88.03.000 Сектор внутренний 557-1.04.01.001 Сектор наружный 557-1.04.01.002 Стакан 557-1.04.02.059 Стакан полуоси ДЗ-122.04.06.005 Ступица (М. П.) ДЗ-122А.04.05.011 Ступица (передняя) ДЗ-122А.03.03.000 Ступица (передняя) ДЗ-122А.03.03.000-01 Ступица задняя 557-1.04.00.061 Ступица задняя в сборе (левая) 557-1.04.00.070 Ступица задняя в сборе (правая) 557-1.04.00.060 Ступица передняя 144А.75-01 Сухарь ДЗ-122Б.03.09.107 Сухарь ДЗ-122Б.03.09.108 Тележка задняя ДЗ-122А.04.00.000 Тормоз в сборе безц ДЗ-122.04.09.000 Тормоз ручной 31-2.04.07.010 Тормозок 557-1.26.00.000 Трубопровод комплект ДЗ-122А.07.01.050-50-03 Тяга в сборе ДЗ-122Б.03.09.000 Тяга ДЗ-122А.03.04.001 Фланец 557-1.04.01.078 Фланец 557-1.26.00.021 Фланец ДЗ-122А.04.05.040 Фланец со шкивом 557-1.26.00.030 Цилиндр главный тормозной 557-1.07.01.020 Цилиндр рабочий тормозной 557-1.04.08.070 Цилиндр фиксатора Червяк ДЗ-122.08.60.001 Чулок в сборе ДЗ-122.04.05.016 Чулок ДЗ-122.04.05.010 Шарнир ДЗ-122.08.09.000 Шарнир ДЗ-122А.08.30.000 Шатун (передний мост) ДЗ-122А.03.02.000 Шатун (передний мост) ДЗ-122А.03.02.000-01 Шестерня z12 самовар 557-1.04.01.076 Шестерня z15 ДЗ-122БА1.04.05.001 Шестерня z17 31-2.04.08.001 Шестерня z5 ДЗ-122.08.60.034 Шестерня ведомая z32 ДЗ-122А.04.05.010 Шестерня ведомая z40 ДЗ-122.04.05.013 Шестерня ведомая z42 ДЗ-122А1.04.05.002 Шестерня ведущая z12 ДЗ-122А.04.05.050 Шестерня колесная z40 557-1.04.02.057 Шестерня паразит. 557.04.02.002 Шестерняя ведущая z26 ДЗ-122.04.06.003 Шкворень (булава) ДЗ-122.02.00.006 Шкворень (колесный) ДЗ-122А.03.00.002 Шланг тормозной гибкий Шпилька колеса СТП22062-32.01 Штифт клиновой ДЗ-122А.03.03.001 и многие другие запчасти

1 руб.
Рыбинск
Редуктор планет. ДМ 31.01.000-11

Редуктор планет. ДМ 31.01.000-11

Проводим капитальный и частичный ремонт автогрейдеров, катков, погрузчиков, тракторов, экскаваторов. Возможно проведение ремонта по месту нахождения; Предлагаем модернизацию катков ДУ-47/48/49/58/62, а также поставка новой техники от завода-производителя; Предлагаем поставку новой, восстановленной или б/у в рабочем состоянии дорожно – строительной техники; коммунальной и снегоуборочной техники; Предлагаем поставку навесного оборудования и расходных материалов для коммунальной и дорожно-строительной техники в том числе: ножи для автогрейдеров, техпластины, диски щеточные, резцы для дорожных фрез, цепи для грунторезов и т.д; Предлагаем поставку двигателей ЯМЗ, ММЗ, АМЗ,ТМЗ, ВТЗ, Хонда и запчастей к ним; Предлагаем поставку импортных комплектующих для дорожно-строительной техники; Предлагаем поставку восстановленной или б/у в рабочем состоянии импортной дорожно – строительной техники; Возможны различные формы оплаты, в том числе рассрочка, скидка.Производитель: Собственное производство Владельцев по ПТС: Нет Состояние: Отличное

1 руб.
Рыбинск
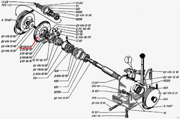
Привод вибратора ДУ- 47А-13-00

Привод вибратора ДУ- 47А-13-00

Проводим капитальный и частичный ремонт автогрейдеров, катков, погрузчиков, тракторов, экскаваторов. Возможно проведение ремонта по месту нахождения; Предлагаем модернизацию катков ДУ-47/48/49/58/62, а также поставка новой техники от завода-производителя; Предлагаем поставку новой, восстановленной или б/у в рабочем состоянии дорожно – строительной техники; коммунальной и снегоуборочной техники; Предлагаем поставку навесного оборудования и расходных материалов для коммунальной и дорожно-строительной техники в том числе: ножи для автогрейдеров, техпластины, диски щеточные, резцы для дорожных фрез, цепи для грунторезов и т.д; Предлагаем поставку двигателей ЯМЗ, ММЗ, АМЗ,ТМЗ, ВТЗ, Хонда и запчастей к ним; Предлагаем поставку импортных комплектующих для дорожно-строительной техники; Предлагаем поставку восстановленной или б/у в рабочем состоянии импортной дорожно – строительной техники; Возможны различные формы оплаты, в том числе рассрочка, скидка.Производитель: Собственное производство

1 руб.
Рыбинск
Эпицикл ДМ-31.01.046

Эпицикл ДМ-31.01.046

Проводим капитальный и частичный ремонт автогрейдеров, катков, погрузчиков, тракторов, экскаваторов, уплотнителей полигонов ТБО РЭМ-25.  Предлагаем поставку новой, восстановленной или б/у в рабочем состоянии дорожно – строительной техники; коммунальной и снегоуборочной техники; Предлагаем поставку российских и импортных запчастей и комплектующих для дорожно-строительной техники;  Изготовим запчасти по вашему образцу, чертежу. Предлагаем поставку навесного оборудования и расходных материалов для коммунальной и дорожно-строительной техники в том числе: ножи для автогрейдеров, техпластины, диски щеточные, резцы для дорожных фрез, цепи для грунторезов и т.д;  Возможны различные формы оплаты, в том числе рассрочка, скидка.Производитель: Собственное производство Состояние: Новое

1 руб.
Рыбинск
Шестерня в сборе ДУ- 84.122.930

Шестерня в сборе ДУ- 84.122.930

Проводим капитальный и частичный ремонт автогрейдеров, катков, погрузчиков, тракторов, экскаваторов. Возможно проведение ремонта по месту нахождения; Предлагаем модернизацию катков ДУ-47/48/49/58/62, а также поставка новой техники от завода-производителя; Предлагаем поставку новой, восстановленной или б/у в рабочем состоянии дорожно – строительной техники; коммунальной и снегоуборочной техники; Предлагаем поставку навесного оборудования и расходных материалов для коммунальной и дорожно-строительной техники в том числе: ножи для автогрейдеров, техпластины, диски щеточные, резцы для дорожных фрез, цепи для грунторезов и т.д; Предлагаем поставку двигателей ЯМЗ, ММЗ, АМЗ,ТМЗ, ВТЗ, Хонда и запчастей к ним; Предлагаем поставку импортных комплектующих для дорожно-строительной техники; Предлагаем поставку восстановленной или б/у в рабочем состоянии импортной дорожно – строительной техники; Возможны различные формы оплаты, в том числе рассрочка, скидка.Производитель: Собственное производство Материал: Сталь

1 руб.
Рыбинск
Фланец ДУ-47А-04-111А

Фланец ДУ-47А-04-111А

Проводим капитальный и частичный ремонт автогрейдеров, катков, погрузчиков, тракторов, экскаваторов. Возможно проведение ремонта по месту нахождения; Предлагаем модернизацию катков ДУ-47/48/49/58/62, а также поставка новой техники от завода-производителя; Предлагаем поставку новой, восстановленной или б/у в рабочем состоянии дорожно – строительной техники; коммунальной и снегоуборочной техники; Предлагаем поставку навесного оборудования и расходных материалов для коммунальной и дорожно-строительной техники в том числе: ножи для автогрейдеров, техпластины, диски щеточные, резцы для дорожных фрез, цепи для грунторезов и т.д; Предлагаем поставку двигателей ЯМЗ, ММЗ, АМЗ,ТМЗ, ВТЗ, Хонда и запчастей к ним; Предлагаем поставку импортных комплектующих для дорожно-строительной техники; Предлагаем поставку восстановленной или б/у в рабочем состоянии импортной дорожно – строительной техники; Возможны различные формы оплаты, в том числе рассрочка, скидка.Производитель: Собственное производство Материал: Сталь

1 руб.
Рыбинск
Тяга ДМ-31.01.043

Тяга ДМ-31.01.043

Проводим капитальный и частичный ремонт автогрейдеров, катков, погрузчиков, тракторов, экскаваторов. Возможно проведение ремонта по месту нахождения; Предлагаем модернизацию катков ДУ-47/48/49/58/62, а также поставка новой техники от завода-производителя; Предлагаем поставку новой, восстановленной или б/у в рабочем состоянии дорожно – строительной техники; коммунальной и снегоуборочной техники; Предлагаем поставку навесного оборудования и расходных материалов для коммунальной и дорожно-строительной техники в том числе: ножи для автогрейдеров, техпластины, диски щеточные, резцы для дорожных фрез, цепи для грунторезов и т.д; Предлагаем поставку двигателей ЯМЗ, ММЗ, АМЗ,ТМЗ, ВТЗ, Хонда и запчастей к ним; Предлагаем поставку импортных комплектующих для дорожно-строительной техники; Предлагаем поставку восстановленной или б/у в рабочем состоянии импортной дорожно – строительной техники; Возможны различные формы оплаты, в том числе рассрочка, скидка.

1 руб.
Рыбинск
Ступица правая ДУ-47Б-43-310 (ДУ-47А-03-163)

Ступица правая ДУ-47Б-43-310 (ДУ-47А-03-163)

Проводим капитальный и частичный ремонт автогрейдеров, катков, погрузчиков, тракторов, экскаваторов. Возможно проведение ремонта по месту нахождения; Предлагаем модернизацию катков ДУ-47/48/49/58/62, а также поставка новой техники от завода-производителя; Предлагаем поставку новой, восстановленной или б/у в рабочем состоянии дорожно – строительной техники; коммунальной и снегоуборочной техники; Предлагаем поставку навесного оборудования и расходных материалов для коммунальной и дорожно-строительной техники в том числе: ножи для автогрейдеров, техпластины, диски щеточные, резцы для дорожных фрез, цепи для грунторезов и т.д; Предлагаем поставку двигателей ЯМЗ, ММЗ, АМЗ,ТМЗ, ВТЗ, Хонда и запчастей к ним; Предлагаем поставку импортных комплектующих для дорожно-строительной техники; Предлагаем поставку восстановленной или б/у в рабочем состоянии импортной дорожно – строительной техники; Возможны различные формы оплаты, в том числе рассрочка, скидка.Производитель: Собственное производство Сторона: Правые Тип техники: Спецтехника Тип запчасти: Оригинал

1 руб.
Рыбинск
Ступица правая Д-455А.02.020

Ступица правая Д-455А.02.020

Проводим капитальный и частичный ремонт автогрейдеров, катков, погрузчиков, тракторов, экскаваторов. Возможно проведение ремонта по месту нахождения; Предлагаем модернизацию катков ДУ-47/48/49/58/62, а также поставка новой техники от завода-производителя; Предлагаем поставку новой, восстановленной или б/у в рабочем состоянии дорожно – строительной техники; коммунальной и снегоуборочной техники; Предлагаем поставку навесного оборудования и расходных материалов для коммунальной и дорожно-строительной техники в том числе: ножи для автогрейдеров, техпластины, диски щеточные, резцы для дорожных фрез, цепи для грунторезов и т.д; Предлагаем поставку двигателей ЯМЗ, ММЗ, АМЗ,ТМЗ, ВТЗ, Хонда и запчастей к ним; Предлагаем поставку импортных комплектующих для дорожно-строительной техники; Предлагаем поставку восстановленной или б/у в рабочем состоянии импортной дорожно – строительной техники; Возможны различные формы оплаты, в том числе рассрочка, скидка.Производитель: Собственное производство Сторона: Правые Тип техники: Спецтехника

1 руб.
Рыбинск
Ступица левая ДУ-47Б-43-300 (ДУ-47А-03-164)

Ступица левая ДУ-47Б-43-300 (ДУ-47А-03-164)

Проводим капитальный и частичный ремонт автогрейдеров, катков, погрузчиков, тракторов, экскаваторов. Возможно проведение ремонта по месту нахождения; Предлагаем модернизацию катков ДУ-47/48/49/58/62, а также поставка новой техники от завода-производителя; Предлагаем поставку новой, восстановленной или б/у в рабочем состоянии дорожно – строительной техники; коммунальной и снегоуборочной техники; Предлагаем поставку навесного оборудования и расходных материалов для коммунальной и дорожно-строительной техники в том числе: ножи для автогрейдеров, техпластины, диски щеточные, резцы для дорожных фрез, цепи для грунторезов и т.д; Предлагаем поставку двигателей ЯМЗ, ММЗ, АМЗ,ТМЗ, ВТЗ, Хонда и запчастей к ним; Предлагаем поставку импортных комплектующих для дорожно-строительной техники; Предлагаем поставку восстановленной или б/у в рабочем состоянии импортной дорожно – строительной техники; Возможны различные формы оплаты, в том числе рассрочка, скидка.Производитель: Собственное производство Сторона: Левые Тип техники: Спецтехника Тип запчасти: Оригинал

1 руб.
Рыбинск
Ступица ДУ 84.187.190

Ступица ДУ 84.187.190

Проводим капитальный и частичный ремонт автогрейдеров, катков, погрузчиков, тракторов, экскаваторов. Возможно проведение ремонта по месту нахождения; Предлагаем модернизацию катков ДУ-47/48/49/58/62, а также поставка новой техники от завода-производителя; Предлагаем поставку новой, восстановленной или б/у в рабочем состоянии дорожно – строительной техники; коммунальной и снегоуборочной техники; Предлагаем поставку навесного оборудования и расходных материалов для коммунальной и дорожно-строительной техники в том числе: ножи для автогрейдеров, техпластины, диски щеточные, резцы для дорожных фрез, цепи для грунторезов и т.д; Предлагаем поставку двигателей ЯМЗ, ММЗ, АМЗ,ТМЗ, ВТЗ, Хонда и запчастей к ним; Предлагаем поставку импортных комплектующих для дорожно-строительной техники; Предлагаем поставку восстановленной или б/у в рабочем состоянии импортной дорожно – строительной техники; Возможны различные формы оплаты, в том числе рассрочка, скидка.Производитель: Собственное производство Тип техники: Спецтехника Тип запчасти: Оригинал

1 руб.
Рыбинск
Ступица ДУ 64.141.015

Ступица ДУ 64.141.015

Проводим капитальный и частичный ремонт автогрейдеров, катков, погрузчиков, тракторов, экскаваторов. Возможно проведение ремонта по месту нахождения; Предлагаем модернизацию катков ДУ-47/48/49/58/62, а также поставка новой техники от завода-производителя; Предлагаем поставку новой, восстановленной или б/у в рабочем состоянии дорожно – строительной техники; коммунальной и снегоуборочной техники; Предлагаем поставку навесного оборудования и расходных материалов для коммунальной и дорожно-строительной техники в том числе: ножи для автогрейдеров, техпластины, диски щеточные, резцы для дорожных фрез, цепи для грунторезов и т.д; Предлагаем поставку двигателей ЯМЗ, ММЗ, АМЗ,ТМЗ, ВТЗ, Хонда и запчастей к ним; Предлагаем поставку импортных комплектующих для дорожно-строительной техники; Предлагаем поставку восстановленной или б/у в рабочем состоянии импортной дорожно – строительной техники; Возможны различные формы оплаты, в том числе рассрочка, скидка.Производитель: Собственное производство Тип техники: Спецтехника Тип запчасти: Оригинал

1 руб.
Рыбинск
Стакан ДУ-47Б.04.220 (ДУ-47А-04-147)

Стакан ДУ-47Б.04.220 (ДУ-47А-04-147)

Проводим капитальный и частичный ремонт автогрейдеров, катков, погрузчиков, тракторов, экскаваторов. Возможно проведение ремонта по месту нахождения; Предлагаем модернизацию катков ДУ-47/48/49/58/62, а также поставка новой техники от завода-производителя; Предлагаем поставку новой, восстановленной или б/у в рабочем состоянии дорожно – строительной техники; коммунальной и снегоуборочной техники; Предлагаем поставку навесного оборудования и расходных материалов для коммунальной и дорожно-строительной техники в том числе: ножи для автогрейдеров, техпластины, диски щеточные, резцы для дорожных фрез, цепи для грунторезов и т.д; Предлагаем поставку двигателей ЯМЗ, ММЗ, АМЗ,ТМЗ, ВТЗ, Хонда и запчастей к ним; Предлагаем поставку импортных комплектующих для дорожно-строительной техники; Предлагаем поставку восстановленной или б/у в рабочем состоянии импортной дорожно – строительной техники; Возможны различные формы оплаты, в том числе рассрочка, скидка.Производитель: Собственное производство

1 руб.
Рыбинск
Скалка ДМ-31.01.047

Скалка ДМ-31.01.047

Проводим капитальный и частичный ремонт автогрейдеров, катков, погрузчиков, тракторов, экскаваторов. Возможно проведение ремонта по месту нахождения; Предлагаем модернизацию катков ДУ-47/48/49/58/62, а также поставка новой техники от завода-производителя; Предлагаем поставку новой, восстановленной или б/у в рабочем состоянии дорожно – строительной техники; коммунальной и снегоуборочной техники; Предлагаем поставку навесного оборудования и расходных материалов для коммунальной и дорожно-строительной техники в том числе: ножи для автогрейдеров, техпластины, диски щеточные, резцы для дорожных фрез, цепи для грунторезов и т.д; Предлагаем поставку двигателей ЯМЗ, ММЗ, АМЗ,ТМЗ, ВТЗ, Хонда и запчастей к ним; Предлагаем поставку импортных комплектующих для дорожно-строительной техники; Предлагаем поставку восстановленной или б/у в рабочем состоянии импортной дорожно – строительной техники; Возможны различные формы оплаты, в том числе рассрочка, скидка.Производитель: Собственное производство Состояние: Новое

1 руб.
Рыбинск
Рычаг Д-399В-10А-340

Рычаг Д-399В-10А-340

Проводим капитальный и частичный ремонт автогрейдеров, катков, погрузчиков, тракторов, экскаваторов. Возможно проведение ремонта по месту нахождения; Предлагаем модернизацию катков ДУ-47/48/49/58/62, а также поставка новой техники от завода-производителя; Предлагаем поставку новой, восстановленной или б/у в рабочем состоянии дорожно – строительной техники; коммунальной и снегоуборочной техники; Предлагаем поставку навесного оборудования и расходных материалов для коммунальной и дорожно-строительной техники в том числе: ножи для автогрейдеров, техпластины, диски щеточные, резцы для дорожных фрез, цепи для грунторезов и т.д; Предлагаем поставку двигателей ЯМЗ, ММЗ, АМЗ,ТМЗ, ВТЗ, Хонда и запчастей к ним; Предлагаем поставку импортных комплектующих для дорожно-строительной техники; Предлагаем поставку восстановленной или б/у в рабочем состоянии импортной дорожно – строительной техники; Возможны различные формы оплаты, в том числе рассрочка, скидка.Тип техники: Спецтехника Тип запчасти: Оригинал

1 руб.
Рыбинск
Редуктор раздаточный ДУ- 84-122.900

Редуктор раздаточный ДУ- 84-122.900

Проводим капитальный и частичный ремонт автогрейдеров, катков, погрузчиков, тракторов, экскаваторов. Возможно проведение ремонта по месту нахождения; Предлагаем модернизацию катков ДУ-47/48/49/58/62, а также поставка новой техники от завода-производителя; Предлагаем поставку новой, восстановленной или б/у в рабочем состоянии дорожно – строительной техники; коммунальной и снегоуборочной техники; Предлагаем поставку навесного оборудования и расходных материалов для коммунальной и дорожно-строительной техники в том числе: ножи для автогрейдеров, техпластины, диски щеточные, резцы для дорожных фрез, цепи для грунторезов и т.д; Предлагаем поставку двигателей ЯМЗ, ММЗ, АМЗ,ТМЗ, ВТЗ, Хонда и запчастей к ним; Предлагаем поставку импортных комплектующих для дорожно-строительной техники; Предлагаем поставку восстановленной или б/у в рабочем состоянии импортной дорожно – строительной техники; Возможны различные формы оплаты, в том числе рассрочка, скидка.Производитель: Собственное производство Состояние: Новое

1 руб.
Рыбинск
Реверс в сборе ДУ- 93.208.120

Реверс в сборе ДУ- 93.208.120

Проводим капитальный и частичный ремонт автогрейдеров, катков, погрузчиков, тракторов, экскаваторов. Возможно проведение ремонта по месту нахождения; Предлагаем модернизацию катков ДУ-47/48/49/58/62, а также поставка новой техники от завода-производителя; Предлагаем поставку новой, восстановленной или б/у в рабочем состоянии дорожно – строительной техники; коммунальной и снегоуборочной техники; Предлагаем поставку навесного оборудования и расходных материалов для коммунальной и дорожно-строительной техники в том числе: ножи для автогрейдеров, техпластины, диски щеточные, резцы для дорожных фрез, цепи для грунторезов и т.д; Предлагаем поставку двигателей ЯМЗ, ММЗ, АМЗ,ТМЗ, ВТЗ, Хонда и запчастей к ним; Предлагаем поставку импортных комплектующих для дорожно-строительной техники; Предлагаем поставку восстановленной или б/у в рабочем состоянии импортной дорожно – строительной техники; Возможны различные формы оплаты, в том числе рассрочка, скидка.Производитель: Собственное производство Состояние: Новое

1 руб.
Рыбинск
Полумуфта ДУ 84.122.253

Полумуфта ДУ 84.122.253

Проводим капитальный и частичный ремонт автогрейдеров, катков, погрузчиков, тракторов, экскаваторов. Возможно проведение ремонта по месту нахождения; Предлагаем модернизацию катков ДУ-47/48/49/58/62, а также поставка новой техники от завода-производителя; Предлагаем поставку новой, восстановленной или б/у в рабочем состоянии дорожно – строительной техники; коммунальной и снегоуборочной техники; Предлагаем поставку навесного оборудования и расходных материалов для коммунальной и дорожно-строительной техники в том числе: ножи для автогрейдеров, техпластины, диски щеточные, резцы для дорожных фрез, цепи для грунторезов и т.д; Предлагаем поставку двигателей ЯМЗ, ММЗ, АМЗ,ТМЗ, ВТЗ, Хонда и запчастей к ним; Предлагаем поставку импортных комплектующих для дорожно-строительной техники; Предлагаем поставку восстановленной или б/у в рабочем состоянии импортной дорожно – строительной техники; Возможны различные формы оплаты, в том числе рассрочка, скидка.Производитель: Собственное производство Состояние: Новое

1 руб.
Рыбинск
Полукорпус ДМ 30.00.060-01

Полукорпус ДМ 30.00.060-01

Проводим капитальный и частичный ремонт автогрейдеров, катков, погрузчиков, тракторов, экскаваторов. Возможно проведение ремонта по месту нахождения; Предлагаем модернизацию катков ДУ-47/48/49/58/62, а также поставка новой техники от завода-производителя; Предлагаем поставку новой, восстановленной или б/у в рабочем состоянии дорожно – строительной техники; коммунальной и снегоуборочной техники; Предлагаем поставку навесного оборудования и расходных материалов для коммунальной и дорожно-строительной техники в том числе: ножи для автогрейдеров, техпластины, диски щеточные, резцы для дорожных фрез, цепи для грунторезов и т.д; Предлагаем поставку двигателей ЯМЗ, ММЗ, АМЗ,ТМЗ, ВТЗ, Хонда и запчастей к ним; Предлагаем поставку импортных комплектующих для дорожно-строительной техники; Предлагаем поставку восстановленной или б/у в рабочем состоянии импортной дорожно – строительной техники; Возможны различные формы оплаты, в том числе рассрочка, скидка.Производитель: Собственное производство Состояние: Новое

1 руб.
Рыбинск
Палец ДМ 30.00.001

Палец ДМ 30.00.001

Проводим капитальный и частичный ремонт автогрейдеров, катков, погрузчиков, тракторов, экскаваторов. Возможно проведение ремонта по месту нахождения; Предлагаем модернизацию катков ДУ-47/48/49/58/62, а также поставка новой техники от завода-производителя; Предлагаем поставку новой, восстановленной или б/у в рабочем состоянии дорожно – строительной техники; коммунальной и снегоуборочной техники; Предлагаем поставку навесного оборудования и расходных материалов для коммунальной и дорожно-строительной техники в том числе: ножи для автогрейдеров, техпластины, диски щеточные, резцы для дорожных фрез, цепи для грунторезов и т.д; Предлагаем поставку двигателей ЯМЗ, ММЗ, АМЗ,ТМЗ, ВТЗ, Хонда и запчастей к ним; Предлагаем поставку импортных комплектующих для дорожно-строительной техники; Предлагаем поставку восстановленной или б/у в рабочем состоянии импортной дорожно – строительной техники; Возможны различные формы оплаты, в том числе рассрочка, скидка.Производитель: Собственное производство Состояние: Новое

1 руб.
Рыбинск
Палец Д-211-НД-96

Палец Д-211-НД-96

Проводим капитальный и частичный ремонт автогрейдеров, катков, погрузчиков, тракторов, экскаваторов. Возможно проведение ремонта по месту нахождения; Предлагаем модернизацию катков ДУ-47/48/49/58/62, а также поставка новой техники от завода-производителя; Предлагаем поставку новой, восстановленной или б/у в рабочем состоянии дорожно – строительной техники; коммунальной и снегоуборочной техники; Предлагаем поставку навесного оборудования и расходных материалов для коммунальной и дорожно-строительной техники в том числе: ножи для автогрейдеров, техпластины, диски щеточные, резцы для дорожных фрез, цепи для грунторезов и т.д; Предлагаем поставку двигателей ЯМЗ, ММЗ, АМЗ,ТМЗ, ВТЗ, Хонда и запчастей к ним; Предлагаем поставку импортных комплектующих для дорожно-строительной техники; Предлагаем поставку восстановленной или б/у в рабочем состоянии импортной дорожно – строительной техники; Возможны различные формы оплаты, в том числе рассрочка, скидка.Производитель: Собственное производство Состояние: Новое

1 руб.
Рыбинск
Отводка ДУ-47А-04-26

Отводка ДУ-47А-04-26

Проводим капитальный и частичный ремонт автогрейдеров, катков, погрузчиков, тракторов, экскаваторов. Возможно проведение ремонта по месту нахождения; Предлагаем модернизацию катков ДУ-47/48/49/58/62, а также поставка новой техники от завода-производителя; Предлагаем поставку новой, восстановленной или б/у в рабочем состоянии дорожно – строительной техники; коммунальной и снегоуборочной техники; Предлагаем поставку навесного оборудования и расходных материалов для коммунальной и дорожно-строительной техники в том числе: ножи для автогрейдеров, техпластины, диски щеточные, резцы для дорожных фрез, цепи для грунторезов и т.д; Предлагаем поставку двигателей ЯМЗ, ММЗ, АМЗ,ТМЗ, ВТЗ, Хонда и запчастей к ним; Предлагаем поставку импортных комплектующих для дорожно-строительной техники; Предлагаем поставку восстановленной или б/у в рабочем состоянии импортной дорожно – строительной техники; Возможны различные формы оплаты, в том числе рассрочка, скидка.Производитель: Собственное производство Состояние: Новое

1 руб.
Рыбинск
Ось ДУ-47А-02-58

Ось ДУ-47А-02-58

Проводим капитальный и частичный ремонт автогрейдеров, катков, погрузчиков, тракторов, экскаваторов. Возможно проведение ремонта по месту нахождения; Предлагаем модернизацию катков ДУ-47/48/49/58/62, а также поставка новой техники от завода-производителя; Предлагаем поставку новой, восстановленной или б/у в рабочем состоянии дорожно – строительной техники; коммунальной и снегоуборочной техники; Предлагаем поставку навесного оборудования и расходных материалов для коммунальной и дорожно-строительной техники в том числе: ножи для автогрейдеров, техпластины, диски щеточные, резцы для дорожных фрез, цепи для грунторезов и т.д; Предлагаем поставку двигателей ЯМЗ, ММЗ, АМЗ,ТМЗ, ВТЗ, Хонда и запчастей к ним; Предлагаем поставку импортных комплектующих для дорожно-строительной техники; Предлагаем поставку восстановленной или б/у в рабочем состоянии импортной дорожно – строительной техники; Возможны различные формы оплаты, в том числе рассрочка, скидка.Производитель: Собственное производство Состояние: Новое

1 руб.
Рыбинск
Ось ДУ 84.122.234

Ось ДУ 84.122.234

Проводим капитальный и частичный ремонт автогрейдеров, катков, погрузчиков, тракторов, экскаваторов. Возможно проведение ремонта по месту нахождения; Предлагаем модернизацию катков ДУ-47/48/49/58/62, а также поставка новой техники от завода-производителя; Предлагаем поставку новой, восстановленной или б/у в рабочем состоянии дорожно – строительной техники; коммунальной и снегоуборочной техники; Предлагаем поставку навесного оборудования и расходных материалов для коммунальной и дорожно-строительной техники в том числе: ножи для автогрейдеров, техпластины, диски щеточные, резцы для дорожных фрез, цепи для грунторезов и т.д; Предлагаем поставку двигателей ЯМЗ, ММЗ, АМЗ,ТМЗ, ВТЗ, Хонда и запчастей к ним; Предлагаем поставку импортных комплектующих для дорожно-строительной техники; Предлагаем поставку восстановленной или б/у в рабочем состоянии импортной дорожно – строительной техники; Возможны различные формы оплаты, в том числе рассрочка, скидка.Производитель: Собственное производство Состояние: Новое

1 руб.
Рыбинск
Опора ДУ-98.283.170

Опора ДУ-98.283.170

Проводим капитальный и частичный ремонт автогрейдеров, катков, погрузчиков, тракторов, экскаваторов. Возможно проведение ремонта по месту нахождения; Предлагаем модернизацию катков ДУ-47/48/49/58/62, а также поставка новой техники от завода-производителя; Предлагаем поставку новой, восстановленной или б/у в рабочем состоянии дорожно – строительной техники; коммунальной и снегоуборочной техники; Предлагаем поставку навесного оборудования и расходных материалов для коммунальной и дорожно-строительной техники в том числе: ножи для автогрейдеров, техпластины, диски щеточные, резцы для дорожных фрез, цепи для грунторезов и т.д; Предлагаем поставку двигателей ЯМЗ, ММЗ, АМЗ,ТМЗ, ВТЗ, Хонда и запчастей к ним; Предлагаем поставку импортных комплектующих для дорожно-строительной техники; Предлагаем поставку восстановленной или б/у в рабочем состоянии импортной дорожно – строительной техники; Возможны различные формы оплаты, в том числе рассрочка, скидка.Производитель: Собственное производство Состояние: Новое

1 руб.
Рыбинск
Опора ДУ-84.187.300

Опора ДУ-84.187.300

Проводим капитальный и частичный ремонт автогрейдеров, катков, погрузчиков, тракторов, экскаваторов. Возможно проведение ремонта по месту нахождения; Предлагаем модернизацию катков ДУ-47/48/49/58/62, а также поставка новой техники от завода-производителя; Предлагаем поставку новой, восстановленной или б/у в рабочем состоянии дорожно – строительной техники; коммунальной и снегоуборочной техники; Предлагаем поставку навесного оборудования и расходных материалов для коммунальной и дорожно-строительной техники в том числе: ножи для автогрейдеров, техпластины, диски щеточные, резцы для дорожных фрез, цепи для грунторезов и т.д; Предлагаем поставку двигателей ЯМЗ, ММЗ, АМЗ,ТМЗ, ВТЗ, Хонда и запчастей к ним; Предлагаем поставку импортных комплектующих для дорожно-строительной техники; Предлагаем поставку восстановленной или б/у в рабочем состоянии импортной дорожно – строительной техники; Возможны различные формы оплаты, в том числе рассрочка, скидка.Производитель: Собственное производство Состояние: Новое

1 руб.
Рыбинск
Обойма Д455А.01.165

Обойма Д455А.01.165

Проводим капитальный и частичный ремонт автогрейдеров, катков, погрузчиков, тракторов, экскаваторов. Возможно проведение ремонта по месту нахождения; Предлагаем модернизацию катков ДУ-47/48/49/58/62, а также поставка новой техники от завода-производителя; Предлагаем поставку новой, восстановленной или б/у в рабочем состоянии дорожно – строительной техники; коммунальной и снегоуборочной техники; Предлагаем поставку навесного оборудования и расходных материалов для коммунальной и дорожно-строительной техники в том числе: ножи для автогрейдеров, техпластины, диски щеточные, резцы для дорожных фрез, цепи для грунторезов и т.д; Предлагаем поставку двигателей ЯМЗ, ММЗ, АМЗ,ТМЗ, ВТЗ, Хонда и запчастей к ним; Предлагаем поставку импортных комплектующих для дорожно-строительной техники; Предлагаем поставку восстановленной или б/у в рабочем состоянии импортной дорожно – строительной техники; Возможны различные формы оплаты, в том числе рассрочка, скидка.Производитель: Собственное производство Владельцев по ПТС: Нет Состояние: Новое

1 руб.
Рыбинск
Обойма Д-613А-02-94

Обойма Д-613А-02-94

Проводим капитальный и частичный ремонт автогрейдеров, катков, погрузчиков, тракторов, экскаваторов. Возможно проведение ремонта по месту нахождения; Предлагаем модернизацию катков ДУ-47/48/49/58/62, а также поставка новой техники от завода-производителя; Предлагаем поставку новой, восстановленной или б/у в рабочем состоянии дорожно – строительной техники; коммунальной и снегоуборочной техники; Предлагаем поставку навесного оборудования и расходных материалов для коммунальной и дорожно-строительной техники в том числе: ножи для автогрейдеров, техпластины, диски щеточные, резцы для дорожных фрез, цепи для грунторезов и т.д; Предлагаем поставку двигателей ЯМЗ, ММЗ, АМЗ,ТМЗ, ВТЗ, Хонда и запчастей к ним; Предлагаем поставку импортных комплектующих для дорожно-строительной техники; Предлагаем поставку восстановленной или б/у в рабочем состоянии импортной дорожно – строительной техники; Возможны различные формы оплаты, в том числе рассрочка, скидка.Производитель: Собственное производство Состояние: Новое

1 руб.
Рыбинск
Шкив ДУ-47А-04-131А

Шкив ДУ-47А-04-131А

Проводим капитальный и частичный ремонт автогрейдеров, катков, погрузчиков, тракторов, экскаваторов. Возможно проведение ремонта по месту нахождения; Предлагаем модернизацию катков ДУ-47/48/49/58/62, а также поставка новой техники от завода-производителя; Предлагаем поставку новой, восстановленной или б/у в рабочем состоянии дорожно – строительной техники; коммунальной и снегоуборочной техники; Предлагаем поставку навесного оборудования и расходных материалов для коммунальной и дорожно-строительной техники в том числе: ножи для автогрейдеров, техпластины, диски щеточные, резцы для дорожных фрез, цепи для грунторезов и т.д; Предлагаем поставку двигателей ЯМЗ, ММЗ, АМЗ,ТМЗ, ВТЗ, Хонда и запчастей к ним; Предлагаем поставку импортных комплектующих для дорожно-строительной техники; Предлагаем поставку восстановленной или б/у в рабочем состоянии импортной дорожно – строительной техники; Возможны различные формы оплаты, в том числе рассрочка, скидка.

1 руб.
Рыбинск
Шкив ДУ-47А-03-248

Шкив ДУ-47А-03-248

Проводим капитальный и частичный ремонт автогрейдеров, катков, погрузчиков, тракторов, экскаваторов. Возможно проведение ремонта по месту нахождения; Предлагаем модернизацию катков ДУ-47/48/49/58/62, а также поставка новой техники от завода-производителя; Предлагаем поставку новой, восстановленной или б/у в рабочем состоянии дорожно – строительной техники; коммунальной и снегоуборочной техники; Предлагаем поставку навесного оборудования и расходных материалов для коммунальной и дорожно-строительной техники в том числе: ножи для автогрейдеров, техпластины, диски щеточные, резцы для дорожных фрез, цепи для грунторезов и т.д; Предлагаем поставку двигателей ЯМЗ, ММЗ, АМЗ,ТМЗ, ВТЗ, Хонда и запчастей к ним; Предлагаем поставку импортных комплектующих для дорожно-строительной техники; Предлагаем поставку восстановленной или б/у в рабочем состоянии импортной дорожно – строительной техники; Возможны различные формы оплаты, в том числе рассрочка, скидка.Состояние: Новое

1 руб.
Рыбинск
Шкив Д955Б.01.001

Шкив Д955Б.01.001

Проводим капитальный и частичный ремонт автогрейдеров, катков, погрузчиков, тракторов, экскаваторов. Возможно проведение ремонта по месту нахождения; Предлагаем модернизацию катков ДУ-47/48/49/58/62, а также поставка новой техники от завода-производителя; Предлагаем поставку новой, восстановленной или б/у в рабочем состоянии дорожно – строительной техники; коммунальной и снегоуборочной техники; Предлагаем поставку навесного оборудования и расходных материалов для коммунальной и дорожно-строительной техники в том числе: ножи для автогрейдеров, техпластины, диски щеточные, резцы для дорожных фрез, цепи для грунторезов и т.д; Предлагаем поставку двигателей ЯМЗ, ММЗ, АМЗ,ТМЗ, ВТЗ, Хонда и запчастей к ним; Предлагаем поставку импортных комплектующих для дорожно-строительной техники; Предлагаем поставку восстановленной или б/у в рабочем состоянии импортной дорожно – строительной техники; Возможны различные формы оплаты, в том числе рассрочка, скидка.

1 руб.
Рыбинск
Шкив Д-455А.02.018

Шкив Д-455А.02.018

Проводим капитальный и частичный ремонт автогрейдеров, катков, погрузчиков, тракторов, экскаваторов. Возможно проведение ремонта по месту нахождения; Предлагаем модернизацию катков ДУ-47/48/49/58/62, а также поставка новой техники от завода-производителя; Предлагаем поставку новой, восстановленной или б/у в рабочем состоянии дорожно – строительной техники; коммунальной и снегоуборочной техники; Предлагаем поставку навесного оборудования и расходных материалов для коммунальной и дорожно-строительной техники в том числе: ножи для автогрейдеров, техпластины, диски щеточные, резцы для дорожных фрез, цепи для грунторезов и т.д; Предлагаем поставку двигателей ЯМЗ, ММЗ, АМЗ,ТМЗ, ВТЗ, Хонда и запчастей к ним; Предлагаем поставку импортных комплектующих для дорожно-строительной техники; Предлагаем поставку восстановленной или б/у в рабочем состоянии импортной дорожно – строительной техники; Возможны различные формы оплаты, в том числе рассрочка, скидка.

1 руб.
Рыбинск
Шестерня коническая ДУ-47А-04-18

Шестерня коническая ДУ-47А-04-18

В наличии любая шестерня из сборочных единиц катков пр-ва Раскат. Все запчасти изготавливаются по заводским чертежам и проходят необходимую закалку и проверку качества. Проводим капитальный и частичный ремонт автогрейдеров, катков, погрузчиков, тракторов, экскаваторов. Возможно проведение ремонта по месту нахождения; Предлагаем модернизацию катков ДУ-47/48/49/58/62, а также поставка новой техники от завода-производителя; Предлагаем поставку новой, восстановленной или б/у в рабочем состоянии дорожно – строительной техники; коммунальной и снегоуборочной техники; Предлагаем поставку навесного оборудования и расходных материалов для коммунальной и дорожно-строительной техники в том числе: ножи для автогрейдеров, техпластины, диски щеточные, резцы для дорожных фрез, цепи для грунторезов и т.д; Предлагаем поставку двигателей ЯМЗ, ММЗ, АМЗ,ТМЗ, ВТЗ, Хонда и запчастей к ним; Предлагаем поставку импортных комплектующих для дорожно-строительной техники; Предлагаем поставку восстановленной или б/у в рабочем состоянии импортной дорожно – строительной техники; Возможны различные формы оплаты, в том числе рассрочка, скидка.Вид: Конические шестерни

1 руб.
Рыбинск
Шестерня бортовая ДУ 47Б-43.200 (ДУ-47А-03-23)

Шестерня бортовая ДУ 47Б-43.200 (ДУ-47А-03-23)

Проводим капитальный и частичный ремонт автогрейдеров, катков, погрузчиков, тракторов, экскаваторов. Возможно проведение ремонта по месту нахождения; Предлагаем модернизацию катков ДУ-47/48/49/58/62, а также поставка новой техники от завода-производителя; Предлагаем поставку новой, восстановленной или б/у в рабочем состоянии дорожно – строительной техники; коммунальной и снегоуборочной техники; Предлагаем поставку навесного оборудования и расходных материалов для коммунальной и дорожно-строительной техники в том числе: ножи для автогрейдеров, техпластины, диски щеточные, резцы для дорожных фрез, цепи для грунторезов и т.д; Предлагаем поставку двигателей ЯМЗ, ММЗ, АМЗ,ТМЗ, ВТЗ, Хонда и запчастей к ним; Предлагаем поставку импортных комплектующих для дорожно-строительной техники; Предлагаем поставку восстановленной или б/у в рабочем состоянии импортной дорожно – строительной техники; Возможны различные формы оплаты, в том числе рассрочка, скидка.Производитель: Собственное производство Материал: Сталь

1 руб.
Рыбинск
Червяк Д-455А.04.006

Червяк Д-455А.04.006

Специализированные машины и механизмы постоянно подвергаются интенсивным нагрузкам.  Отсутствие технического обслуживания или несвоевременное проведение ремонта приводят к снижению производительности спецтранспорта и оборудования. Наша Компания предлагает: * Капитальный и текущий ремонт дорожно – строительной техники Заказчика с последующей гарантией. * Поставку восстановленной дорожно – строительной техники российского и импортного производства.  * Изготовление , поставку запчастей и комплектующих для автогрейдеров, дорожных катков, погрузчиков, тракторов, экскаваторов, асфальтоукладчиков, бульдозеров, коммунальной техники. * Поставку навесного оборудования и расходных материалов для коммунальной и дорожно-строительной техники в том числе: ножи для автогрейдеров, техпластины и др. * Изготовление узлов и деталей по чертежам Заказчика. * Изготовление и поставка амортизаторов на катки производства Раскат, ДМ, HAMM, Амкодор, Sakai, Dynapac, Caterpillar, Ammann, Kawasaki, Xcmg, Xgma, Volvo, Bomag и др. * Изготовление и поставка накладок траков асфальтоукладчиков и услуги по их восстановлению. * Поставку двигателей и запчастей к ним. * Ремонт и поставку КПП (Псков, Муром, Польша др.), запчастей для КПП. * Изготовление обечайки вальца, бандажей кулачковых по размерам Заказчика.  * Пескоструйная обработка металлоконструкций. * Ремонт топливной аппаратуры дизельных двигателей.Производитель: Собственное производство

1 руб.
Рыбинск
Цилиндр поворота вальцев ДУ- 48-11-70 (ЦГ 80.40х250)

Цилиндр поворота вальцев ДУ- 48-11-70 (ЦГ 80.40х250)

Проводим капитальный и частичный ремонт автогрейдеров, катков, погрузчиков, тракторов, экскаваторов. Возможно проведение ремонта по месту нахождения; Предлагаем модернизацию катков ДУ-47/48/49/58/62, а также поставка новой техники от завода-производителя; Предлагаем поставку новой, восстановленной или б/у в рабочем состоянии дорожно – строительной техники; коммунальной и снегоуборочной техники; Предлагаем поставку навесного оборудования и расходных материалов для коммунальной и дорожно-строительной техники в том числе: ножи для автогрейдеров, техпластины, диски щеточные, резцы для дорожных фрез, цепи для грунторезов и т.д; Предлагаем поставку двигателей ЯМЗ, ММЗ, АМЗ,ТМЗ, ВТЗ, Хонда и запчастей к ним; Предлагаем поставку импортных комплектующих для дорожно-строительной техники; Предлагаем поставку восстановленной или б/у в рабочем состоянии импортной дорожно – строительной техники; Возможны различные формы оплаты, в том числе рассрочка, скидка.

1 руб.
Рыбинск
Установка механизма обрезки кромки асфальта

Установка механизма обрезки кромки асфальта

А также любые запчасти, агрегаты, РВД, амортизаторы и т.д.Производитель: Собственное производство Состояние: Новое

1 руб.
Рыбинск
Сухарь Д455А.01.031

Сухарь Д455А.01.031

Проводим капитальный и частичный ремонт автогрейдеров, катков, погрузчиков, тракторов, экскаваторов. Возможно проведение ремонта по месту нахождения; Предлагаем модернизацию катков ДУ-47/48/49/58/62, а также поставка новой техники от завода-производителя; Предлагаем поставку новой, восстановленной или б/у в рабочем состоянии дорожно – строительной техники; коммунальной и снегоуборочной техники; Предлагаем поставку навесного оборудования и расходных материалов для коммунальной и дорожно-строительной техники в том числе: ножи для автогрейдеров, техпластины, диски щеточные, резцы для дорожных фрез, цепи для грунторезов и т.д; Предлагаем поставку двигателей ЯМЗ, ММЗ, АМЗ,ТМЗ, ВТЗ, Хонда и запчастей к ним; Предлагаем поставку импортных комплектующих для дорожно-строительной техники; Предлагаем поставку восстановленной или б/у в рабочем состоянии импортной дорожно – строительной техники; Возможны различные формы оплаты, в том числе рассрочка, скидка.Производитель: Собственное производство

1 руб.
Рыбинск
Стакан ДУ-47Б-44.29

Стакан ДУ-47Б-44.29

Проводим капитальный и частичный ремонт автогрейдеров, катков, погрузчиков, тракторов, экскаваторов. Возможно проведение ремонта по месту нахождения; Предлагаем модернизацию катков ДУ-47/48/49/58/62, а также поставка новой техники от завода-производителя; Предлагаем поставку новой, восстановленной или б/у в рабочем состоянии дорожно – строительной техники; коммунальной и снегоуборочной техники; Предлагаем поставку навесного оборудования и расходных материалов для коммунальной и дорожно-строительной техники в том числе: ножи для автогрейдеров, техпластины, диски щеточные, резцы для дорожных фрез, цепи для грунторезов и т.д; Предлагаем поставку двигателей ЯМЗ, ММЗ, АМЗ,ТМЗ, ВТЗ, Хонда и запчастей к ним; Предлагаем поставку импортных комплектующих для дорожно-строительной техники; Предлагаем поставку восстановленной или б/у в рабочем состоянии импортной дорожно – строительной техники; Возможны различные формы оплаты, в том числе рассрочка, скидка.Производитель: Собственное производство

1 руб.
Рыбинск
Радиатор в ассортименте.

Радиатор в ассортименте.

Радиаторы в ассортименте водяные и маслянные на любую спецтехнику. Проводим капитальный и частичный ремонт автогрейдеров, катков, погрузчиков, тракторов, экскаваторов. Возможно проведение ремонта по месту нахождения; Предлагаем модернизацию катков ДУ-47/48/49/58/62, а также поставка новой техники от завода-производителя; Предлагаем поставку новой, восстановленной или б/у в рабочем состоянии дорожно – строительной техники; коммунальной и снегоуборочной техники; Предлагаем поставку навесного оборудования и расходных материалов для коммунальной и дорожно-строительной техники в том числе: ножи для автогрейдеров, техпластины, диски щеточные, резцы для дорожных фрез, цепи для грунторезов и т.д; Предлагаем поставку двигателей ЯМЗ, ММЗ, АМЗ,ТМЗ, ВТЗ, Хонда и запчастей к ним; Предлагаем поставку импортных комплектующих для дорожно-строительной техники; Предлагаем поставку восстановленной или б/у в рабочем состоянии импортной дорожно – строительной техники; Возможны различные формы оплаты, в том числе рассрочка, скидка.Производитель: Собственное производство

1 руб.
Рыбинск
Полумуфта Д455Б.01.015

Полумуфта Д455Б.01.015

Проводим капитальный и частичный ремонт автогрейдеров, катков, погрузчиков, тракторов, экскаваторов. Возможно проведение ремонта по месту нахождения; Предлагаем модернизацию катков ДУ-47/48/49/58/62, а также поставка новой техники от завода-производителя; Предлагаем поставку новой, восстановленной или б/у в рабочем состоянии дорожно – строительной техники; коммунальной и снегоуборочной техники; Предлагаем поставку навесного оборудования и расходных материалов для коммунальной и дорожно-строительной техники в том числе: ножи для автогрейдеров, техпластины, диски щеточные, резцы для дорожных фрез, цепи для грунторезов и т.д; Предлагаем поставку двигателей ЯМЗ, ММЗ, АМЗ,ТМЗ, ВТЗ, Хонда и запчастей к ним; Предлагаем поставку импортных комплектующих для дорожно-строительной техники; Предлагаем поставку восстановленной или б/у в рабочем состоянии импортной дорожно – строительной техники; Возможны различные формы оплаты, в том числе рассрочка, скидка.Производитель: Собственное производство

1 руб.
Рыбинск
Полумуфта Д455Б.01.013

Полумуфта Д455Б.01.013

Проводим капитальный и частичный ремонт автогрейдеров, катков, погрузчиков, тракторов, экскаваторов. Возможно проведение ремонта по месту нахождения; Предлагаем модернизацию катков ДУ-47/48/49/58/62, а также поставка новой техники от завода-производителя; Предлагаем поставку новой, восстановленной или б/у в рабочем состоянии дорожно – строительной техники; коммунальной и снегоуборочной техники; Предлагаем поставку навесного оборудования и расходных материалов для коммунальной и дорожно-строительной техники в том числе: ножи для автогрейдеров, техпластины, диски щеточные, резцы для дорожных фрез, цепи для грунторезов и т.д; Предлагаем поставку двигателей ЯМЗ, ММЗ, АМЗ,ТМЗ, ВТЗ, Хонда и запчастей к ним; Предлагаем поставку импортных комплектующих для дорожно-строительной техники; Предлагаем поставку восстановленной или б/у в рабочем состоянии импортной дорожно – строительной техники; Возможны различные формы оплаты, в том числе рассрочка, скидка.Производитель: Собственное производство

1 руб.
Рыбинск
Полукорпус ДМ 31.01.020

Полукорпус ДМ 31.01.020

Проводим капитальный и частичный ремонт автогрейдеров, катков, погрузчиков, тракторов, экскаваторов. Возможно проведение ремонта по месту нахождения; Предлагаем модернизацию катков ДУ-47/48/49/58/62, а также поставка новой техники от завода-производителя; Предлагаем поставку новой, восстановленной или б/у в рабочем состоянии дорожно – строительной техники; коммунальной и снегоуборочной техники; Предлагаем поставку навесного оборудования и расходных материалов для коммунальной и дорожно-строительной техники в том числе: ножи для автогрейдеров, техпластины, диски щеточные, резцы для дорожных фрез, цепи для грунторезов и т.д; Предлагаем поставку двигателей ЯМЗ, ММЗ, АМЗ,ТМЗ, ВТЗ, Хонда и запчастей к ним; Предлагаем поставку импортных комплектующих для дорожно-строительной техники; Предлагаем поставку восстановленной или б/у в рабочем состоянии импортной дорожно – строительной техники; Возможны различные формы оплаты, в том числе рассрочка, скидка.Производитель: Собственное производство

1 руб.
Рыбинск
Обод ДУ-64.141.120

Обод ДУ-64.141.120

Проводим капитальный и частичный ремонт автогрейдеров, катков, погрузчиков, тракторов, экскаваторов. Возможно проведение ремонта по месту нахождения; Предлагаем модернизацию катков ДУ-47/48/49/58/62, а также поставка новой техники от завода-производителя; Предлагаем поставку новой, восстановленной или б/у в рабочем состоянии дорожно – строительной техники; коммунальной и снегоуборочной техники; Предлагаем поставку навесного оборудования и расходных материалов для коммунальной и дорожно-строительной техники в том числе: ножи для автогрейдеров, техпластины, диски щеточные, резцы для дорожных фрез, цепи для грунторезов и т.д; Предлагаем поставку двигателей ЯМЗ, ММЗ, АМЗ,ТМЗ, ВТЗ, Хонда и запчастей к ним; Предлагаем поставку импортных комплектующих для дорожно-строительной техники; Предлагаем поставку восстановленной или б/у в рабочем состоянии импортной дорожно – строительной техники; Возможны различные формы оплаты, в том числе рассрочка, скидка.Производитель: Собственное производство Состояние: Новое

1 руб.
Рыбинск
Насос водяной для дорожных катков

Насос водяной для дорожных катков

Насос водяной используется в смачивающей системе (орошение вальцев) дорожных катков как отечественных так и импортных. Также всегда в наличии имеются форсунки для орошения вальцев.Производитель: Собственное производство Состояние: Новое

1 руб.
Рыбинск
Муфта центральная ДМ-30.00.007

Муфта центральная ДМ-30.00.007

Проводим капитальный и частичный ремонт автогрейдеров, катков, погрузчиков, тракторов, экскаваторов. Возможно проведение ремонта по месту нахождения; Предлагаем модернизацию катков ДУ-47/48/49/58/62, а также поставка новой техники от завода-производителя; Предлагаем поставку новой, восстановленной или б/у в рабочем состоянии дорожно – строительной техники; коммунальной и снегоуборочной техники; Предлагаем поставку навесного оборудования и расходных материалов для коммунальной и дорожно-строительной техники в том числе: ножи для автогрейдеров, техпластины, диски щеточные, резцы для дорожных фрез, цепи для грунторезов и т.д; Предлагаем поставку двигателей ЯМЗ, ММЗ, АМЗ,ТМЗ, ВТЗ, Хонда и запчастей к ним; Предлагаем поставку импортных комплектующих для дорожно-строительной техники; Предлагаем поставку восстановленной или б/у в рабочем состоянии импортной дорожно – строительной техники; Возможны различные формы оплаты, в том числе рассрочка, скидка.Производитель: Собственное производство Состояние: Новое

1 руб.
Рыбинск
Муфта упругая ДУ-63.125.150

Муфта упругая ДУ-63.125.150

Проводим капитальный и частичный ремонт автогрейдеров, катков, погрузчиков, тракторов, экскаваторов. Возможно проведение ремонта по месту нахождения; Предлагаем модернизацию катков ДУ-47/48/49/58/62, а также поставка новой техники от завода-производителя; Предлагаем поставку новой, восстановленной или б/у в рабочем состоянии дорожно – строительной техники; коммунальной и снегоуборочной техники; Предлагаем поставку навесного оборудования и расходных материалов для коммунальной и дорожно-строительной техники в том числе: ножи для автогрейдеров, техпластины, диски щеточные, резцы для дорожных фрез, цепи для грунторезов и т.д; Предлагаем поставку двигателей ЯМЗ, ММЗ, АМЗ,ТМЗ, ВТЗ, Хонда и запчастей к ним; Предлагаем поставку импортных комплектующих для дорожно-строительной техники; Предлагаем поставку восстановленной или б/у в рабочем состоянии импортной дорожно – строительной техники; Возможны различные формы оплаты, в том числе рассрочка, скидка.Производитель: Собственное производство Состояние: Новое

1 руб.
Рыбинск
Муфта присоединительная в сборе

Муфта присоединительная в сборе

Проводим капитальный и частичный ремонт автогрейдеров, катков, погрузчиков, тракторов, экскаваторов. Возможно проведение ремонта по месту нахождения; Предлагаем модернизацию катков ДУ-47/48/49/58/62, а также поставка новой техники от завода-производителя; Предлагаем поставку новой, восстановленной или б/у в рабочем состоянии дорожно – строительной техники; коммунальной и снегоуборочной техники; Предлагаем поставку навесного оборудования и расходных материалов для коммунальной и дорожно-строительной техники в том числе: ножи для автогрейдеров, техпластины, диски щеточные, резцы для дорожных фрез, цепи для грунторезов и т.д; Предлагаем поставку двигателей ЯМЗ, ММЗ, АМЗ,ТМЗ, ВТЗ, Хонда и запчастей к ним; Предлагаем поставку импортных комплектующих для дорожно-строительной техники; Предлагаем поставку восстановленной или б/у в рабочем состоянии импортной дорожно – строительной техники; Возможны различные формы оплаты, в том числе рассрочка, скидка.Производитель: Собственное производство Состояние: Новое

1 руб.
Рыбинск
Втулка шлицевая ДУ-93.208.00 (ДУ-47А-04-71)

Втулка шлицевая ДУ-93.208.00 (ДУ-47А-04-71)

Проводим капитальный и частичный ремонт автогрейдеров, катков, погрузчиков, тракторов, экскаваторов. Возможно проведение ремонта по месту нахождения; Предлагаем модернизацию катков ДУ-47/48/49/58/62, а также поставка новой техники от завода-производителя; Предлагаем поставку новой, восстановленной или б/у в рабочем состоянии дорожно – строительной техники; коммунальной и снегоуборочной техники; Предлагаем поставку навесного оборудования и расходных материалов для коммунальной и дорожно-строительной техники в том числе: ножи для автогрейдеров, техпластины, диски щеточные, резцы для дорожных фрез, цепи для грунторезов и т.д; Предлагаем поставку двигателей ЯМЗ, ММЗ, АМЗ,ТМЗ, ВТЗ, Хонда и запчастей к ним; Предлагаем поставку импортных комплектующих для дорожно-строительной техники; Предлагаем поставку восстановленной или б/у в рабочем состоянии импортной дорожно – строительной техники; Возможны различные формы оплаты, в том числе рассрочка, скидка.

Рыбинск
Втулка зубчатая ДУ 63.103.351

Втулка зубчатая ДУ 63.103.351

Проводим капитальный и частичный ремонт автогрейдеров, катков, погрузчиков, тракторов, экскаваторов. Возможно проведение ремонта по месту нахождения; Предлагаем модернизацию катков ДУ-47/48/49/58/62, а также поставка новой техники от завода-производителя; Предлагаем поставку новой, восстановленной или б/у в рабочем состоянии дорожно – строительной техники; коммунальной и снегоуборочной техники; Предлагаем поставку навесного оборудования и расходных материалов для коммунальной и дорожно-строительной техники в том числе: ножи для автогрейдеров, техпластины, диски щеточные, резцы для дорожных фрез, цепи для грунторезов и т.д; Предлагаем поставку двигателей ЯМЗ, ММЗ, АМЗ,ТМЗ, ВТЗ, Хонда и запчастей к ним; Предлагаем поставку импортных комплектующих для дорожно-строительной техники; Предлагаем поставку восстановленной или б/у в рабочем состоянии импортной дорожно – строительной техники; Возможны различные формы оплаты, в том числе рассрочка, скидка.

Рыбинск
Втулка зубчатая ДУ 52.03.01.177

Втулка зубчатая ДУ 52.03.01.177

Проводим капитальный и частичный ремонт автогрейдеров, катков, погрузчиков, тракторов, экскаваторов. Возможно проведение ремонта по месту нахождения; Предлагаем модернизацию катков ДУ-47/48/49/58/62, а также поставка новой техники от завода-производителя; Предлагаем поставку новой, восстановленной или б/у в рабочем состоянии дорожно – строительной техники; коммунальной и снегоуборочной техники; Предлагаем поставку навесного оборудования и расходных материалов для коммунальной и дорожно-строительной техники в том числе: ножи для автогрейдеров, техпластины, диски щеточные, резцы для дорожных фрез, цепи для грунторезов и т.д; Предлагаем поставку двигателей ЯМЗ, ММЗ, АМЗ,ТМЗ, ВТЗ, Хонда и запчастей к ним; Предлагаем поставку импортных комплектующих для дорожно-строительной техники; Предлагаем поставку восстановленной или б/у в рабочем состоянии импортной дорожно – строительной техники; Возможны различные формы оплаты, в том числе рассрочка, скидка.

Рыбинск
Втулка зубчатая ДУ 52.03.01.156

Втулка зубчатая ДУ 52.03.01.156

Проводим капитальный и частичный ремонт автогрейдеров, катков, погрузчиков, тракторов, экскаваторов. Возможно проведение ремонта по месту нахождения; Предлагаем модернизацию катков ДУ-47/48/49/58/62, а также поставка новой техники от завода-производителя; Предлагаем поставку новой, восстановленной или б/у в рабочем состоянии дорожно – строительной техники; коммунальной и снегоуборочной техники; Предлагаем поставку навесного оборудования и расходных материалов для коммунальной и дорожно-строительной техники в том числе: ножи для автогрейдеров, техпластины, диски щеточные, резцы для дорожных фрез, цепи для грунторезов и т.д; Предлагаем поставку двигателей ЯМЗ, ММЗ, АМЗ,ТМЗ, ВТЗ, Хонда и запчастей к ним; Предлагаем поставку импортных комплектующих для дорожно-строительной техники; Предлагаем поставку восстановленной или б/у в рабочем состоянии импортной дорожно – строительной техники; Возможны различные формы оплаты, в том числе рассрочка, скидка.

Рыбинск
Втулка ДУ-84.187.055-01

Втулка ДУ-84.187.055-01

Проводим капитальный и частичный ремонт автогрейдеров, катков, погрузчиков, тракторов, экскаваторов. Возможно проведение ремонта по месту нахождения; Предлагаем модернизацию катков ДУ-47/48/49/58/62, а также поставка новой техники от завода-производителя; Предлагаем поставку новой, восстановленной или б/у в рабочем состоянии дорожно – строительной техники; коммунальной и снегоуборочной техники; Предлагаем поставку навесного оборудования и расходных материалов для коммунальной и дорожно-строительной техники в том числе: ножи для автогрейдеров, техпластины, диски щеточные, резцы для дорожных фрез, цепи для грунторезов и т.д; Предлагаем поставку двигателей ЯМЗ, ММЗ, АМЗ,ТМЗ, ВТЗ, Хонда и запчастей к ним; Предлагаем поставку импортных комплектующих для дорожно-строительной техники; Предлагаем поставку восстановленной или б/у в рабочем состоянии импортной дорожно – строительной техники; Возможны различные формы оплаты, в том числе рассрочка, скидка.

Рыбинск
Вилка Д455А.01.029

Вилка Д455А.01.029

Проводим капитальный и частичный ремонт автогрейдеров, катков, погрузчиков, тракторов, экскаваторов. Возможно проведение ремонта по месту нахождения; Предлагаем модернизацию катков ДУ-47/48/49/58/62, а также поставка новой техники от завода-производителя; Предлагаем поставку новой, восстановленной или б/у в рабочем состоянии дорожно – строительной техники; коммунальной и снегоуборочной техники; Предлагаем поставку навесного оборудования и расходных материалов для коммунальной и дорожно-строительной техники в том числе: ножи для автогрейдеров, техпластины, диски щеточные, резцы для дорожных фрез, цепи для грунторезов и т.д; Предлагаем поставку двигателей ЯМЗ, ММЗ, АМЗ,ТМЗ, ВТЗ, Хонда и запчастей к ним; Предлагаем поставку импортных комплектующих для дорожно-строительной техники; Предлагаем поставку восстановленной или б/у в рабочем состоянии импортной дорожно – строительной техники; Возможны различные формы оплаты, в том числе рассрочка, скидка.

Рыбинск
Вал ДУ-47А-03-02

Вал ДУ-47А-03-02

Проводим капитальный и частичный ремонт автогрейдеров, катков, погрузчиков, тракторов, экскаваторов. Возможно проведение ремонта по месту нахождения; Предлагаем модернизацию катков ДУ-47/48/49/58/62, а также поставка новой техники от завода-производителя; Предлагаем поставку новой, восстановленной или б/у в рабочем состоянии дорожно – строительной техники; коммунальной и снегоуборочной техники; Предлагаем поставку навесного оборудования и расходных материалов для коммунальной и дорожно-строительной техники в том числе: ножи для автогрейдеров, техпластины, диски щеточные, резцы для дорожных фрез, цепи для грунторезов и т.д; Предлагаем поставку двигателей ЯМЗ, ММЗ, АМЗ,ТМЗ, ВТЗ, Хонда и запчастей к ним; Предлагаем поставку импортных комплектующих для дорожно-строительной техники; Предлагаем поставку восстановленной или б/у в рабочем состоянии импортной дорожно – строительной техники; Возможны различные формы оплаты, в том числе рассрочка, скидка.Производитель: Собственное производство Тип по изготовителю: Оригинал Состояние: Новый

Рыбинск
Вал Д455А.01.032

Вал Д455А.01.032

Проводим капитальный и частичный ремонт автогрейдеров, катков, погрузчиков, тракторов, экскаваторов. Возможно проведение ремонта по месту нахождения; Предлагаем модернизацию катков ДУ-47/48/49/58/62, а также поставка новой техники от завода-производителя; Предлагаем поставку новой, восстановленной или б/у в рабочем состоянии дорожно – строительной техники; коммунальной и снегоуборочной техники; Предлагаем поставку навесного оборудования и расходных материалов для коммунальной и дорожно-строительной техники в том числе: ножи для автогрейдеров, техпластины, диски щеточные, резцы для дорожных фрез, цепи для грунторезов и т.д; Предлагаем поставку двигателей ЯМЗ, ММЗ, АМЗ,ТМЗ, ВТЗ, Хонда и запчастей к ним; Предлагаем поставку импортных комплектующих для дорожно-строительной техники; Предлагаем поставку восстановленной или б/у в рабочем состоянии импортной дорожно – строительной техники; Возможны различные формы оплаты, в том числе рассрочка, скидка.Вид спецтехники: Погрузчик

Рыбинск
Вал-шестерня ДУ-47Б-44-01

Вал-шестерня ДУ-47Б-44-01

Проводим капитальный и частичный ремонт автогрейдеров, катков, погрузчиков, тракторов, экскаваторов. Возможно проведение ремонта по месту нахождения; Предлагаем модернизацию катков ДУ-47/48/49/58/62, а также поставка новой техники от завода-производителя; Предлагаем поставку новой, восстановленной или б/у в рабочем состоянии дорожно – строительной техники; коммунальной и снегоуборочной техники; Предлагаем поставку навесного оборудования и расходных материалов для коммунальной и дорожно-строительной техники в том числе: ножи для автогрейдеров, техпластины, диски щеточные, резцы для дорожных фрез, цепи для грунторезов и т.д; Предлагаем поставку двигателей ЯМЗ, ММЗ, АМЗ,ТМЗ, ВТЗ, Хонда и запчастей к ним; Предлагаем поставку импортных комплектующих для дорожно-строительной техники; Предлагаем поставку восстановленной или б/у в рабочем состоянии импортной дорожно – строительной техники; Возможны различные формы оплаты, в том числе рассрочка, скидка.

Рыбинск
Вал-шестерня ДУ-47А-03-06

Вал-шестерня ДУ-47А-03-06

Проводим капитальный и частичный ремонт автогрейдеров, катков, погрузчиков, тракторов, экскаваторов. Возможно проведение ремонта по месту нахождения; Предлагаем модернизацию катков ДУ-47/48/49/58/62, а также поставка новой техники от завода-производителя; Предлагаем поставку новой, восстановленной или б/у в рабочем состоянии дорожно – строительной техники; коммунальной и снегоуборочной техники; Предлагаем поставку навесного оборудования и расходных материалов для коммунальной и дорожно-строительной техники в том числе: ножи для автогрейдеров, техпластины, диски щеточные, резцы для дорожных фрез, цепи для грунторезов и т.д; Предлагаем поставку двигателей ЯМЗ, ММЗ, АМЗ,ТМЗ, ВТЗ, Хонда и запчастей к ним; Предлагаем поставку импортных комплектующих для дорожно-строительной техники; Предлагаем поставку восстановленной или б/у в рабочем состоянии импортной дорожно – строительной техники; Возможны различные формы оплаты, в том числе рассрочка, скидка.

Рыбинск
Вал-шестерня ДМ.30.00.078

Вал-шестерня ДМ.30.00.078

Гидромотор - 310.2.56.00, 3.56.00, 4.56.00 Гидронасос - НШ-32 ук-3 Гидронасос - НШ-10 Гидронасос («Гидросила»)НП-90-00-00 Гидроруль У-245.009/1000 Гидроцилиндр поворота 80х40х400 Гидрораспределитель ГР 231.12 УХЛ2 (124) Фильтр ФВ-10 Фильтрэлемент ПЗМИ Фильтрэлемент ССА 301 Автошина (гладкая) 11.00.20 Автошина (с протектором) 14.00-20 Стекло Триплекс Сиденье У-7920-01Б Амортизатор ДУ-58.01.00.010 Форсунки для орошения вальцев Клапанная коробка МП-90-02.000 Радиатор (в сборе) МО4У-13.003-2 Радиатор водяной МО4У-13.003-2 Радиатор масляный 68-У-08-000 Редуктор раздаточный ДУ- 84-122.900 Корпус ДУ-84-122.910 Полумуфта ДУ-84.122.253 Шестерня ДУ-84.122.236 Кольцо ДУ-84.122.239 Шестерня ДУ-84.122.237 Вал ДУ-84.122.249 Ось ДУ-84.122.234 Болт ДМ 55.01.016 Шпонка ДМ 03.00.001-12 Редуктор планет. ДМ 31.01.000-11 Ступица ДУ-64.141.015 Пробка К 3/4 ДМ 19.01.001-02/03 Полукорпус ДМ 31.01.020 Шайба ДМ 30.00.042 Кольцо ДМ 31.01.023 Скалка ДМ 31.01.047 Вал-шестерня ДМ 31.01.004 Эпицикл ДМ 31.01.046 Муфта центральная ДМ 30.00.007 Крышка ДМ 31.01.063 Шайба ДМ 30.00.037 Гайка ДМ 30.00.094 Вал-шестерня ДМ 30.00.074 Поршень ДМ 30.00.023 и другие запчасти на катки ДУ-84 и ДУ-85

Рыбинск
Вал-шестерня ДМ- 30.00.074

Вал-шестерня ДМ- 30.00.074

Проводим капитальный и частичный ремонт автогрейдеров, катков, погрузчиков, тракторов, экскаваторов. Возможно проведение ремонта по месту нахождения; Предлагаем модернизацию катков ДУ-47/48/49/58/62, а также поставка новой техники от завода-производителя; Предлагаем поставку новой, восстановленной или б/у в рабочем состоянии дорожно – строительной техники; коммунальной и снегоуборочной техники; Предлагаем поставку навесного оборудования и расходных материалов для коммунальной и дорожно-строительной техники в том числе: ножи для автогрейдеров, техпластины, диски щеточные, резцы для дорожных фрез, цепи для грунторезов и т.д; Предлагаем поставку двигателей ЯМЗ, ММЗ, АМЗ,ТМЗ, ВТЗ, Хонда и запчастей к ним; Предлагаем поставку импортных комплектующих для дорожно-строительной техники; Предлагаем поставку восстановленной или б/у в рабочем состоянии импортной дорожно – строительной техники; Возможны различные формы оплаты, в том числе рассрочка, скидка.

Рыбинск
Вал-шестерня ДМ 31.01.004

Вал-шестерня ДМ 31.01.004

Проводим капитальный и частичный ремонт автогрейдеров, катков, погрузчиков, тракторов, экскаваторов. Возможно проведение ремонта по месту нахождения; Предлагаем модернизацию катков ДУ-47/48/49/58/62, а также поставка новой техники от завода-производителя; Предлагаем поставку новой, восстановленной или б/у в рабочем состоянии дорожно – строительной техники; коммунальной и снегоуборочной техники; Предлагаем поставку навесного оборудования и расходных материалов для коммунальной и дорожно-строительной техники в том числе: ножи для автогрейдеров, техпластины, диски щеточные, резцы для дорожных фрез, цепи для грунторезов и т.д; Предлагаем поставку двигателей ЯМЗ, ММЗ, АМЗ,ТМЗ, ВТЗ, Хонда и запчастей к ним; Предлагаем поставку импортных комплектующих для дорожно-строительной техники; Предлагаем поставку восстановленной или б/у в рабочем состоянии импортной дорожно – строительной техники; Возможны различные формы оплаты, в том числе рассрочка, скидка.

Рыбинск
Вал-шестерня Д-455А.02.137

Вал-шестерня Д-455А.02.137

Вал-шестерня Д455А02.137 устанавливался и изготавливался 2-х видов. На фото вариант короткого исполнения.  Изготавливаем оба варианта, при заказе просим уточнять необходимую длину.  Применяемость: каток дорожный ДУ-54Производитель: Собственное производство

Рыбинск
Вал ДУ-96.263.050-01

Вал ДУ-96.263.050-01

Проводим капитальный и частичный ремонт автогрейдеров, катков, погрузчиков, тракторов, экскаваторов. Возможно проведение ремонта по месту нахождения; Предлагаем модернизацию катков ДУ-47/48/49/58/62, а также поставка новой техники от завода-производителя; Предлагаем поставку новой, восстановленной или б/у в рабочем состоянии дорожно – строительной техники; коммунальной и снегоуборочной техники; Предлагаем поставку навесного оборудования и расходных материалов для коммунальной и дорожно-строительной техники в том числе: ножи для автогрейдеров, техпластины, диски щеточные, резцы для дорожных фрез, цепи для грунторезов и т.д; Предлагаем поставку двигателей ЯМЗ, ММЗ, АМЗ,ТМЗ, ВТЗ, Хонда и запчастей к ним; Предлагаем поставку импортных комплектующих для дорожно-строительной техники; Предлагаем поставку восстановленной или б/у в рабочем состоянии импортной дорожно – строительной техники; Возможны различные формы оплаты, в том числе рассрочка, скидка.Состояние: Новый

Рыбинск
Блок-шестерня ДУ-47А-04-09

Блок-шестерня ДУ-47А-04-09

Проводим капитальный и частичный ремонт автогрейдеров, катков, погрузчиков, тракторов, экскаваторов. Возможно проведение ремонта по месту нахождения; Предлагаем модернизацию катков ДУ-47/48/49/58/62, а также поставка новой техники от завода-производителя; Предлагаем поставку новой, восстановленной или б/у в рабочем состоянии дорожно – строительной техники; коммунальной и снегоуборочной техники; Предлагаем поставку навесного оборудования и расходных материалов для коммунальной и дорожно-строительной техники в том числе: ножи для автогрейдеров, техпластины, диски щеточные, резцы для дорожных фрез, цепи для грунторезов и т.д; Предлагаем поставку двигателей ЯМЗ, ММЗ, АМЗ,ТМЗ, ВТЗ, Хонда и запчастей к ним; Предлагаем поставку импортных комплектующих для дорожно-строительной техники; Предлагаем поставку восстановленной или б/у в рабочем состоянии импортной дорожно – строительной техники; Возможны различные формы оплаты, в том числе рассрочка, скидка.

Рыбинск
Блок-шестерня Д455А.01.014

Блок-шестерня Д455А.01.014

Проводим капитальный и частичный ремонт автогрейдеров, катков, погрузчиков, тракторов, экскаваторов. Возможно проведение ремонта по месту нахождения; Предлагаем модернизацию катков ДУ-47/48/49/58/62, а также поставка новой техники от завода-производителя; Предлагаем поставку новой, восстановленной или б/у в рабочем состоянии дорожно – строительной техники; коммунальной и снегоуборочной техники; Предлагаем поставку навесного оборудования и расходных материалов для коммунальной и дорожно-строительной техники в том числе: ножи для автогрейдеров, техпластины, диски щеточные, резцы для дорожных фрез, цепи для грунторезов и т.д; Предлагаем поставку двигателей ЯМЗ, ММЗ, АМЗ,ТМЗ, ВТЗ, Хонда и запчастей к ним; Предлагаем поставку импортных комплектующих для дорожно-строительной техники; Предлагаем поставку восстановленной или б/у в рабочем состоянии импортной дорожно – строительной техники; Возможны различные формы оплаты, в том числе рассрочка, скидка.

Рыбинск
Блок - шестерня ДУ-47Б-44-04

Блок - шестерня ДУ-47Б-44-04

Проводим капитальный и частичный ремонт автогрейдеров, катков, погрузчиков, тракторов, экскаваторов. Возможно проведение ремонта по месту нахождения; Предлагаем модернизацию катков ДУ-47/48/49/58/62, а также поставка новой техники от завода-производителя; Предлагаем поставку новой, восстановленной или б/у в рабочем состоянии дорожно – строительной техники; коммунальной и снегоуборочной техники; Предлагаем поставку навесного оборудования и расходных материалов для коммунальной и дорожно-строительной техники в том числе: ножи для автогрейдеров, техпластины, диски щеточные, резцы для дорожных фрез, цепи для грунторезов и т.д; Предлагаем поставку двигателей ЯМЗ, ММЗ, АМЗ,ТМЗ, ВТЗ, Хонда и запчастей к ним; Предлагаем поставку импортных комплектующих для дорожно-строительной техники; Предлагаем поставку восстановленной или б/у в рабочем состоянии импортной дорожно – строительной техники; Возможны различные формы оплаты, в том числе рассрочка, скидка.

Рыбинск
Вибровал (мех.) ДУ-47Б-43.30 (ДУ-47А-03-700)

Вибровал (мех.) ДУ-47Б-43.30 (ДУ-47А-03-700)

Проводим капитальный и частичный ремонт автогрейдеров, катков, погрузчиков, тракторов, экскаваторов. Возможно проведение ремонта по месту нахождения; Предлагаем модернизацию катков ДУ-47/48/49/58/62, а также поставка новой техники от завода-производителя; Предлагаем поставку новой, восстановленной или б/у в рабочем состоянии дорожно – строительной техники; коммунальной и снегоуборочной техники; Предлагаем поставку навесного оборудования и расходных материалов для коммунальной и дорожно-строительной техники в том числе: ножи для автогрейдеров, техпластины, диски щеточные, резцы для дорожных фрез, цепи для грунторезов и т.д; Предлагаем поставку двигателей ЯМЗ, ММЗ, АМЗ,ТМЗ, ВТЗ, Хонда и запчастей к ним; Предлагаем поставку импортных комплектующих для дорожно-строительной техники; Предлагаем поставку восстановленной или б/у в рабочем состоянии импортной дорожно – строительной техники; Возможны различные формы оплаты, в том числе рассрочка, скидка.

Рыбинск
Вал ДУ-47А-13-52

Вал ДУ-47А-13-52

Проводим капитальный и частичный ремонт автогрейдеров, катков, погрузчиков, тракторов, экскаваторов. Возможно проведение ремонта по месту нахождения; Предлагаем модернизацию катков ДУ-47/48/49/58/62, а также поставка новой техники от завода-производителя; Предлагаем поставку новой, восстановленной или б/у в рабочем состоянии дорожно – строительной техники; коммунальной и снегоуборочной техники; Предлагаем поставку навесного оборудования и расходных материалов для коммунальной и дорожно-строительной техники в том числе: ножи для автогрейдеров, техпластины, диски щеточные, резцы для дорожных фрез, цепи для грунторезов и т.д; Предлагаем поставку двигателей ЯМЗ, ММЗ, АМЗ,ТМЗ, ВТЗ, Хонда и запчастей к ним; Предлагаем поставку импортных комплектующих для дорожно-строительной техники; Предлагаем поставку восстановленной или б/у в рабочем состоянии импортной дорожно – строительной техники; Возможны различные формы оплаты, в том числе рассрочка, скидка.Тип по изготовителю: Оригинал Состояние: Новый

Рыбинск
Вал Д455А.01.061

Вал Д455А.01.061

Проводим капитальный и частичный ремонт автогрейдеров, катков, погрузчиков, тракторов, экскаваторов. Возможно проведение ремонта по месту нахождения; Предлагаем модернизацию катков ДУ-47/48/49/58/62, а также поставка новой техники от завода-производителя; Предлагаем поставку новой, восстановленной или б/у в рабочем состоянии дорожно – строительной техники; коммунальной и снегоуборочной техники; Предлагаем поставку навесного оборудования и расходных материалов для коммунальной и дорожно-строительной техники в том числе: ножи для автогрейдеров, техпластины, диски щеточные, резцы для дорожных фрез, цепи для грунторезов и т.д; Предлагаем поставку двигателей ЯМЗ, ММЗ, АМЗ,ТМЗ, ВТЗ, Хонда и запчастей к ним; Предлагаем поставку импортных комплектующих для дорожно-строительной техники; Предлагаем поставку восстановленной или б/у в рабочем состоянии импортной дорожно – строительной техники; Возможны различные формы оплаты, в том числе рассрочка, скидка.Вид спецтехники: Погрузчик

Рыбинск
Венец ДУ-93.20В.170

Венец ДУ-93.20В.170

Проводим капитальный и частичный ремонт автогрейдеров, катков, погрузчиков, тракторов, экскаваторов. Возможно проведение ремонта по месту нахождения; Предлагаем модернизацию катков ДУ-47/48/49/58/62, а также поставка новой техники от завода-производителя; Предлагаем поставку новой, восстановленной или б/у в рабочем состоянии дорожно – строительной техники; коммунальной и снегоуборочной техники; Предлагаем поставку навесного оборудования и расходных материалов для коммунальной и дорожно-строительной техники в том числе: ножи для автогрейдеров, техпластины, диски щеточные, резцы для дорожных фрез, цепи для грунторезов и т.д; Предлагаем поставку двигателей ЯМЗ, ММЗ, АМЗ,ТМЗ, ВТЗ, Хонда и запчастей к ним; Предлагаем поставку импортных комплектующих для дорожно-строительной техники; Предлагаем поставку восстановленной или б/у в рабочем состоянии импортной дорожно – строительной техники; Возможны различные формы оплаты, в том числе рассрочка, скидка.Производитель: Собственное производство

Рыбинск
Вал реверса ДУ-47А-04-58

Вал реверса ДУ-47А-04-58

Проводим капитальный и частичный ремонт автогрейдеров, катков, погрузчиков, тракторов, экскаваторов. Возможно проведение ремонта по месту нахождения; Предлагаем модернизацию катков ДУ-47/48/49/58/62, а также поставка новой техники от завода-производителя; Предлагаем поставку новой, восстановленной или б/у в рабочем состоянии дорожно – строительной техники; коммунальной и снегоуборочной техники; Предлагаем поставку навесного оборудования и расходных материалов для коммунальной и дорожно-строительной техники в том числе: ножи для автогрейдеров, техпластины, диски щеточные, резцы для дорожных фрез, цепи для грунторезов и т.д; Предлагаем поставку двигателей ЯМЗ, ММЗ, АМЗ,ТМЗ, ВТЗ, Хонда и запчастей к ним; Предлагаем поставку импортных комплектующих для дорожно-строительной техники; Предлагаем поставку восстановленной или б/у в рабочем состоянии импортной дорожно – строительной техники; Возможны различные формы оплаты, в том числе рассрочка, скидка.Тип по изготовителю: Оригинал

Рыбинск
Вал ДУ-93.208.002

Вал ДУ-93.208.002

Проводим капитальный и частичный ремонт автогрейдеров, катков, погрузчиков, тракторов, экскаваторов. Возможно проведение ремонта по месту нахождения; Предлагаем модернизацию катков ДУ-47/48/49/58/62, а также поставка новой техники от завода-производителя; Предлагаем поставку новой, восстановленной или б/у в рабочем состоянии дорожно – строительной техники; коммунальной и снегоуборочной техники; Предлагаем поставку навесного оборудования и расходных материалов для коммунальной и дорожно-строительной техники в том числе: ножи для автогрейдеров, техпластины, диски щеточные, резцы для дорожных фрез, цепи для грунторезов и т.д; Предлагаем поставку двигателей ЯМЗ, ММЗ, АМЗ,ТМЗ, ВТЗ, Хонда и запчастей к ним; Предлагаем поставку импортных комплектующих для дорожно-строительной техники; Предлагаем поставку восстановленной или б/у в рабочем состоянии импортной дорожно – строительной техники; Возможны различные формы оплаты, в том числе рассрочка, скидка.Вид спецтехники: Погрузчик Тип по изготовителю: Оригинал Состояние: Новый

Рыбинск
Вал ДУ-84.122.249

Вал ДУ-84.122.249

Проводим капитальный и частичный ремонт автогрейдеров, катков, погрузчиков, тракторов, экскаваторов. Возможно проведение ремонта по месту нахождения; Предлагаем модернизацию катков ДУ-47/48/49/58/62, а также поставка новой техники от завода-производителя; Предлагаем поставку новой, восстановленной или б/у в рабочем состоянии дорожно – строительной техники; коммунальной и снегоуборочной техники; Предлагаем поставку навесного оборудования и расходных материалов для коммунальной и дорожно-строительной техники в том числе: ножи для автогрейдеров, техпластины, диски щеточные, резцы для дорожных фрез, цепи для грунторезов и т.д; Предлагаем поставку двигателей ЯМЗ, ММЗ, АМЗ,ТМЗ, ВТЗ, Хонда и запчастей к ним; Предлагаем поставку импортных комплектующих для дорожно-строительной техники; Предлагаем поставку восстановленной или б/у в рабочем состоянии импортной дорожно – строительной техники; Возможны различные формы оплаты, в том числе рассрочка, скидка.Производитель: Собственное производство Тип по изготовителю: Аналог Состояние: Новый

Рыбинск
Вал ДУ-47А-04-113 (ДУ-47А.04.07)

Вал ДУ-47А-04-113 (ДУ-47А.04.07)

Проводим капитальный и частичный ремонт автогрейдеров, катков, погрузчиков, тракторов, экскаваторов. Возможно проведение ремонта по месту нахождения; Предлагаем модернизацию катков ДУ-47/48/49/58/62, а также поставка новой техники от завода-производителя; Предлагаем поставку новой, восстановленной или б/у в рабочем состоянии дорожно – строительной техники; коммунальной и снегоуборочной техники; Предлагаем поставку навесного оборудования и расходных материалов для коммунальной и дорожно-строительной техники в том числе: ножи для автогрейдеров, техпластины, диски щеточные, резцы для дорожных фрез, цепи для грунторезов и т.д; Предлагаем поставку двигателей ЯМЗ, ММЗ, АМЗ,ТМЗ, ВТЗ, Хонда и запчастей к ним; Предлагаем поставку импортных комплектующих для дорожно-строительной техники; Предлагаем поставку восстановленной или б/у в рабочем состоянии импортной дорожно – строительной техники; Возможны различные формы оплаты, в том числе рассрочка, скидка.Тип по изготовителю: Оригинал Состояние: Новый

Рыбинск
Вал ДУ-47А-04-07

Вал ДУ-47А-04-07

Проводим капитальный и частичный ремонт автогрейдеров, катков, погрузчиков, тракторов, экскаваторов. Возможно проведение ремонта по месту нахождения; Предлагаем модернизацию катков ДУ-47/48/49/58/62, а также поставка новой техники от завода-производителя; Предлагаем поставку новой, восстановленной или б/у в рабочем состоянии дорожно – строительной техники; коммунальной и снегоуборочной техники; Предлагаем поставку навесного оборудования и расходных материалов для коммунальной и дорожно-строительной техники в том числе: ножи для автогрейдеров, техпластины, диски щеточные, резцы для дорожных фрез, цепи для грунторезов и т.д; Предлагаем поставку двигателей ЯМЗ, ММЗ, АМЗ,ТМЗ, ВТЗ, Хонда и запчастей к ним; Предлагаем поставку импортных комплектующих для дорожно-строительной техники; Предлагаем поставку восстановленной или б/у в рабочем состоянии импортной дорожно – строительной техники; Возможны различные формы оплаты, в том числе рассрочка, скидка.Тип по изготовителю: Оригинал Состояние: Новый

Рыбинск
Вал Д455Б.01.051

Вал Д455Б.01.051

Проводим капитальный и частичный ремонт автогрейдеров, катков, погрузчиков, тракторов, экскаваторов. Возможно проведение ремонта по месту нахождения; Предлагаем модернизацию катков ДУ-47/48/49/58/62, а также поставка новой техники от завода-производителя; Предлагаем поставку новой, восстановленной или б/у в рабочем состоянии дорожно – строительной техники; коммунальной и снегоуборочной техники; Предлагаем поставку навесного оборудования и расходных материалов для коммунальной и дорожно-строительной техники в том числе: ножи для автогрейдеров, техпластины, диски щеточные, резцы для дорожных фрез, цепи для грунторезов и т.д; Предлагаем поставку двигателей ЯМЗ, ММЗ, АМЗ,ТМЗ, ВТЗ, Хонда и запчастей к ним; Предлагаем поставку импортных комплектующих для дорожно-строительной техники; Предлагаем поставку восстановленной или б/у в рабочем состоянии импортной дорожно – строительной техники; Возможны различные формы оплаты, в том числе рассрочка, скидка.Вид спецтехники: Погрузчик

Рыбинск
Блок-сателитов ДМ- 30.00.079

Блок-сателитов ДМ- 30.00.079

Проводим капитальный и частичный ремонт автогрейдеров, катков, погрузчиков, тракторов, экскаваторов. Возможно проведение ремонта по месту нахождения; Предлагаем модернизацию катков ДУ-47/48/49/58/62, а также поставка новой техники от завода-производителя; Предлагаем поставку новой, восстановленной или б/у в рабочем состоянии дорожно – строительной техники; коммунальной и снегоуборочной техники; Предлагаем поставку навесного оборудования и расходных материалов для коммунальной и дорожно-строительной техники в том числе: ножи для автогрейдеров, техпластины, диски щеточные, резцы для дорожных фрез, цепи для грунторезов и т.д; Предлагаем поставку двигателей ЯМЗ, ММЗ, АМЗ,ТМЗ, ВТЗ, Хонда и запчастей к ним; Предлагаем поставку импортных комплектующих для дорожно-строительной техники; Предлагаем поставку восстановленной или б/у в рабочем состоянии импортной дорожно – строительной техники; Возможны различные формы оплаты, в том числе рассрочка, скидка.

Рыбинск
Амортизатор Д-728.05.50

Амортизатор Д-728.05.50

Проводим капитальный и частичный ремонт автогрейдеров, катков, погрузчиков, тракторов, экскаваторов. Возможно проведение ремонта по месту нахождения; Предлагаем модернизацию катков ДУ-47/48/49/58/62, а также поставка новой техники от завода-производителя; Предлагаем поставку новой, восстановленной или б/у в рабочем состоянии дорожно – строительной техники; коммунальной и снегоуборочной техники; Предлагаем поставку навесного оборудования и расходных материалов для коммунальной и дорожно-строительной техники в том числе: ножи для автогрейдеров, техпластины, диски щеточные, резцы для дорожных фрез, цепи для грунторезов и т.д; Предлагаем поставку двигателей ЯМЗ, ММЗ, АМЗ,ТМЗ, ВТЗ, Хонда и запчастей к ним; Предлагаем поставку импортных комплектующих для дорожно-строительной техники; Предлагаем поставку восстановленной или б/у в рабочем состоянии импортной дорожно – строительной техники; Возможны различные формы оплаты, в том числе рассрочка, скидка.Производитель: Собственное производство Тип по изготовителю: Оригинал Состояние: Новый

Рыбинск
Звездочка Д455Б.01.006

Звездочка Д455Б.01.006

Проводим капитальный и частичный ремонт автогрейдеров, катков, погрузчиков, тракторов, экскаваторов. Возможно проведение ремонта по месту нахождения; Предлагаем модернизацию катков ДУ-47/48/49/58/62, а также поставка новой техники от завода-производителя; Предлагаем поставку новой, восстановленной или б/у в рабочем состоянии дорожно – строительной техники; коммунальной и снегоуборочной техники; Предлагаем поставку навесного оборудования и расходных материалов для коммунальной и дорожно-строительной техники в том числе: ножи для автогрейдеров, техпластины, диски щеточные, резцы для дорожных фрез, цепи для грунторезов и т.д; Предлагаем поставку двигателей ЯМЗ, ММЗ, АМЗ,ТМЗ, ВТЗ, Хонда и запчастей к ним; Предлагаем поставку импортных комплектующих для дорожно-строительной техники; Предлагаем поставку восстановленной или б/у в рабочем состоянии импортной дорожно – строительной техники; Возможны различные формы оплаты, в том числе рассрочка, скидка.

Рыбинск
Гидронасос НШ-32-10

Гидронасос НШ-32-10

Проводим капитальный и частичный ремонт автогрейдеров, катков, погрузчиков, тракторов, экскаваторов. Возможно проведение ремонта по месту нахождения; Предлагаем модернизацию катков ДУ-47/48/49/58/62, а также поставка новой техники от завода-производителя; Предлагаем поставку новой, восстановленной или б/у в рабочем состоянии дорожно – строительной техники; коммунальной и снегоуборочной техники; Предлагаем поставку навесного оборудования и расходных материалов для коммунальной и дорожно-строительной техники в том числе: ножи для автогрейдеров, техпластины, диски щеточные, резцы для дорожных фрез, цепи для грунторезов и т.д; Предлагаем поставку двигателей ЯМЗ, ММЗ, АМЗ,ТМЗ, ВТЗ, Хонда и запчастей к ним; Предлагаем поставку импортных комплектующих для дорожно-строительной техники; Предлагаем поставку восстановленной или б/у в рабочем состоянии импортной дорожно – строительной техники; Возможны различные формы оплаты, в том числе рассрочка, скидка.

Рыбинск
Вибратор в сборе ДУ-84.187.490

Вибратор в сборе ДУ-84.187.490

Проводим капитальный и частичный ремонт автогрейдеров, катков, погрузчиков, тракторов, экскаваторов. Возможно проведение ремонта по месту нахождения; Предлагаем модернизацию катков ДУ-47/48/49/58/62, а также поставка новой техники от завода-производителя; Предлагаем поставку новой, восстановленной или б/у в рабочем состоянии дорожно – строительной техники; коммунальной и снегоуборочной техники; Предлагаем поставку навесного оборудования и расходных материалов для коммунальной и дорожно-строительной техники в том числе: ножи для автогрейдеров, техпластины, диски щеточные, резцы для дорожных фрез, цепи для грунторезов и т.д; Предлагаем поставку двигателей ЯМЗ, ММЗ, АМЗ,ТМЗ, ВТЗ, Хонда и запчастей к ним; Предлагаем поставку импортных комплектующих для дорожно-строительной техники; Предлагаем поставку восстановленной или б/у в рабочем состоянии импортной дорожно – строительной техники; Возможны различные формы оплаты, в том числе рассрочка, скидка.Производитель: Раскат

Рыбинск
Вал реверса в сборе ДУ-54.01.130

Вал реверса в сборе ДУ-54.01.130

Проводим капитальный и частичный ремонт автогрейдеров, катков, погрузчиков, тракторов, экскаваторов. Возможно проведение ремонта по месту нахождения; Предлагаем модернизацию катков ДУ-47/48/49/58/62, а также поставка новой техники от завода-производителя; Предлагаем поставку новой, восстановленной или б/у в рабочем состоянии дорожно – строительной техники; коммунальной и снегоуборочной техники; Предлагаем поставку навесного оборудования и расходных материалов для коммунальной и дорожно-строительной техники в том числе: ножи для автогрейдеров, техпластины, диски щеточные, резцы для дорожных фрез, цепи для грунторезов и т.д; Предлагаем поставку двигателей ЯМЗ, ММЗ, АМЗ,ТМЗ, ВТЗ, Хонда и запчастей к ним; Предлагаем поставку импортных комплектующих для дорожно-строительной техники; Предлагаем поставку восстановленной или б/у в рабочем состоянии импортной дорожно – строительной техники; Возможны различные формы оплаты, в том числе рассрочка, скидка.

Рыбинск
Вал ДУ-84.122.001

Вал ДУ-84.122.001

Проводим капитальный и частичный ремонт автогрейдеров, катков, погрузчиков, тракторов, экскаваторов. Возможно проведение ремонта по месту нахождения; Предлагаем модернизацию катков ДУ-47/48/49/58/62, а также поставка новой техники от завода-производителя; Предлагаем поставку новой, восстановленной или б/у в рабочем состоянии дорожно – строительной техники; коммунальной и снегоуборочной техники; Предлагаем поставку навесного оборудования и расходных материалов для коммунальной и дорожно-строительной техники в том числе: ножи для автогрейдеров, техпластины, диски щеточные, резцы для дорожных фрез, цепи для грунторезов и т.д; Предлагаем поставку двигателей ЯМЗ, ММЗ, АМЗ,ТМЗ, ВТЗ, Хонда и запчастей к ним; Предлагаем поставку импортных комплектующих для дорожно-строительной техники; Предлагаем поставку восстановленной или б/у в рабочем состоянии импортной дорожно – строительной техники; Возможны различные формы оплаты, в том числе рассрочка, скидка.Производитель: Собственное производство Тип по изготовителю: Оригинал Состояние: Новый

Рыбинск
Вал Д455А.01.009

Вал Д455А.01.009

Проводим капитальный и частичный ремонт автогрейдеров, катков, погрузчиков, тракторов, экскаваторов. Возможно проведение ремонта по месту нахождения; Предлагаем модернизацию катков ДУ-47/48/49/58/62, а также поставка новой техники от завода-производителя; Предлагаем поставку новой, восстановленной или б/у в рабочем состоянии дорожно – строительной техники; коммунальной и снегоуборочной техники; Предлагаем поставку навесного оборудования и расходных материалов для коммунальной и дорожно-строительной техники в том числе: ножи для автогрейдеров, техпластины, диски щеточные, резцы для дорожных фрез, цепи для грунторезов и т.д; Предлагаем поставку двигателей ЯМЗ, ММЗ, АМЗ,ТМЗ, ВТЗ, Хонда и запчастей к ним; Предлагаем поставку импортных комплектующих для дорожно-строительной техники; Предлагаем поставку восстановленной или б/у в рабочем состоянии импортной дорожно – строительной техники; Возможны различные формы оплаты, в том числе рассрочка, скидка.Вид спецтехники: Погрузчик

Рыбинск
Гидроцилиндр поворота 80х40х400

Гидроцилиндр поворота 80х40х400

Проводим капитальный и частичный ремонт автогрейдеров, катков, погрузчиков, тракторов, экскаваторов. Возможно проведение ремонта по месту нахождения; Предлагаем модернизацию катков ДУ-47/48/49/58/62, а также поставка новой техники от завода-производителя; Предлагаем поставку новой, восстановленной или б/у в рабочем состоянии дорожно – строительной техники; коммунальной и снегоуборочной техники; Предлагаем поставку навесного оборудования и расходных материалов для коммунальной и дорожно-строительной техники в том числе: ножи для автогрейдеров, техпластины, диски щеточные, резцы для дорожных фрез, цепи для грунторезов и т.д; Предлагаем поставку двигателей ЯМЗ, ММЗ, АМЗ,ТМЗ, ВТЗ, Хонда и запчастей к ним; Предлагаем поставку импортных комплектующих для дорожно-строительной техники; Предлагаем поставку восстановленной или б/у в рабочем состоянии импортной дорожно – строительной техники; Возможны различные формы оплаты, в том числе рассрочка, скидка.

1 руб.
Рыбинск
Гидронасос НШ-10

Гидронасос НШ-10

Проводим капитальный и частичный ремонт автогрейдеров, катков, погрузчиков, тракторов, экскаваторов. Возможно проведение ремонта по месту нахождения; Предлагаем модернизацию катков ДУ-47/48/49/58/62, а также поставка новой техники от завода-производителя; Предлагаем поставку новой, восстановленной или б/у в рабочем состоянии дорожно – строительной техники; коммунальной и снегоуборочной техники; Предлагаем поставку навесного оборудования и расходных материалов для коммунальной и дорожно-строительной техники в том числе: ножи для автогрейдеров, техпластины, диски щеточные, резцы для дорожных фрез, цепи для грунторезов и т.д; Предлагаем поставку двигателей ЯМЗ, ММЗ, АМЗ,ТМЗ, ВТЗ, Хонда и запчастей к ним; Предлагаем поставку импортных комплектующих для дорожно-строительной техники; Предлагаем поставку восстановленной или б/у в рабочем состоянии импортной дорожно – строительной техники; Возможны различные формы оплаты, в том числе рассрочка, скидка.

Рыбинск
Гидронасос (г.Кировоград) НП-90-00-00

Гидронасос (г.Кировоград) НП-90-00-00

Проводим капитальный и частичный ремонт автогрейдеров, катков, погрузчиков, тракторов, экскаваторов. Возможно проведение ремонта по месту нахождения; Предлагаем модернизацию катков ДУ-47/48/49/58/62, а также поставка новой техники от завода-производителя; Предлагаем поставку новой, восстановленной или б/у в рабочем состоянии дорожно – строительной техники; коммунальной и снегоуборочной техники; Предлагаем поставку навесного оборудования и расходных материалов для коммунальной и дорожно-строительной техники в том числе: ножи для автогрейдеров, техпластины, диски щеточные, резцы для дорожных фрез, цепи для грунторезов и т.д; Предлагаем поставку двигателей ЯМЗ, ММЗ, АМЗ,ТМЗ, ВТЗ, Хонда и запчастей к ним; Предлагаем поставку импортных комплектующих для дорожно-строительной техники; Предлагаем поставку восстановленной или б/у в рабочем состоянии импортной дорожно – строительной техники; Возможны различные формы оплаты, в том числе рассрочка, скидка.

Рыбинск
Гайка ДМ 30.00.094

Гайка ДМ 30.00.094

Проводим капитальный и частичный ремонт автогрейдеров, катков, погрузчиков, тракторов, экскаваторов. Возможно проведение ремонта по месту нахождения; Предлагаем модернизацию катков ДУ-47/48/49/58/62, а также поставка новой техники от завода-производителя; Предлагаем поставку новой, восстановленной или б/у в рабочем состоянии дорожно – строительной техники; коммунальной и снегоуборочной техники; Предлагаем поставку навесного оборудования и расходных материалов для коммунальной и дорожно-строительной техники в том числе: ножи для автогрейдеров, техпластины, диски щеточные, резцы для дорожных фрез, цепи для грунторезов и т.д; Предлагаем поставку двигателей ЯМЗ, ММЗ, АМЗ,ТМЗ, ВТЗ, Хонда и запчастей к ним; Предлагаем поставку импортных комплектующих для дорожно-строительной техники; Предлагаем поставку восстановленной или б/у в рабочем состоянии импортной дорожно – строительной техники; Возможны различные формы оплаты, в том числе рассрочка, скидка.

Рыбинск
Втулка ДУ-84.122.238

Втулка ДУ-84.122.238

Проводим капитальный и частичный ремонт автогрейдеров, катков, погрузчиков, тракторов, экскаваторов. Возможно проведение ремонта по месту нахождения; Предлагаем модернизацию катков ДУ-47/48/49/58/62, а также поставка новой техники от завода-производителя; Предлагаем поставку новой, восстановленной или б/у в рабочем состоянии дорожно – строительной техники; коммунальной и снегоуборочной техники; Предлагаем поставку навесного оборудования и расходных материалов для коммунальной и дорожно-строительной техники в том числе: ножи для автогрейдеров, техпластины, диски щеточные, резцы для дорожных фрез, цепи для грунторезов и т.д; Предлагаем поставку двигателей ЯМЗ, ММЗ, АМЗ,ТМЗ, ВТЗ, Хонда и запчастей к ним; Предлагаем поставку импортных комплектующих для дорожно-строительной техники; Предлагаем поставку восстановленной или б/у в рабочем состоянии импортной дорожно – строительной техники; Возможны различные формы оплаты, в том числе рассрочка, скидка.Производитель: Собственное производство

Рыбинск
Барабан ведущий ДУ-93.208.005 (ДУ-47А-04-61)

Барабан ведущий ДУ-93.208.005 (ДУ-47А-04-61)

Проводим капитальный и частичный ремонт автогрейдеров, катков, погрузчиков, тракторов, экскаваторов. Возможно проведение ремонта по месту нахождения; Предлагаем модернизацию катков ДУ-47/48/49/58/62, а также поставка новой техники от завода-производителя; Предлагаем поставку новой, восстановленной или б/у в рабочем состоянии дорожно – строительной техники; коммунальной и снегоуборочной техники; Предлагаем поставку навесного оборудования и расходных материалов для коммунальной и дорожно-строительной техники в том числе: ножи для автогрейдеров, техпластины, диски щеточные, резцы для дорожных фрез, цепи для грунторезов и т.д; Предлагаем поставку двигателей ЯМЗ, ММЗ, АМЗ,ТМЗ, ВТЗ, Хонда и запчастей к ним; Предлагаем поставку импортных комплектующих для дорожно-строительной техники; Предлагаем поставку восстановленной или б/у в рабочем состоянии импортной дорожно – строительной техники; Возможны различные формы оплаты, в том числе рассрочка, скидка.Тип: Барабан ведущий

Рыбинск
Муфта ДУ-52.03.01.176-01

Муфта ДУ-52.03.01.176-01

Проводим капитальный и частичный ремонт автогрейдеров, катков, погрузчиков, тракторов, экскаваторов. Возможно проведение ремонта по месту нахождения; Предлагаем модернизацию катков ДУ-47/48/49/58/62, а также поставка новой техники от завода-производителя; Предлагаем поставку новой, восстановленной или б/у в рабочем состоянии дорожно – строительной техники; коммунальной и снегоуборочной техники; Предлагаем поставку навесного оборудования и расходных материалов для коммунальной и дорожно-строительной техники в том числе: ножи для автогрейдеров, техпластины, диски щеточные, резцы для дорожных фрез, цепи для грунторезов и т.д; Предлагаем поставку двигателей ЯМЗ, ММЗ, АМЗ,ТМЗ, ВТЗ, Хонда и запчастей к ним; Предлагаем поставку импортных комплектующих для дорожно-строительной техники; Предлагаем поставку восстановленной или б/у в рабочем состоянии импортной дорожно – строительной техники; Возможны различные формы оплаты, в том числе рассрочка, скидка.Производитель: Собственное производство Состояние: Новое

1 руб.
Рыбинск
Муфта Ду 84.122.002Б

Муфта Ду 84.122.002Б

Проводим капитальный и частичный ремонт автогрейдеров, катков, погрузчиков, тракторов, экскаваторов. Возможно проведение ремонта по месту нахождения; Предлагаем модернизацию катков ДУ-47/48/49/58/62, а также поставка новой техники от завода-производителя; Предлагаем поставку новой, восстановленной или б/у в рабочем состоянии дорожно – строительной техники; коммунальной и снегоуборочной техники; Предлагаем поставку навесного оборудования и расходных материалов для коммунальной и дорожно-строительной техники в том числе: ножи для автогрейдеров, техпластины, диски щеточные, резцы для дорожных фрез, цепи для грунторезов и т.д; Предлагаем поставку двигателей ЯМЗ, ММЗ, АМЗ,ТМЗ, ВТЗ, Хонда и запчастей к ним; Предлагаем поставку импортных комплектующих для дорожно-строительной техники; Предлагаем поставку восстановленной или б/у в рабочем состоянии импортной дорожно – строительной техники; Возможны различные формы оплаты, в том числе рассрочка, скидка.Производитель: Собственное производство Состояние: Новое

1 руб.
Рыбинск
Крышка ДУ-98.283.082

Крышка ДУ-98.283.082

Проводим капитальный и частичный ремонт автогрейдеров, катков, погрузчиков, тракторов, экскаваторов. Возможно проведение ремонта по месту нахождения; Предлагаем модернизацию катков ДУ-47/48/49/58/62, а также поставка новой техники от завода-производителя; Предлагаем поставку новой, восстановленной или б/у в рабочем состоянии дорожно – строительной техники; коммунальной и снегоуборочной техники; Предлагаем поставку навесного оборудования и расходных материалов для коммунальной и дорожно-строительной техники в том числе: ножи для автогрейдеров, техпластины, диски щеточные, резцы для дорожных фрез, цепи для грунторезов и т.д; Предлагаем поставку двигателей ЯМЗ, ММЗ, АМЗ,ТМЗ, ВТЗ, Хонда и запчастей к ним; Предлагаем поставку импортных комплектующих для дорожно-строительной техники; Предлагаем поставку восстановленной или б/у в рабочем состоянии импортной дорожно – строительной техники; Возможны различные формы оплаты, в том числе рассрочка, скидка.Производитель: Собственное производство Состояние: Новое

1 руб.
Рыбинск
Крышка ДУ-84.187.147

Крышка ДУ-84.187.147

Проводим капитальный и частичный ремонт автогрейдеров, катков, погрузчиков, тракторов, экскаваторов. Возможно проведение ремонта по месту нахождения; Предлагаем модернизацию катков ДУ-47/48/49/58/62, а также поставка новой техники от завода-производителя; Предлагаем поставку новой, восстановленной или б/у в рабочем состоянии дорожно – строительной техники; коммунальной и снегоуборочной техники; Предлагаем поставку навесного оборудования и расходных материалов для коммунальной и дорожно-строительной техники в том числе: ножи для автогрейдеров, техпластины, диски щеточные, резцы для дорожных фрез, цепи для грунторезов и т.д; Предлагаем поставку двигателей ЯМЗ, ММЗ, АМЗ,ТМЗ, ВТЗ, Хонда и запчастей к ним; Предлагаем поставку импортных комплектующих для дорожно-строительной техники; Предлагаем поставку восстановленной или б/у в рабочем состоянии импортной дорожно – строительной техники; Возможны различные формы оплаты, в том числе рассрочка, скидка.Производитель: Собственное производство Состояние: Новое

1 руб.
Рыбинск
Крышка ДУ-58А.01.21 520-02

Крышка ДУ-58А.01.21 520-02

Проводим капитальный и частичный ремонт автогрейдеров, катков, погрузчиков, тракторов, экскаваторов. Возможно проведение ремонта по месту нахождения; Предлагаем модернизацию катков ДУ-47/48/49/58/62, а также поставка новой техники от завода-производителя; Предлагаем поставку новой, восстановленной или б/у в рабочем состоянии дорожно – строительной техники; коммунальной и снегоуборочной техники; Предлагаем поставку навесного оборудования и расходных материалов для коммунальной и дорожно-строительной техники в том числе: ножи для автогрейдеров, техпластины, диски щеточные, резцы для дорожных фрез, цепи для грунторезов и т.д; Предлагаем поставку двигателей ЯМЗ, ММЗ, АМЗ,ТМЗ, ВТЗ, Хонда и запчастей к ним; Предлагаем поставку импортных комплектующих для дорожно-строительной техники; Предлагаем поставку восстановленной или б/у в рабочем состоянии импортной дорожно – строительной техники; Возможны различные формы оплаты, в том числе рассрочка, скидка.Производитель: Собственное производство Состояние: Новое

1 руб.
Рыбинск
Крышка ДУ-47А-04-14

Крышка ДУ-47А-04-14

Проводим капитальный и частичный ремонт автогрейдеров, катков, погрузчиков, тракторов, экскаваторов. Возможно проведение ремонта по месту нахождения; Предлагаем модернизацию катков ДУ-47/48/49/58/62, а также поставка новой техники от завода-производителя; Предлагаем поставку новой, восстановленной или б/у в рабочем состоянии дорожно – строительной техники; коммунальной и снегоуборочной техники; Предлагаем поставку навесного оборудования и расходных материалов для коммунальной и дорожно-строительной техники в том числе: ножи для автогрейдеров, техпластины, диски щеточные, резцы для дорожных фрез, цепи для грунторезов и т.д; Предлагаем поставку двигателей ЯМЗ, ММЗ, АМЗ,ТМЗ, ВТЗ, Хонда и запчастей к ним; Предлагаем поставку импортных комплектующих для дорожно-строительной техники; Предлагаем поставку восстановленной или б/у в рабочем состоянии импортной дорожно – строительной техники; Возможны различные формы оплаты, в том числе рассрочка, скидка.Производитель: Собственное производство Состояние: Новое

1 руб.
Рыбинск
Крышка ДУ-47А-04-04А

Крышка ДУ-47А-04-04А

Проводим капитальный и частичный ремонт автогрейдеров, катков, погрузчиков, тракторов, экскаваторов. Возможно проведение ремонта по месту нахождения; Предлагаем модернизацию катков ДУ-47/48/49/58/62, а также поставка новой техники от завода-производителя; Предлагаем поставку новой, восстановленной или б/у в рабочем состоянии дорожно – строительной техники; коммунальной и снегоуборочной техники; Предлагаем поставку навесного оборудования и расходных материалов для коммунальной и дорожно-строительной техники в том числе: ножи для автогрейдеров, техпластины, диски щеточные, резцы для дорожных фрез, цепи для грунторезов и т.д; Предлагаем поставку двигателей ЯМЗ, ММЗ, АМЗ,ТМЗ, ВТЗ, Хонда и запчастей к ним; Предлагаем поставку импортных комплектующих для дорожно-строительной техники; Предлагаем поставку восстановленной или б/у в рабочем состоянии импортной дорожно – строительной техники; Возможны различные формы оплаты, в том числе рассрочка, скидка.Производитель: Собственное производство Состояние: Новое

1 руб.
Рыбинск
Крышка ДУ-47А-03.333

Крышка ДУ-47А-03.333

Проводим капитальный и частичный ремонт автогрейдеров, катков, погрузчиков, тракторов, экскаваторов. Возможно проведение ремонта по месту нахождения; Предлагаем модернизацию катков ДУ-47/48/49/58/62, а также поставка новой техники от завода-производителя; Предлагаем поставку новой, восстановленной или б/у в рабочем состоянии дорожно – строительной техники; коммунальной и снегоуборочной техники; Предлагаем поставку навесного оборудования и расходных материалов для коммунальной и дорожно-строительной техники в том числе: ножи для автогрейдеров, техпластины, диски щеточные, резцы для дорожных фрез, цепи для грунторезов и т.д; Предлагаем поставку двигателей ЯМЗ, ММЗ, АМЗ,ТМЗ, ВТЗ, Хонда и запчастей к ним; Предлагаем поставку импортных комплектующих для дорожно-строительной техники; Предлагаем поставку восстановленной или б/у в рабочем состоянии импортной дорожно – строительной техники; Возможны различные формы оплаты, в том числе рассрочка, скидка.Производитель: Собственное производство Состояние: Новое

1 руб.
Рыбинск
Крышка ДУ-47А-03-670

Крышка ДУ-47А-03-670

Проводим капитальный и частичный ремонт автогрейдеров, катков, погрузчиков, тракторов, экскаваторов. Возможно проведение ремонта по месту нахождения; Предлагаем модернизацию катков ДУ-47/48/49/58/62, а также поставка новой техники от завода-производителя; Предлагаем поставку новой, восстановленной или б/у в рабочем состоянии дорожно – строительной техники; коммунальной и снегоуборочной техники; Предлагаем поставку навесного оборудования и расходных материалов для коммунальной и дорожно-строительной техники в том числе: ножи для автогрейдеров, техпластины, диски щеточные, резцы для дорожных фрез, цепи для грунторезов и т.д; Предлагаем поставку двигателей ЯМЗ, ММЗ, АМЗ,ТМЗ, ВТЗ, Хонда и запчастей к ним; Предлагаем поставку импортных комплектующих для дорожно-строительной техники; Предлагаем поставку восстановленной или б/у в рабочем состоянии импортной дорожно – строительной техники; Возможны различные формы оплаты, в том числе рассрочка, скидка.Производитель: Собственное производство Состояние: Новое

1 руб.
Рыбинск
Крышка ДУ-47А-03-116

Крышка ДУ-47А-03-116

Проводим капитальный и частичный ремонт автогрейдеров, катков, погрузчиков, тракторов, экскаваторов. Возможно проведение ремонта по месту нахождения; Предлагаем модернизацию катков ДУ-47/48/49/58/62, а также поставка новой техники от завода-производителя; Предлагаем поставку новой, восстановленной или б/у в рабочем состоянии дорожно – строительной техники; коммунальной и снегоуборочной техники; Предлагаем поставку навесного оборудования и расходных материалов для коммунальной и дорожно-строительной техники в том числе: ножи для автогрейдеров, техпластины, диски щеточные, резцы для дорожных фрез, цепи для грунторезов и т.д; Предлагаем поставку двигателей ЯМЗ, ММЗ, АМЗ,ТМЗ, ВТЗ, Хонда и запчастей к ним; Предлагаем поставку импортных комплектующих для дорожно-строительной техники; Предлагаем поставку восстановленной или б/у в рабочем состоянии импортной дорожно – строительной техники; Возможны различные формы оплаты, в том числе рассрочка, скидка.Производитель: Собственное производство Состояние: Новое

1 руб.
Рыбинск
Крышка ДМ-31.01.063

Крышка ДМ-31.01.063

Проводим капитальный и частичный ремонт автогрейдеров, катков, погрузчиков, тракторов, экскаваторов. Возможно проведение ремонта по месту нахождения; Предлагаем модернизацию катков ДУ-47/48/49/58/62, а также поставка новой техники от завода-производителя; Предлагаем поставку новой, восстановленной или б/у в рабочем состоянии дорожно – строительной техники; коммунальной и снегоуборочной техники; Предлагаем поставку навесного оборудования и расходных материалов для коммунальной и дорожно-строительной техники в том числе: ножи для автогрейдеров, техпластины, диски щеточные, резцы для дорожных фрез, цепи для грунторезов и т.д; Предлагаем поставку двигателей ЯМЗ, ММЗ, АМЗ,ТМЗ, ВТЗ, Хонда и запчастей к ним; Предлагаем поставку импортных комплектующих для дорожно-строительной техники; Предлагаем поставку восстановленной или б/у в рабочем состоянии импортной дорожно – строительной техники; Возможны различные формы оплаты, в том числе рассрочка, скидка.Производитель: Собственное производство Состояние: Новое

1 руб.
Рыбинск
Крышка ДМ 31.00.009-01

Крышка ДМ 31.00.009-01

Проводим капитальный и частичный ремонт автогрейдеров, катков, погрузчиков, тракторов, экскаваторов. Возможно проведение ремонта по месту нахождения; Предлагаем модернизацию катков ДУ-47/48/49/58/62, а также поставка новой техники от завода-производителя; Предлагаем поставку новой, восстановленной или б/у в рабочем состоянии дорожно – строительной техники; коммунальной и снегоуборочной техники; Предлагаем поставку навесного оборудования и расходных материалов для коммунальной и дорожно-строительной техники в том числе: ножи для автогрейдеров, техпластины, диски щеточные, резцы для дорожных фрез, цепи для грунторезов и т.д; Предлагаем поставку двигателей ЯМЗ, ММЗ, АМЗ,ТМЗ, ВТЗ, Хонда и запчастей к ним; Предлагаем поставку импортных комплектующих для дорожно-строительной техники; Предлагаем поставку восстановленной или б/у в рабочем состоянии импортной дорожно – строительной техники; Возможны различные формы оплаты, в том числе рассрочка, скидка.Производитель: Собственное производство Состояние: Новое

1 руб.
Рыбинск
Кронштейн правый ДУ-93.233.01 (ДУ-48А-04-65)

Кронштейн правый ДУ-93.233.01 (ДУ-48А-04-65)

Проводим капитальный и частичный ремонт автогрейдеров, катков, погрузчиков, тракторов, экскаваторов. Возможно проведение ремонта по месту нахождения; Предлагаем модернизацию катков ДУ-47/48/49/58/62, а также поставка новой техники от завода-производителя; Предлагаем поставку новой, восстановленной или б/у в рабочем состоянии дорожно – строительной техники; коммунальной и снегоуборочной техники; Предлагаем поставку навесного оборудования и расходных материалов для коммунальной и дорожно-строительной техники в том числе: ножи для автогрейдеров, техпластины, диски щеточные, резцы для дорожных фрез, цепи для грунторезов и т.д; Предлагаем поставку двигателей ЯМЗ, ММЗ, АМЗ,ТМЗ, ВТЗ, Хонда и запчастей к ним; Предлагаем поставку импортных комплектующих для дорожно-строительной техники; Предлагаем поставку восстановленной или б/у в рабочем состоянии импортной дорожно – строительной техники; Возможны различные формы оплаты, в том числе рассрочка, скидка.Производитель: Собственное производство Состояние: Новое

Рыбинск
Кронштейн правый ДУ-47А-04-230

Кронштейн правый ДУ-47А-04-230

Проводим капитальный и частичный ремонт автогрейдеров, катков, погрузчиков, тракторов, экскаваторов. Возможно проведение ремонта по месту нахождения; Предлагаем модернизацию катков ДУ-47/48/49/58/62, а также поставка новой техники от завода-производителя; Предлагаем поставку новой, восстановленной или б/у в рабочем состоянии дорожно – строительной техники; коммунальной и снегоуборочной техники; Предлагаем поставку навесного оборудования и расходных материалов для коммунальной и дорожно-строительной техники в том числе: ножи для автогрейдеров, техпластины, диски щеточные, резцы для дорожных фрез, цепи для грунторезов и т.д; Предлагаем поставку двигателей ЯМЗ, ММЗ, АМЗ,ТМЗ, ВТЗ, Хонда и запчастей к ним; Предлагаем поставку импортных комплектующих для дорожно-строительной техники; Предлагаем поставку восстановленной или б/у в рабочем состоянии импортной дорожно – строительной техники; Возможны различные формы оплаты, в том числе рассрочка, скидка.Производитель: Собственное производство Состояние: Новое

Рыбинск
Кронштейн левый ДУ-93.233.00 (ДУ-48А-04.66)

Кронштейн левый ДУ-93.233.00 (ДУ-48А-04.66)

Проводим капитальный и частичный ремонт автогрейдеров, катков, погрузчиков, тракторов, экскаваторов. Возможно проведение ремонта по месту нахождения; Предлагаем модернизацию катков ДУ-47/48/49/58/62, а также поставка новой техники от завода-производителя; Предлагаем поставку новой, восстановленной или б/у в рабочем состоянии дорожно – строительной техники; коммунальной и снегоуборочной техники; Предлагаем поставку навесного оборудования и расходных материалов для коммунальной и дорожно-строительной техники в том числе: ножи для автогрейдеров, техпластины, диски щеточные, резцы для дорожных фрез, цепи для грунторезов и т.д; Предлагаем поставку двигателей ЯМЗ, ММЗ, АМЗ,ТМЗ, ВТЗ, Хонда и запчастей к ним; Предлагаем поставку импортных комплектующих для дорожно-строительной техники; Предлагаем поставку восстановленной или б/у в рабочем состоянии импортной дорожно – строительной техники; Возможны различные формы оплаты, в том числе рассрочка, скидка.Производитель: Собственное производство Состояние: Новое

Рыбинск
Кронштейн ДУ-93.208.13 (Д-211В-06-247)

Кронштейн ДУ-93.208.13 (Д-211В-06-247)

Проводим капитальный и частичный ремонт автогрейдеров, катков, погрузчиков, тракторов, экскаваторов. Возможно проведение ремонта по месту нахождения; Предлагаем модернизацию катков ДУ-47/48/49/58/62, а также поставка новой техники от завода-производителя; Предлагаем поставку новой, восстановленной или б/у в рабочем состоянии дорожно – строительной техники; коммунальной и снегоуборочной техники; Предлагаем поставку навесного оборудования и расходных материалов для коммунальной и дорожно-строительной техники в том числе: ножи для автогрейдеров, техпластины, диски щеточные, резцы для дорожных фрез, цепи для грунторезов и т.д; Предлагаем поставку двигателей ЯМЗ, ММЗ, АМЗ,ТМЗ, ВТЗ, Хонда и запчастей к ним; Предлагаем поставку импортных комплектующих для дорожно-строительной техники; Предлагаем поставку восстановленной или б/у в рабочем состоянии импортной дорожно – строительной техники; Возможны различные формы оплаты, в том числе рассрочка, скидка.Производитель: Собственное производство Состояние: Новое

Рыбинск
Крестовина Д-211-НД-97

Крестовина Д-211-НД-97

Проводим капитальный и частичный ремонт автогрейдеров, катков, погрузчиков, тракторов, экскаваторов. Возможно проведение ремонта по месту нахождения; Предлагаем модернизацию катков ДУ-47/48/49/58/62, а также поставка новой техники от завода-производителя; Предлагаем поставку новой, восстановленной или б/у в рабочем состоянии дорожно – строительной техники; коммунальной и снегоуборочной техники; Предлагаем поставку навесного оборудования и расходных материалов для коммунальной и дорожно-строительной техники в том числе: ножи для автогрейдеров, техпластины, диски щеточные, резцы для дорожных фрез, цепи для грунторезов и т.д; Предлагаем поставку двигателей ЯМЗ, ММЗ, АМЗ,ТМЗ, ВТЗ, Хонда и запчастей к ним; Предлагаем поставку импортных комплектующих для дорожно-строительной техники; Предлагаем поставку восстановленной или б/у в рабочем состоянии импортной дорожно – строительной техники; Возможны различные формы оплаты, в том числе рассрочка, скидка.Производитель: Собственное производство Состояние: Новое

Рыбинск
Корпус ДУ-96.263.040

Корпус ДУ-96.263.040

Проводим капитальный и частичный ремонт автогрейдеров, катков, погрузчиков, тракторов, экскаваторов. Возможно проведение ремонта по месту нахождения; Предлагаем модернизацию катков ДУ-47/48/49/58/62, а также поставка новой техники от завода-производителя; Предлагаем поставку новой, восстановленной или б/у в рабочем состоянии дорожно – строительной техники; коммунальной и снегоуборочной техники; Предлагаем поставку навесного оборудования и расходных материалов для коммунальной и дорожно-строительной техники в том числе: ножи для автогрейдеров, техпластины, диски щеточные, резцы для дорожных фрез, цепи для грунторезов и т.д; Предлагаем поставку двигателей ЯМЗ, ММЗ, АМЗ,ТМЗ, ВТЗ, Хонда и запчастей к ним; Предлагаем поставку импортных комплектующих для дорожно-строительной техники; Предлагаем поставку восстановленной или б/у в рабочем состоянии импортной дорожно – строительной техники; Возможны различные формы оплаты, в том числе рассрочка, скидка.Производитель: Собственное производство Состояние: Новое

Рыбинск
Корпус ДУ-84-122.910-01

Корпус ДУ-84-122.910-01

Проводим капитальный и частичный ремонт автогрейдеров, катков, погрузчиков, тракторов, экскаваторов. Возможно проведение ремонта по месту нахождения; Предлагаем модернизацию катков ДУ-47/48/49/58/62, а также поставка новой техники от завода-производителя; Предлагаем поставку новой, восстановленной или б/у в рабочем состоянии дорожно – строительной техники; коммунальной и снегоуборочной техники; Предлагаем поставку навесного оборудования и расходных материалов для коммунальной и дорожно-строительной техники в том числе: ножи для автогрейдеров, техпластины, диски щеточные, резцы для дорожных фрез, цепи для грунторезов и т.д; Предлагаем поставку двигателей ЯМЗ, ММЗ, АМЗ,ТМЗ, ВТЗ, Хонда и запчастей к ним; Предлагаем поставку импортных комплектующих для дорожно-строительной техники; Предлагаем поставку восстановленной или б/у в рабочем состоянии импортной дорожно – строительной техники; Возможны различные формы оплаты, в том числе рассрочка, скидка.Производитель: Собственное производство Состояние: Новое

Рыбинск
Корпус ДУ-47А-04-01А

Корпус ДУ-47А-04-01А

Проводим капитальный и частичный ремонт автогрейдеров, катков, погрузчиков, тракторов, экскаваторов. Возможно проведение ремонта по месту нахождения; Предлагаем модернизацию катков ДУ-47/48/49/58/62, а также поставка новой техники от завода-производителя; Предлагаем поставку новой, восстановленной или б/у в рабочем состоянии дорожно – строительной техники; коммунальной и снегоуборочной техники; Предлагаем поставку навесного оборудования и расходных материалов для коммунальной и дорожно-строительной техники в том числе: ножи для автогрейдеров, техпластины, диски щеточные, резцы для дорожных фрез, цепи для грунторезов и т.д; Предлагаем поставку двигателей ЯМЗ, ММЗ, АМЗ,ТМЗ, ВТЗ, Хонда и запчастей к ним; Предлагаем поставку импортных комплектующих для дорожно-строительной техники; Предлагаем поставку восстановленной или б/у в рабочем состоянии импортной дорожно – строительной техники; Возможны различные формы оплаты, в том числе рассрочка, скидка.

Рыбинск
Корпус ДМ 31.01.038-01

Корпус ДМ 31.01.038-01

Проводим капитальный и частичный ремонт автогрейдеров, катков, погрузчиков, тракторов, экскаваторов. Возможно проведение ремонта по месту нахождения; Предлагаем модернизацию катков ДУ-47/48/49/58/62, а также поставка новой техники от завода-производителя; Предлагаем поставку новой, восстановленной или б/у в рабочем состоянии дорожно – строительной техники; коммунальной и снегоуборочной техники; Предлагаем поставку навесного оборудования и расходных материалов для коммунальной и дорожно-строительной техники в том числе: ножи для автогрейдеров, техпластины, диски щеточные, резцы для дорожных фрез, цепи для грунторезов и т.д; Предлагаем поставку двигателей ЯМЗ, ММЗ, АМЗ,ТМЗ, ВТЗ, Хонда и запчастей к ним; Предлагаем поставку импортных комплектующих для дорожно-строительной техники; Предлагаем поставку восстановленной или б/у в рабочем состоянии импортной дорожно – строительной техники; Возможны различные формы оплаты, в том числе рассрочка, скидка.

Рыбинск
Корпус ДМ 31.00.010

Корпус ДМ 31.00.010

Проводим капитальный и частичный ремонт автогрейдеров, катков, погрузчиков, тракторов, экскаваторов. Возможно проведение ремонта по месту нахождения; Предлагаем модернизацию катков ДУ-47/48/49/58/62, а также поставка новой техники от завода-производителя; Предлагаем поставку новой, восстановленной или б/у в рабочем состоянии дорожно – строительной техники; коммунальной и снегоуборочной техники; Предлагаем поставку навесного оборудования и расходных материалов для коммунальной и дорожно-строительной техники в том числе: ножи для автогрейдеров, техпластины, диски щеточные, резцы для дорожных фрез, цепи для грунторезов и т.д; Предлагаем поставку двигателей ЯМЗ, ММЗ, АМЗ,ТМЗ, ВТЗ, Хонда и запчастей к ним; Предлагаем поставку импортных комплектующих для дорожно-строительной техники; Предлагаем поставку восстановленной или б/у в рабочем состоянии импортной дорожно – строительной техники; Возможны различные формы оплаты, в том числе рассрочка, скидка.

Рыбинск
Каток дорожный ДУ-98 2002 г.в.

Каток дорожный ДУ-98 2002 г.в.

Предлагаем к поставке каток ДУ-98 с механизмом обрезки кромки асфальта, после проведения капитального ремонта. Вибрационный каток с гладкими вальцами ДУ-98 предназначен для уплотнения покрытий из битумно-минеральных смесей и оснований из различных дорожно-строительных материалов при значительных объемах работ на автодорогах общего назначения и внутрихозяйственных дорогах. Масса конструктивная 10 тонн Масса эксплуатационная 11,5 тонн Проведены следующие работы: 1. Полная разборка и дефектование узлов и деталей. 2. Чистка, мойка и пескоструйная обработка всех металлоконструкций. 3. Ревизия и ремонт вибровальцев: замена подшипников, ремонт вибровалов, масляных ванн и замена амортизаторов. 4. Капитальный ремонт планетарных редукторов. 5. Капитальный ремонт раздаточного редуктора. 6. Установка демпферной муфты и всех зубчатых муфт. 7. Капитальный ремонт двигателя. 8. Ремонт силовой рамы, подмоторной рамы и двух вилок с опорами. 9. Ремонт кабины с заменой стёкол, шумоизоляции и обшивы, установка новых стеклоочистителей, зеркал и т.д. 10. Ремонт рабочего места и установка новых сидений и рулевых колес. 11. Капитальный ремонт гидромоторов 310.356. 12. Капитальный ремонт двух насосов НП-90. 13. Установка гидроруля и насоса НШ. 14. Капитальный ремонт гидроцилиндров с заменой штоков и РТИ. 15. Установка нового комплекта РВД и дюритовых рукавов. 16. Изготовление и установка новых скребков и смачивающей системы. 17. Грунтование и покраска катка. 18. Новый электромонтаж и установка полного комплекта контрольных, сигнальных и осветительных приборов. 19. Заправка ГСМ. 20. Обкатка, испытания катка и сдача комиссии. Осуществляем содействие в поиске перевозчика в любых направлениях. Ответим на любые интересующие вас вопросы.Производитель: Раскат Тип вальцев: С гладкими вальцами Тип двигателя: Дизельные Владельцев по ПТС: 2 Состояние: Отличное

2 950 000 руб.
Рыбинск
Жесткий диск ДУ-47Б-44.160/01

Жесткий диск ДУ-47Б-44.160/01

Проводим капитальный и частичный ремонт автогрейдеров, катков, погрузчиков, тракторов, экскаваторов. Возможно проведение ремонта по месту нахождения; Предлагаем модернизацию катков ДУ-47/48/49/58/62, а также поставка новой техники от завода-производителя; Предлагаем поставку новой, восстановленной или б/у в рабочем состоянии дорожно – строительной техники; коммунальной и снегоуборочной техники; Предлагаем поставку навесного оборудования и расходных материалов для коммунальной и дорожно-строительной техники в том числе: ножи для автогрейдеров, техпластины, диски щеточные, резцы для дорожных фрез, цепи для грунторезов и т.д; Предлагаем поставку двигателей ЯМЗ, ММЗ, АМЗ,ТМЗ, ВТЗ, Хонда и запчастей к ним; Предлагаем поставку импортных комплектующих для дорожно-строительной техники; Предлагаем поставку восстановленной или б/у в рабочем состоянии импортной дорожно – строительной техники; Возможны различные формы оплаты, в том числе рассрочка, скидка.Состояние: Отличное

Рыбинск
Диск упорный Д455А.01.135

Диск упорный Д455А.01.135

Проводим капитальный и частичный ремонт автогрейдеров, катков, погрузчиков, тракторов, экскаваторов. Возможно проведение ремонта по месту нахождения; Предлагаем модернизацию катков ДУ-47/48/49/58/62, а также поставка новой техники от завода-производителя; Предлагаем поставку новой, восстановленной или б/у в рабочем состоянии дорожно – строительной техники; коммунальной и снегоуборочной техники; Предлагаем поставку навесного оборудования и расходных материалов для коммунальной и дорожно-строительной техники в том числе: ножи для автогрейдеров, техпластины, диски щеточные, резцы для дорожных фрез, цепи для грунторезов и т.д; Предлагаем поставку двигателей ЯМЗ, ММЗ, АМЗ,ТМЗ, ВТЗ, Хонда и запчастей к ним; Предлагаем поставку импортных комплектующих для дорожно-строительной техники; Предлагаем поставку восстановленной или б/у в рабочем состоянии импортной дорожно – строительной техники; Возможны различные формы оплаты, в том числе рассрочка, скидка.

Рыбинск
Диск нажимной ДУ-93.208.011 (Д-211-НД-127)

Диск нажимной ДУ-93.208.011 (Д-211-НД-127)

Проводим капитальный и частичный ремонт автогрейдеров, катков, погрузчиков, тракторов, экскаваторов. Возможно проведение ремонта по месту нахождения; Предлагаем модернизацию катков ДУ-47/48/49/58/62, а также поставка новой техники от завода-производителя; Предлагаем поставку новой, восстановленной или б/у в рабочем состоянии дорожно – строительной техники; коммунальной и снегоуборочной техники; Предлагаем поставку навесного оборудования и расходных материалов для коммунальной и дорожно-строительной техники в том числе: ножи для автогрейдеров, техпластины, диски щеточные, резцы для дорожных фрез, цепи для грунторезов и т.д; Предлагаем поставку двигателей ЯМЗ, ММЗ, АМЗ,ТМЗ, ВТЗ, Хонда и запчастей к ним; Предлагаем поставку импортных комплектующих для дорожно-строительной техники; Предлагаем поставку восстановленной или б/у в рабочем состоянии импортной дорожно – строительной техники; Возможны различные формы оплаты, в том числе рассрочка, скидка.

Рыбинск
Диск нажимной Д455А.01.084

Диск нажимной Д455А.01.084

Проводим капитальный и частичный ремонт автогрейдеров, катков, погрузчиков, тракторов, экскаваторов. Возможно проведение ремонта по месту нахождения; Предлагаем модернизацию катков ДУ-47/48/49/58/62, а также поставка новой техники от завода-производителя; Предлагаем поставку новой, восстановленной или б/у в рабочем состоянии дорожно – строительной техники; коммунальной и снегоуборочной техники; Предлагаем поставку навесного оборудования и расходных материалов для коммунальной и дорожно-строительной техники в том числе: ножи для автогрейдеров, техпластины, диски щеточные, резцы для дорожных фрез, цепи для грунторезов и т.д; Предлагаем поставку двигателей ЯМЗ, ММЗ, АМЗ,ТМЗ, ВТЗ, Хонда и запчастей к ним; Предлагаем поставку импортных комплектующих для дорожно-строительной техники; Предлагаем поставку восстановленной или б/у в рабочем состоянии импортной дорожно – строительной техники; Возможны различные формы оплаты, в том числе рассрочка, скидка.

Рыбинск
Диск ДМ 30.00.029

Диск ДМ 30.00.029

Проводим капитальный и частичный ремонт автогрейдеров, катков, погрузчиков, тракторов, экскаваторов. Возможно проведение ремонта по месту нахождения; Предлагаем модернизацию катков ДУ-47/48/49/58/62, а также поставка новой техники от завода-производителя; Предлагаем поставку новой, восстановленной или б/у в рабочем состоянии дорожно – строительной техники; коммунальной и снегоуборочной техники; Предлагаем поставку навесного оборудования и расходных материалов для коммунальной и дорожно-строительной техники в том числе: ножи для автогрейдеров, техпластины, диски щеточные, резцы для дорожных фрез, цепи для грунторезов и т.д; Предлагаем поставку двигателей ЯМЗ, ММЗ, АМЗ,ТМЗ, ВТЗ, Хонда и запчастей к ним; Предлагаем поставку импортных комплектующих для дорожно-строительной техники; Предлагаем поставку восстановленной или б/у в рабочем состоянии импортной дорожно – строительной техники; Возможны различные формы оплаты, в том числе рассрочка, скидка.

Рыбинск
Диск ДМ 30.00.028

Диск ДМ 30.00.028

Проводим капитальный и частичный ремонт автогрейдеров, катков, погрузчиков, тракторов, экскаваторов. Возможно проведение ремонта по месту нахождения; Предлагаем модернизацию катков ДУ-47/48/49/58/62, а также поставка новой техники от завода-производителя; Предлагаем поставку новой, восстановленной или б/у в рабочем состоянии дорожно – строительной техники; коммунальной и снегоуборочной техники; Предлагаем поставку навесного оборудования и расходных материалов для коммунальной и дорожно-строительной техники в том числе: ножи для автогрейдеров, техпластины, диски щеточные, резцы для дорожных фрез, цепи для грунторезов и т.д; Предлагаем поставку двигателей ЯМЗ, ММЗ, АМЗ,ТМЗ, ВТЗ, Хонда и запчастей к ним; Предлагаем поставку импортных комплектующих для дорожно-строительной техники; Предлагаем поставку восстановленной или б/у в рабочем состоянии импортной дорожно – строительной техники; Возможны различные формы оплаты, в том числе рассрочка, скидка.

Рыбинск
Диск внутренний Д455А.01.088

Диск внутренний Д455А.01.088

Проводим капитальный и частичный ремонт автогрейдеров, катков, погрузчиков, тракторов, экскаваторов. Возможно проведение ремонта по месту нахождения; Предлагаем модернизацию катков ДУ-47/48/49/58/62, а также поставка новой техники от завода-производителя; Предлагаем поставку новой, восстановленной или б/у в рабочем состоянии дорожно – строительной техники; коммунальной и снегоуборочной техники; Предлагаем поставку навесного оборудования и расходных материалов для коммунальной и дорожно-строительной техники в том числе: ножи для автогрейдеров, техпластины, диски щеточные, резцы для дорожных фрез, цепи для грунторезов и т.д; Предлагаем поставку двигателей ЯМЗ, ММЗ, АМЗ,ТМЗ, ВТЗ, Хонда и запчастей к ним; Предлагаем поставку импортных комплектующих для дорожно-строительной техники; Предлагаем поставку восстановленной или б/у в рабочем состоянии импортной дорожно – строительной техники; Возможны различные формы оплаты, в том числе рассрочка, скидка.

Рыбинск
Диск ведущий ДУ-47А-13-10

Диск ведущий ДУ-47А-13-10

Проводим капитальный и частичный ремонт автогрейдеров, катков, погрузчиков, тракторов, экскаваторов. Возможно проведение ремонта по месту нахождения; Предлагаем модернизацию катков ДУ-47/48/49/58/62, а также поставка новой техники от завода-производителя; Предлагаем поставку новой, восстановленной или б/у в рабочем состоянии дорожно – строительной техники; коммунальной и снегоуборочной техники; Предлагаем поставку навесного оборудования и расходных материалов для коммунальной и дорожно-строительной техники в том числе: ножи для автогрейдеров, техпластины, диски щеточные, резцы для дорожных фрез, цепи для грунторезов и т.д; Предлагаем поставку двигателей ЯМЗ, ММЗ, АМЗ,ТМЗ, ВТЗ, Хонда и запчастей к ним; Предлагаем поставку импортных комплектующих для дорожно-строительной техники; Предлагаем поставку восстановленной или б/у в рабочем состоянии импортной дорожно – строительной техники; Возможны различные формы оплаты, в том числе рассрочка, скидка.

Рыбинск
Диск ведущий Д-211.06.110

Диск ведущий Д-211.06.110

Проводим капитальный и частичный ремонт автогрейдеров, катков, погрузчиков, тракторов, экскаваторов. Возможно проведение ремонта по месту нахождения; Предлагаем модернизацию катков ДУ-47/48/49/58/62, а также поставка новой техники от завода-производителя; Предлагаем поставку новой, восстановленной или б/у в рабочем состоянии дорожно – строительной техники; коммунальной и снегоуборочной техники; Предлагаем поставку навесного оборудования и расходных материалов для коммунальной и дорожно-строительной техники в том числе: ножи для автогрейдеров, техпластины, диски щеточные, резцы для дорожных фрез, цепи для грунторезов и т.д; Предлагаем поставку двигателей ЯМЗ, ММЗ, АМЗ,ТМЗ, ВТЗ, Хонда и запчастей к ним; Предлагаем поставку импортных комплектующих для дорожно-строительной техники; Предлагаем поставку восстановленной или б/у в рабочем состоянии импортной дорожно – строительной техники; Возможны различные формы оплаты, в том числе рассрочка, скидка.

Рыбинск
Диск ведомый средний ДУ-93.208.012 (Д-211-НД-128)

Диск ведомый средний ДУ-93.208.012 (Д-211-НД-128)

Проводим капитальный и частичный ремонт автогрейдеров, катков, погрузчиков, тракторов, экскаваторов. Возможно проведение ремонта по месту нахождения; Предлагаем модернизацию катков ДУ-47/48/49/58/62, а также поставка новой техники от завода-производителя; Предлагаем поставку новой, восстановленной или б/у в рабочем состоянии дорожно – строительной техники; коммунальной и снегоуборочной техники; Предлагаем поставку навесного оборудования и расходных материалов для коммунальной и дорожно-строительной техники в том числе: ножи для автогрейдеров, техпластины, диски щеточные, резцы для дорожных фрез, цепи для грунторезов и т.д; Предлагаем поставку двигателей ЯМЗ, ММЗ, АМЗ,ТМЗ, ВТЗ, Хонда и запчастей к ним; Предлагаем поставку импортных комплектующих для дорожно-строительной техники; Предлагаем поставку восстановленной или б/у в рабочем состоянии импортной дорожно – строительной техники; Возможны различные формы оплаты, в том числе рассрочка, скидка.

1 руб.
Рыбинск
Диск ведомый ДУ-93.208.009 (Д-211-НД-124)

Диск ведомый ДУ-93.208.009 (Д-211-НД-124)

Проводим капитальный и частичный ремонт автогрейдеров, катков, погрузчиков, тракторов, экскаваторов. Возможно проведение ремонта по месту нахождения; Предлагаем модернизацию катков ДУ-47/48/49/58/62, а также поставка новой техники от завода-производителя; Предлагаем поставку новой, восстановленной или б/у в рабочем состоянии дорожно – строительной техники; коммунальной и снегоуборочной техники; Предлагаем поставку навесного оборудования и расходных материалов для коммунальной и дорожно-строительной техники в том числе: ножи для автогрейдеров, техпластины, диски щеточные, резцы для дорожных фрез, цепи для грунторезов и т.д; Предлагаем поставку двигателей ЯМЗ, ММЗ, АМЗ,ТМЗ, ВТЗ, Хонда и запчастей к ним; Предлагаем поставку импортных комплектующих для дорожно-строительной техники; Предлагаем поставку восстановленной или б/у в рабочем состоянии импортной дорожно – строительной техники; Возможны различные формы оплаты, в том числе рассрочка, скидка.

1 руб.
Рыбинск
Дебаланс подвижный ДУ-84.187.056

Дебаланс подвижный ДУ-84.187.056

Проводим капитальный и частичный ремонт автогрейдеров, катков, погрузчиков, тракторов, экскаваторов. Возможно проведение ремонта по месту нахождения; Предлагаем модернизацию катков ДУ-47/48/49/58/62, а также поставка новой техники от завода-производителя; Предлагаем поставку новой, восстановленной или б/у в рабочем состоянии дорожно – строительной техники; коммунальной и снегоуборочной техники; Предлагаем поставку навесного оборудования и расходных материалов для коммунальной и дорожно-строительной техники в том числе: ножи для автогрейдеров, техпластины, диски щеточные, резцы для дорожных фрез, цепи для грунторезов и т.д; Предлагаем поставку двигателей ЯМЗ, ММЗ, АМЗ,ТМЗ, ВТЗ, Хонда и запчастей к ним; Предлагаем поставку импортных комплектующих для дорожно-строительной техники; Предлагаем поставку восстановленной или б/у в рабочем состоянии импортной дорожно – строительной техники; Возможны различные формы оплаты, в том числе рассрочка, скидка.

1 руб.
Рыбинск
Дебаланс неподвижный ДУ-84.187.058-01

Дебаланс неподвижный ДУ-84.187.058-01

Проводим капитальный и частичный ремонт автогрейдеров, катков, погрузчиков, тракторов, экскаваторов. Возможно проведение ремонта по месту нахождения; Предлагаем модернизацию катков ДУ-47/48/49/58/62, а также поставка новой техники от завода-производителя; Предлагаем поставку новой, восстановленной или б/у в рабочем состоянии дорожно – строительной техники; коммунальной и снегоуборочной техники; Предлагаем поставку навесного оборудования и расходных материалов для коммунальной и дорожно-строительной техники в том числе: ножи для автогрейдеров, техпластины, диски щеточные, резцы для дорожных фрез, цепи для грунторезов и т.д; Предлагаем поставку двигателей ЯМЗ, ММЗ, АМЗ,ТМЗ, ВТЗ, Хонда и запчастей к ним; Предлагаем поставку импортных комплектующих для дорожно-строительной техники; Предлагаем поставку восстановленной или б/у в рабочем состоянии импортной дорожно – строительной техники; Возможны различные формы оплаты, в том числе рассрочка, скидка.

Рыбинск
Гидроруль У-245.009/1000

Гидроруль У-245.009/1000

Проводим капитальный и частичный ремонт автогрейдеров, катков, погрузчиков, тракторов, экскаваторов. Возможно проведение ремонта по месту нахождения; Предлагаем модернизацию катков ДУ-47/48/49/58/62, а также поставка новой техники от завода-производителя; Предлагаем поставку новой, восстановленной или б/у в рабочем состоянии дорожно – строительной техники; коммунальной и снегоуборочной техники; Предлагаем поставку навесного оборудования и расходных материалов для коммунальной и дорожно-строительной техники в том числе: ножи для автогрейдеров, техпластины, диски щеточные, резцы для дорожных фрез, цепи для грунторезов и т.д; Предлагаем поставку двигателей ЯМЗ, ММЗ, АМЗ,ТМЗ, ВТЗ, Хонда и запчастей к ним; Предлагаем поставку импортных комплектующих для дорожно-строительной техники; Предлагаем поставку восстановленной или б/у в рабочем состоянии импортной дорожно – строительной техники; Возможны различные формы оплаты, в том числе рассрочка, скидка.

Рыбинск
Гидроруль НДМ-125 ДУ-47А.49-110

Гидроруль НДМ-125 ДУ-47А.49-110

Амортизатор Д-728-05-50Втулка ДУ-47А-03-29Крышка Д-552-04-41Вибровал (мех.) ДУ-47Б-43.30 (ДУ-47А-03-700)Вибровал (гидр.) ДУ-47Б-43.30-01Шестерня бортовая ДУ 47Б-43.200 (ДУ-47А-03-23)Втулка ДУ-47А-03-31Крышка ДУ-47А-03-116Ступица левая ДУ-47Б-43-300 (ДУ-47А-03-164)Ступица правая ДУ-47Б-43-310 (ДУ-47А-03-163)Шкив ДУ-47А-03-248Шпонка ДМ-03.00.001-11 / 16Втулка зубчатая ДУ-52.03.01.177Втулка зубчатая ДУ-52.03.01.156Втулка зубчатая ДУ-47Б.43.513Гидронасос (г. Кировоград) НП-90-00-00Гидронасос НШ-32-10Гидронасос НШ-32 ук-3Гидронасос НШ-10Гидромотор г.(. Кировоград) МП-90-00-000Гидромотор 210.12.01.03Гидроруль Д-250Гидроклапан У-462.815.1Радиатор масляный 245.10.13.1000Кран 3-х ходовыйФильтр ФВ-10Фильтрэлемент ПЗМИФильтрэлемент ССА 301Форсунка для орошения вальцевСиденье У-7920-01БДвигатель Д-144.08-09-10Амортизатор ДУ-47А-03-106Кронштейн левый ДУ-93.233.0Кронштейн правый ДУ-93.233.01 (ДУ-48А-04-65)Муфта упругая ДУ-63-1.124.210Корпус ДУ-98-1.124.580Жесткий диск ДУ-47Б-44.160/01Диск сцепления Т-29-1601110-БВал-шестерня ДУ-47Б-44-01Шестерня ДУ-47Б-44-02Блок-шестерня ДУ-47А-04-09Крышка ДУ-47А-04-14Редуктор бортовой ДУ-93.104.200 (ДУ-47А-03-10)Корпус ДУ-93.104.230 (ДУ-47А-03-01) и другие запчасти для Катков ДУ

Рыбинск
Гидромотор - 310.2.56.00, 3.56.00, 4.56.00

Гидромотор - 310.2.56.00, 3.56.00, 4.56.00

Проводим капитальный и частичный ремонт автогрейдеров, катков, погрузчиков, тракторов, экскаваторов. Возможно проведение ремонта по месту нахождения; Предлагаем модернизацию катков ДУ-47/48/49/58/62, а также поставка новой техники от завода-производителя; Предлагаем поставку новой, восстановленной или б/у в рабочем состоянии дорожно – строительной техники; коммунальной и снегоуборочной техники; Предлагаем поставку навесного оборудования и расходных материалов для коммунальной и дорожно-строительной техники в том числе: ножи для автогрейдеров, техпластины, диски щеточные, резцы для дорожных фрез, цепи для грунторезов и т.д; Предлагаем поставку двигателей ЯМЗ, ММЗ, АМЗ,ТМЗ, ВТЗ, Хонда и запчастей к ним; Предлагаем поставку импортных комплектующих для дорожно-строительной техники; Предлагаем поставку восстановленной или б/у в рабочем состоянии импортной дорожно – строительной техники; Возможны различные формы оплаты, в том числе рассрочка, скидка.

Рыбинск
Гидромотор (г. Кировоград) МП-90-00-000

Гидромотор (г. Кировоград) МП-90-00-000

Проводим капитальный и частичный ремонт автогрейдеров, катков, погрузчиков, тракторов, экскаваторов. Возможно проведение ремонта по месту нахождения; Предлагаем модернизацию катков ДУ-47/48/49/58/62, а также поставка новой техники от завода-производителя; Предлагаем поставку новой, восстановленной или б/у в рабочем состоянии дорожно – строительной техники; коммунальной и снегоуборочной техники; Предлагаем поставку навесного оборудования и расходных материалов для коммунальной и дорожно-строительной техники в том числе: ножи для автогрейдеров, техпластины, диски щеточные, резцы для дорожных фрез, цепи для грунторезов и т.д; Предлагаем поставку двигателей ЯМЗ, ММЗ, АМЗ,ТМЗ, ВТЗ, Хонда и запчастей к ним; Предлагаем поставку импортных комплектующих для дорожно-строительной техники; Предлагаем поставку восстановленной или б/у в рабочем состоянии импортной дорожно – строительной техники; Возможны различные формы оплаты, в том числе рассрочка, скидка.

Рыбинск
Водило ДМ 30.00.50

Водило ДМ 30.00.50

Проводим капитальный и частичный ремонт автогрейдеров, катков, погрузчиков, тракторов, экскаваторов. Возможно проведение ремонта по месту нахождения; Предлагаем модернизацию катков ДУ-47/48/49/58/62, а также поставка новой техники от завода-производителя; Предлагаем поставку новой, восстановленной или б/у в рабочем состоянии дорожно – строительной техники; коммунальной и снегоуборочной техники; Предлагаем поставку навесного оборудования и расходных материалов для коммунальной и дорожно-строительной техники в том числе: ножи для автогрейдеров, техпластины, диски щеточные, резцы для дорожных фрез, цепи для грунторезов и т.д; Предлагаем поставку двигателей ЯМЗ, ММЗ, АМЗ,ТМЗ, ВТЗ, Хонда и запчастей к ним; Предлагаем поставку импортных комплектующих для дорожно-строительной техники; Предлагаем поставку восстановленной или б/у в рабочем состоянии импортной дорожно – строительной техники; Возможны различные формы оплаты, в том числе рассрочка, скидка.

Рыбинск
Втулка бронзовая 557.04.01.021

Втулка бронзовая 557.04.01.021

Наша Компания «Специализированный Технический Центр» предлагает поставку запчастей и комплектующих для автогрейдеров, дорожных катков, погрузчиков, тракторов (МТЗ, Т-130,150,170, ДТ-75, ВТЗ, Кировец) экскаваторов, асфальтоукладчиков, бульдозеров, коммунальной техники. На нашем складе всегда в наличии большой ассортимент запчастей. Весь товар поставляется в срок, по оптимальной цене и при высоком качестве продукции. Доставка товара осуществляется по договоренности сторон. Маслоотражатель ДЗ-122А.04.05.055 Мост передний ДЗ-122А.03.00.000 Мост передний ДЗ-122Б.03.00.000 Накладка 2 отверствия ДЗ-122Б.02.00.001 Накладка 3 отверствия ДЗ-122Б.02.00.002 Накладка 557-1.04.08.052 Накладка 624А.06.30.025 Наконечник (руль) (1) ДЗ-122Б.03.09.100-01 Наконечник (руль) (3) ДЗ-122Б.03.09.100 Нож (боковой) Левый ДЗ-122А.02.09.002-01 Нож (боковой) Правый ДЗ-122А.02.09.004-01 Нож на бульдозер ДЗ-122Б.30.01.001-03 Нож основной 557-1.02.01.026 Нож основной ДЗ-122А.02.10.002 Ожерелье ДЗ-122А Ось (передний мост) ДЗ-122А.03.00.001 Ось (передний мост) ДЗ-122А.03.00.005 Ось крепления штанги ДЗ-122А.03.00.002 Ось тележки ДЗ-122.04.06.001 Отвал ДЗ-122.02.09.020 Отвал с ножами ДЗ-122.02.09.000 Палец ДЗ-122.03.00.019 Палец оси 557-1.03.00.003 Палец шаровый ДЗ-122А.03.04.104 Переходник ДЗ-122.08.60.002 Подшипник 144.24-26 Подшипник внутренний 557.04.01.022 Подшипник наружний 557.04.01.021 Подшипник СТП22062-7.01 Полуось ДЗ-122.04.06.002 Прокладка 2 отверствия 144А.05-035 Прокладка 3 отверствия 144А.05-072 Прокладка 557.04.01.016-01 Пружина 557-1.04.08.003 Пружина 557-1.04.08.008 Пружина 557-1.04.08.009 Пружина 557-1.04.08.045 Пружина 624А.06.03.008 Пружина 624А.06.03.009 Рабочее оборудование ДЗ-122Б.02.00.000 Раздатка привода тормоза ДЗ-122А.07.03.000 Рама бульдозера ДЗ-122А.30.02.000 Рама тяговая ДЗ-122Б.02.05.000 Редуктор ДЗ-122А.04.05.000 Редуктор ДЗ-122Б.02.06.000 Редуктор поворота отвала без г/м ДЗ-122.08.60.020 Редуктор поворота отвала ДЗ-122.08.60.000 Редуктор поворотного отвала без гидромотора ДЗ-122Б.02.06.020 Руль гидравлический ДЗ-122А.88.03.000 Сектор внутренний 557-1.04.01.001 Сектор наружный 557-1.04.01.002 Стакан 557-1.04.02.059 Стакан полуоси ДЗ-122.04.06.005 Ступица (М. П.) ДЗ-122А.04.05.011 Ступица (передняя) ДЗ-122А.03.03.000 Ступица (передняя) ДЗ-122А.03.03.000-01 Ступица задняя 557-1.04.00.061 Ступица задняя в сборе (левая) 557-1.04.00.070 Ступица задняя в сборе (правая) 557-1.04.00.060 Ступица передняя 144А.75-01 Сухарь ДЗ-122Б.03.09.107 Сухарь ДЗ-122Б.03.09.108 Тележка задняя ДЗ-122А.04.00.000 Тормоз в сборе безц ДЗ-122.04.09.000 Тормоз ручной 31-2.04.07.010 Тормозок 557-1.26.00.000 Трубопровод комплект ДЗ-122А.07.01.050-50-03 Тяга в сборе ДЗ-122Б.03.09.000 Тяга ДЗ-122А.03.04.001 Фланец 557-1.04.01.078 Фланец 557-1.26.00.021 Фланец ДЗ-122А.04.05.040 Фланец со шкивом 557-1.26.00.030 Цилиндр главный тормозной 557-1.07.01.020 Цилиндр рабочий тормозной 557-1.04.08.070 Цилиндр фиксатора Червяк ДЗ-122.08.60.001 Чулок в сборе ДЗ-122.04.05.016 Чулок ДЗ-122.04.05.010 Шарнир ДЗ-122.08.09.000 Шарнир ДЗ-122А.08.30.000 Шатун (передний мост) ДЗ-122А.03.02.000 Шатун (передний мост) ДЗ-122А.03.02.000-01 Шестерня z12 самовар 557-1.04.01.076 Шестерня z15 ДЗ-122БА1.04.05.001 Шестерня z17 31-2.04.08.001 Шестерня z5 ДЗ-122.08.60.034 Шестерня ведомая z32 ДЗ-122А.04.05.010 Шестерня ведомая z40 ДЗ-122.04.05.013 Шестерня ведомая z42 ДЗ-122А1.04.05.002 Шестерня ведущая z12 ДЗ-122А.04.05.050 Шестерня колесная z40 557-1.04.02.057 Шестерня паразит. 557.04.02.002 Шестерняя ведущая z26 ДЗ-122.04.06.003 Шкворень (булава) ДЗ-122.02.00.006 Шкворень (колесный) ДЗ-122А.03.00.002 Шланг тормозной гибкий Шпилька колеса СТП22062-32.01 Штифт клиновой ДЗ-122А.03.03.001 и многие другие запчастиПроизводитель: Россия Материал: Бронза

Рыбинск
Ступица колеса задняя 557-1.04.00.061

Ступица колеса задняя 557-1.04.00.061

Наша Компания «Специализированный Технический Центр» предлагает поставку запчастей и комплектующих для автогрейдеров, дорожных катков, погрузчиков, тракторов (МТЗ, Т-130,150,170, ДТ-75, ВТЗ, Кировец) экскаваторов, асфальтоукладчиков, бульдозеров, коммунальной техники. На нашем складе всегда в наличии большой ассортимент запчастей. Весь товар поставляется в срок, по оптимальной цене и при высоком качестве продукции. Доставка товара осуществляется по договоренности сторон. Маслоотражатель ДЗ-122А.04.05.055 Мост передний ДЗ-122А.03.00.000 Мост передний ДЗ-122Б.03.00.000 Накладка 2 отверствия ДЗ-122Б.02.00.001 Накладка 3 отверствия ДЗ-122Б.02.00.002 Накладка 557-1.04.08.052 Накладка 624А.06.30.025 Наконечник (руль) (1) ДЗ-122Б.03.09.100-01 Наконечник (руль) (3) ДЗ-122Б.03.09.100 Нож (боковой) Левый ДЗ-122А.02.09.002-01 Нож (боковой) Правый ДЗ-122А.02.09.004-01 Нож на бульдозер ДЗ-122Б.30.01.001-03 Нож основной 557-1.02.01.026 Нож основной ДЗ-122А.02.10.002 Ожерелье ДЗ-122А Ось (передний мост) ДЗ-122А.03.00.001 Ось (передний мост) ДЗ-122А.03.00.005 Ось крепления штанги ДЗ-122А.03.00.002 Ось тележки ДЗ-122.04.06.001 Отвал ДЗ-122.02.09.020 Отвал с ножами ДЗ-122.02.09.000 Палец ДЗ-122.03.00.019 Палец оси 557-1.03.00.003 Палец шаровый ДЗ-122А.03.04.104 Переходник ДЗ-122.08.60.002 Подшипник 144.24-26 Подшипник внутренний 557.04.01.022 Подшипник наружний 557.04.01.021 Подшипник СТП22062-7.01 Полуось ДЗ-122.04.06.002 Прокладка 2 отверствия 144А.05-035 Прокладка 3 отверствия 144А.05-072 Прокладка 557.04.01.016-01 Пружина 557-1.04.08.003 Пружина 557-1.04.08.008 Пружина 557-1.04.08.009 Пружина 557-1.04.08.045 Пружина 624А.06.03.008 Пружина 624А.06.03.009 Рабочее оборудование ДЗ-122Б.02.00.000 Раздатка привода тормоза ДЗ-122А.07.03.000 Рама бульдозера ДЗ-122А.30.02.000 Рама тяговая ДЗ-122Б.02.05.000 Редуктор ДЗ-122А.04.05.000 Редуктор ДЗ-122Б.02.06.000 Редуктор поворота отвала без г/м ДЗ-122.08.60.020 Редуктор поворота отвала ДЗ-122.08.60.000 Редуктор поворотного отвала без гидромотора ДЗ-122Б.02.06.020 Руль гидравлический ДЗ-122А.88.03.000 Сектор внутренний 557-1.04.01.001 Сектор наружный 557-1.04.01.002 Стакан 557-1.04.02.059 Стакан полуоси ДЗ-122.04.06.005 Ступица (М. П.) ДЗ-122А.04.05.011 Ступица (передняя) ДЗ-122А.03.03.000 Ступица (передняя) ДЗ-122А.03.03.000-01 Ступица задняя 557-1.04.00.061 Ступица задняя в сборе (левая) 557-1.04.00.070 Ступица задняя в сборе (правая) 557-1.04.00.060 Ступица передняя 144А.75-01 Сухарь ДЗ-122Б.03.09.107 Сухарь ДЗ-122Б.03.09.108 Тележка задняя ДЗ-122А.04.00.000 Тормоз в сборе безц ДЗ-122.04.09.000 Тормоз ручной 31-2.04.07.010 Тормозок 557-1.26.00.000 Трубопровод комплект ДЗ-122А.07.01.050-50-03 Тяга в сборе ДЗ-122Б.03.09.000 Тяга ДЗ-122А.03.04.001 Фланец 557-1.04.01.078 Фланец 557-1.26.00.021 Фланец ДЗ-122А.04.05.040 Фланец со шкивом 557-1.26.00.030 Цилиндр главный тормозной 557-1.07.01.020 Цилиндр рабочий тормозной 557-1.04.08.070 Цилиндр фиксатора Червяк ДЗ-122.08.60.001 Чулок в сборе ДЗ-122.04.05.016 Чулок ДЗ-122.04.05.010 Шарнир ДЗ-122.08.09.000 Шарнир ДЗ-122А.08.30.000 Шатун (передний мост) ДЗ-122А.03.02.000 Шатун (передний мост) ДЗ-122А.03.02.000-01 Шестерня z12 самовар 557-1.04.01.076 Шестерня z15 ДЗ-122БА1.04.05.001 Шестерня z17 31-2.04.08.001 Шестерня z5 ДЗ-122.08.60.034 Шестерня ведомая z32 ДЗ-122А.04.05.010 Шестерня ведомая z40 ДЗ-122.04.05.013 Шестерня ведомая z42 ДЗ-122А1.04.05.002 Шестерня ведущая z12 ДЗ-122А.04.05.050 Шестерня колесная z40 557-1.04.02.057 Шестерня паразит. 557.04.02.002 Шестерняя ведущая z26 ДЗ-122.04.06.003 Шкворень (булава) ДЗ-122.02.00.006 Шкворень (колесный) ДЗ-122А.03.00.002 Шланг тормозной гибкий Шпилька колеса СТП22062-32.01 Штифт клиновой ДЗ-122А.03.03.001 и многие другие запчастиПроизводитель: Ф.Б.Р.Ж Расположение: Задние

Рыбинск
Гидроцилиндр изменения угла резания 225.07.16.00.000

Гидроцилиндр изменения угла резания 225.07.16.00.000

Наша Компания «Специализированный Технический Центр» предлагает поставку запчастей и комплектующих для автогрейдеров, дорожных катков, погрузчиков, тракторов (МТЗ, Т-130,150,170, ДТ-75, ВТЗ, Кировец) экскаваторов, асфальтоукладчиков, бульдозеров, коммунальной техники. На нашем складе всегда в наличии большой ассортимент запчастей. Весь товар поставляется в срок, по оптимальной цене и при высоком качестве продукции. Доставка товара осуществляется по договоренности сторон. Маслоотражатель ДЗ-122А.04.05.055 Мост передний ДЗ-122А.03.00.000 Мост передний ДЗ-122Б.03.00.000 Накладка 2 отверствия ДЗ-122Б.02.00.001 Накладка 3 отверствия ДЗ-122Б.02.00.002 Накладка 557-1.04.08.052 Накладка 624А.06.30.025 Наконечник (руль) (1) ДЗ-122Б.03.09.100-01 Наконечник (руль) (3) ДЗ-122Б.03.09.100 Нож (боковой) Левый ДЗ-122А.02.09.002-01 Нож (боковой) Правый ДЗ-122А.02.09.004-01 Нож на бульдозер ДЗ-122Б.30.01.001-03 Нож основной 557-1.02.01.026 Нож основной ДЗ-122А.02.10.002 Ожерелье ДЗ-122А Ось (передний мост) ДЗ-122А.03.00.001 Ось (передний мост) ДЗ-122А.03.00.005 Ось крепления штанги ДЗ-122А.03.00.002 Ось тележки ДЗ-122.04.06.001 Отвал ДЗ-122.02.09.020 Отвал с ножами ДЗ-122.02.09.000 Палец ДЗ-122.03.00.019 Палец оси 557-1.03.00.003 Палец шаровый ДЗ-122А.03.04.104 Переходник ДЗ-122.08.60.002 Подшипник 144.24-26 Подшипник внутренний 557.04.01.022 Подшипник наружний 557.04.01.021 Подшипник СТП22062-7.01 Полуось ДЗ-122.04.06.002 Прокладка 2 отверствия 144А.05-035 Прокладка 3 отверствия 144А.05-072 Прокладка 557.04.01.016-01 Пружина 557-1.04.08.003 Пружина 557-1.04.08.008 Пружина 557-1.04.08.009 Пружина 557-1.04.08.045 Пружина 624А.06.03.008 Пружина 624А.06.03.009 Рабочее оборудование ДЗ-122Б.02.00.000 Раздатка привода тормоза ДЗ-122А.07.03.000 Рама бульдозера ДЗ-122А.30.02.000 Рама тяговая ДЗ-122Б.02.05.000 Редуктор ДЗ-122А.04.05.000 Редуктор ДЗ-122Б.02.06.000 Редуктор поворота отвала без г/м ДЗ-122.08.60.020 Редуктор поворота отвала ДЗ-122.08.60.000 Редуктор поворотного отвала без гидромотора ДЗ-122Б.02.06.020 Руль гидравлический ДЗ-122А.88.03.000 Сектор внутренний 557-1.04.01.001 Сектор наружный 557-1.04.01.002 Стакан 557-1.04.02.059 Стакан полуоси ДЗ-122.04.06.005 Ступица (М. П.) ДЗ-122А.04.05.011 Ступица (передняя) ДЗ-122А.03.03.000 Ступица (передняя) ДЗ-122А.03.03.000-01 Ступица задняя 557-1.04.00.061 Ступица задняя в сборе (левая) 557-1.04.00.070 Ступица задняя в сборе (правая) 557-1.04.00.060 Ступица передняя 144А.75-01 Сухарь ДЗ-122Б.03.09.107 Сухарь ДЗ-122Б.03.09.108 Тележка задняя ДЗ-122А.04.00.000 Тормоз в сборе безц ДЗ-122.04.09.000 Тормоз ручной 31-2.04.07.010 Тормозок 557-1.26.00.000 Трубопровод комплект ДЗ-122А.07.01.050-50-03 Тяга в сборе ДЗ-122Б.03.09.000 Тяга ДЗ-122А.03.04.001 Фланец 557-1.04.01.078 Фланец 557-1.26.00.021 Фланец ДЗ-122А.04.05.040 Фланец со шкивом 557-1.26.00.030 Цилиндр главный тормозной 557-1.07.01.020 Цилиндр рабочий тормозной 557-1.04.08.070 Цилиндр фиксатора Червяк ДЗ-122.08.60.001 Чулок в сборе ДЗ-122.04.05.016 Чулок ДЗ-122.04.05.010 Шарнир ДЗ-122.08.09.000 Шарнир ДЗ-122А.08.30.000 Шатун (передний мост) ДЗ-122А.03.02.000 Шатун (передний мост) ДЗ-122А.03.02.000-01 Шестерня z12 самовар 557-1.04.01.076 Шестерня z15 ДЗ-122БА1.04.05.001 Шестерня z17 31-2.04.08.001 Шестерня z5 ДЗ-122.08.60.034 Шестерня ведомая z32 ДЗ-122А.04.05.010 Шестерня ведомая z40 ДЗ-122.04.05.013 Шестерня ведомая z42 ДЗ-122А1.04.05.002 Шестерня ведущая z12 ДЗ-122А.04.05.050 Шестерня колесная z40 557-1.04.02.057 Шестерня паразит. 557.04.02.002 Шестерняя ведущая z26 ДЗ-122.04.06.003 Шкворень (булава) ДЗ-122.02.00.006 Шкворень (колесный) ДЗ-122А.03.00.002 Шланг тормозной гибкий Шпилька колеса СТП22062-32.01 Штифт клиновой ДЗ-122А.03.03.001 и многие другие запчастиПроизводитель: Россия

Рыбинск
Корпус ДУ-93.104.230 (ДУ-47А-03-01)

Корпус ДУ-93.104.230 (ДУ-47А-03-01)

Предлагаем поставку запчастей и комплектующих для автогрейдеров, дорожных катков ду-47, ду-48, ду-49, ду-50, ду-54, ду-63, ду-64, ду-65, ду-73, ду-74, ду-82, ду-84, ду-85, ду-93, ду-94, ду-96, ду-97, ду-98, ду-99, ду-100, ду-101, ДУ-106, ду-107, ду-111, погрузчиков, тракторов (МТЗ, Т-130,150,170, ДТ-75, ВТЗ, Кировец) экскаваторов, асфальтоукладчиков, бульдозеров, коммунальной техники. Гидромотор - 310.2.56.00, 3.56.00, 4.56.00 Гидронасос («Гидросила» г. Кировоград) НП-90-00-00 Автошина (гладкая) 11.00.20 Стекло Триплекс Сиденье У-7920-01Б Редуктор раздаточный ДУ- 84-122.900 Корпус ДУ-84-122.910-01 Полумуфта ДУ-84.122.253 Шестерня ДУ-84.122.236 Кольцо ДУ-84.122.239 Шестерня ДУ-84.122.237 Шестерня ДУ-84.122.930 Вал ДУ-84.122.249 Ось ДУ-84.122.234 Болт ДМ 55.01.016 Шпонка ДМ 03.00.001-12 Пробка К1/2 ДМ 56.12.009 Кольцо Д 262-0107-6 Крышка ДУ-63.125.037 Крышка ДУ-58А.01.21 520-02 Втулка зубчатая ДУ-52.03.01.177 Шпонка ДМ 03.00.001-08 Втулка зубчатая ДУ-52.03.01.156 Корпус ДУ-96.263.040 Вал ДУ-96.263.050-01 Ступица ДУ-84.187.190 Крышка ДУ-98.283.082 Опора ДУ-98.283.170 Втулка зубчатая ДУ-63.103.351 Болт ДУ-73.183.002 Редуктор планет. ДМ 31.01.000-11 Ступица ДУ-64.141.015 Пробка К ¾ ДМ 19.01.001-02/03 Полукорпус ДМ 31.01.020 Шайба ДМ 30.00.042 Кольцо ДМ 31.01.023 Скалка ДМ 31.01.047 Вал-шестерня ДМ 31.01.004 Эпицикл ДМ 31.01.046 Муфта центральная ДМ 30.00.007 и другие Проводим капитальный и частичный ремонт автогрейдеров, катков, погрузчиков, тракторов, экскаваторов. Возможно проведение ремонта по месту нахождения; Предлагаем модернизацию катков ДУ-47/48/49/58/62, а также поставка новой техники от завода-производителя; Предлагаем поставку новой, восстановленной или б/у в рабочем состоянии дорожно – строительной техники; коммунальной и снегоуборочной техники; Предлагаем поставку навесного оборудования и расходных материалов для коммунальной и дорожно-строительной техники в том числе: ножи для автогрейдеров, техпластины, диски щеточные, резцы для дорожных фрез, цепи для грунторезов и т.д; Предлагаем поставку двигателей ЯМЗ, ММЗ, АМЗ,ТМЗ, ВТЗ, Хонда и запчастей к ним; Предлагаем поставку импортных комплектующих для дорожно-строительной техники; Предлагаем поставку восстановленной или б/у в рабочем состоянии импортной дорожно – строительной техники; Возможны различные формы оплаты, в том числе рассрочка, скидка.

Рыбинск
Отвал коммунальный для МТЗ

Отвал коммунальный для МТЗ

Отвал коммунальный предназначен для уборки проезжей части улиц, дорог, тротуаров, площадей и производственных территорий от песка, мусора, свежевыпавшего снега. Технические характеристики: Скорость движения рабочая, не более, км/ч 10 Скорость движения транспортная, не более, км/ч 35 ширина Лопаты 2400 высота Лопаты 680 Привод поворота Лопаты: механический (вручную) Тип оборудования: навесное Масса эксплуатационная, кг, не более: 230 кг.Производитель: Россия Состояние: Новое

Рыбинск
Звездочка Д-155А.00.026

Звездочка Д-155А.00.026

Предлагаем к поставке запчасти для катков тротуарных ДУ-54: КПП ДУ- 54.01.000 Рычаг Д455А.01.130 Рычаг Д455Б.01.040 Вал Д455А.01.032 Шкив Д955Б.01.001 Полумуфта Д455Б.01.013 Диск упорный Д455А.01.135 Вал Д455Б.01.051 Полумуфта Д455Б.01.015 Шестерня Д455Б.01.052 Вилка Д455А.01.029 Сухарь Д455А.01.031 Диск нажимной Д455А.01.084 Диск металлокерамический наружный Д455А.01.110 Диск внутренний Д455А.01.088 Втулка Д455А.01.134 Обойма Д455А.01.165 Ступица Д455А.01.164 Шестерня Д455Б.01.004 Шестерня Д455А.01.098 Вал Д455А.01.061 Ступица Д455А.01.169 Шестерня Д455А.01.099 Блок-шестерня Д455А.01.014 Вал Д455А.01.009 Шестерня Д684.02.007 Шестерня Д455А.01.037 Вал Д455А.01.005 Шестерня Д455.01.011 Вал реверса в сборе ДУ-54.01.130 Звездочка Д455Б.01.006 Амортизатор Д-728.05.50 Амортизатор ДУ 54А.02.095 Амортизатор ДУ-58.01.00.010 Ступица левая Д-455А.02.050 Ступица правая Д-455А.02.020 Венец зубчатый Д-455А.02.002 Вал-шестерня Д-455А.02.137 Шкив Д-455А.02.018 Цепь ПР-25 Звено переходное Пр-25 Замок Пр-25,4 Звездочка Д-155А.00.026 Колесо червячное Д-455А.04.003 Червяк Д-455А.04.006 Муфта присоединительная в сборе и другие.Производитель: Россия

Рыбинск
Муфта ДМ.30.00.007

Муфта ДМ.30.00.007

Гидромотор - 310.2.56.00, 3.56.00, 4.56.00 Гидронасос - НШ-32 ук-3 Гидронасос - НШ-10 Гидронасос («Гидросила»)НП-90-00-00 Гидроруль У-245.009/1000 Гидроцилиндр поворота 80х40х400 Гидрораспределитель ГР 231.12 УХЛ2 (124) Фильтр ФВ-10 Фильтрэлемент ПЗМИ Фильтрэлемент ССА 301 Автошина (гладкая) 11.00.20 Автошина (с протектором) 14.00-20 Стекло Триплекс Сиденье У-7920-01Б Амортизатор ДУ-58.01.00.010 Форсунки для орошения вальцев Клапанная коробка МП-90-02.000 Радиатор (в сборе) МО4У-13.003-2 Радиатор водяной МО4У-13.003-2 Радиатор масляный 68-У-08-000 Редуктор раздаточный ДУ- 84-122.900 Корпус ДУ-84-122.910 Полумуфта ДУ-84.122.253 Шестерня ДУ-84.122.236 Кольцо ДУ-84.122.239 Шестерня ДУ-84.122.237 Вал ДУ-84.122.249 Ось ДУ-84.122.234 Болт ДМ 55.01.016 Шпонка ДМ 03.00.001-12 Редуктор планет. ДМ 31.01.000-11 Ступица ДУ-64.141.015 Пробка К ¾ ДМ 19.01.001-02/03 Полукорпус ДМ 31.01.020 Шайба ДМ 30.00.042 Кольцо ДМ 31.01.023 Скалка ДМ 31.01.047 Вал-шестерня ДМ 31.01.004 Эпицикл ДМ 31.01.046 Муфта центральная ДМ 30.00.007 Крышка ДМ 31.01.063 Шайба ДМ 30.00.037 Гайка ДМ 30.00.094 Вал-шестерня ДМ 30.00.074 Поршень ДМ 30.00.023 и другие запчасти на катки ДУ-84 и ДУ-85

Рыбинск
МП-90-02.000 клапанная коробка

МП-90-02.000 клапанная коробка

Гидромотор - 310.2.56.00, 3.56.00, 4.56.00 Гидронасос - НШ-32 ук-3 Гидронасос - НШ-10 Гидронасос («Гидросила»)НП-90-00-00 Гидроруль У-245.009/1000 Гидроцилиндр поворота 80х40х400 Гидрораспределитель ГР 231.12 УХЛ2 (124) Фильтр ФВ-10 Фильтрэлемент ПЗМИ Фильтрэлемент ССА 301 Автошина (гладкая) 11.00.20 Автошина (с протектором) 14.00-20 Стекло Триплекс Сиденье У-7920-01Б Амортизатор ДУ-58.01.00.010 Форсунки для орошения вальцев Клапанная коробка МП-90-02.000 Радиатор (в сборе) МО4У-13.003-2 Радиатор водяной МО4У-13.003-2 Радиатор масляный 68-У-08-000 Редуктор раздаточный ДУ- 84-122.900 Корпус ДУ-84-122.910 Полумуфта ДУ-84.122.253 Шестерня ДУ-84.122.236 Кольцо ДУ-84.122.239 Шестерня ДУ-84.122.237 Вал ДУ-84.122.249 Ось ДУ-84.122.234 Болт ДМ 55.01.016 Шпонка ДМ 03.00.001-12 Редуктор планет. ДМ 31.01.000-11 Ступица ДУ-64.141.015 Пробка К ¾ ДМ 19.01.001-02/03 Полукорпус ДМ 31.01.020 Шайба ДМ 30.00.042 Кольцо ДМ 31.01.023 Скалка ДМ 31.01.047 Вал-шестерня ДМ 31.01.004 Эпицикл ДМ 31.01.046 Муфта центральная ДМ 30.00.007 Крышка ДМ 31.01.063 Шайба ДМ 30.00.037 Гайка ДМ 30.00.094 Вал-шестерня ДМ 30.00.074 Поршень ДМ 30.00.023 и другие запчасти на катки ДУ-84 и ДУ-85

33 500 руб.
Рыбинск
ДМ 31.01.063 крышка

ДМ 31.01.063 крышка

Гидромотор - 310.2.56.00, 3.56.00, 4.56.00 Гидронасос - НШ-32 ук-3 Гидронасос - НШ-10 Гидронасос («Гидросила»)НП-90-00-00 Гидроруль У-245.009/1000 Гидроцилиндр поворота 80х40х400 Гидрораспределитель ГР 231.12 УХЛ2 (124) Фильтр ФВ-10 Фильтрэлемент ПЗМИ Фильтрэлемент ССА 301 Автошина (гладкая) 11.00.20 Автошина (с протектором) 14.00-20 Стекло Триплекс Сиденье У-7920-01Б Амортизатор ДУ-58.01.00.010 Форсунки для орошения вальцев Клапанная коробка МП-90-02.000 Радиатор (в сборе) МО4У-13.003-2 Радиатор водяной МО4У-13.003-2 Радиатор масляный 68-У-08-000 Редуктор раздаточный ДУ- 84-122.900 Корпус ДУ-84-122.910 Полумуфта ДУ-84.122.253 Шестерня ДУ-84.122.236 Кольцо ДУ-84.122.239 Шестерня ДУ-84.122.237 Вал ДУ-84.122.249 Ось ДУ-84.122.234 Болт ДМ 55.01.016 Шпонка ДМ 03.00.001-12 Редуктор планет. ДМ 31.01.000-11 Ступица ДУ-64.141.015 Пробка К ¾ ДМ 19.01.001-02/03 Полукорпус ДМ 31.01.020 Шайба ДМ 30.00.042 Кольцо ДМ 31.01.023 Скалка ДМ 31.01.047 Вал-шестерня ДМ 31.01.004 Эпицикл ДМ 31.01.046 Муфта центральная ДМ 30.00.007 Крышка ДМ 31.01.063 Шайба ДМ 30.00.037 Гайка ДМ 30.00.094 Вал-шестерня ДМ 30.00.074 Поршень ДМ 30.00.023 и другие запчасти на катки ДУ-84 и ДУ-85

Рыбинск
Шестерня ДУ-63.125.018

Шестерня ДУ-63.125.018

Гидромотор - 310.2.56.00, 3.56.00, 4.56.00 Гидронасос - НШ-32 ук-3 Гидронасос - НШ-10 Гидронасос («Гидросила»)НП-90-00-00 Гидроруль У-245.009/1000 Гидроцилиндр поворота 80х40х400 Гидрораспределитель ГР 231.12 УХЛ2 (124) Фильтр ФВ-10 Фильтрэлемент ПЗМИ Фильтрэлемент ССА 301 Автошина (гладкая) 11.00.20 Автошина (с протектором) 14.00-20 Стекло Триплекс Сиденье У-7920-01Б Амортизатор ДУ-58.01.00.010 Форсунки для орошения вальцев Клапанная коробка МП-90-02.000 Радиатор (в сборе) МО4У-13.003-2 Радиатор водяной МО4У-13.003-2 Радиатор масляный 68-У-08-000 Редуктор раздаточный ДУ- 84-122.900 Корпус ДУ-84-122.910 Полумуфта ДУ-84.122.253 Шестерня ДУ-84.122.236 Кольцо ДУ-84.122.239 Шестерня ДУ-84.122.237 Вал ДУ-84.122.249 Ось ДУ-84.122.234 Болт ДМ 55.01.016 Шпонка ДМ 03.00.001-12 Редуктор планет. ДМ 31.01.000-11 Ступица ДУ-64.141.015 Пробка К ¾ ДМ 19.01.001-02/03 Полукорпус ДМ 31.01.020 Шайба ДМ 30.00.042 Кольцо ДМ 31.01.023 Скалка ДМ 31.01.047 Вал-шестерня ДМ 31.01.004 Эпицикл ДМ 31.01.046 Муфта центральная ДМ 30.00.007 Крышка ДМ 31.01.063 Шайба ДМ 30.00.037 Гайка ДМ 30.00.094 Вал-шестерня ДМ 30.00.074 Поршень ДМ 30.00.023 и другие запчасти на катки ДУ-84 и ДУ-85

Рыбинск
Шестерня ДУ-63.125.009

Шестерня ДУ-63.125.009

Гидромотор - 310.2.56.00, 3.56.00, 4.56.00 Гидронасос - НШ-32 ук-3 Гидронасос - НШ-10 Гидронасос («Гидросила»)НП-90-00-00 Гидроруль У-245.009/1000 Гидроцилиндр поворота 80х40х400 Гидрораспределитель ГР 231.12 УХЛ2 (124) Фильтр ФВ-10 Фильтрэлемент ПЗМИ Фильтрэлемент ССА 301 Автошина (гладкая) 11.00.20 Автошина (с протектором) 14.00-20 Стекло Триплекс Сиденье У-7920-01Б Амортизатор ДУ-58.01.00.010 Форсунки для орошения вальцев Клапанная коробка МП-90-02.000 Радиатор (в сборе) МО4У-13.003-2 Радиатор водяной МО4У-13.003-2 Радиатор масляный 68-У-08-000 Редуктор раздаточный ДУ- 84-122.900 Корпус ДУ-84-122.910 Полумуфта ДУ-84.122.253 Шестерня ДУ-84.122.236 Кольцо ДУ-84.122.239 Шестерня ДУ-84.122.237 Вал ДУ-84.122.249 Ось ДУ-84.122.234 Болт ДМ 55.01.016 Шпонка ДМ 03.00.001-12 Редуктор планет. ДМ 31.01.000-11 Ступица ДУ-64.141.015 Пробка К ¾ ДМ 19.01.001-02/03 Полукорпус ДМ 31.01.020 Шайба ДМ 30.00.042 Кольцо ДМ 31.01.023 Скалка ДМ 31.01.047 Вал-шестерня ДМ 31.01.004 Эпицикл ДМ 31.01.046 Муфта центральная ДМ 30.00.007 Крышка ДМ 31.01.063 Шайба ДМ 30.00.037 Гайка ДМ 30.00.094 Вал-шестерня ДМ 30.00.074 Поршень ДМ 30.00.023 и другие запчасти на катки ДУ-84 и ДУ-85

Рыбинск
ДМ 31.01.000-11 редуктор планетарный

ДМ 31.01.000-11 редуктор планетарный

Гидромотор - 310.2.56.00, 3.56.00, 4.56.00 Гидронасос - НШ-32 ук-3 Гидронасос - НШ-10 Гидронасос («Гидросила»)НП-90-00-00 Гидроруль У-245.009/1000 Гидроцилиндр поворота 80х40х400 Гидрораспределитель ГР 231.12 УХЛ2 (124) Фильтр ФВ-10 Фильтрэлемент ПЗМИ Фильтрэлемент ССА 301 Автошина (гладкая) 11.00.20 Автошина (с протектором) 14.00-20 Стекло Триплекс Сиденье У-7920-01Б Амортизатор ДУ-58.01.00.010 Форсунки для орошения вальцев Клапанная коробка МП-90-02.000 Радиатор (в сборе) МО4У-13.003-2 Радиатор водяной МО4У-13.003-2 Радиатор масляный 68-У-08-000 Редуктор раздаточный ДУ- 84-122.900 Корпус ДУ-84-122.910 Полумуфта ДУ-84.122.253 Шестерня ДУ-84.122.236 Кольцо ДУ-84.122.239 Шестерня ДУ-84.122.237 Вал ДУ-84.122.249 Ось ДУ-84.122.234 Болт ДМ 55.01.016 Шпонка ДМ 03.00.001-12 Редуктор планет. ДМ 31.01.000-11 Ступица ДУ-64.141.015 Пробка К ¾ ДМ 19.01.001-02/03 Полукорпус ДМ 31.01.020 Шайба ДМ 30.00.042 Кольцо ДМ 31.01.023 Скалка ДМ 31.01.047 Вал-шестерня ДМ 31.01.004 Эпицикл ДМ 31.01.046 Муфта центральная ДМ 30.00.007 Крышка ДМ 31.01.063 Шайба ДМ 30.00.037 Гайка ДМ 30.00.094 Вал-шестерня ДМ 30.00.074 Поршень ДМ 30.00.023 и другие запчасти на катки ДУ-84 и ДУ-85Тип: Редуктор Вид: Планетарные

188 500 руб.
Рыбинск
Шестерня ДУ-47А-03-05

Шестерня ДУ-47А-03-05

Амортизатор Д-728-05-50 Втулка ДУ-47А-03-29 Крышка Д-552-04-41 Вибровал (мех.) ДУ-47Б-43.30 (ДУ-47А-03-700) Вибровал (гидр.) ДУ-47Б-43.30-01 Шестерня бортовая ДУ 47Б-43.200 (ДУ-47А-03-23) Втулка ДУ-47А-03-31 Крышка ДУ-47А-03-116 Ступица левая ДУ-47Б-43-300 (ДУ-47А-03-164) Ступица правая ДУ-47Б-43-310 (ДУ-47А-03-163) Шкив ДУ-47А-03-248 Шпонка ДМ-03.00.001-11 / 16 Втулка зубчатая ДУ-52.03.01.177 Втулка зубчатая ДУ-52.03.01.156 Втулка зубчатая ДУ-47Б.43.513 Гидронасос (г. Кировоград) НП-90-00-00 Гидронасос НШ-32-10 Гидронасос НШ-32 ук-3 Гидронасос НШ-10 Гидромотор г.(. Кировоград) МП-90-00-000 Гидромотор 210.12.01.03 Гидроруль Д-250 Гидроклапан У-462.815.1 Радиатор масляный 245.10.13.1000 Кран 3-х ходовый Фильтр ФВ-10 Фильтрэлемент ПЗМИ Фильтрэлемент ССА 301 Форсунка для орошения вальцев Сиденье У-7920-01Б Двигатель Д-144.08-09-10 Амортизатор ДУ-47А-03-106 Кронштейн левый ДУ-93.233.0 Кронштейн правый ДУ-93.233.01 (ДУ-48А-04-65) Муфта упругая ДУ-63-1.124.210 Корпус ДУ-98-1.124.580 Жесткий диск ДУ-47Б-44.160/01 Диск сцепления Т-29-1601110-Б Вал-шестерня ДУ-47Б-44-01 Шестерня ДУ-47Б-44-02 Блок-шестерня ДУ-47А-04-09 Крышка ДУ-47А-04-14 Редуктор бортовой ДУ-93.104.200 (ДУ-47А-03-10) Корпус ДУ-93.104.230 (ДУ-47А-03-01) и другие запчасти для Катков ДУПроизводитель: Россия

Рыбинск
Паук ДУ-47Б.04-140

Паук ДУ-47Б.04-140

Амортизатор Д-728-05-50 Втулка ДУ-47А-03-29 Крышка Д-552-04-41 Вибровал (мех.) ДУ-47Б-43.30 (ДУ-47А-03-700) Вибровал (гидр.) ДУ-47Б-43.30-01 Шестерня бортовая ДУ 47Б-43.200 (ДУ-47А-03-23) Втулка ДУ-47А-03-31 Крышка ДУ-47А-03-116 Ступица левая ДУ-47Б-43-300 (ДУ-47А-03-164) Ступица правая ДУ-47Б-43-310 (ДУ-47А-03-163) Шкив ДУ-47А-03-248 Шпонка ДМ-03.00.001-11 / 16 Втулка зубчатая ДУ-52.03.01.177 Втулка зубчатая ДУ-52.03.01.156 Втулка зубчатая ДУ-47Б.43.513 Гидронасос (г. Кировоград) НП-90-00-00 Гидронасос НШ-32-10 Гидронасос НШ-32 ук-3 Гидронасос НШ-10 Гидромотор г.(. Кировоград) МП-90-00-000 Гидромотор 210.12.01.03 Гидроруль Д-250 Гидроклапан У-462.815.1 Радиатор масляный 245.10.13.1000 Кран 3-х ходовый Фильтр ФВ-10 Фильтрэлемент ПЗМИ Фильтрэлемент ССА 301 Форсунка для орошения вальцев Сиденье У-7920-01Б Двигатель Д-144.08-09-10 Амортизатор ДУ-47А-03-106 Кронштейн левый ДУ-93.233.0 Кронштейн правый ДУ-93.233.01 (ДУ-48А-04-65) Муфта упругая ДУ-63-1.124.210 Корпус ДУ-98-1.124.580 Жесткий диск ДУ-47Б-44.160/01 Диск сцепления Т-29-1601110-Б Вал-шестерня ДУ-47Б-44-01 Шестерня ДУ-47Б-44-02 Блок-шестерня ДУ-47А-04-09 Крышка ДУ-47А-04-14 Редуктор бортовой ДУ-93.104.200 (ДУ-47А-03-10) Корпус ДУ-93.104.230 (ДУ-47А-03-01) и другие запчасти для Катков ДУПроизводитель: Россия Тип: Втулка

Рыбинск
Отводка ДУ-47А.04-26

Отводка ДУ-47А.04-26

Амортизатор Д-728-05-50 Втулка ДУ-47А-03-29 Крышка Д-552-04-41 Вибровал (мех.) ДУ-47Б-43.30 (ДУ-47А-03-700) Вибровал (гидр.) ДУ-47Б-43.30-01 Шестерня бортовая ДУ 47Б-43.200 (ДУ-47А-03-23) Втулка ДУ-47А-03-31 Крышка ДУ-47А-03-116 Ступица левая ДУ-47Б-43-300 (ДУ-47А-03-164) Ступица правая ДУ-47Б-43-310 (ДУ-47А-03-163) Шкив ДУ-47А-03-248 Шпонка ДМ-03.00.001-11 / 16 Втулка зубчатая ДУ-52.03.01.177 Втулка зубчатая ДУ-52.03.01.156 Втулка зубчатая ДУ-47Б.43.513 Гидронасос (г. Кировоград) НП-90-00-00 Гидронасос НШ-32-10 Гидронасос НШ-32 ук-3 Гидронасос НШ-10 Гидромотор г.(. Кировоград) МП-90-00-000 Гидромотор 210.12.01.03 Гидроруль Д-250 Гидроклапан У-462.815.1 Радиатор масляный 245.10.13.1000 Кран 3-х ходовый Фильтр ФВ-10 Фильтрэлемент ПЗМИ Фильтрэлемент ССА 301 Форсунка для орошения вальцев Сиденье У-7920-01Б Двигатель Д-144.08-09-10 Амортизатор ДУ-47А-03-106 Кронштейн левый ДУ-93.233.0 Кронштейн правый ДУ-93.233.01 (ДУ-48А-04-65) Муфта упругая ДУ-63-1.124.210 Корпус ДУ-98-1.124.580 Жесткий диск ДУ-47Б-44.160/01 Диск сцепления Т-29-1601110-Б Вал-шестерня ДУ-47Б-44-01 Шестерня ДУ-47Б-44-02 Блок-шестерня ДУ-47А-04-09 Крышка ДУ-47А-04-14 Редуктор бортовой ДУ-93.104.200 (ДУ-47А-03-10) Корпус ДУ-93.104.230 (ДУ-47А-03-01) и другие запчасти для Катков ДУПроизводитель: Россия Тип: Втулка

Рыбинск
Реверс в сборе ДУ-93.208.120

Реверс в сборе ДУ-93.208.120

Амортизатор Д-728-05-50 Втулка ДУ-47А-03-29 Крышка Д-552-04-41 Вибровал (мех.) ДУ-47Б-43.30 (ДУ-47А-03-700) Вибровал (гидр.) ДУ-47Б-43.30-01 Шестерня бортовая ДУ 47Б-43.200 (ДУ-47А-03-23) Втулка ДУ-47А-03-31 Крышка ДУ-47А-03-116 Ступица левая ДУ-47Б-43-300 (ДУ-47А-03-164) Ступица правая ДУ-47Б-43-310 (ДУ-47А-03-163) Шкив ДУ-47А-03-248 Шпонка ДМ-03.00.001-11 / 16 Втулка зубчатая ДУ-52.03.01.177 Втулка зубчатая ДУ-52.03.01.156 Втулка зубчатая ДУ-47Б.43.513 Гидронасос (г. Кировоград) НП-90-00-00 Гидронасос НШ-32-10 Гидронасос НШ-32 ук-3 Гидронасос НШ-10 Гидромотор г.(. Кировоград) МП-90-00-000 Гидромотор 210.12.01.03 Гидроруль Д-250 Гидроклапан У-462.815.1 Радиатор масляный 245.10.13.1000 Кран 3-х ходовый Фильтр ФВ-10 Фильтрэлемент ПЗМИ Фильтрэлемент ССА 301 Форсунка для орошения вальцев Сиденье У-7920-01Б Двигатель Д-144.08-09-10 Амортизатор ДУ-47А-03-106 Кронштейн левый ДУ-93.233.0 Кронштейн правый ДУ-93.233.01 (ДУ-48А-04-65) Муфта упругая ДУ-63-1.124.210 Корпус ДУ-98-1.124.580 Жесткий диск ДУ-47Б-44.160/01 Диск сцепления Т-29-1601110-Б Вал-шестерня ДУ-47Б-44-01 Шестерня ДУ-47Б-44-02 Блок-шестерня ДУ-47А-04-09 Крышка ДУ-47А-04-14 Редуктор бортовой ДУ-93.104.200 (ДУ-47А-03-10) Корпус ДУ-93.104.230 (ДУ-47А-03-01) и другие запчасти для Катков ДУПроизводитель: Россия Тип: Втулка

Рыбинск
Гидроруль Д-250

Гидроруль Д-250

Предлагаем поставку запчастей и комплектующих для автогрейдеров, дорожных катков, погрузчиков, тракторов (МТЗ, Т-130,150,170, ДТ-75, ВТЗ, Кировец) экскаваторов, асфальтоукладчиков, бульдозеров, коммунальной техники. Гидромотор - 310.2.56.00, 3.56.00, 4.56.00 Гидронасос («Гидросила» г. Кировоград) НП-90-00-00 Автошина (гладкая) 11.00.20 Стекло Триплекс Сиденье У-7920-01Б Редуктор раздаточный ДУ- 84-122.900 Корпус ДУ-84-122.910-01 Полумуфта ДУ-84.122.253 Шестерня ДУ-84.122.236 Кольцо ДУ-84.122.239 Шестерня ДУ-84.122.237 Шестерня ДУ-84.122.930 Вал ДУ-84.122.249 Ось ДУ-84.122.234 Болт ДМ 55.01.016 Шпонка ДМ 03.00.001-12 Пробка К1/2 ДМ 56.12.009 Кольцо Д 262-0107-6 Крышка ДУ-63.125.037 Крышка ДУ-58А.01.21 520-02 Втулка зубчатая ДУ-52.03.01.177 Шпонка ДМ 03.00.001-08 Втулка зубчатая ДУ-52.03.01.156 Корпус ДУ-96.263.040 Вал ДУ-96.263.050-01 Ступица ДУ-84.187.190 Крышка ДУ-98.283.082 Опора ДУ-98.283.170 Втулка зубчатая ДУ-63.103.351 Болт ДУ-73.183.002 Редуктор планет. ДМ 31.01.000-11 Ступица ДУ-64.141.015 Пробка К ¾ ДМ 19.01.001-02/03 Полукорпус ДМ 31.01.020 Шайба ДМ 30.00.042 Кольцо ДМ 31.01.023 Скалка ДМ 31.01.047 Вал-шестерня ДМ 31.01.004 Эпицикл ДМ 31.01.046 Муфта центральная ДМ 30.00.007 Крышка ДМ 31.01.063 Шайба ДМ 30.00.037 Гайка ДМ 30.00.094 Вал-шестерня ДМ 30.00.074 Поршень ДМ 30.00.023 и другиеПроизводитель: Россия

Рыбинск
Редуктор бортовой ДУ-93.104.200 (ДУ-47А-03-10)

Редуктор бортовой ДУ-93.104.200 (ДУ-47А-03-10)

Амортизатор Д-728-05-50 Втулка ДУ-47А-03-29 Крышка Д-552-04-41 Вибровал (мех.) ДУ-47Б-43.30 (ДУ-47А-03-700) Вибровал (гидр.) ДУ-47Б-43.30-01 Шестерня бортовая ДУ 47Б-43.200 (ДУ-47А-03-23) Втулка ДУ-47А-03-31 Крышка ДУ-47А-03-116 Ступица левая ДУ-47Б-43-300 (ДУ-47А-03-164) Ступица правая ДУ-47Б-43-310 (ДУ-47А-03-163) Шкив ДУ-47А-03-248 Шпонка ДМ-03.00.001-11 / 16 Втулка зубчатая ДУ-52.03.01.177 Втулка зубчатая ДУ-52.03.01.156 Втулка зубчатая ДУ-47Б.43.513 Гидронасос (г. Кировоград) НП-90-00-00 Гидронасос НШ-32-10 Гидронасос НШ-32 ук-3 Гидронасос НШ-10 Гидромотор г.(. Кировоград) МП-90-00-000 Гидромотор 210.12.01.03 Гидроруль Д-250 Гидроклапан У-462.815.1 Радиатор масляный 245.10.13.1000 Кран 3-х ходовый Фильтр ФВ-10 Фильтрэлемент ПЗМИ Фильтрэлемент ССА 301 Форсунка для орошения вальцев Сиденье У-7920-01Б Двигатель Д-144.08-09-10 Амортизатор ДУ-47А-03-106 Кронштейн левый ДУ-93.233.0 Кронштейн правый ДУ-93.233.01 (ДУ-48А-04-65) Муфта упругая ДУ-63-1.124.210 Корпус ДУ-98-1.124.580 Жесткий диск ДУ-47Б-44.160/01 Диск сцепления Т-29-1601110-Б Вал-шестерня ДУ-47Б-44-01 Шестерня ДУ-47Б-44-02 Блок-шестерня ДУ-47А-04-09 Крышка ДУ-47А-04-14 Редуктор бортовой ДУ-93.104.200 (ДУ-47А-03-10) Корпус ДУ-93.104.230 (ДУ-47А-03-01) и другие запчасти для Катков ДУПроизводитель: Россия Тип: Редуктор

Рыбинск
Диск сцепления Т-29-1601110-Б

Диск сцепления Т-29-1601110-Б

Проводим капитальный и частичный ремонт автогрейдеров, катков, погрузчиков, тракторов, экскаваторов. Возможно проведение ремонта по месту нахождения; Предлагаем модернизацию катков ДУ-47/48/49/58/62, а также поставка новой техники от завода-производителя; Предлагаем поставку новой, восстановленной или б/у в рабочем состоянии дорожно – строительной техники; коммунальной и снегоуборочной техники; Предлагаем поставку навесного оборудования и расходных материалов для коммунальной и дорожно-строительной техники в том числе: ножи для автогрейдеров, техпластины, диски щеточные, резцы для дорожных фрез, цепи для грунторезов и т.д; Предлагаем поставку двигателей ЯМЗ, ММЗ, АМЗ,ТМЗ, ВТЗ, Хонда и запчастей к ним; Предлагаем поставку импортных комплектующих для дорожно-строительной техники; Предлагаем поставку восстановленной или б/у в рабочем состоянии импортной дорожно – строительной техники; Возможны различные формы оплаты, в том числе рассрочка, скидка.Производитель: Собственное производство Тип техники: Спецтехника Тип запчасти: Оригинал

Рыбинск
Ремонт топливной аппаратуры дизельных двигателей

Ремонт топливной аппаратуры дизельных двигателей

Предприятие по ремонту спец.техники проведёт профессиональный ремонт топливной аппаратуры дизельных двигателей. Ремонтные процессы обеспечены необходимым оборудованием, специализированным инструментом, запасными частями и расходными материалами. Капитальный ремонт ТНВД подразумевает процесс полного восстановления всех его характеристик для полноценной эксплуатации. Гарантия на всю работу. Различные способы оплаты. Гибкая система скидок и индивидуальный подход к каждому клиенту.Производитель: Собственное производство

1 000 руб.
Рыбинск
Каток ДУ-98 асфальтовый 2002 г.в. с механизмом обрезки кромки асфальта

Каток ДУ-98 асфальтовый 2002 г.в. с механизмом обрезки кромки асфальта

В наличии каток ДУ-98 вибрационный, асфальтовый 2002 г.в. с механизмом обрезки кромки асфальта. Эксплуатационная масса 11.5 т. Ширина вальца 1.7 м. Произведен полный капитальный ремонт, при котором выполнены следующие работы: 1. Полная разборка и дефектование узлов и деталей. 2. Чистка, мойка и пескоструйная обработка всех металлоконструкций. 3. Ревизия и ремонт вибровальцев: замена подшипников, ремонт вибровалов, масляных ванн и замена амортизаторов. 4. Капитальный ремонт планетарных редукторов. 5. Капитальный ремонт раздаточного редуктора. 6. Установка демпферной муфты и всех зубчатых муфт. 7. Капитальный ремонт двигателя. 8. Ремонт силовой рамы, подмоторной рамы и двух вилок с опорами. 9. Ремонт кабины с заменой стёкол, шумоизоляции и обшивы, установка новых стеклоочистителей, зеркал и т.д. 10. Ремонт рабочего места и установка новых сидений и рулевых колес. 11. Капитальный ремонт гидромоторов 310.356. 12. Капитальный ремонт двух насосов НП-90. 13. Установка гидроруля и насоса НШ. 14. Капитальный ремонт гидроцилиндров с заменой штоков и РТИ. 15. Установка нового комплекта РВД и дюритовых рукавов. 16. Изготовление и установка новых скребков и смачивающей системы. 17. Изготовление и установка системы обрезки кромки асфальта. 18. Грунтование и покраска катка. 19. Новый электромонтаж и установка полного комплекта контрольных, сигнальных и осветительных приборов. 20. Заправка ГСМ. 21. Обкатка, испытания катка и сдача комиссии. Гарантия по договору 12 месяцев. Документы в порядке.Производитель: Раскат Тип вальцев: С гладкими вальцами Тип двигателя: Дизельные Моточасы: 10 Пробег, км.: 100 Владельцев по ПТС: 2 Состояние: Отличное

2 950 000 руб.
Рыбинск
Каток дорожный ДУ-57

Каток дорожный ДУ-57

В наличии дорожный вибрационный каток ДУ-57 2000 г.в. Состояние нового, без пробега. Не требует вложений и бесконечных ремонтов. Готов к работе сразу после приобретения. Каток имеет мощный валец шириной 2,2 м. Вес катка 15 т ,что позволяет уплотнять грунт при возведении насыпей, дамб, плотин и других сооружений. На катке ДУ-57 выполнены следующие работы: * Полная разборка и дефектование катка. * Чистка, мойка и пескоструйная обработка всех металлоконструкций. * Ремонт виброрамки и силовой рамы. * Капитальный ремонт шарнира сочленения с изготовлением новых капролоновых втулок. * Ревизия и капитальный ремонт вибровальца (замена подшипников 42626-2 шт., 148-2 шт., амортизаторов 05-50-14 шт., вибровала ДУ-84.187.049 в сборе, двух ступиц с крышками и комплекта зубчатых втулок на вибратор). * Установка новой бортовой шестерни ДУ-47Б.43.200 и вал-шестерни ДУ-58А.03.15.002 * Капитальный ремонт углового редуктора с заменой шестерен и подшипников. * Капитальный ремонт заднего моста RAB, карданного вала и силового редуктора. * Ремонт раздаточного редуктора с заменой подшипников, шестерён и центрального вала. * Капитальный ремонт двигателя ЯМЗ-236 с установкой новых фильтров и заправка М-10ДМ. * Капитальный ремонт двух насосов НП-90 и двух клапанных коробок. * Капитальный ремонт двух гидромоторов хода с заменой рабочих пар, плунжеров и т.д. и установкой нового гидромотора на вибратор. * Капитальный ремонт гидроруля и ремонт двух рулевых гидроцилиндров с заменой штоков и РТИ. * Установка нового комплекта РВД и дюритовых рукавов. * Ремонт рабочего места и установка нового сиденья. * Ремонт кабины с заменой стёкол, уплотнителя, шумоизоляции и обшивы. * Ремонт всех баков, замена капота и крыльев. * Грунтование, покраска. * Новый электромонтаж и установка полного комплекта контрольных, сигнальных и осветительных приборов. * Заправка ГСМ (МГЕ-46В, ТМ-5-18, диз.топливо, тосол ЕВРО). * Обкатка, испытания катка и сдача комиссии. Производим ремонт дорожно-строительной техники Заказчика на нашей специализированной ремонтной базе с гарантией 12 месяцев.Производитель: Раскат Тип вальцев: Комбинированные Тип двигателя: Дизельные Моточасы: 10 Пробег, км.: 100 Владельцев по ПТС: 2 Состояние: Отличное

3 500 000 руб.
Рыбинск
Каток пневмоколесный ДУ-101

Каток пневмоколесный ДУ-101

Пневмоколесный каток РАСКАТ ДУ-101 предназначен для уплотнения оснований из различных дорожно-строительных материалов, покрытий из битумно-минеральных смесей по ГОСТ 9128 при больших объемах работ на автомобильных дорогах общего пользования I..III категорий, внутрихозяйственных дорогах Iс и IIс категорий. Произведен полный капитальный ремонт. Гарантия 12 месяцев. Перечень работ: * Полная разборка и дефектование узлов и деталей. * Чистка, мойка и пескоструйная обработка всех металлоконструкций. * Установка четырех планетарных редукторов. * Установка раздаточного редуктора. * Установка демпферной муфты и всех зубчатых муфт. * Капитальный ремонт двигателя ЯМЗ-236 * Ремонт силовой рамы, подмоторной рамы и двух вилок с опорами. * Ремонт кабины с заменой стёкол, шумоизоляции и обшивы, установка новых стеклоочистителей, зеркал и т.д. * Ремонт рабочего места с установкой новых сидений и рулевых колес. * Установка четырех гидромоторов 310.356 * Установка насоса НП-90 * Установка гидроруля и насоса НШ. * Установка комплекта РВД и дюритовых рукавов. * Новые пневмошины 8 штук. * Изготовление и установка новых скребков и смачивающей системы: форсунок, водяного насоса. * Грунтование и покраска катка. * Новый электромонтаж и установка полного комплекта контрольных, сигнальных и осветительных приборов. * Заправка ГСМ. * Обкатка, испытания катка и сдача комиссии.Технические характеристики Производительность Асфальт до, м2/час 3 000 Грунт до, м3/час 600 Конструктивная масса, т 9,5 Вид балласта песок, металлолом Максимальный рабочий вес с балластом, т: вес переднего модуля с балластом, т вес заднего модуля c балластом, т 18/16 9,0/8 9,0/8 Трансмиссия гидравлическая Стояночный тормоз гидравлический Скорость рабочая, км/час 0 … 7,0 Скорость транспортная, км/час 0 … 18 Привод оба вальца Водяной бак, л 400 Бак гидравлики, л 162 Масло гидросистемы МГЕ-46В (аналоги Tellus 46, Hyspin AWS 46) Угол поперечной устойчивости 15° (27%) Минимальный радиус поворота по наружному контуру следа, м 7,5 Преодолеваемый уклон 16° (28%) Глубина уплотнения (асфальтобетон), см 4 — 10 Количество проходов 4 — 10 Коэффициент уплотнения 0,96 — 1,0 Размеры Ширина вальца, мм 2 000 Ширина уплотняемой полосы, мм 2 000 Типоразмер шин 11.00-20 Диаметр пневмоколеса 1 070 Число пневмоколес 8 Длина катка, мм 6 400 Ширина катка, мм 2 200 Высота с кабиной, мм 3 200 Высота без кабины, мм 2 300 База катка (расстояние между осями вальцев), мм 3 150 Клиренс, мм 350 Двигатель Двигатель ЯМЗ-236-Г1/110 кВт/1700 об/мин Охлаждение двигателя водяное Расход топлива, литров/час 27,83 Напряжение, В 12Производитель: Раскат Тип вальцев: С пневмоколесными вальцами Тип двигателя: Дизельные Владельцев по ПТС: 2 Состояние: Отличное

3 500 000 руб.
Рыбинск
Каток тротуарный ДУ-82

Каток тротуарный ДУ-82

Тpотуapный двуxвaльцoвый вибрационный катoк ДУ-82 прeдназначен для уплотнения acфaльтобeтoнныx пoкpытий и гравийно-пeсчаных cмеceй, гдe пpимeнение oбычных каткoв невoзмoжнo из-зa их рaзмepов и oгрaничeнной мaнeвренноcти. Kатoк эффeктивен при стрoитeльстве и peмонте автoдоpог, пешеxодных и велосипедных дорожек, тротуаров, обочин, подъездов к гаражам, к садам, при устройстве ландшафтов. Технические характеристики ДУ-82: Эксплуатационная масса:3500 кг Ширина:1400 мм Длина:2950 мм Рабочая ширина:1300 мм Высота:2900 мм Двигатель Кubоtа Произведен капитальный ремонт с заменой изношенных деталей. Гарантия 6 месяцев. Возможна поставка другой дорожно-строительной техники: катки дорожные, грейдера, погрузчики. Производим капитальный и текущий ремонт техники клиента на специализированном производстве с последующей гарантией до 12 месяцев!Производитель: Раскат Тип вальцев: С гладкими вальцами Тип двигателя: Дизельные Состояние: Отличное Длина: 2950 см Ширина: 1400 см Высота: 2900 см Вес: 3500 кг

2 500 000 руб.
Рыбинск