Объявления пользователя

НЭР23-74И320Т1

НЭР23-74И320Т1

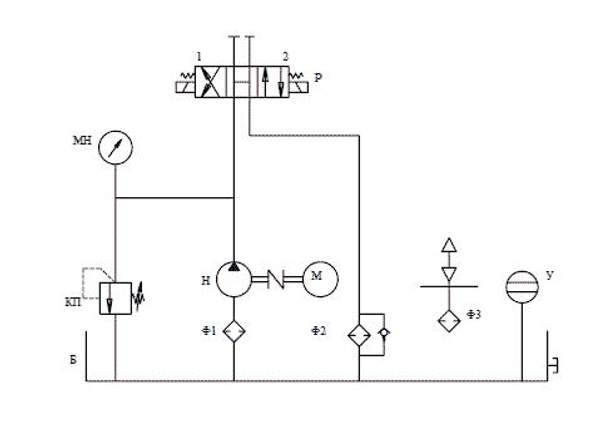
Гидростанция с электроприводом типа НЭР23-74И320Т1 предназначена для создания гидравлической энергии и подключения одного или нескольких исполнительных гидроустройств - гидроцилиндров. Гидравлическая насосная станция выполнена в климатическом исполнении «У» категорий размещения 2, 3 по ГОСТ 15150-69. Температура окружающей среды от плюс 5°С до плюс 40°С. Рабочая жидкость: ВМГЗ ТУ 38 101479-86, МГЕ-10А ОСТ 38 01281-82. Класс чистоты рабочей жидкости должен быть не ниже 10 класса по ГОСТ 17216-71. Температура рабочей жидкости во время эксплуатации насосной установки должна находиться в пределах от плюс 5°С до плюс 50°С. Рабочее положение насосной установки - горизонтальное. Допускается наклон до 5° в любую сторону.Рабочий объем насоса: 55 см^3 Номинальное давление: 50-230 бар Номинальная подача: 74 л/мин Объём масляного бака: 320 л Электропитание: Трёхфазный ток, напряжением 380 В, 50 Гц Мощность двигателя: 37 кВт

341 600 руб.
Уфа
НЭР20-74И320Т1

НЭР20-74И320Т1

Гидростанция с электроприводом типа НЭР20-74И320Т1 предназначена для создания гидравлической энергии и подключения одного или нескольких исполнительных гидроустройств - гидроцилиндров. Гидравлическая насосная станция выполнена в климатическом исполнении «У» категорий размещения 2, 3 по ГОСТ 15150-69. Температура окружающей среды от плюс 5°С до плюс 40°С. Рабочая жидкость: ВМГЗ ТУ 38 101479-86, МГЕ-10А ОСТ 38 01281-82. Класс чистоты рабочей жидкости должен быть не ниже 10 класса по ГОСТ 17216-71. Температура рабочей жидкости во время эксплуатации насосной установки должна находиться в пределах от плюс 5°С до плюс 50°С. Рабочее положение насосной установки - горизонтальное. Допускается наклон до 5° в любую сторону.Рабочий объем насоса: 55 см^3 Номинальное давление: 50-150 бар Номинальная подача: 74 л/мин Объём масляного бака: 320 л Электропитание: Трёхфазный ток, напряжением 380 В, 50 Гц Мощность двигателя: 30 кВт

288 733 руб.
Уфа
НЭР15-74И320Т1

НЭР15-74И320Т1

Гидростанция с электроприводом типа НЭР15-74И320Т1 предназначена для создания гидравлической энергии и подключения одного или нескольких исполнительных гидроустройств - гидроцилиндров. Гидравлическая насосная станция выполнена в климатическом исполнении «У» категорий размещения 2, 3 по ГОСТ 15150-69. Температура окружающей среды от плюс 5°С до плюс 40°С. Рабочая жидкость: ВМГЗ ТУ 38 101479-86, МГЕ-10А ОСТ 38 01281-82. Класс чистоты рабочей жидкости должен быть не ниже 10 класса по ГОСТ 17216-71. Температура рабочей жидкости во время эксплуатации насосной установки должна находиться в пределах от плюс 5°С до плюс 50°С. Рабочее положение насосной установки - горизонтальное. Допускается наклон до 5° в любую сторону.Рабочий объем насоса: 55 см^3 Номинальное давление: 50-150 бар Номинальная подача: 74 л/мин Объём масляного бака: 320 л Электропитание: Трёхфазный ток, напряжением 380 В, 50 Гц Мощность двигателя: 22 кВт

265 493 руб.
Уфа
НЭР12-74И320Т1

НЭР12-74И320Т1

Гидростанция с электроприводом типа НЭР12-74И320Т1 предназначена для создания гидравлической энергии и подключения одного или нескольких исполнительных гидроустройств - гидроцилиндров. Гидравлическая насосная станция выполнена в климатическом исполнении «У» категорий размещения 2, 3 по ГОСТ 15150-69. Температура окружающей среды от плюс 5°С до плюс 40°С. Рабочая жидкость: ВМГЗ ТУ 38 101479-86, МГЕ-10А ОСТ 38 01281-82. Класс чистоты рабочей жидкости должен быть не ниже 10 класса по ГОСТ 17216-71. Температура рабочей жидкости во время эксплуатации насосной установки должна находиться в пределах от плюс 5°С до плюс 50°С. Рабочее положение насосной установки - горизонтальное. Допускается наклон до 5° в любую сторону.Рабочий объем насоса: 55 см^3 Номинальное давление: 50-120 бар Номинальная подача: 74 л/мин Объём масляного бака: 320 л Электропитание: Трёхфазный ток, напряжением 380 В, 50 Гц Мощность двигателя: 18,5 кВт

253 660 руб.
Уфа
НЭР10-74И320Т1

НЭР10-74И320Т1

Гидростанция с электроприводом типа НЭР10-74И320Т1 предназначена для создания гидравлической энергии и подключения одного или нескольких исполнительных гидроустройств - гидроцилиндров. Гидравлическая насосная станция выполнена в климатическом исполнении «У» категорий размещения 2, 3 по ГОСТ 15150-69. Температура окружающей среды от плюс 5°С до плюс 40°С. Рабочая жидкость: ВМГЗ ТУ 38 101479-86, МГЕ-10А ОСТ 38 01281-82. Класс чистоты рабочей жидкости должен быть не ниже 10 класса по ГОСТ 17216-71. Температура рабочей жидкости во время эксплуатации насосной установки должна находиться в пределах от плюс 5°С до плюс 50°С. Рабочее положение насосной установки - горизонтальное. Допускается наклон до 5° в любую сторону.Рабочий объем насоса: 55 см^3 Номинальное давление: 50-100 бар Номинальная подача: 74 л/мин Объём масляного бака: 320 л Электропитание: Трёхфазный ток, напряжением 380 В, 50 Гц Мощность двигателя: 15 кВт

227 516 руб.
Уфа
НЭР20-80И400Т1

НЭР20-80И400Т1

Гидростанция с электроприводом типа НЭР20-80И400Т1 предназначена для создания гидравлической энергии и подключения одного или нескольких исполнительных гидроустройств - гидроцилиндров. Гидравлическая насосная станция выполнена в климатическом исполнении «У» категорий размещения 2, 3 по ГОСТ 15150-69. Температура окружающей среды от плюс 5°С до плюс 40°С. Рабочая жидкость: ВМГЗ ТУ 38 101479-86, МГЕ-10А ОСТ 38 01281-82. Класс чистоты рабочей жидкости должен быть не ниже 10 класса по ГОСТ 17216-71. Температура рабочей жидкости во время эксплуатации насосной установки должна находиться в пределах от плюс 5°С до плюс 50°С. Рабочее положение насосной установки - горизонтальное. Допускается наклон до 5° в любую сторонуРабочий объем насоса: 60 см^3 Номинальное давление: 50-200 бар Номинальная подача: 80 л/мин Объём масляного бака: 400 л Электропитание: Трёхфазный ток, напряжением 380 В, 50 Гц Мощность двигателя: 37 кВт

368 330 руб.
Уфа
НЭР7-74И320Т1

НЭР7-74И320Т1

Гидростанция с электроприводом типа НЭР7-74И320Т1 предназначена для создания гидравлической энергии и подключения одного или нескольких исполнительных гидроустройств - гидроцилиндров. Гидравлическая насосная станция выполнена в климатическом исполнении «У» категорий размещения 2, 3 по ГОСТ 15150-69. Температура окружающей среды от плюс 5°С до плюс 40°С. Рабочая жидкость: ВМГЗ ТУ 38 101479-86, МГЕ-10А ОСТ 38 01281-82. Класс чистоты рабочей жидкости должен быть не ниже 10 класса по ГОСТ 17216-71. Температура рабочей жидкости во время эксплуатации насосной установки должна находиться в пределах от плюс 5°С до плюс 50°С. Рабочее положение насосной установки - горизонтальное. Допускается наклон до 5° в любую сторону.Рабочий объем насоса: 55 см^3 Номинальное давление: 50-70 бар Номинальная подача: 74 л/мин Объём масляного бака: 320 л Электропитание: Трёхфазный ток, напряжением 380 В, 50 Гц Мощность двигателя: 11 кВт

226 780 руб.
Уфа
НЭР23-67И250Т1

НЭР23-67И250Т1

Гидростанция с электроприводом типа НЭР23-67И250Т1 предназначена для создания гидравлической энергии и подключения одного или нескольких исполнительных гидроустройств - гидроцилиндров. Гидравлическая насосная станция выполнена в климатическом исполнении «У» категорий размещения 2, 3 по ГОСТ 15150-69. Температура окружающей среды от плюс 5°С до плюс 40°С. Рабочая жидкость: ВМГЗ ТУ 38 101479-86, МГЕ-10А ОСТ 38 01281-82. Класс чистоты рабочей жидкости должен быть не ниже 10 класса по ГОСТ 17216-71. Температура рабочей жидкости во время эксплуатации насосной установки должна находиться в пределах от плюс 5°С до плюс 50°С. Рабочее положение насосной установки - горизонтальное. Допускается наклон до 5° в любую сторону.Рабочий объем насоса: 49,9 см^3 Номинальное давление: 50-230 бар Номинальная подача: 67 л/мин Объём масляного бака: 250 л Электропитание: Трёхфазный ток, напряжением 380 В, 50 Гц Мощность двигателя: 30 кВт

265 569 руб.
Уфа
НЭР18-80И400Т1

НЭР18-80И400Т1

Гидростанция с электроприводом типа НЭР18-80И400Т1 предназначена для создания гидравлической энергии и подключения одного или нескольких исполнительных гидроустройств - гидроцилиндров. Гидравлическая насосная станция выполнена в климатическом исполнении «У» категорий размещения 2, 3 по ГОСТ 15150-69. Температура окружающей среды от плюс 5°С до плюс 40°С. Рабочая жидкость: ВМГЗ ТУ 38 101479-86, МГЕ-10А ОСТ 38 01281-82. Класс чистоты рабочей жидкости должен быть не ниже 10 класса по ГОСТ 17216-71. Температура рабочей жидкости во время эксплуатации насосной установки должна находиться в пределах от плюс 5°С до плюс 50°С. Рабочее положение насосной установки - горизонтальное. Допускается наклон до 5° в любую сторонуРабочий объем насоса: 60 см^3 Номинальное давление: 50-180 бар Номинальная подача: 80 л/мин Объём масляного бака: 400 л Электропитание: Трёхфазный ток, напряжением 380 В, 50 Гц Мощность двигателя: 30 кВт

315 462 руб.
Уфа
НЭР16-67И250Т1

НЭР16-67И250Т1

Гидростанция с электроприводом типа НЭР16-67И250Т1 предназначена для создания гидравлической энергии и подключения одного или нескольких исполнительных гидроустройств - гидроцилиндров. Гидравлическая насосная станция выполнена в климатическом исполнении «У» категорий размещения 2, 3 по ГОСТ 15150-69. Температура окружающей среды от плюс 5°С до плюс 40°С. Рабочая жидкость: ВМГЗ ТУ 38 101479-86, МГЕ-10А ОСТ 38 01281-82. Класс чистоты рабочей жидкости должен быть не ниже 10 класса по ГОСТ 17216-71. Температура рабочей жидкости во время эксплуатации насосной установки должна находиться в пределах от плюс 5°С до плюс 50°С. Рабочее положение насосной установки - горизонтальное. Допускается наклон до 5° в любую сторону.Рабочий объем насоса: 49,9 см^3 Номинальное давление: 50-160 бар Номинальная подача: 67 л/мин Объём масляного бака: 250 л Электропитание: Трёхфазный ток, напряжением 380 В, 50 Гц Мощность двигателя: 22 кВт

246 493 руб.
Уфа
НЭР14-80И1601

НЭР14-80И1601

Гидростанция с электроприводом типа НЭР14-80И1601 предназначена для создания гидравлической энергии и подключения одного или нескольких исполнительных гидроустройств - гидроцилиндров. Гидравлическая насосная станция выполнена в климатическом исполнении «У» категорий размещения 2, 3 по ГОСТ 15150-69. Температура окружающей среды от плюс 5°С до плюс 40°С. Рабочая жидкость: ВМГЗ ТУ 38 101479-86, МГЕ-10А ОСТ 38 01281-82. Класс чистоты рабочей жидкости должен быть не ниже 10 класса по ГОСТ 17216-71. Температура рабочей жидкости во время эксплуатации насосной установки должна находиться в пределах от плюс 5°С до плюс 50°С. Рабочее положение насосной установки - горизонтальное. Допускается наклон до 5° в любую сторонуРабочий объем насоса: 60 см^3 Номинальное давление: 50-140 бар Номинальная подача: 80 л/мин Объём масляного бака: 400 л Электропитание: Трёхфазный ток, напряжением 380 В, 50 Гц Мощность двигателя: 22 кВт

292 422 руб.
Уфа
НЭР14-67И250Т1

НЭР14-67И250Т1

Гидростанция с электроприводом типа НЭР14-67И250Т1 предназначена для создания гидравлической энергии и подключения одного или нескольких исполнительных гидроустройств - гидроцилиндров. Гидравлическая насосная станция выполнена в климатическом исполнении «У» категорий размещения 2, 3 по ГОСТ 15150-69. Температура окружающей среды от плюс 5°С до плюс 40°С. Рабочая жидкость: ВМГЗ ТУ 38 101479-86, МГЕ-10А ОСТ 38 01281-82. Класс чистоты рабочей жидкости должен быть не ниже 10 класса по ГОСТ 17216-71. Температура рабочей жидкости во время эксплуатации насосной установки должна находиться в пределах от плюс 5°С до плюс 50°С. Рабочее положение насосной установки - горизонтальное. Допускается наклон до 5° в любую сторону.Рабочий объем насоса: 49,9 см^3 Номинальное давление: 50-140 бар Номинальная подача: 67 л/мин Объём масляного бака: 250 л Электропитание: Трёхфазный ток, напряжением 380 В, 50 Гц Мощность двигателя: 18,5 кВт

234 472 руб.
Уфа
НЭР11-67И250Т1

НЭР11-67И250Т1

Гидростанция с электроприводом типа НЭР11-67И250Т1 предназначена для создания гидравлической энергии и подключения одного или нескольких исполнительных гидроустройств - гидроцилиндров. Гидравлическая насосная станция выполнена в климатическом исполнении «У» категорий размещения 2, 3 по ГОСТ 15150-69. Температура окружающей среды от плюс 5°С до плюс 40°С. Рабочая жидкость: ВМГЗ ТУ 38 101479-86, МГЕ-10А ОСТ 38 01281-82. Класс чистоты рабочей жидкости должен быть не ниже 10 класса по ГОСТ 17216-71. Температура рабочей жидкости во время эксплуатации насосной установки должна находиться в пределах от плюс 5°С до плюс 50°С. Рабочее положение насосной установки - горизонтальное. Допускается наклон до 5° в любую сторону.Рабочий объем насоса: 49,9 см^3 Номинальное давление: 50-110 бар Номинальная подача: 67 л/мин Объём масляного бака: 250 л Электропитание: Трёхфазный ток, напряжением 380 В, 50 Гц Мощность двигателя: 15 кВт

219 116 руб.
Уфа
НЭР11-80И160Т1

НЭР11-80И160Т1

Гидростанция с электроприводом типа НЭР11-80И160Т1 предназначена для создания гидравлической энергии и подключения одного или нескольких исполнительных гидроустройств - гидроцилиндров. Гидравлическая насосная станция выполнена в климатическом исполнении «У» категорий размещения 2, 3 по ГОСТ 15150-69. Температура окружающей среды от плюс 5°С до плюс 40°С. Рабочая жидкость: ВМГЗ ТУ 38 101479-86, МГЕ-10А ОСТ 38 01281-82. Класс чистоты рабочей жидкости должен быть не ниже 10 класса по ГОСТ 17216-71. Температура рабочей жидкости во время эксплуатации насосной установки должна находиться в пределах от плюс 5°С до плюс 50°С. Рабочее положение насосной установки - горизонтальное. Допускается наклон до 5° в любую сторонуРабочий объем насоса: 60 см^3 Номинальное давление: 50-110 бар Номинальная подача: 80 л/мин Объём масляного бака: 400 л Электропитание: Трёхфазный ток, напряжением 380 В, 50 Гц Мощность двигателя: 18.5 кВт

280 390 руб.
Уфа
НЭР8-67И250Т1

НЭР8-67И250Т1

Гидростанция с электроприводом типа НЭР8-67И250Т1 предназначена для создания гидравлической энергии и подключения одного или нескольких исполнительных гидроустройств - гидроцилиндров. Гидравлическая насосная станция выполнена в климатическом исполнении «У» категорий размещения 2, 3 по ГОСТ 15150-69. Температура окружающей среды от плюс 5°С до плюс 40°С. Рабочая жидкость: ВМГЗ ТУ 38 101479-86, МГЕ-10А ОСТ 38 01281-82. Класс чистоты рабочей жидкости должен быть не ниже 10 класса по ГОСТ 17216-71. Температура рабочей жидкости во время эксплуатации насосной установки должна находиться в пределах от плюс 5°С до плюс 50°С. Рабочее положение насосной установки - горизонтальное. Допускается наклон до 5° в любую сторону.Рабочий объем насоса: 49,9 см^3 Номинальное давление: 50-80 бар Номинальная подача: 67 л/мин Объём масляного бака: 250 л Электропитание: Трёхфазный ток, напряжением 380 В, 50 Гц Мощность двигателя: 11 кВт

207 580 руб.
Уфа
НЭР25-61И200Т1

НЭР25-61И200Т1

Гидростанция с электроприводом типа НЭР25-61И200Т1 предназначена для создания гидравлической энергии и подключения одного или нескольких исполнительных гидроустройств - гидроцилиндров. Гидравлическая насосная станция выполнена в климатическом исполнении «У» категорий размещения 2, 3 по ГОСТ 15150-69. Температура окружающей среды от плюс 5°С до плюс 40°С. Рабочая жидкость: ВМГЗ ТУ 38 101479-86, МГЕ-10А ОСТ 38 01281-82. Класс чистоты рабочей жидкости должен быть не ниже 10 класса по ГОСТ 17216-71. Температура рабочей жидкости во время эксплуатации насосной установки должна находиться в пределах от плюс 5°С до плюс 50°С. Рабочее положение насосной установки - горизонтальное. Допускается наклон до 5° в любую сторону.Рабочий объем насоса: 45,2 см^3 Номинальное давление: 50-250 бар Номинальная подача: 61 л/мин Объём масляного бака: 200 л Электропитание: Трёхфазный ток, напряжением 380 В, 50 Гц Мощность двигателя: 30 кВт

261 661 руб.
Уфа
НЭР9-80И400Т1

НЭР9-80И400Т1

Гидростанция с электроприводом типа НЭР9-80И400Т1 предназначена для создания гидравлической энергии и подключения одного или нескольких исполнительных гидроустройств - гидроцилиндров. Гидравлическая насосная станция выполнена в климатическом исполнении «У» категорий размещения 2, 3 по ГОСТ 15150-69. Температура окружающей среды от плюс 5°С до плюс 40°С. Рабочая жидкость: ВМГЗ ТУ 38 101479-86, МГЕ-10А ОСТ 38 01281-82. Класс чистоты рабочей жидкости должен быть не ниже 10 класса по ГОСТ 17216-71. Температура рабочей жидкости во время эксплуатации насосной установки должна находиться в пределах от плюс 5°С до плюс 50°С. Рабочее положение насосной установки - горизонтальное. Допускается наклон до 5° в любую сторонуРабочий объем насоса: 60 см^3 Номинальное давление: 50-90 бар Номинальная подача: 80 л/мин Объём масляного бака: 400 л Электропитание: Трёхфазный ток, напряжением 380 В, 50 Гц Мощность двигателя: 15 кВт

265 045 руб.
Уфа
НЭР18-61И200Т1

НЭР18-61И200Т1

Гидростанция с электроприводом типа НЭР18-61И200Т1 предназначена для создания гидравлической энергии и подключения одного или нескольких исполнительных гидроустройств - гидроцилиндров. Гидравлическая насосная станция выполнена в климатическом исполнении «У» категорий размещения 2, 3 по ГОСТ 15150-69. Температура окружающей среды от плюс 5°С до плюс 40°С. Рабочая жидкость: ВМГЗ ТУ 38 101479-86, МГЕ-10А ОСТ 38 01281-82. Класс чистоты рабочей жидкости должен быть не ниже 10 класса по ГОСТ 17216-71. Температура рабочей жидкости во время эксплуатации насосной установки должна находиться в пределах от плюс 5°С до плюс 50°С. Рабочее положение насосной установки - горизонтальное. Допускается наклон до 5° в любую сторону.Рабочий объем насоса: 45,2 см^3 Номинальное давление: 50-180 бар Номинальная подача: 61 л/мин Объём масляного бака: 200 л Электропитание: Трёхфазный ток, напряжением 380 В, 50 Гц Мощность двигателя: 22 кВт

238 621 руб.
Уфа
НЭР15-61И200Т1

НЭР15-61И200Т1

Гидростанция с электроприводом типа НЭР15-61И200Т1 предназначена для создания гидравлической энергии и подключения одного или нескольких исполнительных гидроустройств - гидроцилиндров. Гидравлическая насосная станция выполнена в климатическом исполнении «У» категорий размещения 2, 3 по ГОСТ 15150-69. Температура окружающей среды от плюс 5°С до плюс 40°С. Рабочая жидкость: ВМГЗ ТУ 38 101479-86, МГЕ-10А ОСТ 38 01281-82. Класс чистоты рабочей жидкости должен быть не ниже 10 класса по ГОСТ 17216-71. Температура рабочей жидкости во время эксплуатации насосной установки должна находиться в пределах от плюс 5°С до плюс 50°С. Рабочее положение насосной установки - горизонтальное. Допускается наклон до 5° в любую сторону.Рабочий объем насоса: 45,2 см^3 Номинальное давление: 50-170 бар Номинальная подача: 61 л/мин Объём масляного бака: 200 л Электропитание: Трёхфазный ток, напряжением 380 В, 50 Гц Мощность двигателя: 18,5 кВт

226 588 руб.
Уфа
НЭР7-80И160Т1

НЭР7-80И160Т1

Гидростанция с электроприводом типа НЭР7-80И160Т1 предназначена для создания гидравлической энергии и подключения одного или нескольких исполнительных гидроустройств - гидроцилиндров. Гидравлическая насосная станция выполнена в климатическом исполнении «У» категорий размещения 2, 3 по ГОСТ 15150-69. Температура окружающей среды от плюс 5°С до плюс 40°С. Рабочая жидкость: ВМГЗ ТУ 38 101479-86, МГЕ-10А ОСТ 38 01281-82. Класс чистоты рабочей жидкости должен быть не ниже 10 класса по ГОСТ 17216-71. Температура рабочей жидкости во время эксплуатации насосной установки должна находиться в пределах от плюс 5°С до плюс 50°С. Рабочее положение насосной установки - горизонтальное. Допускается наклон до 5° в любую сторонуРабочий объем насоса: 60 см^3 Номинальное давление: 50-70 бар Номинальная подача: 80 л/мин Объём масляного бака: 400 л Электропитание: Трёхфазный ток, напряжением 380 В, 50 Гц Мощность двигателя: 11 кВт

253 510 руб.
Уфа
НЭР12-61И200Т1

НЭР12-61И200Т1

Гидростанция с электроприводом типа НЭР12-61И200Т1 предназначена для создания гидравлической энергии и подключения одного или нескольких исполнительных гидроустройств - гидроцилиндров. Гидравлическая насосная станция выполнена в климатическом исполнении «У» категорий размещения 2, 3 по ГОСТ 15150-69. Температура окружающей среды от плюс 5°С до плюс 40°С. Рабочая жидкость: ВМГЗ ТУ 38 101479-86, МГЕ-10А ОСТ 38 01281-82. Класс чистоты рабочей жидкости должен быть не ниже 10 класса по ГОСТ 17216-71. Температура рабочей жидкости во время эксплуатации насосной установки должна находиться в пределах от плюс 5°С до плюс 50°С. Рабочее положение насосной установки - горизонтальное. Допускается наклон до 5° в любую сторону.Рабочий объем насоса: 45,2 см^3 Номинальное давление: 50-120 бар Номинальная подача: 61 л/мин Объём масляного бака: 200 л Электропитание: Трёхфазный ток, напряжением 380 В, 50 Гц Мощность двигателя: 15 кВт

211 244 руб.
Уфа
НЭР20-28И100Т1

НЭР20-28И100Т1

Гидростанция с электроприводом типа НЭР20-28И100Т1 предназначена для создания гидравлической энергии и подключения одного или нескольких исполнительных гидроустройств - гидроцилиндров. Гидравлическая насосная станция выполнена в климатическом исполнении «У» категорий размещения 2, 3 по ГОСТ 15150-69. Температура окружающей среды от плюс 5°С до плюс 40°С. Рабочая жидкость: ВМГЗ ТУ 38 101479-86, МГЕ-10А ОСТ 38 01281-82. Класс чистоты рабочей жидкости должен быть не ниже 10 класса по ГОСТ 17216-71. Температура рабочей жидкости во время эксплуатации насосной установки должна находиться в пределах от плюс 5°С до плюс 50°С. Рабочее положение насосной установки - горизонтальное. Допускается наклон до 5° в любую сторону.Рабочий объем насоса: 28 см^3 Номинальное давление: 50-200 бар Номинальная подача: 28 л/мин Объём масляного бака: 100 л Электропитание: Трёхфазный ток, напряжением 380 В, 50 Гц Мощность двигателя: 11 кВт

126 127 руб.
Уфа
НЭР13-28И100Т1

НЭР13-28И100Т1

Гидростанция с электроприводом типа НЭР13-28И100Т1 предназначена для создания гидравлической энергии и подключения одного или нескольких исполнительных гидроустройств - гидроцилиндров. Гидравлическая насосная станция выполнена в климатическом исполнении «У» категорий размещения 2, 3 по ГОСТ 15150-69. Температура окружающей среды от плюс 5°С до плюс 40°С. Рабочая жидкость: ВМГЗ ТУ 38 101479-86, МГЕ-10А ОСТ 38 01281-82. Класс чистоты рабочей жидкости должен быть не ниже 10 класса по ГОСТ 17216-71. Температура рабочей жидкости во время эксплуатации насосной установки должна находиться в пределах от плюс 5°С до плюс 50°С. Рабочее положение насосной установки - горизонтальное. Допускается наклон до 5° в любую сторону.Рабочий объем насоса: 28 см^3 Номинальное давление: 50-130 бар Номинальная подача: 28 л/мин Объём масляного бака: 100 л Электропитание: Трёхфазный ток, напряжением 380 В, 50 Гц Мощность двигателя: 7,5 кВт

121 060 руб.
Уфа
НЭР10-28И100Т1

НЭР10-28И100Т1

Гидростанция с электроприводом типа НЭР10-28И100Т1 предназначена для создания гидравлической энергии и подключения одного или нескольких исполнительных гидроустройств - гидроцилиндров. Гидравлическая насосная станция выполнена в климатическом исполнении «У» категорий размещения 2, 3 по ГОСТ 15150-69. Температура окружающей среды от плюс 5°С до плюс 40°С. Рабочая жидкость: ВМГЗ ТУ 38 101479-86, МГЕ-10А ОСТ 38 01281-82. Класс чистоты рабочей жидкости должен быть не ниже 10 класса по ГОСТ 17216-71. Температура рабочей жидкости во время эксплуатации насосной установки должна находиться в пределах от плюс 5°С до плюс 50°С. Рабочее положение насосной установки - горизонтальное. Допускается наклон до 5° в любую сторону.Рабочий объем насоса: 28 см^3 Номинальное давление: 50-100 бар Номинальная подача: 28 л/мин Объём масляного бака: 100 л Электропитание: Трёхфазный ток, напряжением 380 В, 50 Гц Мощность двигателя: 5,5 кВт

109 473 руб.
Уфа
НЭР7-28И100Т1

НЭР7-28И100Т1

Гидростанция с электроприводом типа НЭР7-28И100Т1 предназначена для создания гидравлической энергии и подключения одного или нескольких исполнительных гидроустройств - гидроцилиндров. Гидравлическая насосная станция выполнена в климатическом исполнении «У» категорий размещения 2, 3 по ГОСТ 15150-69. Температура окружающей среды от плюс 5°С до плюс 40°С. Рабочая жидкость: ВМГЗ ТУ 38 101479-86, МГЕ-10А ОСТ 38 01281-82. Класс чистоты рабочей жидкости должен быть не ниже 10 класса по ГОСТ 17216-71. Температура рабочей жидкости во время эксплуатации насосной установки должна находиться в пределах от плюс 5°С до плюс 50°С. Рабочее положение насосной установки - горизонтальное. Допускается наклон до 5° в любую сторону.Рабочий объем насоса: 28 см^3 Номинальное давление: 50-70 бар Номинальная подача: 28 л/мин Объём масляного бака: 100 л Электропитание: Трёхфазный ток, напряжением 380 В, 50 Гц Мощность двигателя: 4 кВт

99 802 руб.
Уфа
НЭР24-23И100Т1

НЭР24-23И100Т1

Гидростанция с электроприводом типа НЭР24-23И100Т1 предназначена для создания гидравлической энергии и подключения одного или нескольких исполнительных гидроустройств - гидроцилиндров. Гидравлическая насосная станция выполнена в климатическом исполнении «У» категорий размещения 2, 3 по ГОСТ 15150-69. Температура окружающей среды от плюс 5°С до плюс 40°С. Рабочая жидкость: ВМГЗ ТУ 38 101479-86, МГЕ-10А ОСТ 38 01281-82. Класс чистоты рабочей жидкости должен быть не ниже 10 класса по ГОСТ 17216-71. Температура рабочей жидкости во время эксплуатации насосной установки должна находиться в пределах от плюс 5°С до плюс 50°С. Рабочее положение насосной установки - горизонтальное. Допускается наклон до 5° в любую сторону.Рабочий объем насоса: 16,95 см^3 Номинальное давление: 50-240 бар Номинальная подача: 23 л/мин Объём масляного бака: 100 л Электропитание: Трёхфазный ток, напряжением 380 В, 50 Гц Мощность двигателя: 11 кВт

126 976 руб.
Уфа
НЭР16-23И100Т1

НЭР16-23И100Т1

Гидростанция с электроприводом типа НЭР16-23И100Т1 предназначена для создания гидравлической энергии и подключения одного или нескольких исполнительных гидроустройств - гидроцилиндров. Гидравлическая насосная станция выполнена в климатическом исполнении «У» категорий размещения 2, 3 по ГОСТ 15150-69. Температура окружающей среды от плюс 5°С до плюс 40°С. Рабочая жидкость: ВМГЗ ТУ 38 101479-86, МГЕ-10А ОСТ 38 01281-82. Класс чистоты рабочей жидкости должен быть не ниже 10 класса по ГОСТ 17216-71. Температура рабочей жидкости во время эксплуатации насосной установки должна находиться в пределах от плюс 5°С до плюс 50°С. Рабочее положение насосной установки - горизонтальное. Допускается наклон до 5° в любую сторону.Рабочий объем насоса: 16,95 см^3 Номинальное давление: 50-160 бар Номинальная подача: 23 л/мин Объём масляного бака: 100 л Электропитание: Трёхфазный ток, напряжением 380 В, 50 Гц Мощность двигателя: 7,5 кВт

121 908 руб.
Уфа
НЭР25-20И100Т1

НЭР25-20И100Т1

Гидростанция с электроприводом типа НЭР25-20И100Т1 предназначена для создания гидравлической энергии и подключения одного или нескольких исполнительных гидроустройств - гидроцилиндров. Гидравлическая насосная станция выполнена в климатическом исполнении «У» категорий размещения 2, 3 по ГОСТ 15150-69. Температура окружающей среды от плюс 5°С до плюс 40°С. Рабочая жидкость: ВМГЗ ТУ 38 101479-86, МГЕ-10А ОСТ 38 01281-82. Класс чистоты рабочей жидкости должен быть не ниже 10 класса по ГОСТ 17216-71. Температура рабочей жидкости во время эксплуатации насосной установки должна находиться в пределах от плюс 5°С до плюс 50°С. Рабочее положение насосной установки - горизонтальное. Допускается наклон до 5° в любую сторону.Рабочий объем насоса: 14,4 см^3 Номинальное давление: 50-250 бар Номинальная подача: 20 л/мин Объём масляного бака: 100 л Электропитание: Трёхфазный ток, напряжением 380 В, 50 Гц Мощность двигателя: 11 кВт

125 998 руб.
Уфа
НЭР12-23И100Т1

НЭР12-23И100Т1

Гидростанция с электроприводом типа НЭР12-23И100Т1 предназначена для создания гидравлической энергии и подключения одного или нескольких исполнительных гидроустройств - гидроцилиндров. Гидравлическая насосная станция выполнена в климатическом исполнении «У» категорий размещения 2, 3 по ГОСТ 15150-69. Температура окружающей среды от плюс 5°С до плюс 40°С. Рабочая жидкость: ВМГЗ ТУ 38 101479-86, МГЕ-10А ОСТ 38 01281-82. Класс чистоты рабочей жидкости должен быть не ниже 10 класса по ГОСТ 17216-71. Температура рабочей жидкости во время эксплуатации насосной установки должна находиться в пределах от плюс 5°С до плюс 50°С. Рабочее положение насосной установки - горизонтальное. Допускается наклон до 5° в любую сторону.Рабочий объем насоса: 16,95 см^3 Номинальное давление: 50-120 бар Номинальная подача: 23 л/мин Объём масляного бака: 100 л Электропитание: Трёхфазный ток, напряжением 380 В, 50 Гц Мощность двигателя: 5,5 кВт

110 323 руб.
Уфа
НЭР6-23И100Т1

НЭР6-23И100Т1

Гидростанция с электроприводом типа НЭР6-23И100Т1 предназначена для создания гидравлической энергии и подключения одного или нескольких исполнительных гидроустройств - гидроцилиндров. Гидравлическая насосная станция выполнена в климатическом исполнении «У» категорий размещения 2, 3 по ГОСТ 15150-69. Температура окружающей среды от плюс 5°С до плюс 40°С. Рабочая жидкость: ВМГЗ ТУ 38 101479-86, МГЕ-10А ОСТ 38 01281-82. Класс чистоты рабочей жидкости должен быть не ниже 10 класса по ГОСТ 17216-71. Температура рабочей жидкости во время эксплуатации насосной установки должна находиться в пределах от плюс 5°С до плюс 50°С. Рабочее положение насосной установки - горизонтальное. Допускается наклон до 5° в любую сторону.Рабочий объем насоса: 16,95 см^3 Номинальное давление: 50-60 бар Номинальная подача: 23 л/мин Объём масляного бака: 100 л Электропитание: Трёхфазный ток, напряжением 380 В, 50 Гц Мощность двигателя: 3 кВт

99 170 руб.
Уфа
НЭР19-20И100Т1

НЭР19-20И100Т1

Гидростанция с электроприводом типа НЭР19-20И100Т1 предназначена для создания гидравлической энергии и подключения одного или нескольких исполнительных гидроустройств - гидроцилиндров. Гидравлическая насосная станция выполнена в климатическом исполнении «У» категорий размещения 2, 3 по ГОСТ 15150-69. Температура окружающей среды от плюс 5°С до плюс 40°С. Рабочая жидкость: ВМГЗ ТУ 38 101479-86, МГЕ-10А ОСТ 38 01281-82. Класс чистоты рабочей жидкости должен быть не ниже 10 класса по ГОСТ 17216-71. Температура рабочей жидкости во время эксплуатации насосной установки должна находиться в пределах от плюс 5°С до плюс 50°С. Рабочее положение насосной установки - горизонтальное. Допускается наклон до 5° в любую сторону.Рабочий объем насоса: 14,4 см^3 Номинальное давление: 50-190 бар Номинальная подача: 20 л/мин Объём масляного бака: 100 л Электропитание: Трёхфазный ток, напряжением 380 В, 50 Гц Мощность двигателя: 7,5 кВт

120 834 руб.
Уфа
НЭР8-23И100Т1

НЭР8-23И100Т1

Гидростанция с электроприводом типа НЭР8-23И100Т1 предназначена для создания гидравлической энергии и подключения одного или нескольких исполнительных гидроустройств - гидроцилиндров. Гидравлическая насосная станция выполнена в климатическом исполнении «У» категорий размещения 2, 3 по ГОСТ 15150-69. Температура окружающей среды от плюс 5°С до плюс 40°С. Рабочая жидкость: ВМГЗ ТУ 38 101479-86, МГЕ-10А ОСТ 38 01281-82. Класс чистоты рабочей жидкости должен быть не ниже 10 класса по ГОСТ 17216-71. Температура рабочей жидкости во время эксплуатации насосной установки должна находиться в пределах от плюс 5°С до плюс 50°С. Рабочее положение насосной установки - горизонтальное. Допускается наклон до 5° в любую сторону.Рабочий объем насоса: 16,95 см^3 Номинальное давление: 50-80 бар Номинальная подача: 23 л/мин Объём масляного бака: 100 л Электропитание: Трёхфазный ток, напряжением 380 В, 50 Гц Мощность двигателя: 4 кВт

100 664 руб.
Уфа
НЭР14-20И100Т1

НЭР14-20И100Т1

Гидростанция с электроприводом типа НЭР14-20И100Т1 предназначена для создания гидравлической энергии и подключения одного или нескольких исполнительных гидроустройств - гидроцилиндров. Гидравлическая насосная станция выполнена в климатическом исполнении «У» категорий размещения 2, 3 по ГОСТ 15150-69. Температура окружающей среды от плюс 5°С до плюс 40°С. Рабочая жидкость: ВМГЗ ТУ 38 101479-86, МГЕ-10А ОСТ 38 01281-82. Класс чистоты рабочей жидкости должен быть не ниже 10 класса по ГОСТ 17216-71. Температура рабочей жидкости во время эксплуатации насосной установки должна находиться в пределах от плюс 5°С до плюс 50°С. Рабочее положение насосной установки - горизонтальное. Допускается наклон до 5° в любую сторону.Рабочий объем насоса: 14,4 см^3 Номинальное давление: 50-140 бар Номинальная подача: 20 л/мин Объём масляного бака: 100 л Электропитание: Трёхфазный ток, напряжением 380 В, 50 Гц Мощность двигателя: 5,5 кВт

109 334 руб.
Уфа
НЭР19-40И160Т1

НЭР19-40И160Т1

Гидростанция с электроприводом типа НЭР19-40И160Т1 предназначена для создания гидравлической энергии и подключения одного или нескольких исполнительных гидроустройств - гидроцилиндров. Гидравлическая насосная станция выполнена в климатическом исполнении «У» категорий размещения 2, 3 по ГОСТ 15150-69. Температура окружающей среды от плюс 5°С до плюс 40°С. Рабочая жидкость: ВМГЗ ТУ 38 101479-86, МГЕ-10А ОСТ 38 01281-82. Класс чистоты рабочей жидкости должен быть не ниже 10 класса по ГОСТ 17216-71. Температура рабочей жидкости во время эксплуатации насосной установки должна находиться в пределах от плюс 5°С до плюс 50°С. Рабочее положение насосной установки - горизонтальное. Допускается наклон до 5° в любую сторону.Рабочий объем насоса: 29,9 см^3 Номинальное давление: 50-190 бар Номинальная подача: 40 л/мин Объём масляного бака: 160 л Электропитание: Трёхфазный ток, напряжением 380 В, 50 Гц Мощность двигателя: 15 кВт

177 230 руб.
Уфа
НЭР23-33И160Т1

НЭР23-33И160Т1

Гидростанция с электроприводом типа НЭР23-33И160Т1 предназначена для создания гидравлической энергии и подключения одного или нескольких исполнительных гидроустройств - гидроцилиндров. Гидравлическая насосная станция выполнена в климатическом исполнении «У» категорий размещения 2, 3 по ГОСТ 15150-69. Температура окружающей среды от плюс 5°С до плюс 40°С. Рабочая жидкость: ВМГЗ ТУ 38 101479-86, МГЕ-10А ОСТ 38 01281-82. Класс чистоты рабочей жидкости должен быть не ниже 10 класса по ГОСТ 17216-71. Температура рабочей жидкости во время эксплуатации насосной установки должна находиться в пределах от плюс 5°С до плюс 50°С. Рабочее положение насосной установки - горизонтальное. Допускается наклон до 5° в любую сторону.Рабочий объем насоса: 24,9 см^3 Номинальное давление: 50-230 бар Номинальная подача: 33 л/мин Объём масляного бака: 160 л Электропитание: Трёхфазный ток, напряжением 380 В, 50 Гц Мощность двигателя: 15 кВт

174 373 руб.
Уфа
НЭР10-20И100Т1

НЭР10-20И100Т1

Гидростанция с электроприводом типа НЭР10-20И100Т1 предназначена для создания гидравлической энергии и подключения одного или нескольких исполнительных гидроустройств - гидроцилиндров. Гидравлическая насосная станция выполнена в климатическом исполнении «У» категорий размещения 2, 3 по ГОСТ 15150-69. Температура окружающей среды от плюс 5°С до плюс 40°С. Рабочая жидкость: ВМГЗ ТУ 38 101479-86, МГЕ-10А ОСТ 38 01281-82. Класс чистоты рабочей жидкости должен быть не ниже 10 класса по ГОСТ 17216-71. Температура рабочей жидкости во время эксплуатации насосной установки должна находиться в пределах от плюс 5°С до плюс 50°С. Рабочее положение насосной установки - горизонтальное. Допускается наклон до 5° в любую сторону.Рабочий объем насоса: 14,4 см^3 Номинальное давление: 50-100 бар Номинальная подача: 20 л/мин Объём масляного бака: 100 л Электропитание: Трёхфазный ток, напряжением 380 В, 50 Гц Мощность двигателя: 4 кВт

99 674 руб.
Уфа
НЭР7-20И100Т1

НЭР7-20И100Т1

Гидростанция с электроприводом типа НЭР7-20И100Т1 предназначена для создания гидравлической энергии и подключения одного или нескольких исполнительных гидроустройств - гидроцилиндров. Гидравлическая насосная станция выполнена в климатическом исполнении «У» категорий размещения 2, 3 по ГОСТ 15150-69. Температура окружающей среды от плюс 5°С до плюс 40°С. Рабочая жидкость: ВМГЗ ТУ 38 101479-86, МГЕ-10А ОСТ 38 01281-82. Класс чистоты рабочей жидкости должен быть не ниже 10 класса по ГОСТ 17216-71. Температура рабочей жидкости во время эксплуатации насосной установки должна находиться в пределах от плюс 5°С до плюс 50°С. Рабочее положение насосной установки - горизонтальное. Допускается наклон до 5° в любую сторону.Рабочий объем насоса: 14,4 см^3 Номинальное давление: 50-70 бар Номинальная подача: 20 л/мин Объём масляного бака: 100 л Электропитание: Трёхфазный ток, напряжением 380 В, 50 Гц Мощность двигателя: 3 кВт

98 252 руб.
Уфа
НЭР25-15И75Т1

НЭР25-15И75Т1

Гидростанция с электроприводом типа НЭР25-15И75Т1 предназначена для создания гидравлической энергии и подключения одного или нескольких исполнительных гидроустройств - гидроцилиндров. Гидравлическая насосная станция выполнена в климатическом исполнении «У» категорий размещения 2, 3 по ГОСТ 15150-69. Температура окружающей среды от плюс 5°С до плюс 40°С. Рабочая жидкость: ВМГЗ ТУ 38 101479-86, МГЕ-10А ОСТ 38 01281-82. Класс чистоты рабочей жидкости должен быть не ниже 10 класса по ГОСТ 17216-71. Температура рабочей жидкости во время эксплуатации насосной установки должна находиться в пределах от плюс 5°С до плюс 50°С. Рабочее положение насосной установки - горизонтальное. Допускается наклон до 5° в любую сторону.Рабочий объем насоса: 11,3 см^3 Номинальное давление: 50-250 бар Номинальная подача: 15 л/мин Объём масляного бака: 75 л Электропитание: Трёхфазный ток, напряжением 380 В, 50 Гц Мощность двигателя: 7,5 кВт

129 321 руб.
Уфа
НЭР18-15И75Т1

НЭР18-15И75Т1

Гидростанция с электроприводом типа НЭР18-15И75Т1 предназначена для создания гидравлической энергии и подключения одного или нескольких исполнительных гидроустройств - гидроцилиндров. Гидравлическая насосная станция выполнена в климатическом исполнении «У» категорий размещения 2, 3 по ГОСТ 15150-69. Температура окружающей среды от плюс 5°С до плюс 40°С. Рабочая жидкость: ВМГЗ ТУ 38 101479-86, МГЕ-10А ОСТ 38 01281-82. Класс чистоты рабочей жидкости должен быть не ниже 10 класса по ГОСТ 17216-71. Температура рабочей жидкости во время эксплуатации насосной установки должна находиться в пределах от плюс 5°С до плюс 50°С. Рабочее положение насосной установки - горизонтальное. Допускается наклон до 5° в любую сторону.Рабочий объем насоса: 11,3 см^3 Номинальное давление: 50-180 бар Номинальная подача: 15 л/мин Объём масляного бака: 75 л Электропитание: Трёхфазный ток, напряжением 380 В, 50 Гц Мощность двигателя: 5,5 кВт

117 847 руб.
Уфа
НЭР13-15И75Т1

НЭР13-15И75Т1

Гидростанция с электроприводом типа НЭР13-15И75Т1 предназначена для создания гидравлической энергии и подключения одного или нескольких исполнительных гидроустройств - гидроцилиндров. Гидравлическая насосная станция выполнена в климатическом исполнении «У» категорий размещения 2, 3 по ГОСТ 15150-69. Температура окружающей среды от плюс 5°С до плюс 40°С. Рабочая жидкость: ВМГЗ ТУ 38 101479-86, МГЕ-10А ОСТ 38 01281-82. Класс чистоты рабочей жидкости должен быть не ниже 10 класса по ГОСТ 17216-71. Температура рабочей жидкости во время эксплуатации насосной установки должна находиться в пределах от плюс 5°С до плюс 50°С. Рабочее положение насосной установки - горизонтальное. Допускается наклон до 5° в любую сторону.Рабочий объем насоса: 11,3 см^3 Номинальное давление: 50-130 бар Номинальная подача: 15 л/мин Объём масляного бака: 75 л Электропитание: Трёхфазный ток, напряжением 380 В, 50 Гц Мощность двигателя: 4 кВт

106 027 руб.
Уфа
НЭР10-15И75Т1

НЭР10-15И75Т1

Гидростанция с электроприводом типа НЭР10-15И75Т1 предназначена для создания гидравлической энергии и подключения одного или нескольких исполнительных гидроустройств - гидроцилиндров. Гидравлическая насосная станция выполнена в климатическом исполнении «У» категорий размещения 2, 3 по ГОСТ 15150-69. Температура окружающей среды от плюс 5°С до плюс 40°С. Рабочая жидкость: ВМГЗ ТУ 38 101479-86, МГЕ-10А ОСТ 38 01281-82. Класс чистоты рабочей жидкости должен быть не ниже 10 класса по ГОСТ 17216-71. Температура рабочей жидкости во время эксплуатации насосной установки должна находиться в пределах от плюс 5°С до плюс 50°С. Рабочее положение насосной установки - горизонтальное. Допускается наклон до 5° в любую сторону.Рабочий объем насоса: 11,3 см^3 Номинальное давление: 50-100 бар Номинальная подача: 15 л/мин Объём масляного бака: 75 л Электропитание: Трёхфазный ток, напряжением 380 В, 50 Гц Мощность двигателя: 3 кВт

100 818 руб.
Уфа
НЭР7-15И75Т1

НЭР7-15И75Т1

Гидростанция с электроприводом типа НЭР7-15И75Т1 предназначена для создания гидравлической энергии и подключения одного или нескольких исполнительных гидроустройств - гидроцилиндров. Гидравлическая насосная станция выполнена в климатическом исполнении «У» категорий размещения 2, 3 по ГОСТ 15150-69. Температура окружающей среды от плюс 5°С до плюс 40°С. Рабочая жидкость: ВМГЗ ТУ 38 101479-86, МГЕ-10А ОСТ 38 01281-82. Класс чистоты рабочей жидкости должен быть не ниже 10 класса по ГОСТ 17216-71. Температура рабочей жидкости во время эксплуатации насосной установки должна находиться в пределах от плюс 5°С до плюс 50°С. Рабочее положение насосной установки - горизонтальное. Допускается наклон до 5° в любую сторону.Рабочий объем насоса: 11,3 см^3 Номинальное давление: 50-70 бар Номинальная подача: 15 л/мин Объём масляного бака: 75 л Электропитание: Трёхфазный ток, напряжением 380 В, 50 Гц Мощность двигателя: 2,2 кВт

98 280 руб.
Уфа
НЭР25-11И55Т1

НЭР25-11И55Т1

Гидростанция с электроприводом типа НЭР25-11И55Т1 предназначена для создания гидравлической энергии и подключения одного или нескольких исполнительных гидроустройств - гидроцилиндров. Гидравлическая насосная станция выполнена в климатическом исполнении «У» категорий размещения 2, 3 по ГОСТ 15150-69. Температура окружающей среды от плюс 5°С до плюс 40°С. Рабочая жидкость: ВМГЗ ТУ 38 101479-86, МГЕ-10А ОСТ 38 01281-82. Класс чистоты рабочей жидкости должен быть не ниже 10 класса по ГОСТ 17216-71. Температура рабочей жидкости во время эксплуатации насосной установки должна находиться в пределах от плюс 5°С до плюс 50°С. Рабочее положение насосной установки - горизонтальное. Допускается наклон до 5° в любую сторону.Рабочий объем насоса: 8,1 см^3 Номинальное давление: 50-250 бар Номинальная подача: 11 л/мин Объём масляного бака: 55 л Электропитание: Трёхфазный ток, напряжением 380 В, 50 Гц Мощность двигателя: 5,5 кВт

109 684 руб.
Уфа
НЭР18-11И55Т1

НЭР18-11И55Т1

Гидростанция с электроприводом типа НЭР18-11И55Т1 предназначена для создания гидравлической энергии и подключения одного или нескольких исполнительных гидроустройств - гидроцилиндров. Гидравлическая насосная станция выполнена в климатическом исполнении «У» категорий размещения 2, 3 по ГОСТ 15150-69. Температура окружающей среды от плюс 5°С до плюс 40°С. Рабочая жидкость: ВМГЗ ТУ 38 101479-86, МГЕ-10А ОСТ 38 01281-82. Класс чистоты рабочей жидкости должен быть не ниже 10 класса по ГОСТ 17216-71. Температура рабочей жидкости во время эксплуатации насосной установки должна находиться в пределах от плюс 5°С до плюс 50°С. Рабочее положение насосной установки - горизонтальное. Допускается наклон до 5° в любую сторону.Рабочий объем насоса: 8,1 см^3 Номинальное давление: 50-180 бар Номинальная подача: 11 л/мин Объём масляного бака: 55 л Электропитание: Трёхфазный ток, напряжением 380 В, 50 Гц Мощность двигателя: 4 кВт

102 189 руб.
Уфа
НЭР14-11И55Т1

НЭР14-11И55Т1

Гидростанция с электроприводом типа НЭР14-11И55Т1 предназначена для создания гидравлической энергии и подключения одного или нескольких исполнительных гидроустройств - гидроцилиндров. Гидравлическая насосная станция выполнена в климатическом исполнении «У» категорий размещения 2, 3 по ГОСТ 15150-69. Температура окружающей среды от плюс 5°С до плюс 40°С. Рабочая жидкость: ВМГЗ ТУ 38 101479-86, МГЕ-10А ОСТ 38 01281-82. Класс чистоты рабочей жидкости должен быть не ниже 10 класса по ГОСТ 17216-71. Температура рабочей жидкости во время эксплуатации насосной установки должна находиться в пределах от плюс 5°С до плюс 50°С. Рабочее положение насосной установки - горизонтальное. Допускается наклон до 5° в любую сторону.Рабочий объем насоса: 8,1 см^3 Номинальное давление: 50-140 бар Номинальная подача: 11 л/мин Объём масляного бака: 55 л Электропитание: Трёхфазный ток, напряжением 380 В, 50 Гц Мощность двигателя: 3 кВт

99 456 руб.
Уфа
НЭР10-11И55Т1

НЭР10-11И55Т1

Гидростанция с электроприводом типа НЭР10-11И55Т1 предназначена для создания гидравлической энергии и подключения одного или нескольких исполнительных гидроустройств - гидроцилиндров. Гидравлическая насосная станция выполнена в климатическом исполнении «У» категорий размещения 2, 3 по ГОСТ 15150-69. Температура окружающей среды от плюс 5°С до плюс 40°С. Рабочая жидкость: ВМГЗ ТУ 38 101479-86, МГЕ-10А ОСТ 38 01281-82. Класс чистоты рабочей жидкости должен быть не ниже 10 класса по ГОСТ 17216-71. Температура рабочей жидкости во время эксплуатации насосной установки должна находиться в пределах от плюс 5°С до плюс 50°С. Рабочее положение насосной установки - горизонтальное. Допускается наклон до 5° в любую сторону.Рабочий объем насоса: 8,1 см^3 Номинальное давление: 50-100 бар Номинальная подача: 11 л/мин Объём масляного бака: 55 л Электропитание: Трёхфазный ток, напряжением 380 В, 50 Гц Мощность двигателя: 2,2 кВт

96 462 руб.
Уфа
НЭР7-11И55Т1

НЭР7-11И55Т1

Гидростанция с электроприводом типа НЭР7-11И55Т1 предназначена для создания гидравлической энергии и подключения одного или нескольких исполнительных гидроустройств - гидроцилиндров. Гидравлическая насосная станция выполнена в климатическом исполнении «У» категорий размещения 2, 3 по ГОСТ 15150-69. Температура окружающей среды от плюс 5°С до плюс 40°С. Рабочая жидкость: ВМГЗ ТУ 38 101479-86, МГЕ-10А ОСТ 38 01281-82. Класс чистоты рабочей жидкости должен быть не ниже 10 класса по ГОСТ 17216-71. Температура рабочей жидкости во время эксплуатации насосной установки должна находиться в пределах от плюс 5°С до плюс 50°С. Рабочее положение насосной установки - горизонтальное. Допускается наклон до 5° в любую сторону.Рабочий объем насоса: 8,1 см^3 Номинальное давление: 50-70 бар Номинальная подача: 11 л/мин Объём масляного бака: 55 л Электропитание: Трёхфазный ток, напряжением 380 В, 50 Гц Мощность двигателя: 1,5 кВт

94 160 руб.
Уфа
НЭР23-9И40Т1

НЭР23-9И40Т1

Гидростанция с электроприводом типа НЭР23-9И40Т1 предназначена для создания гидравлической энергии и подключения одного или нескольких исполнительных гидроустройств - гидроцилиндров. Гидравлическая насосная станция выполнена в климатическом исполнении «У» категорий размещения 2, 3 по ГОСТ 15150-69. Температура окружающей среды от плюс 5°С до плюс 40°С. Рабочая жидкость: ВМГЗ ТУ 38 101479-86, МГЕ-10А ОСТ 38 01281-82. Класс чистоты рабочей жидкости должен быть не ниже 10 класса по ГОСТ 17216-71. Температура рабочей жидкости во время эксплуатации насосной установки должна находиться в пределах от плюс 5°С до плюс 50°С. Рабочее положение насосной установки - горизонтальное. Допускается наклон до 5° в любую сторону.Рабочий объем насоса: 6,7 см^3 Номинальное давление: 50-230 бар Номинальная подача: 9 л/мин Объём масляного бака: 40 л Электропитание: Трёхфазный ток, напряжением 380 В, 50 Гц Мощность двигателя: 4 кВт

86 686 руб.
Уфа
НЭР16-9И40Т1

НЭР16-9И40Т1

Гидростанция с электроприводом типа НЭР16-9И40Т1 предназначена для создания гидравлической энергии и подключения одного или нескольких исполнительных гидроустройств - гидроцилиндров. Гидравлическая насосная станция выполнена в климатическом исполнении «У» категорий размещения 2, 3 по ГОСТ 15150-69. Температура окружающей среды от плюс 5°С до плюс 40°С. Рабочая жидкость: ВМГЗ ТУ 38 101479-86, МГЕ-10А ОСТ 38 01281-82. Класс чистоты рабочей жидкости должен быть не ниже 10 класса по ГОСТ 17216-71. Температура рабочей жидкости во время эксплуатации насосной установки должна находиться в пределах от плюс 5°С до плюс 50°С. Рабочее положение насосной установки - горизонтальное. Допускается наклон до 5° в любую сторону.Рабочий объем насоса: 6,7 см^3 Номинальное давление: 50-160 бар Номинальная подача: 9 л/мин Объём масляного бака: 40 л Электропитание: Трёхфазный ток, напряжением 380 В, 50 Гц Мощность двигателя: 3 кВт

85 837 руб.
Уфа
НЭР12-9И40Т1

НЭР12-9И40Т1

Гидростанция с электроприводом типа НЭР12-9И40Т1 предназначена для создания гидравлической энергии и подключения одного или нескольких исполнительных гидроустройств - гидроцилиндров. Гидравлическая насосная станция выполнена в климатическом исполнении «У» категорий размещения 2, 3 по ГОСТ 15150-69. Температура окружающей среды от плюс 5°С до плюс 40°С. Рабочая жидкость: ВМГЗ ТУ 38 101479-86, МГЕ-10А ОСТ 38 01281-82. Класс чистоты рабочей жидкости должен быть не ниже 10 класса по ГОСТ 17216-71. Температура рабочей жидкости во время эксплуатации насосной установки должна находиться в пределах от плюс 5°С до плюс 50°С. Рабочее положение насосной установки - горизонтальное. Допускается наклон до 5° в любую сторону.Рабочий объем насоса: 6,7 см^3 Номинальное давление: 50-120 бар Номинальная подача: 9 л/мин Объём масляного бака: 40 л Электропитание: Трёхфазный ток, напряжением 380 В, 50 Гц Мощность двигателя: 2,2 кВт

82 627 руб.
Уфа
НЭР8-9И40Т1

НЭР8-9И40Т1

Гидростанция с электроприводом типа НЭР8-9И40Т1 предназначена для создания гидравлической энергии и подключения одного или нескольких исполнительных гидроустройств - гидроцилиндров. Гидравлическая насосная станция выполнена в климатическом исполнении «У» категорий размещения 2, 3 по ГОСТ 15150-69. Температура окружающей среды от плюс 5°С до плюс 40°С. Рабочая жидкость: ВМГЗ ТУ 38 101479-86, МГЕ-10А ОСТ 38 01281-82. Класс чистоты рабочей жидкости должен быть не ниже 10 класса по ГОСТ 17216-71. Температура рабочей жидкости во время эксплуатации насосной установки должна находиться в пределах от плюс 5°С до плюс 50°С. Рабочее положение насосной установки - горизонтальное. Допускается наклон до 5° в любую сторону.Рабочий объем насоса: 6,7 см^3 Номинальное давление: 50-80 бар Номинальная подача: 9 л/мин Объём масляного бака: 40 л Электропитание: Трёхфазный ток, напряжением 380 В, 50 Гц Мощность двигателя: 1,5 кВт

79 960 руб.
Уфа
НЭР5-9И160Т1

НЭР5-9И160Т1

Гидростанция с электроприводом типа НЭР5-9И160Т1 предназначена для создания гидравлической энергии и подключения одного или нескольких исполнительных гидроустройств - гидроцилиндров. Гидравлическая насосная станция выполнена в климатическом исполнении «У» категорий размещения 2, 3 по ГОСТ 15150-69. Температура окружающей среды от плюс 5°С до плюс 40°С. Рабочая жидкость: ВМГЗ ТУ 38 101479-86, МГЕ-10А ОСТ 38 01281-82. Класс чистоты рабочей жидкости должен быть не ниже 10 класса по ГОСТ 17216-71. Температура рабочей жидкости во время эксплуатации насосной установки должна находиться в пределах от плюс 5°С до плюс 50°С. Рабочее положение насосной установки - горизонтальное. Допускается наклон до 5° в любую сторону.Рабочий объем насоса: 6,7 см^3 Номинальное давление: 50 бар Номинальная подача: 9 л/мин Объём масляного бака: 40 л Электропитание: Трёхфазный ток, напряжением 380 В, 50 Гц Мощность двигателя: 1,1 кВт

78 196 руб.
Уфа
НЭР24-8.5И55Т1

НЭР24-8.5И55Т1

Гидростанция с электроприводом типа НЭР24-8.5И55Т1 предназначена для создания гидравлической энергии и подключения одного или нескольких исполнительных гидроустройств - гидроцилиндров. Гидравлическая насосная станция выполнена в климатическом исполнении «У» категорий размещения 2, 3 по ГОСТ 15150-69. Температура окружающей среды от плюс 5°С до плюс 40°С. Рабочая жидкость: ВМГЗ ТУ 38 101479-86, МГЕ-10А ОСТ 38 01281-82. Класс чистоты рабочей жидкости должен быть не ниже 10 класса по ГОСТ 17216-71. Температура рабочей жидкости во время эксплуатации насосной установки должна находиться в пределах от плюс 5°С до плюс 50°С. Рабочее положение насосной установки - горизонтальное. Допускается наклон до 5° в любую сторону.Рабочий объем насоса: 8,3 см^3 Номинальное давление: 50-240 бар Номинальная подача: 8,5 л/мин Объём масляного бака: 55 л Электропитание: Трёхфазный ток, напряжением 380 В, 50 Гц Мощность двигателя: 4 кВт

87 069 руб.
Уфа
НЭР18-8.5И55Т1

НЭР18-8.5И55Т1

Гидростанция с электроприводом типа НЭР18-8.5И55Т1 предназначена для создания гидравлической энергии и подключения одного или нескольких исполнительных гидроустройств - гидроцилиндров. Гидравлическая насосная станция выполнена в климатическом исполнении «У» категорий размещения 2, 3 по ГОСТ 15150-69. Температура окружающей среды от плюс 5°С до плюс 40°С. Рабочая жидкость: ВМГЗ ТУ 38 101479-86, МГЕ-10А ОСТ 38 01281-82. Класс чистоты рабочей жидкости должен быть не ниже 10 класса по ГОСТ 17216-71. Температура рабочей жидкости во время эксплуатации насосной установки должна находиться в пределах от плюс 5°С до плюс 50°С. Рабочее положение насосной установки - горизонтальное. Допускается наклон до 5° в любую сторону.Рабочий объем насоса: 8,3 см^3 Номинальное давление: 50-180 бар Номинальная подача: 8,5 л/мин Объём масляного бака: 55 л Электропитание: Трёхфазный ток, напряжением 380 В, 50 Гц Мощность двигателя: 3 кВт

86 016 руб.
Уфа
НЭР12-8.5И55Т1

НЭР12-8.5И55Т1

Гидростанция с электроприводом типа НЭР12-8.5И55Т1 предназначена для создания гидравлической энергии и подключения одного или нескольких исполнительных гидроустройств - гидроцилиндров. Гидравлическая насосная станция выполнена в климатическом исполнении «У» категорий размещения 2, 3 по ГОСТ 15150-69. Температура окружающей среды от плюс 5°С до плюс 40°С. Рабочая жидкость: ВМГЗ ТУ 38 101479-86, МГЕ-10А ОСТ 38 01281-82. Класс чистоты рабочей жидкости должен быть не ниже 10 класса по ГОСТ 17216-71. Температура рабочей жидкости во время эксплуатации насосной установки должна находиться в пределах от плюс 5°С до плюс 50°С. Рабочее положение насосной установки - горизонтальное. Допускается наклон до 5° в любую сторону.Рабочий объем насоса: 8,3 см^3 Номинальное давление: 50-120 бар Номинальная подача: 8,5 л/мин Объём масляного бака: 55 л Электропитание: Трёхфазный ток, напряжением 380 В, 50 Гц Мощность двигателя: 2,2 кВт

83 022 руб.
Уфа
НЭР9-8.5И55Т1

НЭР9-8.5И55Т1

Гидростанция с электроприводом типа НЭР9-8.5И55Т1 предназначена для создания гидравлической энергии и подключения одного или нескольких исполнительных гидроустройств - гидроцилиндров. Гидравлическая насосная станция выполнена в климатическом исполнении «У» категорий размещения 2, 3 по ГОСТ 15150-69. Температура окружающей среды от плюс 5°С до плюс 40°С. Рабочая жидкость: ВМГЗ ТУ 38 101479-86, МГЕ-10А ОСТ 38 01281-82. Класс чистоты рабочей жидкости должен быть не ниже 10 класса по ГОСТ 17216-71. Температура рабочей жидкости во время эксплуатации насосной установки должна находиться в пределах от плюс 5°С до плюс 50°С. Рабочее положение насосной установки - горизонтальное. Допускается наклон до 5° в любую сторону.Рабочий объем насоса: 8,3 см^3 Номинальное давление: 50-90 бар Номинальная подача: 8,5 л/мин Объём масляного бака: 55 л Электропитание: Трёхфазный ток, напряжением 380 В, 50 Гц Мощность двигателя: 1,5 кВт

82 393 руб.
Уфа
НЭР24-7.5И30Т1

НЭР24-7.5И30Т1

Гидростанция с электроприводом типа НЭР24-7.5И30Т1 предназначена для создания гидравлической энергии и подключения одного или нескольких исполнительных гидроустройств - гидроцилиндров. Гидравлическая насосная станция выполнена в климатическом исполнении «У» категорий размещения 2, 3 по ГОСТ 15150-69. Температура окружающей среды от плюс 5°С до плюс 40°С. Рабочая жидкость: ВМГЗ ТУ 38 101479-86, МГЕ-10А ОСТ 38 01281-82. Класс чистоты рабочей жидкости должен быть не ниже 10 класса по ГОСТ 17216-71. Температура рабочей жидкости во время эксплуатации насосной установки должна находиться в пределах от плюс 5°С до плюс 50°С. Рабочее положение насосной установки - горизонтальное. Допускается наклон до 5° в любую сторону.Рабочий объем насоса: 5,5 см^3 Номинальное давление: 50-230 бар Номинальная подача: 7,5 л/мин Объём масляного бака: 30 л Электропитание: Трёхфазный ток, напряжением 380 В, 50 Гц Мощность двигателя: 4 кВт

81 520 руб.
Уфа
НЭР20-7.5И30Т1

НЭР20-7.5И30Т1

Гидростанция с электроприводом типа НЭР20-7.5И30Т1 предназначена для создания гидравлической энергии и подключения одного или нескольких исполнительных гидроустройств - гидроцилиндров. Гидравлическая насосная станция выполнена в климатическом исполнении «У» категорий размещения 2, 3 по ГОСТ 15150-69. Температура окружающей среды от плюс 5°С до плюс 40°С. Рабочая жидкость: ВМГЗ ТУ 38 101479-86, МГЕ-10А ОСТ 38 01281-82. Класс чистоты рабочей жидкости должен быть не ниже 10 класса по ГОСТ 17216-71. Температура рабочей жидкости во время эксплуатации насосной установки должна находиться в пределах от плюс 5°С до плюс 50°С. Рабочее положение насосной установки - горизонтальное. Допускается наклон до 5° в любую сторону.Рабочий объем насоса: 5,5 см^3 Номинальное давление: 50-1200 бар Номинальная подача: 7,5 л/мин Объём масляного бака: 30 л Электропитание: Трёхфазный ток, напряжением 380 В, 50 Гц Мощность двигателя: 3 кВт

78 787 руб.
Уфа
НЭР15-7.5И30Т1

НЭР15-7.5И30Т1

Гидростанция с электроприводом типа НЭР15-7.5И30Т1 предназначена для создания гидравлической энергии и подключения одного или нескольких исполнительных гидроустройств - гидроцилиндров. Гидравлическая насосная станция выполнена в климатическом исполнении «У» категорий размещения 2, 3 по ГОСТ 15150-69. Температура окружающей среды от плюс 5°С до плюс 40°С. Рабочая жидкость: ВМГЗ ТУ 38 101479-86, МГЕ-10А ОСТ 38 01281-82. Класс чистоты рабочей жидкости должен быть не ниже 10 класса по ГОСТ 17216-71. Температура рабочей жидкости во время эксплуатации насосной установки должна находиться в пределах от плюс 5°С до плюс 50°С. Рабочее положение насосной установки - горизонтальное. Допускается наклон до 5° в любую сторону.Рабочий объем насоса: 5,5 см^3 Номинальное давление: 50-150 бар Номинальная подача: 7,5 л/мин Объём масляного бака: 30 л Электропитание: Трёхфазный ток, напряжением 380 В, 50 Гц Мощность двигателя: 2,2 кВт

75 793 руб.
Уфа
НЭР10-7.5И30Т1

НЭР10-7.5И30Т1

Гидростанция с электроприводом типа НЭР10-7.5И30Т1 предназначена для создания гидравлической энергии и подключения одного или нескольких исполнительных гидроустройств - гидроцилиндров. Гидравлическая насосная станция выполнена в климатическом исполнении «У» категорий размещения 2, 3 по ГОСТ 15150-69. Температура окружающей среды от плюс 5°С до плюс 40°С. Рабочая жидкость: ВМГЗ ТУ 38 101479-86, МГЕ-10А ОСТ 38 01281-82. Класс чистоты рабочей жидкости должен быть не ниже 10 класса по ГОСТ 17216-71. Температура рабочей жидкости во время эксплуатации насосной установки должна находиться в пределах от плюс 5°С до плюс 50°С. Рабочее положение насосной установки - горизонтальное. Допускается наклон до 5° в любую сторону.Рабочий объем насоса: 5,5 см^3 Номинальное давление: 50-100 бар Номинальная подача: 7,5 л/мин Объём масляного бака: 30 л Электропитание: Трёхфазный ток, напряжением 380 В, 50 Гц Мощность двигателя: 1,5 кВт

73 996 руб.
Уфа
НЭР9-61И200Т1

НЭР9-61И200Т1

Гидростанция с электроприводом типа НЭР9-61И200Т1 предназначена для создания гидравлической энергии и подключения одного или нескольких исполнительных гидроустройств - гидроцилиндров. Гидравлическая насосная станция выполнена в климатическом исполнении «У» категорий размещения 2, 3 по ГОСТ 15150-69. Температура окружающей среды от плюс 5°С до плюс 40°С. Рабочая жидкость: ВМГЗ ТУ 38 101479-86, МГЕ-10А ОСТ 38 01281-82. Класс чистоты рабочей жидкости должен быть не ниже 10 класса по ГОСТ 17216-71. Температура рабочей жидкости во время эксплуатации насосной установки должна находиться в пределах от плюс 5°С до плюс 50°С. Рабочее положение насосной установки - горизонтальное. Допускается наклон до 5° в любую сторону.Рабочий объем насоса: 45,2 см^3 Номинальное давление: 50-90 бар Номинальная подача: 61 л/мин Объём масляного бака: 200 л Электропитание: Трёхфазный ток, напряжением 380 В, 50 Гц Мощность двигателя: 11 кВт

199 708 руб.
Уфа
НЭР20-86И400Т1

НЭР20-86И400Т1

Гидростанция с электроприводом типа НЭР20-86И400Т1 предназначена для создания гидравлической энергии и подключения одного или нескольких исполнительных гидроустройств - гидроцилиндров. Гидравлическая насосная станция выполнена в климатическом исполнении «У» категорий размещения 2, 3 по ГОСТ 15150-69. Температура окружающей среды от плюс 5°С до плюс 40°С. Рабочая жидкость: ВМГЗ ТУ 38 101479-86, МГЕ-10А ОСТ 38 01281-82. Класс чистоты рабочей жидкости должен быть не ниже 10 класса по ГОСТ 17216-71. Температура рабочей жидкости во время эксплуатации насосной установки должна находиться в пределах от плюс 5°С до плюс 50°С. Рабочее положение насосной установки - горизонтальное. Допускается наклон до 5° в любую сторонуРабочий объем насоса: 64 см^3 Номинальное давление: 50-200 бар Номинальная подача: 86 л/мин Объём масляного бака: 400 л Электропитание: Трёхфазный ток, напряжением 380 В, 50 Гц Мощность двигателя: 37 кВт

373 234 руб.
Уфа
НЭР18-86И400Т1

НЭР18-86И400Т1

Гидростанция с электроприводом типа НЭР18-86И400Т1 предназначена для создания гидравлической энергии и подключения одного или нескольких исполнительных гидроустройств - гидроцилиндров. Гидравлическая насосная станция выполнена в климатическом исполнении «У» категорий размещения 2, 3 по ГОСТ 15150-69. Температура окружающей среды от плюс 5°С до плюс 40°С. Рабочая жидкость: ВМГЗ ТУ 38 101479-86, МГЕ-10А ОСТ 38 01281-82. Класс чистоты рабочей жидкости должен быть не ниже 10 класса по ГОСТ 17216-71. Температура рабочей жидкости во время эксплуатации насосной установки должна находиться в пределах от плюс 5°С до плюс 50°С. Рабочее положение насосной установки - горизонтальное. Допускается наклон до 5° в любую сторонуРабочий объем насоса: 64 см^3 Номинальное давление: 50-180 бар Номинальная подача: 86 л/мин Объём масляного бака: 400 л Электропитание: Трёхфазный ток, напряжением 380 В, 50 Гц Мощность двигателя: 30 кВт

320 367 руб.
Уфа
НЭР13-86И400Т1

НЭР13-86И400Т1

Гидростанция с электроприводом типа НЭР13-86И400Т1 предназначена для создания гидравлической энергии и подключения одного или нескольких исполнительных гидроустройств - гидроцилиндров. Гидравлическая насосная станция выполнена в климатическом исполнении «У» категорий размещения 2, 3 по ГОСТ 15150-69. Температура окружающей среды от плюс 5°С до плюс 40°С. Рабочая жидкость: ВМГЗ ТУ 38 101479-86, МГЕ-10А ОСТ 38 01281-82. Класс чистоты рабочей жидкости должен быть не ниже 10 класса по ГОСТ 17216-71. Температура рабочей жидкости во время эксплуатации насосной установки должна находиться в пределах от плюс 5°С до плюс 50°С. Рабочее положение насосной установки - горизонтальное. Допускается наклон до 5° в любую сторонуРабочий объем насоса: 64 см^3 Номинальное давление: 50-130 бар Номинальная подача: 86 л/мин Объём масляного бака: 400 л Электропитание: Трёхфазный ток, напряжением 380 В, 50 Гц Мощность двигателя: 22 кВт

297 327 руб.
Уфа
НЭР11-86И400Т1

НЭР11-86И400Т1

Гидростанция с электроприводом типа НЭР11-86И400Т1 предназначена для создания гидравлической энергии и подключения одного или нескольких исполнительных гидроустройств - гидроцилиндров. Гидравлическая насосная станция выполнена в климатическом исполнении «У» категорий размещения 2, 3 по ГОСТ 15150-69. Температура окружающей среды от плюс 5°С до плюс 40°С. Рабочая жидкость: ВМГЗ ТУ 38 101479-86, МГЕ-10А ОСТ 38 01281-82. Класс чистоты рабочей жидкости должен быть не ниже 10 класса по ГОСТ 17216-71. Температура рабочей жидкости во время эксплуатации насосной установки должна находиться в пределах от плюс 5°С до плюс 50°С. Рабочее положение насосной установки - горизонтальное. Допускается наклон до 5° в любую сторонуРабочий объем насоса: 64 см^3 Номинальное давление: 50-110 бар Номинальная подача: 86 л/мин Объём масляного бака: 400 л Электропитание: Трёхфазный ток, напряжением 380 В, 50 Гц Мощность двигателя: 18.5 кВт

285 295 руб.
Уфа
НЭР9-86И400Т1

НЭР9-86И400Т1

Гидростанция с электроприводом типа НЭР9-86И400Т1 предназначена для создания гидравлической энергии и подключения одного или нескольких исполнительных гидроустройств - гидроцилиндров. Гидравлическая насосная станция выполнена в климатическом исполнении «У» категорий размещения 2, 3 по ГОСТ 15150-69. Температура окружающей среды от плюс 5°С до плюс 40°С. Рабочая жидкость: ВМГЗ ТУ 38 101479-86, МГЕ-10А ОСТ 38 01281-82. Класс чистоты рабочей жидкости должен быть не ниже 10 класса по ГОСТ 17216-71. Температура рабочей жидкости во время эксплуатации насосной установки должна находиться в пределах от плюс 5°С до плюс 50°С. Рабочее положение насосной установки - горизонтальное. Допускается наклон до 5° в любую сторонуРабочий объем насоса: 64 см^3 Номинальное давление: 50-90 бар Номинальная подача: 86 л/мин Объём масляного бака: 400 л Электропитание: Трёхфазный ток, напряжением 380 В, 50 Гц Мощность двигателя: 15 кВт

269 950 руб.
Уфа
НЭР25-55И200Т1

НЭР25-55И200Т1

Гидростанция с электроприводом типа НЭР25-55И200Т1 предназначена для создания гидравлической энергии и подключения одного или нескольких исполнительных гидроустройств - гидроцилиндров. Гидравлическая насосная станция выполнена в климатическом исполнении «У» категорий размещения 2, 3 по ГОСТ 15150-69. Температура окружающей среды от плюс 5°С до плюс 40°С. Рабочая жидкость: ВМГЗ ТУ 38 101479-86, МГЕ-10А ОСТ 38 01281-82. Класс чистоты рабочей жидкости должен быть не ниже 10 класса по ГОСТ 17216-71. Температура рабочей жидкости во время эксплуатации насосной установки должна находиться в пределах от плюс 5°С до плюс 50°С. Рабочее положение насосной установки - горизонтальное. Допускается наклон до 5° в любую сторону.Рабочий объем насоса: 40,5 см^3 Номинальное давление: 50-250 бар Номинальная подача: 55 л/мин Объём масляного бака: 200 л Электропитание: Трёхфазный ток, напряжением 380 В, 50 Гц Мощность двигателя: 30 кВт

240 496 руб.
Уфа
НЭР20-55И200Т1

НЭР20-55И200Т1

Гидростанция с электроприводом типа НЭР20-55И200Т1 предназначена для создания гидравлической энергии и подключения одного или нескольких исполнительных гидроустройств - гидроцилиндров. Гидравлическая насосная станция выполнена в климатическом исполнении «У» категорий размещения 2, 3 по ГОСТ 15150-69. Температура окружающей среды от плюс 5°С до плюс 40°С. Рабочая жидкость: ВМГЗ ТУ 38 101479-86, МГЕ-10А ОСТ 38 01281-82. Класс чистоты рабочей жидкости должен быть не ниже 10 класса по ГОСТ 17216-71. Температура рабочей жидкости во время эксплуатации насосной установки должна находиться в пределах от плюс 5°С до плюс 50°С. Рабочее положение насосной установки - горизонтальное. Допускается наклон до 5° в любую сторону.Рабочий объем насоса: 40,5 см^3 Номинальное давление: 50-200 бар Номинальная подача: 55 л/мин Объём масляного бака: 200 л Электропитание: Трёхфазный ток, напряжением 380 В, 50 Гц Мощность двигателя: 22 кВт

218 896 руб.
Уфа
НЭР17-55И200Т1

НЭР17-55И200Т1

Гидростанция с электроприводом типа НЭР17-55И200Т1 предназначена для создания гидравлической энергии и подключения одного или нескольких исполнительных гидроустройств - гидроцилиндров. Гидравлическая насосная станция выполнена в климатическом исполнении «У» категорий размещения 2, 3 по ГОСТ 15150-69. Температура окружающей среды от плюс 5°С до плюс 40°С. Рабочая жидкость: ВМГЗ ТУ 38 101479-86, МГЕ-10А ОСТ 38 01281-82. Класс чистоты рабочей жидкости должен быть не ниже 10 класса по ГОСТ 17216-71. Температура рабочей жидкости во время эксплуатации насосной установки должна находиться в пределах от плюс 5°С до плюс 50°С. Рабочее положение насосной установки - горизонтальное. Допускается наклон до 5° в любую сторону.Рабочий объем насоса: 40,5 см^3 Номинальное давление: 50-170 бар Номинальная подача: 55 л/мин Объём масляного бака: 200 л Электропитание: Трёхфазный ток, напряжением 380 В, 50 Гц Мощность двигателя: 18,5 кВт

207 615 руб.
Уфа
НЭР14-55И200Т1

НЭР14-55И200Т1

Гидростанция с электроприводом типа НЭР14-55И200Т1 предназначена для создания гидравлической энергии и подключения одного или нескольких исполнительных гидроустройств - гидроцилиндров. Гидравлическая насосная станция выполнена в климатическом исполнении «У» категорий размещения 2, 3 по ГОСТ 15150-69. Температура окружающей среды от плюс 5°С до плюс 40°С. Рабочая жидкость: ВМГЗ ТУ 38 101479-86, МГЕ-10А ОСТ 38 01281-82. Класс чистоты рабочей жидкости должен быть не ниже 10 класса по ГОСТ 17216-71. Температура рабочей жидкости во время эксплуатации насосной установки должна находиться в пределах от плюс 5°С до плюс 50°С. Рабочее положение насосной установки - горизонтальное. Допускается наклон до 5° в любую сторону.Рабочий объем насоса: 40,5 см^3 Номинальное давление: 50-140 бар Номинальная подача: 55 л/мин Объём масляного бака: 200 л Электропитание: Трёхфазный ток, напряжением 380 В, 50 Гц Мощность двигателя: 15 кВт

193 230 руб.
Уфа
НЭР10-55И200Т1

НЭР10-55И200Т1

Гидростанция с электроприводом типа НЭР10-55И200Т1 предназначена для создания гидравлической энергии и подключения одного или нескольких исполнительных гидроустройств - гидроцилиндров. Гидравлическая насосная станция выполнена в климатическом исполнении «У» категорий размещения 2, 3 по ГОСТ 15150-69. Температура окружающей среды от плюс 5°С до плюс 40°С. Рабочая жидкость: ВМГЗ ТУ 38 101479-86, МГЕ-10А ОСТ 38 01281-82. Класс чистоты рабочей жидкости должен быть не ниже 10 класса по ГОСТ 17216-71. Температура рабочей жидкости во время эксплуатации насосной установки должна находиться в пределах от плюс 5°С до плюс 50°С. Рабочее положение насосной установки - горизонтальное. Допускается наклон до 5° в любую сторону.Рабочий объем насоса: 40,5 см^3 Номинальное давление: 50-100 бар Номинальная подача: 55 л/мин Объём масляного бака: 200 л Электропитание: Трёхфазный ток, напряжением 380 В, 50 Гц Мощность двигателя: 11 кВт

182 415 руб.
Уфа
НЭР24-47И160Т1

НЭР24-47И160Т1

Гидростанция с электроприводом типа НЭР24-47И160Т1 предназначена для создания гидравлической энергии и подключения одного или нескольких исполнительных гидроустройств - гидроцилиндров. Гидравлическая насосная станция выполнена в климатическом исполнении «У» категорий размещения 2, 3 по ГОСТ 15150-69. Температура окружающей среды от плюс 5°С до плюс 40°С. Рабочая жидкость: ВМГЗ ТУ 38 101479-86, МГЕ-10А ОСТ 38 01281-82. Класс чистоты рабочей жидкости должен быть не ниже 10 класса по ГОСТ 17216-71. Температура рабочей жидкости во время эксплуатации насосной установки должна находиться в пределах от плюс 5°С до плюс 50°С. Рабочее положение насосной установки - горизонтальное. Допускается наклон до 5° в любую сторону.Рабочий объем насоса: 29,9 см^3 Номинальное давление: 50-240 бар Номинальная подача: 47 л/мин Объём масляного бака: 160 л Электропитание: Трёхфазный ток, напряжением 380 В, 50 Гц Мощность двигателя: 22 кВт

201 183 руб.
Уфа
НЭР20-47И160Т1

НЭР20-47И160Т1

Гидростанция с электроприводом типа НЭР20-47И160Т1 предназначена для создания гидравлической энергии и подключения одного или нескольких исполнительных гидроустройств - гидроцилиндров. Гидравлическая насосная станция выполнена в климатическом исполнении «У» категорий размещения 2, 3 по ГОСТ 15150-69. Температура окружающей среды от плюс 5°С до плюс 40°С. Рабочая жидкость: ВМГЗ ТУ 38 101479-86, МГЕ-10А ОСТ 38 01281-82. Класс чистоты рабочей жидкости должен быть не ниже 10 класса по ГОСТ 17216-71. Температура рабочей жидкости во время эксплуатации насосной установки должна находиться в пределах от плюс 5°С до плюс 50°С. Рабочее положение насосной установки - горизонтальное. Допускается наклон до 5° в любую сторону.Рабочий объем насоса: 29,9 см^3 Номинальное давление: 50-200 бар Номинальная подача: 47 л/мин Объём масляного бака: 160 л Электропитание: Трёхфазный ток, напряжением 380 В, 50 Гц Мощность двигателя: 18,5 кВт

190 654 руб.
Уфа
НЭР6-86И400Т1

НЭР6-86И400Т1

Гидростанция с электроприводом типа НЭР6-86И400Т1 предназначена для создания гидравлической энергии и подключения одного или нескольких исполнительных гидроустройств - гидроцилиндров. Гидравлическая насосная станция выполнена в климатическом исполнении «У» категорий размещения 2, 3 по ГОСТ 15150-69. Температура окружающей среды от плюс 5°С до плюс 40°С. Рабочая жидкость: ВМГЗ ТУ 38 101479-86, МГЕ-10А ОСТ 38 01281-82. Класс чистоты рабочей жидкости должен быть не ниже 10 класса по ГОСТ 17216-71. Температура рабочей жидкости во время эксплуатации насосной установки должна находиться в пределах от плюс 5°С до плюс 50°С. Рабочее положение насосной установки - горизонтальное. Допускается наклон до 5° в любую сторонуРабочий объем насоса: 64 см^3 Номинальное давление: 50-60 бар Номинальная подача: 86 л/мин Объём масляного бака: 400 л Электропитание: Трёхфазный ток, напряжением 380 В, 50 Гц Мощность двигателя: 11 кВт

258 415 руб.
Уфа
НЭР16-47И160Т1

НЭР16-47И160Т1

Гидростанция с электроприводом типа НЭР16-47И160Т1 предназначена для создания гидравлической энергии и подключения одного или нескольких исполнительных гидроустройств - гидроцилиндров. Гидравлическая насосная станция выполнена в климатическом исполнении «У» категорий размещения 2, 3 по ГОСТ 15150-69. Температура окружающей среды от плюс 5°С до плюс 40°С. Рабочая жидкость: ВМГЗ ТУ 38 101479-86, МГЕ-10А ОСТ 38 01281-82. Класс чистоты рабочей жидкости должен быть не ниже 10 класса по ГОСТ 17216-71. Температура рабочей жидкости во время эксплуатации насосной установки должна находиться в пределах от плюс 5°С до плюс 50°С. Рабочее положение насосной установки - горизонтальное. Допускается наклон до 5° в любую сторону.Рабочий объем насоса: 29,9 см^3 Номинальное давление: 50-160 бар Номинальная подача: 47 л/мин Объём масляного бака: 160 л Электропитание: Трёхфазный ток, напряжением 380 В, 50 Гц Мощность двигателя: 15 кВт

177 229 руб.
Уфа
НЭР12-47И160Т1

НЭР12-47И160Т1

Гидростанция с электроприводом типа НЭР12-47И160Т1 предназначена для создания гидравлической энергии и подключения одного или нескольких исполнительных гидроустройств - гидроцилиндров. Гидравлическая насосная станция выполнена в климатическом исполнении «У» категорий размещения 2, 3 по ГОСТ 15150-69. Температура окружающей среды от плюс 5°С до плюс 40°С. Рабочая жидкость: ВМГЗ ТУ 38 101479-86, МГЕ-10А ОСТ 38 01281-82. Класс чистоты рабочей жидкости должен быть не ниже 10 класса по ГОСТ 17216-71. Температура рабочей жидкости во время эксплуатации насосной установки должна находиться в пределах от плюс 5°С до плюс 50°С. Рабочее положение насосной установки - горизонтальное. Допускается наклон до 5° в любую сторону.Рабочий объем насоса: 29,9 см^3 Номинальное давление: 50-120 бар Номинальная подача: 47 л/мин Объём масляного бака: 160 л Электропитание: Трёхфазный ток, напряжением 380 В, 50 Гц Мощность двигателя: 11 кВт

167 134 руб.
Уфа
НЭР25-40И160Т1

НЭР25-40И160Т1

Гидростанция с электроприводом типа НЭР25-40И160Т1 предназначена для создания гидравлической энергии и подключения одного или нескольких исполнительных гидроустройств - гидроцилиндров. Гидравлическая насосная станция выполнена в климатическом исполнении «У» категорий размещения 2, 3 по ГОСТ 15150-69. Температура окружающей среды от плюс 5°С до плюс 40°С. Рабочая жидкость: ВМГЗ ТУ 38 101479-86, МГЕ-10А ОСТ 38 01281-82. Класс чистоты рабочей жидкости должен быть не ниже 10 класса по ГОСТ 17216-71. Температура рабочей жидкости во время эксплуатации насосной установки должна находиться в пределах от плюс 5°С до плюс 50°С. Рабочее положение насосной установки - горизонтальное. Допускается наклон до 5° в любую сторону.Рабочий объем насоса: 29,9 см^3 Номинальное давление: 50-250 бар Номинальная подача: 40 л/мин Объём масляного бака: 160 л Электропитание: Трёхфазный ток, напряжением 380 В, 50 Гц Мощность двигателя: 22 кВт

201 183 руб.
Уфа
НЭР16-100И500Т1

НЭР16-100И500Т1

Гидростанция с электроприводом типа НЭР16-100И500Т1 предназначена для создания гидравлической энергии и подключения одного или нескольких исполнительных гидроустройств - гидроцилиндров. Гидравлическая насосная станция выполнена в климатическом исполнении «У» категорий размещения 2, 3 по ГОСТ 15150-69. Температура окружающей среды от плюс 5°С до плюс 40°С. Рабочая жидкость: ВМГЗ ТУ 38 101479-86, МГЕ-10А ОСТ 38 01281-82. Класс чистоты рабочей жидкости должен быть не ниже 10 класса по ГОСТ 17216-71. Температура рабочей жидкости во время эксплуатации насосной установки должна находиться в пределах от плюс 5°С до плюс 50°С. Рабочее положение насосной установки - горизонтальное. Допускается наклон до 5° в любую сторону.Рабочий объем насоса: 70 см^3 Номинальное давление: 50-160 бар Номинальная подача: 100 л/мин Объём масляного бака: 500 л Электропитание: Трёхфазный ток, напряжением 380 В, 50 Гц Мощность двигателя: 30 кВт

346 668 руб.
Уфа
НЭР7-7.5И160Т1

НЭР7-7.5И160Т1

Гидростанция с электроприводом типа НЭР24-7.5И30Т1 предназначена для создания гидравлической энергии и подключения одного или нескольких исполнительных гидроустройств - гидроцилиндров. Гидравлическая насосная станция выполнена в климатическом исполнении «У» категорий размещения 2, 3 по ГОСТ 15150-69. Температура окружающей среды от плюс 5°С до плюс 40°С. Рабочая жидкость: ВМГЗ ТУ 38 101479-86, МГЕ-10А ОСТ 38 01281-82. Класс чистоты рабочей жидкости должен быть не ниже 10 класса по ГОСТ 17216-71. Температура рабочей жидкости во время эксплуатации насосной установки должна находиться в пределах от плюс 5°С до плюс 50°С. Рабочее положение насосной установки - горизонтальное. Допускается наклон до 5° в любую сторону.Рабочий объем насоса: 5,5 см^3 Номинальное давление: 50-70 бар Номинальная подача: 7,5 л/мин Объём масляного бака: 30 л Электропитание: Трёхфазный ток, напряжением 380 В, 50 Гц Мощность двигателя: 1,1 кВт

73 042 руб.
Уфа
НЭЭ16-100И500Т1

НЭЭ16-100И500Т1

Маслостанция с электроприводом типа НЭЭ16-100И500Т1 предназначена для создания гидравлической энергии и подключения одного или нескольких исполнительных гидроустройств - гидроцилиндров. Гидравлическая насосная станция выполнена в климатическом исполнении «У» категорий размещения 2, 3 по ГОСТ 15150-69. Температура окружающей среды от плюс 5°С до плюс 40°С. Рабочая жидкость: ВМГЗ ТУ 38 101479-86, МГЕ-10А ОСТ 38 01281-82. Класс чистоты рабочей жидкости должен быть не ниже 10 класса по ГОСТ 17216-71. Температура рабочей жидкости во время эксплуатации насосной установки должна находиться в пределах от плюс 5°С до плюс 50°С. Рабочее положение насосной установки - горизонтальное. Допускается наклон до 5° в любую сторону.Рабочий объем насоса: 70 см^3 Номинальное давление: 70-160 бар Номинальная подача: 100 л/мин Объём масляного бака: 500 л Электропитание: Трёхфазный ток, напряжением 380 В, 50 Гц Мощность двигателя: 30 кВт

357 036 руб.
Уфа
НЭЭ12-100И500Т1

НЭЭ12-100И500Т1

Маслостанция с электроприводом типа НЭЭ12-100И500Т1 предназначена для создания гидравлической энергии и подключения одного или нескольких исполнительных гидроустройств - гидроцилиндров. Гидравлическая насосная станция выполнена в климатическом исполнении «У» категорий размещения 2, 3 по ГОСТ 15150-69. Температура окружающей среды от плюс 5°С до плюс 40°С. Рабочая жидкость: ВМГЗ ТУ 38 101479-86, МГЕ-10А ОСТ 38 01281-82. Класс чистоты рабочей жидкости должен быть не ниже 10 класса по ГОСТ 17216-71. Температура рабочей жидкости во время эксплуатации насосной установки должна находиться в пределах от плюс 5°С до плюс 50°С. Рабочее положение насосной установки - горизонтальное. Допускается наклон до 5° в любую сторону.Рабочий объем насоса: 70 см^3 Номинальное давление: 35-120 бар Номинальная подача: 100 л/мин Объём масляного бака: 500 л Электропитание: Трёхфазный ток, напряжением 380 В, 50 Гц Мощность двигателя: 22 кВт

333 996 руб.
Уфа
НЭЭ10-100И500Т1

НЭЭ10-100И500Т1

Маслостанция с электроприводом типа НЭЭ10-100И500Т1 предназначена для создания гидравлической энергии и подключения одного или нескольких исполнительных гидроустройств - гидроцилиндров. Гидравлическая насосная станция выполнена в климатическом исполнении «У» категорий размещения 2, 3 по ГОСТ 15150-69. Температура окружающей среды от плюс 5°С до плюс 40°С. Рабочая жидкость: ВМГЗ ТУ 38 101479-86, МГЕ-10А ОСТ 38 01281-82. Класс чистоты рабочей жидкости должен быть не ниже 10 класса по ГОСТ 17216-71. Температура рабочей жидкости во время эксплуатации насосной установки должна находиться в пределах от плюс 5°С до плюс 50°С. Рабочее положение насосной установки - горизонтальное. Допускается наклон до 5° в любую сторону.Рабочий объем насоса: 70 см^3 Номинальное давление: 35-100 бар Номинальная подача: 100 л/мин Объём масляного бака: 500 л Электропитание: Трёхфазный ток, напряжением 380 В, 50 Гц Мощность двигателя: 18,5 кВт

321 964 руб.
Уфа
НЭЭ8-100И500Т1

НЭЭ8-100И500Т1

Маслостанция с электроприводом типа НЭЭ8-100И500Т1 предназначена для создания гидравлической энергии и подключения одного или нескольких исполнительных гидроустройств - гидроцилиндров. Гидравлическая насосная станция выполнена в климатическом исполнении «У» категорий размещения 2, 3 по ГОСТ 15150-69. Температура окружающей среды от плюс 5°С до плюс 40°С. Рабочая жидкость: ВМГЗ ТУ 38 101479-86, МГЕ-10А ОСТ 38 01281-82. Класс чистоты рабочей жидкости должен быть не ниже 10 класса по ГОСТ 17216-71. Температура рабочей жидкости во время эксплуатации насосной установки должна находиться в пределах от плюс 5°С до плюс 50°С. Рабочее положение насосной установки - горизонтальное. Допускается наклон до 5° в любую сторону.Рабочий объем насоса: 70 см^3 Номинальное давление: 35-80 бар Номинальная подача: 100 л/мин Объём масляного бака: 500 л Электропитание: Трёхфазный ток, напряжением 380 В, 50 Гц Мощность двигателя: 15 кВт

306 618 руб.
Уфа
НЭЭ6-100И500Т1

НЭЭ6-100И500Т1

Маслостанция с электроприводом типа НЭЭ6-100И500Т1 предназначена для создания гидравлической энергии и подключения одного или нескольких исполнительных гидроустройств - гидроцилиндров. Гидравлическая насосная станция выполнена в климатическом исполнении «У» категорий размещения 2, 3 по ГОСТ 15150-69. Температура окружающей среды от плюс 5°С до плюс 40°С. Рабочая жидкость: ВМГЗ ТУ 38 101479-86, МГЕ-10А ОСТ 38 01281-82. Класс чистоты рабочей жидкости должен быть не ниже 10 класса по ГОСТ 17216-71. Температура рабочей жидкости во время эксплуатации насосной установки должна находиться в пределах от плюс 5°С до плюс 50°С. Рабочее положение насосной установки - горизонтальное. Допускается наклон до 5° в любую сторону.Рабочий объем насоса: 70 см^3 Номинальное давление: 35-50 бар Номинальная подача: 100 л/мин Объём масляного бака: 500 л Электропитание: Трёхфазный ток, напряжением 380 В, 50 Гц Мощность двигателя: 11 кВт

283 123 руб.
Уфа
НЭЭ20-86И400Т1

НЭЭ20-86И400Т1

Маслостанция с электроприводом типа НЭЭ20-86И400Т1 предназначена для создания гидравлической энергии и подключения одного или нескольких исполнительных гидроустройств - гидроцилиндров. Гидравлическая насосная станция выполнена в климатическом исполнении «У» категорий размещения 2, 3 по ГОСТ 15150-69. Температура окружающей среды от плюс 5°С до плюс 40°С. Рабочая жидкость: ВМГЗ ТУ 38 101479-86, МГЕ-10А ОСТ 38 01281-82. Класс чистоты рабочей жидкости должен быть не ниже 10 класса по ГОСТ 17216-71. Температура рабочей жидкости во время эксплуатации насосной установки должна находиться в пределах от плюс 5°С до плюс 50°С. Рабочее положение насосной установки - горизонтальное. Допускается наклон до 5° в любую сторону.Рабочий объем насоса: 64 см^3 Номинальное давление: 70-180 бар Номинальная подача: 86 л/мин Объём масляного бака: 400 л Электропитание: Трёхфазный ток, напряжением 380 В, 50 Гц Мощность двигателя: 37 кВт

407 497 руб.
Уфа
НЭЭ18-86И400Т1

НЭЭ18-86И400Т1

Маслостанция с электроприводом типа НЭЭ18-86И400Т1 предназначена для создания гидравлической энергии и подключения одного или нескольких исполнительных гидроустройств - гидроцилиндров. Гидравлическая насосная станция выполнена в климатическом исполнении «У» категорий размещения 2, 3 по ГОСТ 15150-69. Температура окружающей среды от плюс 5°С до плюс 40°С. Рабочая жидкость: ВМГЗ ТУ 38 101479-86, МГЕ-10А ОСТ 38 01281-82. Класс чистоты рабочей жидкости должен быть не ниже 10 класса по ГОСТ 17216-71. Температура рабочей жидкости во время эксплуатации насосной установки должна находиться в пределах от плюс 5°С до плюс 50°С. Рабочее положение насосной установки - горизонтальное. Допускается наклон до 5° в любую сторону.Рабочий объем насоса: 64 см^3 Номинальное давление: 70-180 бар Номинальная подача: 86 л/мин Объём масляного бака: 400 л Электропитание: Трёхфазный ток, напряжением 380 В, 50 Гц Мощность двигателя: 30 кВт

354 630 руб.
Уфа
НЭЭ13-86И400Т1

НЭЭ13-86И400Т1

Маслостанция с электроприводом типа НЭЭ13-86И400Т1 предназначена для создания гидравлической энергии и подключения одного или нескольких исполнительных гидроустройств - гидроцилиндров. Гидравлическая насосная станция выполнена в климатическом исполнении «У» категорий размещения 2, 3 по ГОСТ 15150-69. Температура окружающей среды от плюс 5°С до плюс 40°С. Рабочая жидкость: ВМГЗ ТУ 38 101479-86, МГЕ-10А ОСТ 38 01281-82. Класс чистоты рабочей жидкости должен быть не ниже 10 класса по ГОСТ 17216-71. Температура рабочей жидкости во время эксплуатации насосной установки должна находиться в пределах от плюс 5°С до плюс 50°С. Рабочее положение насосной установки - горизонтальное. Допускается наклон до 5° в любую сторону.Рабочий объем насоса: 64 см^3 Номинальное давление: 35-130 бар Номинальная подача: 86 л/мин Объём масляного бака: 400 л Электропитание: Трёхфазный ток, напряжением 380 В, 50 Гц Мощность двигателя: 22 кВт

331 590 руб.
Уфа
НЭЭ11-86И400Т1

НЭЭ11-86И400Т1

Маслостанция с электроприводом типа НЭЭ11-86И400Т1 предназначена для создания гидравлической энергии и подключения одного или нескольких исполнительных гидроустройств - гидроцилиндров. Гидравлическая насосная станция выполнена в климатическом исполнении «У» категорий размещения 2, 3 по ГОСТ 15150-69. Температура окружающей среды от плюс 5°С до плюс 40°С. Рабочая жидкость: ВМГЗ ТУ 38 101479-86, МГЕ-10А ОСТ 38 01281-82. Класс чистоты рабочей жидкости должен быть не ниже 10 класса по ГОСТ 17216-71. Температура рабочей жидкости во время эксплуатации насосной установки должна находиться в пределах от плюс 5°С до плюс 50°С. Рабочее положение насосной установки - горизонтальное. Допускается наклон до 5° в любую сторону.Рабочий объем насоса: 64 см^3 Номинальное давление: 35-110 бар Номинальная подача: 86 л/мин Объём масляного бака: 400 л Электропитание: Трёхфазный ток, напряжением 380 В, 50 Гц Мощность двигателя: 18,5 кВт

319 557 руб.
Уфа
НЭЭ9-86И400Т1

НЭЭ9-86И400Т1

Маслостанция с электроприводом типа НЭЭ9-86И400Т1 предназначена для создания гидравлической энергии и подключения одного или нескольких исполнительных гидроустройств - гидроцилиндров. Гидравлическая насосная станция выполнена в климатическом исполнении «У» категорий размещения 2, 3 по ГОСТ 15150-69. Температура окружающей среды от плюс 5°С до плюс 40°С. Рабочая жидкость: ВМГЗ ТУ 38 101479-86, МГЕ-10А ОСТ 38 01281-82. Класс чистоты рабочей жидкости должен быть не ниже 10 класса по ГОСТ 17216-71. Температура рабочей жидкости во время эксплуатации насосной установки должна находиться в пределах от плюс 5°С до плюс 50°С. Рабочее положение насосной установки - горизонтальное. Допускается наклон до 5° в любую сторону.Рабочий объем насоса: 64 см^3 Номинальное давление: 35-90 бар Номинальная подача: 86 л/мин Объём масляного бака: 400 л Электропитание: Трёхфазный ток, напряжением 380 В, 50 Гц Мощность двигателя: 15 кВт

304 213 руб.
Уфа
НЭЭ6-86И400Т1

НЭЭ6-86И400Т1

Маслостанция с электроприводом типа НЭЭ6-86И400Т1 предназначена для создания гидравлической энергии и подключения одного или нескольких исполнительных гидроустройств - гидроцилиндров. Гидравлическая насосная станция выполнена в климатическом исполнении «У» категорий размещения 2, 3 по ГОСТ 15150-69. Температура окружающей среды от плюс 5°С до плюс 40°С. Рабочая жидкость: ВМГЗ ТУ 38 101479-86, МГЕ-10А ОСТ 38 01281-82. Класс чистоты рабочей жидкости должен быть не ниже 10 класса по ГОСТ 17216-71. Температура рабочей жидкости во время эксплуатации насосной установки должна находиться в пределах от плюс 5°С до плюс 50°С. Рабочее положение насосной установки - горизонтальное. Допускается наклон до 5° в любую сторону.Рабочий объем насоса: 64 см^3 Номинальное давление: 35-60 бар Номинальная подача: 86 л/мин Объём масляного бака: 400 л Электропитание: Трёхфазный ток, напряжением 380 В, 50 Гц Мощность двигателя: 11 кВт

292 633 руб.
Уфа
НЭЭ20-81И400Т1

НЭЭ20-81И400Т1

Маслостанция с электроприводом типа НЭЭ20-81И400Т1 предназначена для создания гидравлической энергии и подключения одного или нескольких исполнительных гидроустройств - гидроцилиндров. Гидравлическая насосная станция выполнена в климатическом исполнении «У» категорий размещения 2, 3 по ГОСТ 15150-69. Температура окружающей среды от плюс 5°С до плюс 40°С. Рабочая жидкость: ВМГЗ ТУ 38 101479-86, МГЕ-10А ОСТ 38 01281-82. Класс чистоты рабочей жидкости должен быть не ниже 10 класса по ГОСТ 17216-71. Температура рабочей жидкости во время эксплуатации насосной установки должна находиться в пределах от плюс 5°С до плюс 50°С. Рабочее положение насосной установки - горизонтальное. Допускается наклон до 5° в любую сторону.Рабочий объем насоса: 60 см^3 Номинальное давление: 70-180 бар Номинальная подача: 81 л/мин Объём масляного бака: 400 л Электропитание: Трёхфазный ток, напряжением 380 В, 50 Гц Мощность двигателя: 37 кВт

388 297 руб.
Уфа
НЭЭ18-81И400Т1

НЭЭ18-81И400Т1

Маслостанция с электроприводом типа НЭЭ18-81И400Т1 предназначена для создания гидравлической энергии и подключения одного или нескольких исполнительных гидроустройств - гидроцилиндров. Гидравлическая насосная станция выполнена в климатическом исполнении «У» категорий размещения 2, 3 по ГОСТ 15150-69. Температура окружающей среды от плюс 5°С до плюс 40°С. Рабочая жидкость: ВМГЗ ТУ 38 101479-86, МГЕ-10А ОСТ 38 01281-82. Класс чистоты рабочей жидкости должен быть не ниже 10 класса по ГОСТ 17216-71. Температура рабочей жидкости во время эксплуатации насосной установки должна находиться в пределах от плюс 5°С до плюс 50°С. Рабочее положение насосной установки - горизонтальное. Допускается наклон до 5° в любую сторону.Рабочий объем насоса: 60 см^3 Номинальное давление: 70-180 бар Номинальная подача: 81 л/мин Объём масляного бака: 400 л Электропитание: Трёхфазный ток, напряжением 380 В, 50 Гц Мощность двигателя: 30 кВт

335 430 руб.
Уфа
НЭЭ14-81И400Т1

НЭЭ14-81И400Т1

Маслостанция с электроприводом типа НЭЭ14-81И400Т1 предназначена для создания гидравлической энергии и подключения одного или нескольких исполнительных гидроустройств - гидроцилиндров. Гидравлическая насосная станция выполнена в климатическом исполнении «У» категорий размещения 2, 3 по ГОСТ 15150-69. Температура окружающей среды от плюс 5°С до плюс 40°С. Рабочая жидкость: ВМГЗ ТУ 38 101479-86, МГЕ-10А ОСТ 38 01281-82. Класс чистоты рабочей жидкости должен быть не ниже 10 класса по ГОСТ 17216-71. Температура рабочей жидкости во время эксплуатации насосной установки должна находиться в пределах от плюс 5°С до плюс 50°С. Рабочее положение насосной установки - горизонтальное. Допускается наклон до 5° в любую сторону.Рабочий объем насоса: 60 см^3 Номинальное давление: 35-140 бар Номинальная подача: 81 л/мин Объём масляного бака: 400 л Электропитание: Трёхфазный ток, напряжением 380 В, 50 Гц Мощность двигателя: 22 кВт

312 390 руб.
Уфа
НЭЭ11-81И400Т1

НЭЭ11-81И400Т1

Маслостанция с электроприводом типа НЭЭ11-81И400Т1 предназначена для создания гидравлической энергии и подключения одного или нескольких исполнительных гидроустройств - гидроцилиндров. Гидравлическая насосная станция выполнена в климатическом исполнении «У» категорий размещения 2, 3 по ГОСТ 15150-69. Температура окружающей среды от плюс 5°С до плюс 40°С. Рабочая жидкость: ВМГЗ ТУ 38 101479-86, МГЕ-10А ОСТ 38 01281-82. Класс чистоты рабочей жидкости должен быть не ниже 10 класса по ГОСТ 17216-71. Температура рабочей жидкости во время эксплуатации насосной установки должна находиться в пределах от плюс 5°С до плюс 50°С. Рабочее положение насосной установки - горизонтальное. Допускается наклон до 5° в любую сторону.Рабочий объем насоса: 60 см^3 Номинальное давление: 35-110 бар Номинальная подача: 81 л/мин Объём масляного бака: 400 л Электропитание: Трёхфазный ток, напряжением 380 В, 50 Гц Мощность двигателя: 18,5 кВт

300 358 руб.
Уфа
НЭЭ9-81И400Т1

НЭЭ9-81И400Т1

Маслостанция с электроприводом типа НЭЭ9-81И400Т1 предназначена для создания гидравлической энергии и подключения одного или нескольких исполнительных гидроустройств - гидроцилиндров. Гидравлическая насосная станция выполнена в климатическом исполнении «У» категорий размещения 2, 3 по ГОСТ 15150-69. Температура окружающей среды от плюс 5°С до плюс 40°С. Рабочая жидкость: ВМГЗ ТУ 38 101479-86, МГЕ-10А ОСТ 38 01281-82. Класс чистоты рабочей жидкости должен быть не ниже 10 класса по ГОСТ 17216-71. Температура рабочей жидкости во время эксплуатации насосной установки должна находиться в пределах от плюс 5°С до плюс 50°С. Рабочее положение насосной установки - горизонтальное. Допускается наклон до 5° в любую сторону.Рабочий объем насоса: 60 см^3 Номинальное давление: 35-90 бар Номинальная подача: 81 л/мин Объём масляного бака: 400 л Электропитание: Трёхфазный ток, напряжением 380 В, 50 Гц Мощность двигателя: 15 кВт

285 014 руб.
Уфа
НЭР23-40И160Т1

НЭР23-40И160Т1

Гидростанция с электроприводом типа НЭР23-40И160Т1 предназначена для создания гидравлической энергии и подключения одного или нескольких исполнительных гидроустройств - гидроцилиндров. Гидравлическая насосная станция выполнена в климатическом исполнении «У» категорий размещения 2, 3 по ГОСТ 15150-69. Температура окружающей среды от плюс 5°С до плюс 40°С. Рабочая жидкость: ВМГЗ ТУ 38 101479-86, МГЕ-10А ОСТ 38 01281-82. Класс чистоты рабочей жидкости должен быть не ниже 10 класса по ГОСТ 17216-71. Температура рабочей жидкости во время эксплуатации насосной установки должна находиться в пределах от плюс 5°С до плюс 50°С. Рабочее положение насосной установки - горизонтальное. Допускается наклон до 5° в любую сторону.Рабочий объем насоса: 29,9 см^3 Номинальное давление: 50-230 бар Номинальная подача: 40 л/мин Объём масляного бака: 160 л Электропитание: Трёхфазный ток, напряжением 380 В, 50 Гц Мощность двигателя: 18,5 кВт

190 654 руб.
Уфа
НЭР12-100И500Т1

НЭР12-100И500Т1

Гидростанция с электроприводом типа НЭР12-100И500Т1 предназначена для создания гидравлической энергии и подключения одного или нескольких исполнительных гидроустройств - гидроцилиндров. Гидравлическая насосная станция выполнена в климатическом исполнении «У» категорий размещения 2, 3 по ГОСТ 15150-69. Температура окружающей среды от плюс 5°С до плюс 40°С. Рабочая жидкость: ВМГЗ ТУ 38 101479-86, МГЕ-10А ОСТ 38 01281-82. Класс чистоты рабочей жидкости должен быть не ниже 10 класса по ГОСТ 17216-71. Температура рабочей жидкости во время эксплуатации насосной установки должна находиться в пределах от плюс 5°С до плюс 50°С. Рабочее положение насосной установки - горизонтальное. Допускается наклон до 5° в любую сторону.Рабочий объем насоса: 70 см^3 Номинальное давление: 50-120 бар Номинальная подача: 100 л/мин Объём масляного бака: 500 л Электропитание: Трёхфазный ток, напряжением 380 В, 50 Гц Мощность двигателя: 22 кВт

323 628 руб.
Уфа
НЭР10-100И500Т1

НЭР10-100И500Т1

Гидростанция с электроприводом типа НЭР10-100И500Т1 предназначена для создания гидравлической энергии и подключения одного или нескольких исполнительных гидроустройств - гидроцилиндров. Гидравлическая насосная станция выполнена в климатическом исполнении «У» категорий размещения 2, 3 по ГОСТ 15150-69. Температура окружающей среды от плюс 5°С до плюс 40°С. Рабочая жидкость: ВМГЗ ТУ 38 101479-86, МГЕ-10А ОСТ 38 01281-82. Класс чистоты рабочей жидкости должен быть не ниже 10 класса по ГОСТ 17216-71. Температура рабочей жидкости во время эксплуатации насосной установки должна находиться в пределах от плюс 5°С до плюс 50°С. Рабочее положение насосной установки - горизонтальное. Допускается наклон до 5° в любую сторону.Рабочий объем насоса: 70 см^3 Номинальное давление: 50-100 бар Номинальная подача: 100 л/мин Объём масляного бака: 500 л Электропитание: Трёхфазный ток, напряжением 380 В, 50 Гц Мощность двигателя: 18.5 кВт

311 595 руб.
Уфа
НЭР14-40И160Т1

НЭР14-40И160Т1

Гидростанция с электроприводом типа НЭР14-40И160Т1 предназначена для создания гидравлической энергии и подключения одного или нескольких исполнительных гидроустройств - гидроцилиндров. Гидравлическая насосная станция выполнена в климатическом исполнении «У» категорий размещения 2, 3 по ГОСТ 15150-69. Температура окружающей среды от плюс 5°С до плюс 40°С. Рабочая жидкость: ВМГЗ ТУ 38 101479-86, МГЕ-10А ОСТ 38 01281-82. Класс чистоты рабочей жидкости должен быть не ниже 10 класса по ГОСТ 17216-71. Температура рабочей жидкости во время эксплуатации насосной установки должна находиться в пределах от плюс 5°С до плюс 50°С. Рабочее положение насосной установки - горизонтальное. Допускается наклон до 5° в любую сторону.Рабочий объем насоса: 29,9 см^3 Номинальное давление: 50-140 бар Номинальная подача: 40 л/мин Объём масляного бака: 160 л Электропитание: Трёхфазный ток, напряжением 380 В, 50 Гц Мощность двигателя: 11 кВт

167 134 руб.
Уфа
НЭР9-40И160Т1

НЭР9-40И160Т1

Гидростанция с электроприводом типа НЭР9-40И160Т1 предназначена для создания гидравлической энергии и подключения одного или нескольких исполнительных гидроустройств - гидроцилиндров. Гидравлическая насосная станция выполнена в климатическом исполнении «У» категорий размещения 2, 3 по ГОСТ 15150-69. Температура окружающей среды от плюс 5°С до плюс 40°С. Рабочая жидкость: ВМГЗ ТУ 38 101479-86, МГЕ-10А ОСТ 38 01281-82. Класс чистоты рабочей жидкости должен быть не ниже 10 класса по ГОСТ 17216-71. Температура рабочей жидкости во время эксплуатации насосной установки должна находиться в пределах от плюс 5°С до плюс 50°С. Рабочее положение насосной установки - горизонтальное. Допускается наклон до 5° в любую сторону.Рабочий объем насоса: 29,9 см^3 Номинальное давление: 50-90 бар Номинальная подача: 40 л/мин Объём масляного бака: 160 л Электропитание: Трёхфазный ток, напряжением 380 В, 50 Гц Мощность двигателя: 7,5 кВт

160 436 руб.
Уфа
НЭР8-100И500Т1

НЭР8-100И500Т1

Гидростанция с электроприводом типа НЭР8-100И500Т1 предназначена для создания гидравлической энергии и подключения одного или нескольких исполнительных гидроустройств - гидроцилиндров. Гидравлическая насосная станция выполнена в климатическом исполнении «У» категорий размещения 2, 3 по ГОСТ 15150-69. Температура окружающей среды от плюс 5°С до плюс 40°С. Рабочая жидкость: ВМГЗ ТУ 38 101479-86, МГЕ-10А ОСТ 38 01281-82. Класс чистоты рабочей жидкости должен быть не ниже 10 класса по ГОСТ 17216-71. Температура рабочей жидкости во время эксплуатации насосной установки должна находиться в пределах от плюс 5°С до плюс 50°С. Рабочее положение насосной установки - горизонтальное. Допускается наклон до 5° в любую сторону.Рабочий объем насоса: 70 см^3 Номинальное давление: 50-80 бар Номинальная подача: 100 л/мин Объём масляного бака: 500 л Электропитание: Трёхфазный ток, напряжением 380 В, 50 Гц Мощность двигателя: 15 кВт

295 250 руб.
Уфа
НЭР18-35И160Т1

НЭР18-35И160Т1

Гидростанция с электроприводом типа НЭР18-35И160Т1 предназначена для создания гидравлической энергии и подключения одного или нескольких исполнительных гидроустройств - гидроцилиндров. Гидравлическая насосная станция выполнена в климатическом исполнении «У» категорий размещения 2, 3 по ГОСТ 15150-69. Температура окружающей среды от плюс 5°С до плюс 40°С. Рабочая жидкость: ВМГЗ ТУ 38 101479-86, МГЕ-10А ОСТ 38 01281-82. Класс чистоты рабочей жидкости должен быть не ниже 10 класса по ГОСТ 17216-71. Температура рабочей жидкости во время эксплуатации насосной установки должна находиться в пределах от плюс 5°С до плюс 50°С. Рабочее положение насосной установки - горизонтальное. Допускается наклон до 5° в любую сторону.Рабочий объем насоса: 25,75 см^3 Номинальное давление: 50-180 бар Номинальная подача: 35 л/мин Объём масляного бака: 160 л Электропитание: Трёхфазный ток, напряжением 380 В, 50 Гц Мощность двигателя: 15 кВт

151 338 руб.
Уфа
НЭР16-35И1601

НЭР16-35И1601

Гидростанция с электроприводом типа НЭР16-35И160Т1 предназначена для создания гидравлической энергии и подключения одного или нескольких исполнительных гидроустройств - гидроцилиндров. Гидравлическая насосная станция выполнена в климатическом исполнении «У» категорий размещения 2, 3 по ГОСТ 15150-69. Температура окружающей среды от плюс 5°С до плюс 40°С. Рабочая жидкость: ВМГЗ ТУ 38 101479-86, МГЕ-10А ОСТ 38 01281-82. Класс чистоты рабочей жидкости должен быть не ниже 10 класса по ГОСТ 17216-71. Температура рабочей жидкости во время эксплуатации насосной установки должна находиться в пределах от плюс 5°С до плюс 50°С. Рабочее положение насосной установки - горизонтальное. Допускается наклон до 5° в любую сторону.Рабочий объем насоса: 25,75 см^3 Номинальное давление: 50-160 бар Номинальная подача: 35 л/мин Объём масляного бака: 160 л Электропитание: Трёхфазный ток, напряжением 380 В, 50 Гц Мощность двигателя: 11 кВт

141 244 руб.
Уфа
НЭР11-35И160Т1

НЭР11-35И160Т1

Гидростанция с электроприводом типа НЭР11-35И160Т1 предназначена для создания гидравлической энергии и подключения одного или нескольких исполнительных гидроустройств - гидроцилиндров. Гидравлическая насосная станция выполнена в климатическом исполнении «У» категорий размещения 2, 3 по ГОСТ 15150-69. Температура окружающей среды от плюс 5°С до плюс 40°С. Рабочая жидкость: ВМГЗ ТУ 38 101479-86, МГЕ-10А ОСТ 38 01281-82. Класс чистоты рабочей жидкости должен быть не ниже 10 класса по ГОСТ 17216-71. Температура рабочей жидкости во время эксплуатации насосной установки должна находиться в пределах от плюс 5°С до плюс 50°С. Рабочее положение насосной установки - горизонтальное. Допускается наклон до 5° в любую сторону.Рабочий объем насоса: 25,75 см^3 Номинальное давление: 50-110 бар Номинальная подача: 35 л/мин Объём масляного бака: 160 л Электропитание: Трёхфазный ток, напряжением 380 В, 50 Гц Мощность двигателя: 7,5 кВт

134 524 руб.
Уфа
НЭР8-35И160Т1

НЭР8-35И160Т1

Гидростанция с электроприводом типа НЭР8-35И160Т1 предназначена для создания гидравлической энергии и подключения одного или нескольких исполнительных гидроустройств - гидроцилиндров. Гидравлическая насосная станция выполнена в климатическом исполнении «У» категорий размещения 2, 3 по ГОСТ 15150-69. Температура окружающей среды от плюс 5°С до плюс 40°С. Рабочая жидкость: ВМГЗ ТУ 38 101479-86, МГЕ-10А ОСТ 38 01281-82. Класс чистоты рабочей жидкости должен быть не ниже 10 класса по ГОСТ 17216-71. Температура рабочей жидкости во время эксплуатации насосной установки должна находиться в пределах от плюс 5°С до плюс 50°С. Рабочее положение насосной установки - горизонтальное. Допускается наклон до 5° в любую сторону.Рабочий объем насоса: 25,75 см^3 Номинальное давление: 50-80 бар Номинальная подача: 35 л/мин Объём масляного бака: 160 л Электропитание: Трёхфазный ток, напряжением 380 В, 50 Гц Мощность двигателя: 5,5 кВт

121 585 руб.
Уфа
НЭР6-100И500Т1

НЭР6-100И500Т1

Гидростанция с электроприводом типа НЭР6-100И500Т1 предназначена для создания гидравлической энергии и подключения одного или нескольких исполнительных гидроустройств - гидроцилиндров. Гидравлическая насосная станция выполнена в климатическом исполнении «У» категорий размещения 2, 3 по ГОСТ 15150-69. Температура окружающей среды от плюс 5°С до плюс 40°С. Рабочая жидкость: ВМГЗ ТУ 38 101479-86, МГЕ-10А ОСТ 38 01281-82. Класс чистоты рабочей жидкости должен быть не ниже 10 класса по ГОСТ 17216-71. Температура рабочей жидкости во время эксплуатации насосной установки должна находиться в пределах от плюс 5°С до плюс 50°С. Рабочее положение насосной установки - горизонтальное. Допускается наклон до 5° в любую сторону.Рабочий объем насоса: 70 см^3 Номинальное давление: 50-60 бар Номинальная подача: 100 л/мин Объём масляного бака: 500 л Электропитание: Трёхфазный ток, напряжением 380 В, 50 Гц Мощность двигателя: 11 кВт

284 715 руб.
Уфа
НЭР5-35И160Т1

НЭР5-35И160Т1

Гидростанция с электроприводом типа НЭР5-35И160Т1 предназначена для создания гидравлической энергии и подключения одного или нескольких исполнительных гидроустройств - гидроцилиндров. Гидравлическая насосная станция выполнена в климатическом исполнении «У» категорий размещения 2, 3 по ГОСТ 15150-69. Температура окружающей среды от плюс 5°С до плюс 40°С. Рабочая жидкость: ВМГЗ ТУ 38 101479-86, МГЕ-10А ОСТ 38 01281-82. Класс чистоты рабочей жидкости должен быть не ниже 10 класса по ГОСТ 17216-71. Температура рабочей жидкости во время эксплуатации насосной установки должна находиться в пределах от плюс 5°С до плюс 50°С. Рабочее положение насосной установки - горизонтальное. Допускается наклон до 5° в любую сторону.Рабочий объем насоса: 25,75 см^3 Номинальное давление: 50 бар Номинальная подача: 35 л/мин Объём масляного бака: 160 л Электропитание: Трёхфазный ток, напряжением 380 В, 50 Гц Мощность двигателя: 4 кВт

114 092 руб.
Уфа
НЭР17-33И160Т1

НЭР17-33И160Т1

Гидростанция с электроприводом типа НЭР17-33И160Т1 предназначена для создания гидравлической энергии и подключения одного или нескольких исполнительных гидроустройств - гидроцилиндров. Гидравлическая насосная станция выполнена в климатическом исполнении «У» категорий размещения 2, 3 по ГОСТ 15150-69. Температура окружающей среды от плюс 5°С до плюс 40°С. Рабочая жидкость: ВМГЗ ТУ 38 101479-86, МГЕ-10А ОСТ 38 01281-82. Класс чистоты рабочей жидкости должен быть не ниже 10 класса по ГОСТ 17216-71. Температура рабочей жидкости во время эксплуатации насосной установки должна находиться в пределах от плюс 5°С до плюс 50°С. Рабочее положение насосной установки - горизонтальное. Допускается наклон до 5° в любую сторону.Рабочий объем насоса: 24,9 см^3 Номинальное давление: 50-170 бар Номинальная подача: 33 л/мин Объём масляного бака: 160 л Электропитание: Трёхфазный ток, напряжением 380 В, 50 Гц Мощность двигателя: 11 кВт

152 518 руб.
Уфа
НЭР11-33И160Т1

НЭР11-33И160Т1

Гидростанция с электроприводом типа НЭР11-33И160Т1 предназначена для создания гидравлической энергии и подключения одного или нескольких исполнительных гидроустройств - гидроцилиндров. Гидравлическая насосная станция выполнена в климатическом исполнении «У» категорий размещения 2, 3 по ГОСТ 15150-69. Температура окружающей среды от плюс 5°С до плюс 40°С. Рабочая жидкость: ВМГЗ ТУ 38 101479-86, МГЕ-10А ОСТ 38 01281-82. Класс чистоты рабочей жидкости должен быть не ниже 10 класса по ГОСТ 17216-71. Температура рабочей жидкости во время эксплуатации насосной установки должна находиться в пределах от плюс 5°С до плюс 50°С. Рабочее положение насосной установки - горизонтальное. Допускается наклон до 5° в любую сторону.Рабочий объем насоса: 24,9 см^3 Номинальное давление: 50-110 бар Номинальная подача: 33 л/мин Объём масляного бака: 160 л Электропитание: Трёхфазный ток, напряжением 380 В, 50 Гц Мощность двигателя: 7,5 кВт

145 740 руб.
Уфа
НЭР8-33И160Т1

НЭР8-33И160Т1

Гидростанция с электроприводом типа НЭР8-33И160Т1 предназначена для создания гидравлической энергии и подключения одного или нескольких исполнительных гидроустройств - гидроцилиндров. Гидравлическая насосная станция выполнена в климатическом исполнении «У» категорий размещения 2, 3 по ГОСТ 15150-69. Температура окружающей среды от плюс 5°С до плюс 40°С. Рабочая жидкость: ВМГЗ ТУ 38 101479-86, МГЕ-10А ОСТ 38 01281-82. Класс чистоты рабочей жидкости должен быть не ниже 10 класса по ГОСТ 17216-71. Температура рабочей жидкости во время эксплуатации насосной установки должна находиться в пределах от плюс 5°С до плюс 50°С. Рабочее положение насосной установки - горизонтальное. Допускается наклон до 5° в любую сторону.Рабочий объем насоса: 24,9 см^3 Номинальное давление: 50-80 бар Номинальная подача: 33 л/мин Объём масляного бака: 160 л Электропитание: Трёхфазный ток, напряжением 380 В, 50 Гц Мощность двигателя: 5,5 кВт

132 805 руб.
Уфа
НЭР6-33И160Т1

НЭР6-33И160Т1

Гидростанция с электроприводом типа НЭР6-33И160Т1 предназначена для создания гидравлической энергии и подключения одного или нескольких исполнительных гидроустройств - гидроцилиндров. Гидравлическая насосная станция выполнена в климатическом исполнении «У» категорий размещения 2, 3 по ГОСТ 15150-69. Температура окружающей среды от плюс 5°С до плюс 40°С. Рабочая жидкость: ВМГЗ ТУ 38 101479-86, МГЕ-10А ОСТ 38 01281-82. Класс чистоты рабочей жидкости должен быть не ниже 10 класса по ГОСТ 17216-71. Температура рабочей жидкости во время эксплуатации насосной установки должна находиться в пределах от плюс 5°С до плюс 50°С. Рабочее положение насосной установки - горизонтальное. Допускается наклон до 5° в любую сторону.Рабочий объем насоса: 24,9 см^3 Номинальное давление: 50-60 бар Номинальная подача: 33 л/мин Объём масляного бака: 160 л Электропитание: Трёхфазный ток, напряжением 380 В, 50 Гц Мощность двигателя: 4 кВт

125 317 руб.
Уфа
НЭР23-28И100Т1

НЭР23-28И100Т1

Гидростанция с электроприводом типа НЭР23-28И100Т1 предназначена для создания гидравлической энергии и подключения одного или нескольких исполнительных гидроустройств - гидроцилиндров. Гидравлическая насосная станция выполнена в климатическом исполнении «У» категорий размещения 2, 3 по ГОСТ 15150-69. Температура окружающей среды от плюс 5°С до плюс 40°С. Рабочая жидкость: ВМГЗ ТУ 38 101479-86, МГЕ-10А ОСТ 38 01281-82. Класс чистоты рабочей жидкости должен быть не ниже 10 класса по ГОСТ 17216-71. Температура рабочей жидкости во время эксплуатации насосной установки должна находиться в пределах от плюс 5°С до плюс 50°С. Рабочее положение насосной установки - горизонтальное. Допускается наклон до 5° в любую сторону.Рабочий объем насоса: 28 см^3 Номинальное давление: 50-230 бар Номинальная подача: 28 л/мин Объём масляного бака: 100 л Электропитание: Трёхфазный ток, напряжением 380 В, 50 Гц Мощность двигателя: 15 кВт

148 854 руб.
Уфа
НЭЭ7-81И400Т1

НЭЭ7-81И400Т1

Маслостанция с электроприводом типа НЭЭ20-81И400Т1 предназначена для создания гидравлической энергии и подключения одного или нескольких исполнительных гидроустройств - гидроцилиндров. Гидравлическая насосная станция выполнена в климатическом исполнении «У» категорий размещения 2, 3 по ГОСТ 15150-69. Температура окружающей среды от плюс 5°С до плюс 40°С. Рабочая жидкость: ВМГЗ ТУ 38 101479-86, МГЕ-10А ОСТ 38 01281-82. Класс чистоты рабочей жидкости должен быть не ниже 10 класса по ГОСТ 17216-71. Температура рабочей жидкости во время эксплуатации насосной установки должна находиться в пределах от плюс 5°С до плюс 50°С. Рабочее положение насосной установки - горизонтальное. Допускается наклон до 5° в любую сторону.Рабочий объем насоса: 60 см^3 Номинальное давление: 35-70 бар Номинальная подача: 81 л/мин Объём масляного бака: 400 л Электропитание: Трёхфазный ток, напряжением 380 В, 50 Гц Мощность двигателя: 11 кВт

273 358 руб.
Уфа