Игорь Куликов Завод автогрейдеров ПО УРАЛ-производитель ДЗ-98Т

Объявления пользователя

Автогрейдер ДЗ-98Т.001 с бульдозерным оборудованием

Автогрейдер ДЗ-98Т.001 с бульдозерным оборудованием

Завод автогрейдеров работает в дорожно-строительной отрасли почти 25 лет и заслужил репутацию надежного производителя автогрейдеров ДЗ-98 и его модификаций. Наши покупатели крупнейшие предприятия промышленности и дорожного строительства РФ. На заводе реализован полный цикл производства автогрейдеров от изготовления рамы до готового грейдера. Все комплектующие для грейдеров ДЗ-98 только собственного производства, сертифицированные, с паспортом качества и гарантией. Все модификации ДЗ-98 сертифицированы и выпускаются по патенту. Для Вас предусмотрен лизинг и кредит на очень выгодных условиях. Представляем: Новый автогрейдер ДЗ-98Т.001, Готовоность 80%! с изменяемым углом наклона среднего отвала.  Оборудование может поставляться отдельно за дополнительную плату. Звоните: 8 (800) 550-71-27, https://ural-dz.su/Производитель: Собственное производство Владельцев по ПТС: Нет Состояние: Новое

12 000 000 руб.
Челябинск
Автогрейдер ДЗ-98Т.001 с бульдозерным оборудованием и задним рыхлителем

Автогрейдер ДЗ-98Т.001 с бульдозерным оборудованием и задним рыхлителем

Завод автогрейдеров работает в дорожно-строительной отрасли почти 25 лет и заслужил репутацию надежного производителя автогрейдеров ДЗ-98 и его модификаций. Наши покупатели крупнейшие предприятия промышленности и дорожного строительства РФ. На заводе реализован полный цикл производства автогрейдеров от изготовления рамы до готового грейдера. Все комплектующие для грейдеров ДЗ-98 только собственного производства, сертифицированные, с паспортом качества и гарантией. Все модификации ДЗ-98 сертифицированы и выпускаются по патенту. Для Вас предусмотрен лизинг и кредит на очень выгодных условиях. Представляем: Новый автогрейдер ДЗ-98Т.001 с рыхлителем заднего расположения на 4 зуба и зимним пакетом.  Оборудование может поставляться отдельно за дополнительную плату. Звоните: 8 (800) 550-71-27, https://ural-dz.su/Производитель: Собственное производство Владельцев по ПТС: Нет Состояние: Новое

12 600 000 руб.
Челябинск
Автогрейдер ДЗ-98Т.001 в стандартной комплектации

Автогрейдер ДЗ-98Т.001 в стандартной комплектации

Завод автогрейдеров работает в дорожно-строительной отрасли почти 25 лет и заслужил репутацию надежного производителя автогрейдеров ДЗ-98 и его модификаций. Наши покупатели крупнейшие предприятия промышленности и дорожного строительства РФ. На заводе реализован полный цикл производства автогрейдеров от изготовления рамы до готового грейдера. Все комплектующие для грейдеров ДЗ-98 только собственного производства, сертифицированные, с паспортом качества и гарантией. Все модификации ДЗ-98 сертифицированы и выпускаются по патенту. Для Вас предусмотрен лизинг и кредит на очень выгодных условиях. Звоните: 8 (800) 550-71-27, https://ural-dz.su/ Оборудование может поставляться отдельно за дополнительную плату.Производитель: Собственное производство Владельцев по ПТС: Нет Состояние: Новое

12 000 000 руб.
Челябинск
Запчасти для автогрейдеров ДЗ-98

Запчасти для автогрейдеров ДЗ-98

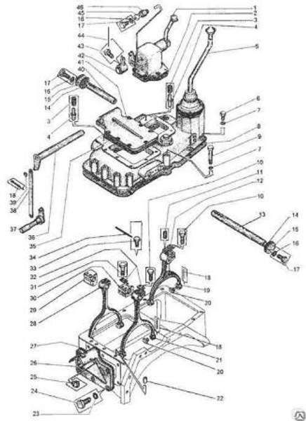
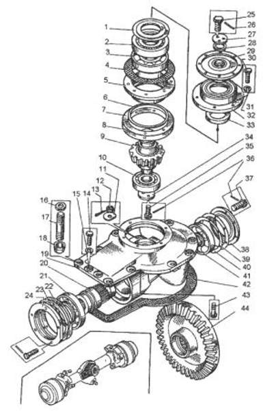
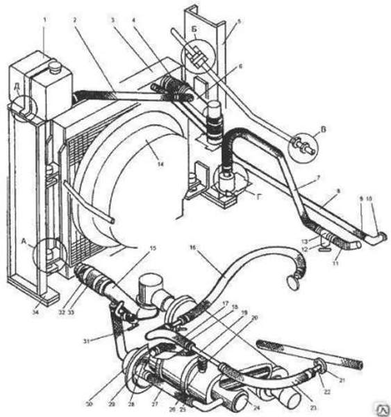
Сертифицированные запчасти на автогрейдер ДЗ-98 - Завод автогрейдеров ПО Урал - производство и продажа грейдеров тяжелого класса в Челябинске (Копейске) - www.ural-dz.su - Всегда в наличии на складе новые запчасти грейдер тяжелого класса ДЗ-98 - ГОСТ, патент, гарантия Наименование Цена (руб.) Амортизатор 50.00.008 шт 150 Болт 01.053 шт 60 Болт 0102-12 шт 200 Болт 02.079 (10*35) сверл шт 40 Болт 0201.065 шт 100 Болт 0201.128 (10*30 или 10*35) сверл. шт 40 Болт 0201.144 (16*40) сверл. шт 50 Болт 0201.145 (12*35 или 12*40) сверл. шт 40 Болт 0201.182 (12*30) сверл. шт 40 Болт 03.03.035 шт 170 Болт 067.11.11.093 (шпилька м 16) шт 60 Болт 067.11.16.035 шт 70 Болт 067.11.16.081 шт 70 Болт 10.04.165 (12*30) сверл. шт 40 Болт 20*150 (067.11.17.105) сверл. шт 170 Болт 29.00.028 (16*35) сверл. шт 50 Болт 30.00.045 шт 200 Болт 34.079 шт 270 Болт 34.091 шт 310 Болт 61.00.093 (12*35) сверл. шт 40 Болт 62.00.047 шт 40 Болт 62.00.048 шт 40 Болт карданный/гайка карданная шт 40 Болт колесный 62.00.073 шт 150 Болт на муфту 10.04.510 шт 50 Болт специальный 0601.014 шт 600 Бонка на г/цилиндр шт 350 Бонка под болт 34.079 шт 150 Вал 04.031 шт 3 750 Вал 04.044 шт 3 100 Вал 10.04.169 длинный шт 650 Вал 10.04.169 короткий шт 600 Вал 10.04.170 шт 10 000 Вал 10.04.188 шт 4 100 Вал 10.05.011 шт 1 950 Вал 10.05.013 шт 1 860 Вал 10.05.049 шт 1 360 Вал 10.05.051 шт 1 860 Вал 16.01.031 (16.01.210) шт 1 955 Вал 16.01.032 (16.01.050) шт 5 650 Вал 16.01.050 шт 20 000 Вал 16.01.200 шт 20 000 Вал 16.01.230 (16.01.200) шт 5 650 Вал в сборе 04.050 шт 39 000 Вал в сборе 10.04.540 шт 41 000 Вал в сборе 04.040 шт 21 000 Вал карданный 0115.000 шт 7 700 Вал карданный 210-2204010-16 шт 7 700 Вал карданный 210Г-2204010-16 шт 7 700 Вал карданный 257-2202010-16 шт 7 700 Вал червяка 29.00.017 шт 1 370 Вал-шестерня 10.04.029 шт 4 700 Вал-шестерня 29.00.015 шт 6 680 Вал в сборе 04.030 шт 40 000 Валик 04.144 шт 400 Валик 10.04.009 шт 700 Валик 10.04.135 шт 1 135 Валик 10.04.160 шт 600 Валик 10.04.228 шт 850 Валик 10.04.350 шт 820 Валик 10.04.360 шт 1 000 Валик 10.06.158 шт 820 Вилка 0203.005 шт 3 140 Вилка 0203.903 шт 3 220 Вилка 04.180 шт 1 800 Вилка 10.04.018 шт 3 300 Вилка 10.04.019 шт 3 750 Вилка 10.04.021 шт 2 550 Вилка 13.07.006 шт 200 Вилка 25.02.010 шт 6 000 Вилка 30.00.040 шт 7 000 Винт 0201.051 шт 100 Винт 0502.051 шт 150 Вкладыш 0201.112 шт 860 Втулка 0201.087 шт 1 000 Втулка 0201.205 шт 2 780 Втулка 04.016 шт 240 Втулка 04.025 шт 270 Втулка 04.034 шт 240 Втулка 10.005-01 шт 900 Втулка 10.02.004-1 шт 800 Втулка 10.03.067 шт 350 Втулка 10.06.043 (128) шт 940 Втулка 10.06.045 (127) шт 530 Втулка 10.06.047 (129) шт 530 Втулка 10.06.053 шт 920 Втулка 21.01.172 шт 1 000 Втулка 21.03.002 шт 900 Втулка 25.02.004 шт 900 Втулка 25.02.016 шт 1 000 Втулка 25.02.016-01 шт 1 000 Втулка 25.11.054 шт 1 000 Втулка 25.11.054-01 шт 1 000 Втулка 29.00.014 бронза шт 1 800 Втулка 29.00.041-01 (ПА-010.01.00.001) шт 1 380 Втулка 29.00.041-02 (ПА-010.01.00.001-01) шт 1 500 Втулка неподвижная 0202.016 шт 2 070 Втулка 30-142 шт 1 000 Втулка 30-145 шт 1 000 Втулка 30.00.003 шт 1 100 Втулка 30.00.004 шт 1 600 Втулка 30.00.037 бронза шт 1 800 Втулка 30.00.038 шт 900 Втулка 30.00.041 шт 900 Втулка 30.00.042 шт 1 100 Втулка 62.00.002 шт 3 190 Втулка Д144-49-109 шт 100 Втулка под рычаг 10.04.440(450) шт 250 Гайка 0201.155 шт 50 Гайка 0201.135 шт 110 Гайка 0202.005 шт 1 000 Гайка 03.013 шт 80 Гайка 04.166 шт 130 Гайка 067.13.12.062(02.093) шт 130 Гайка 067.13.12.091 шт 170 Гайка 067.13.12.099 шт 550 Гайка 34.092 шт 130 Гайка 43.223 шт 300 Гайка Д144-49-108 шт 40 Гайка Д269-Л2-95 шт 30 Гайка колесная 375.31.01 шт 70 Гайка М30-6Н.5.019 шт 130 Гайка М36*3 шт 270 Гайка под горловину бака шт 260 Гайка под пробку шт 100 Гайка шаровая 03.027 шт 100 Гидробак шт уточнять Головка тяги 13.03.015 шт 200 Головка тяги 43.01.019 шт 200 Горловина 10.04.330 шт 1 000 Горловина на гидробак шт 2 500 Главная передача шт уточнять Диск 0201.067 шт 210 Диск 0201.181 шт 920 Диск 0201.183 шт 2 000 Диск 0201.921 шт 310 Замок на г/переход шт 500 Запятая шт 3 000 Звено 0203.015 шт 3 400 Картер 10.02.001 шт 50 000 Квадрат 34.00.021 шт уточнять Кирпич шт уточнять Колесо червячное 29.00.010-1 шт 37 000 Колпачок 13591 шт 20 Колпачок 46612 шт 125 Кольцо 01.052 шт 120 Кольцо 0116.034 шт 500 Кольцо 017-022-30 шт 10 Кольцо 019-023-25 шт 10 Кольцо 020-025-30 шт 10 Кольцо 023-033-46 шт 10 Кольцо 024-030-36 шт 16 Кольцо 028-036-46 шт 16 Кольцо 030-035-30 шт 20 Кольцо 035-040-30 шт 15 Кольцо 035-043-46 шт 15 Кольцо 039-045-36 шт 20 Кольцо 04.019 шт 150 Кольцо 04.021 шт 140 Кольцо 04.026 шт 110 Кольцо 04.028 шт 120 Кольцо 04.029 шт 120 Кольцо 04.052 шт 110 Кольцо 04.053 шт 400 Кольцо 04.116 шт 250 Кольцо 04.125 шт 650 Кольцо 04.126 шт 180 Кольцо 04.128 шт 290 Кольцо 04.142 шт 250 Кольцо 04.162 шт 420 Кольцо 050-060-58 шт 20 Кольцо 052-058-36 шт 20 Кольцо 065-075-58 шт 30 Кольцо 067.14.12.208 шт 250 Кольцо 070-080-58(62.00.038) шт 37 Кольцо 090-100-58 шт 40 Кольцо 10.04.011 шт 180 Кольцо 10.04.041 шт 180 Кольцо 10.05.016 шт 150 Кольцо 10.05.017 шт 150 Кольцо 10.06.044-1 шт 140 Кольцо 10.06.046 шт 180 Кольцо 10.06.054 шт 180 Кольцо 10.06.063 шт 40 Кольцо 11.00.002 шт 290 Кольцо 135-140-36 шт 40 Кольцо 150-160-58 шт 82 Кольцо 160-170-58 шт 50 Кольцо 170-180-58(62.00.039) шт 100 Кольцо 190-200-58 шт 100 Кольцо 195-200-36 шт 70 Кольцо 29.00.005 шт 320 Кольцо 29.00.026 шт 470 Кольцо 40927 шт 160 Кольцо 43.222 шт 80 кольцо 61.00.099 шт 80 Кольцо ВК-110 шт 150 Кольцо ВК-115(04.023) шт 150 Кольцо ВК-130(04.027) шт 150 Кольцо ВК-140 шт 150 Кольцо ВК-170 шт 170 Кольцо ВК-180 шт 200 Кольцо Д144-41-023 шт 100 Кольцо НК 75 шт 80 Кольцо С25 шт 30 Кольцо С45 шт 50 Кольцо С50 шт 50 Кольцо С75 шт 50 Кольцо С80 шт 80 Кольцо С90 шт 90 Кольцо СП 410 шт 40 Кольцо СП 590 шт 40 Кольцо СП 210 шт 120 Кольцо упорное 03.106 шт 50 Комплект переоборудования на радиатор комп. 12 100 Комплект прокладок КПП шт 1 100 Комплект рычагов на г/распределители комп. 18 700 Комплект трубок на пневмосистему комп. 15 000 Корпус 0201.088 шт 280 Корпус 0201.090 шт 21 000 Корпус 0203.010 шт 1 000 Корпус 0203.011 шт 1 000 Корпус 10.05.064 шт 35 000 Корпус 10.06.059 шт 7 000 Корпус 16.01.019 шт 2 500 Корпус 16.01.023 шт 4 800 Корпус 16.01.016 шт 3 000 Корпус 10.04.001-1 шт 15 000 Корпус 13.01.023-01 шт 2 000 Корпус 29.00.001 шт 19 000 Корпус 43.226 шт 100 Корпус муфты 62.00.110 шт 7 300 Корпус подвески 0202.064 шт 16 000 Корпус сальника 0203.012 шт 500 Корпус сальника 0203.016 шт 750 Корпус сальника 62.00.042-01 шт 600 КПП 10.04.000 шт 270 рем/370 нов Крестовина 210-2201025А шт 1 200 Кронштейн 10.04.130 шт 2 000 Кронштейн 0203.909 прав шт 38 000 Кронштейн 61.00.080 лев шт 37 000 Кронштейн 32.00.120 шт 2 500 Кронштейн 32.00.142 шт 650 Кронштейн 34.077 шт 8 000 Кронштейн 34.120 шт 8 000 Крышка 0116020 шт 2 000 Крышка 02.107 шт 150 Крышка 0201.050 шт 600 Крышка 0201.054 шт 700 Крышка 0201.089 шт 280 Крышка 0202.004 шт 1 100 Крышка 04.108 шт 2 000 Крышка 04.117-1 шт 1 000 Крышка 04.121 шт 1 000 Крышка 04.139 шт 1 600 Крышка 10.04.007 шт. 3 000 Крышка 10.05.065 шт 23 000 Крышка 0202.060 шт 3 000 Крышка 10.02.010 шт 2 700 Крышка 10.02.015 шт 120 Крышка 10.04.013-1 шт 2 000 Крышка 10.04.175 шт 1 400 Крышка 10.04.176 шт 1 300 Крышка 10.04.173 шт 300 Крышка 10.05.015 шт 1 500 Крышка 10.06.023 шт 2 500 Крышка 10.06.081 шт 1 100 Крышка 10.06.701 шт 1 500 Крышка 10.06.137 шт 1 800 Крышка 10.06.138 шт 320 Крышка 10.06.138-1 шт 320 Крышка 10.06.171 шт 5 200 Крышка 10.06.086 шт 5 100 Крышка 16.01.029 шт 1 000 Крышка 25.02.020 шт 4 000 Крышка 29.00.002 шт 6 000 Крышка 29.00.008 шт 650 Крышка 29.00.013 шт 500 Крышка 30.00.100 шт 600 Крышка 61.00.119 шт 1 500 Крышка 62.00.053 шт 1 100 Крышка 62.00.058 шт 3 200 Крышка Д144-43-029 шт 180 Крышка поддатчика заднего хода шт 350 Крышка подшипника 0201.085 шт 4 100 Крышка подшипника 0203.009 шт 1 000 Крышка шарового фланца Д144-41-038 (13319) шт 220 Крышка-паук 10.00.130 шт 1 800 Манжета 110*135 шт 70 Манжета 130*160 шт 100 Манжета 50*70 шт 40 Манжета 65*90 шт 45 Манжета 75*100 шт 50 Манжета 80*105 шт 65 Манжета 90*120 шт 55 Масленка 1.3 шт 10 Масленка 2.3 шт 10 Мех. управления муфтой сцепления 13.01.000 шт 11 000 Механизм пер. передач 10.04.010 шт 25 000 Механизм пер. мультипликатора 04.100 шт 6 500 Механизм пер.реверса 10.04.050 шт 9 000 Мост задний 62.00.000 шт 420 000 Мост передний 61.00.000 шт 480 000 Муфта 04.013-1 шт 1 820 Муфта 04.127 шт 1 050 Муфта 04.046 шт 4 370 Муфта 10.001 шт 1 700 Муфта 10.04.033 шт 2 200 Муфта 10.04.510 шт 6 000 Муфта 10.06.118 на НШ-10 шт 950 Муфта 10.06.118 на НШ-25 шт 550 Муфта 29.00.024 шт 900 Муфта 29.00.039 шт 900 Муфта 29.00.046 шт 1 100 Муфта 50-12-126 шт 2 645 Накладка 0601.011 шт 3 250 Накладка 34.016 шт 0 Наконечник левый 43.234 шт 3 000 Наконечник левый 43.234 в сборе шт 4 500 Наконечник правый 43.231 шт 3 000 Наконечник правый 43.231 в сборе шт 4 500 Ниппель 01.02.047 шт 120 Ниппель 0402.058 шт 120 Обойма 0202.019 шт 100 Опора передняя 11.00.030 шт 4 200 Опора промежуточная 16.01.210 шт 18 150 Опора шаровая 02.047 шт 3 000 Опора шаровая 0201.107 шт 1 800 Опора шкворня 34.044 шт 4 000 Опора штока 34-100 (34.05.000) шт 1 500 Ось 25.02.060 шт 1 700 Ось 25.02.070 шт 1 700 Ось 25.12.130 шт 6 000 Ось 30.00.032 шт 1 900 Ось ДП-26С.00.020 шт 2 800 Ось 30.00.007 шт 2 500 Отражатель 10.06.117 шт 160 Отражатель 62.00.014 шт 150 Палец 02.01.182 шт 2 000 Палец 0201.100-1 шт 4 100 Палец 0201.106 шт 2 220 Палец 0202.021 шт 1 050 Палец 0202.028-1 шт 150 Палец 0203.013 шт 1 750 Палец 0203.018 шт 2 050 Палец 03.025 шт 250 Палец 04.069 шт 500 Палец 25.11.055 шт 1 500 Палец 34.039 шт 550 Палец 34.00.036 шт 500 Палец 34.00.001 шт 950 Палец 43.229-1 шт 690 Палец на 10 шт 50 Палец на 12 шт 60 Палец 34.00.033 шт 250 Палец ПКТ шт 200 Палец резиновый 01.121 шт 60 Палец установочный 0504023-1 шт 250 Палец установочный 62.00.057 шт 200 Переходник 32.00.110 шт 500 Переходник 38.11.010 шт 400 Переходник 42.00.082 шт 170 Планка 029 шт 40 Планка 033 шт 40 Планка 033-01 шт 40 Планка 04.072 шт 50 Планка 067.33.12.144 шт 60 Планка 067.33.13.182 шт 75 Планка 067.33.13.272 шт 100 Планка 067.33.13.303 шт 100 Планка под болт 0201.065(067.13.12.079/62.00.076) шт 80 Планка прижимная 067.36.11.571-01 шт 30 Пластина натяжения накладки шт 2 000 Пластина под накладку 0601.011 шт 550 Пластина под накладку 34.016 шт 550 Платик трапа большой (2 шт.) комп. 1 300 Платик трапа малый (2 шт.) комп. 1 100 Площадка под глушитель шт 900 Подставка под трансмиссию шт 7 000 Педальный узел шт 13 000 Подшипник 111 шт 190 Подшипник 115 шт 310 Подшипник 212 шт 290 Подшипник 219 шт 690 Подшипник 220 шт 1 100 Подшипник 2313 шт 1 150 Подшипник 2315 шт 1 100 Подшипник 2411 шт 1 210 Подшипник 292213 шт 490 Подшипник 292310 шт 650 Подшипник 29908 шт 300 Подшипник 308 шт 260 Подшипник 310 шт 370 Подшипник 312 шт 590 Подшипник 313 шт 715 Подшипник 315 шт 840 Подшипник 322 шт 3220 Подшипник 32311 шт 720 Подшипник 32615 шт 2 500 Подшипник 3610 шт 1 300 Подшипник 3614 шт 2 600 Подшипник 3616 шт 2 800 Подшипник 42613 шт 3 000 Подшипник 64706 шт 130 Подшипник 7218 шт 1 000 Подшипник 7313 шт 900 Подшипник 8308 шт 180 Подшипник 92317 шт 3 350 Подшипник 92412 шт 1 500 Подшипник ШС-50 шт 410 Подшипник ШС-60 шт 490 Полумуфта 10.06.183( 10.06.002) шт 7590 Полуось 61.00.001 шт 2 450 Полуось 62.00.003 шт 2 680 Поперечина 30.00.070 шт 25 000 Поршень-защелка 30-044-1 шт 1 800 Пробка 0202.024 шт 150 Пробка 067.44.11.051 шт 70 Пробка 067.44.12.021(Д144-49-20) шт 70 Пробка 43.00.034 шт 55 Пробка 62.00.021 шт 140 Пробка Д144-17-20 шт 70 Пробка Д144-49-061 шт 200 Пробка Д144-49-20 шт 70 Прокладка 01.098 шт 80 Прокладка 01.109 шт 80 Прокладка 0108032 шт 50 Прокладка 02.029 шт 20 Прокладка 02.046 шт 70 Прокладка 0201.016 шт 75 Прокладка 0201.018 шт 75 Прокладка 0201.026 шт 70 Прокладка 0201.027 шт 75 Прокладка 0201.055 шт 250 Прокладка 0201.079 шт 50 Прокладка 0201.084 шт 90 Прокладка 0201.124 шт 350 Прокладка 0201.223 шт 50 Прокладка 0202.012 шт 40 Прокладка 0202.013 шт 50 Прокладка 0202.025 шт 65 Прокладка 0202.026 шт 80 Прокладка 0203.008 шт 50 Прокладка 0203.017 шт 50 Прокладка 03.042 шт 50 Прокладка 0601.015 шт 150 Прокладка 067.34.13.041 шт 20 Прокладка 10.00.022 шт 250 Прокладка 10.05.022 шт 55 Прокладка 10.05.023 шт 45 Прокладка 10.05.024 шт 80 Прокладка 10.05.025 шт 80 Прокладка 10.05.026 шт 80 Прокладка 10.05.027 шт 80 Прокладка 10.05.066 шт 300 Прокладка 10.06.056 шт 80 Прокладка 10.06.061 шт 60 Прокладка 10.06.082 шт 40 Прокладка 10.06.142 шт 50 Прокладка 29.00.006 шт 60 Прокладка 29.00.009 шт 190 Прокладка 29.00.011 шт 60 Прокладка 29.00.016 шт 80 Прокладка 29.00.019 шт 75 Прокладка 31-025 шт 50 Прокладка 32.00.059 шт 120 Прокладка 34.018 шт 180 Прокладка 43.023 шт 50 Прокладка 43.093 шт 50 Прокладка 61.00.116 шт 75 Прокладка 62.00.017 шт 85 Прокладка 62.00.018 шт 75 Прокладка Д144-41-028 (40819) шт 30 Прокладка Д144-43-030 шт 30 Прокладка под нш-10 шт 50 Промежуточный редуктор 10.06.000-09 шт 186 000 Проставка 29.00.036 шт 2 600 Проставка 32.00.110 шт 650 Проушина на балку 43.322 шт 1 400 Проушина на кронштейн 43.323 шт 1 400 Пружина 0202.020 шт 100 Пружина 10.04.062 шт 40 Пружина 30-148 шт 200 Пружина 38325 (Д144-41-025) шт 80 Пружина 43.228 шт 80 Пружина 62.00.059 шт 70 Редуктор поворота отвала 29.00.000 шт 76 500 Редуктор раздаточный 10.05.000 шт 95 000 Ролик 03.023+ палец шт 210 Рычаг 04.089 шт 1 380 Рычаг 10.02.026(24-14-104сп) шт 4 500 Рычаг 10.03.005(10.06.066) шт 1 000 Рычаг 10.03.039 шт 900 Рычаг 10.04.310 шт 2 875 Рычаг 10.04.310 в сборе шт 4 000 Рычаг 10.04.340 шт 900 Рычаг 10.04.430 шт 1 200 Рычаг 10.04.440 шт 3 500 Рычаг 10.04.450 шт 4 000 Рычаг 10.04.480 шт 2 300 Рычаг 10.04.490 шт 1 200 Рычаг 13.01.090 шт 1 400 Рычаг 13.01.110 шт 900 Рычаг 30.00.020 шт 31 000 Сапун 0201.918 шт 290 Сервомеханизм 10.03.010 шт 21 000 Серьга 0202.027 шт 200 Серьга 03.007 шт 140 Стакан 0201.221 шт 2 620 Стакан 0203.022 шт 1 900 Стакан 04.109 шт 1 725 Стакан 04.123 шт 2 360 Стакан 04.124 шт 2 000 Стакан 04.131 шт 1 955 Стакан 62.00.012 шт 2 850 Стакан 05.014 шт 800 Стакан 10.04.031 шт 3 500 Ступица 62.00.300 шт 16 500 Сухарь 02.036 (16-03-13) шт 200 Сухарь 0202.022 шт 150 Сухарь 0202.079 шт 30 Сухарь 04.071 шт 160 Сухарь 43.02.006 шт 600 Сухарь 43.224 шт 200 Тройник шт 400 Труба 32.00.030 шт 1 800 Тяга 10.03.100 шт 500 Тяга 10.04.034 шт 100 Тяга 25.02.180-02 шт 8 000 Тяга 43.010 шт 9 500 Тяга 43.233 шт 1 800 Тяга 51.06.030 шт 220 Удлинитель 04.02.273 шт 200 Упор 10.04.002 шт 70 Усиление на балансир шт 1 000 Фара передняя СОВО (левая) шт 7 000 Фара передняя СОВО (правая) шт 7 000 Фаркоп шт 500 Фиксатор 0202.008 шт 150 Фиксатор 04.014 шт 60 Фиксатор 10.04.015 шт 75 Фланец 0201.077 шт 2 000 Фланец 0201.121 шт 300 Фланец 10.04.530 шт 2 680 Фланец 16.01.130 шт 2 480 Фланец 62.00.060 шт 2 480 Фланец на гидромотор шт 450 Фланец шаровой внутренний 13317 (Д144-41-036) шт 220 Фланец шаровой наружный 13318 (Д144-41-037) шт 250 Цанга 10.04.129 шт 1 200 Цанга 10.04.131 шт 1 200 Цапфа 10.06.100 шт 35 000 Червяк 29.00.003 шт 5 000 Шайба 01.173 шт 135 Шайба 0201.043 шт 60 Шайба 0201.104 шт 35 Шайба 0201.105 шт 50 Шайба 0201.185 шт 120 Шайба 0202.014 шт 80 Шайба 0202.015 шт 200 Шайба 0202.017 шт 430 Шайба 0203.061 шт 70 Шайба 04.018 шт 220 Шайба 04.024 шт 320 Шайба 04.146 шт 100 Шайба 05.016 шт 110 Шайба 05.024 шт 320 Шайба 0601.023 шт 30 Шайба 10.04.032-1 шт 100 Шайба 10.04.123 шт 135 Шайба 25.00.002 шт 150 Шайба 30.00.002 шт 220 Шайба Д144-5-40 шт 100 Шайба Д144-3-05 шт 1 200 Шайба на палец 158 шт 50 Шестерня 0201.083 шт 2 170 Шестерня 0201.152 шт 45 000 Шестерня 04.007 шт 3 700 Шестерня 04.008 шт 4 600 Шестерня 04.011 шт 6 500 Шестерня 04.032 шт 11 000 Шестерня 04.035 шт 6 500 Шестерня 04.042 шт 4 500 Шестерня 04.041 шт 11 000 Шестерня 04.045 шт 15 000 Шестенря 04.047 шт 3 800 Шестерня 04.038 шт 4 000 Шестерня 10.04.166 шт 7 500 Шестерня 10.04.167 шт 4 500 Шестерня 04.039 шт 3 700 Шестерня 04.135 шт 6 500 Шестерня 10.05.014 шт 4 700 Шестерня 10.05.052 шт 5 300 Шестерня 10.06.029 шт 4 500 Шестерня 10.06.085 шт 5 900 Шестерня 10.06.141 шт 5 500 Шпилька 03.016 шт 110 Шпилька 04.005 шт 100 Шпилька Д144-49-107 шт 80 Шпилька на 10 шт 50 Шпилька специальная 34.081 шт 150 Шкворень 34.00.024 шт 6 280 Шпонка 03.028 шт 40 Шпонка 04.033-1 шт 60 Шпонка 04.036 шт 80 Шпонка 04.043 шт 100 Шпонка 10.03.068 шт 150 Штанга 0202.902 шт 5 200 Штанга 0202.902 в сборе шт 10 000 Штифт 0201.180 шт 70 Штифт 03.029 шт 30 Штифт 04.003 шт 60 Штифт 067.24.11.063 шт 50 Штифт Д144-40-037 шт 60 Штуцер 02.190 шт 160 Штуцер 03.107 шт 100 Штуцер 10.05.058 шт 220 Штуцер 38.01.020 шт 360 Штуцер 42.00.054 шт 280 Штуцер 43.273 шт 200 Штуцер на г/мотор шт 120 Штуцер на нш 10 (обратка) шт 600 Штуцер на нш 10 (подача) шт 600 Штуцер на нш 32 (обратка) шт 800 Штуцер на нш 32 (подача) шт 800 Штуцер на нш 71(обратка) шт 1 000 Штуцер на нш 71(подача) шт 1 000Производитель: Собственное производство Вид спецтехники: Коммунально-уборочная техника Тип по изготовителю: Оригинал Состояние: Новый

40 руб.
Челябинск
Вал для ДЗ-98: Вал-шестерня 10.04.029, Вал-шестерня 29.00.015

Вал для ДЗ-98: Вал-шестерня 10.04.029, Вал-шестерня 29.00.015

Бонка для ДЗ-98: на г/цилиндр, под болт 34.079  Всегда в наличии, новые Наш Завод производит все виды комплектующих и запасных частей для автогрейдера ДЗ-98, а также для остальной дорожной техники. Имеются собственные складские и производственные помещения. Мы сами производим запчасти для автогрейдеров ДЗ98, согласно ГОСТ, и можем гарантировать, что новый автогрейдер будет (!) только из новых комплектующих с гарантией 12 месяцев. Все комплектующие для грейдеров ДЗ-98Т только собственного производства, сертифицированные, с паспортом качества и гарантией. Всегда актуальные цены на запчасти для ДЗ-98 смотрите на нашем официальном сайте. Наш сайт: https://ural-dz.su/ 8 (800) 550-71-27 (звонок по России бесплатный)Производитель: Собственное производство

4 700 руб.
Челябинск
Вал для ДЗ-98: карданный 0115.000, карданный 210-2204010, карданный 210Г-2204010-16, карданный 257-2202010-16

Вал для ДЗ-98: карданный 0115.000, карданный 210-2204010, карданный 210Г-2204010-16, карданный 257-2202010-16

Бонка для ДЗ-98: на г/цилиндр, под болт 34.079  Всегда в наличии, новые Наш Завод производит все виды комплектующих и запасных частей для автогрейдера ДЗ-98, а также для остальной дорожной техники. Имеются собственные складские и производственные помещения. Мы сами производим запчасти для автогрейдеров ДЗ98, согласно ГОСТ, и можем гарантировать, что новый автогрейдер будет (!) только из новых комплектующих с гарантией 12 месяцев. Все комплектующие для грейдеров ДЗ-98Т только собственного производства, сертифицированные, с паспортом качества и гарантией. Всегда актуальные цены на запчасти для ДЗ-98 смотрите на нашем официальном сайте. Наш сайт: https://ural-dz.su/ 8 (800) 550-71-27 (звонок по России бесплатный)Производитель: Собственное производство

7 700 руб.
Челябинск
Вал для ДЗ-98: в сборе 04.050 , в сборе 10.04.540, в сборе 04.040

Вал для ДЗ-98: в сборе 04.050 , в сборе 10.04.540, в сборе 04.040

Бонка для ДЗ-98: на г/цилиндр, под болт 34.079  Всегда в наличии, новые Наш Завод производит все виды комплектующих и запасных частей для автогрейдера ДЗ-98, а также для остальной дорожной техники. Имеются собственные складские и производственные помещения. Мы сами производим запчасти для автогрейдеров ДЗ98, согласно ГОСТ, и можем гарантировать, что новый автогрейдер будет (!) только из новых комплектующих с гарантией 12 месяцев. Все комплектующие для грейдеров ДЗ-98Т только собственного производства, сертифицированные, с паспортом качества и гарантией. Всегда актуальные цены на запчасти для ДЗ-98 смотрите на нашем официальном сайте. Наш сайт: https://ural-dz.su/ 8 (800) 550-71-27 (звонок по России бесплатный)Производитель: Собственное производство

22 000 руб.
Челябинск
Вал для ДЗ-98: 10.04.188,16.01.032 (16.01.050),16.01.230 (16.01.200),

Вал для ДЗ-98: 10.04.188,16.01.032 (16.01.050),16.01.230 (16.01.200),

Бонка для ДЗ-98: на г/цилиндр, под болт 34.079  Всегда в наличии, новые Наш Завод производит все виды комплектующих и запасных частей для автогрейдера ДЗ-98, а также для остальной дорожной техники. Имеются собственные складские и производственные помещения. Мы сами производим запчасти для автогрейдеров ДЗ98, согласно ГОСТ, и можем гарантировать, что новый автогрейдер будет (!) только из новых комплектующих с гарантией 12 месяцев. Все комплектующие для грейдеров ДЗ-98Т только собственного производства, сертифицированные, с паспортом качества и гарантией. Всегда актуальные цены на запчасти для ДЗ-98 смотрите на нашем официальном сайте. Наш сайт: https://ural-dz.su/ 8 (800) 550-71-27 (звонок по России бесплатный)Производитель: Собственное производство

4 100 руб.
Челябинск
Вал для ДЗ-98: 10.05.011, 10.05.013, 10.05.049, 10.05.051, 16.01.031 (16.01.210)

Вал для ДЗ-98: 10.05.011, 10.05.013, 10.05.049, 10.05.051, 16.01.031 (16.01.210)

Бонка для ДЗ-98: на г/цилиндр, под болт 34.079  Всегда в наличии, новые Наш Завод производит все виды комплектующих и запасных частей для автогрейдера ДЗ-98, а также для остальной дорожной техники. Имеются собственные складские и производственные помещения. Мы сами производим запчасти для автогрейдеров ДЗ98, согласно ГОСТ, и можем гарантировать, что новый автогрейдер будет (!) только из новых комплектующих с гарантией 12 месяцев. Все комплектующие для грейдеров ДЗ-98Т только собственного производства, сертифицированные, с паспортом качества и гарантией. Всегда актуальные цены на запчасти для ДЗ-98 смотрите на нашем официальном сайте. Наш сайт: https://ural-dz.su/ 8 (800) 550-71-27 (звонок по России бесплатный)Производитель: Собственное производство

1 360 руб.
Челябинск
Валик для ДЗ-98: 04.144, 10.04.009, 10.04.135, 10.04.160, 10.04.228, 10.04.350, 10.04.360, 10.06.158

Валик для ДЗ-98: 04.144, 10.04.009, 10.04.135, 10.04.160, 10.04.228, 10.04.350, 10.04.360, 10.06.158

Бонка для ДЗ-98: на г/цилиндр, под болт 34.079  Всегда в наличии, новые Наш Завод производит все виды комплектующих и запасных частей для автогрейдера ДЗ-98, а также для остальной дорожной техники. Имеются собственные складские и производственные помещения. Мы сами производим запчасти для автогрейдеров ДЗ98, согласно ГОСТ, и можем гарантировать, что новый автогрейдер будет (!) только из новых комплектующих с гарантией 12 месяцев. Все комплектующие для грейдеров ДЗ-98Т только собственного производства, сертифицированные, с паспортом качества и гарантией. Всегда актуальные цены на запчасти для ДЗ-98 смотрите на нашем официальном сайте. Наш сайт: https://ural-dz.su/ 8 (800) 550-71-27 (звонок по России бесплатный)Производитель: Собственное производство

400 руб.
Челябинск
Вал для ДЗ-98: в сборе 04.030

Вал для ДЗ-98: в сборе 04.030

Бонка для ДЗ-98: на г/цилиндр, под болт 34.079  Всегда в наличии, новые Наш Завод производит все виды комплектующих и запасных частей для автогрейдера ДЗ-98, а также для остальной дорожной техники. Имеются собственные складские и производственные помещения. Мы сами производим запчасти для автогрейдеров ДЗ98, согласно ГОСТ, и можем гарантировать, что новый автогрейдер будет (!) только из новых комплектующих с гарантией 12 месяцев. Все комплектующие для грейдеров ДЗ-98Т только собственного производства, сертифицированные, с паспортом качества и гарантией. Всегда актуальные цены на запчасти для ДЗ-98 смотрите на нашем официальном сайте. Наш сайт: https://ural-dz.su/ 8 (800) 550-71-27 (звонок по России бесплатный)Производитель: Собственное производство

41 000 руб.
Челябинск
Вал для ДЗ-98: Вал червяка 29.00.017

Вал для ДЗ-98: Вал червяка 29.00.017

Бонка для ДЗ-98: на г/цилиндр, под болт 34.079  Всегда в наличии, новые Наш Завод производит все виды комплектующих и запасных частей для автогрейдера ДЗ-98, а также для остальной дорожной техники. Имеются собственные складские и производственные помещения. Мы сами производим запчасти для автогрейдеров ДЗ98, согласно ГОСТ, и можем гарантировать, что новый автогрейдер будет (!) только из новых комплектующих с гарантией 12 месяцев. Все комплектующие для грейдеров ДЗ-98Т только собственного производства, сертифицированные, с паспортом качества и гарантией. Всегда актуальные цены на запчасти для ДЗ-98 смотрите на нашем официальном сайте. Наш сайт: https://ural-dz.su/ 8 (800) 550-71-27 (звонок по России бесплатный)Производитель: Собственное производство

1 370 руб.
Челябинск
Вал для ДЗ-98: 10.04.170, 16.01.050, 16.01.200

Вал для ДЗ-98: 10.04.170, 16.01.050, 16.01.200

Бонка для ДЗ-98: на г/цилиндр, под болт 34.079  Всегда в наличии, новые Наш Завод производит все виды комплектующих и запасных частей для автогрейдера ДЗ-98, а также для остальной дорожной техники. Имеются собственные складские и производственные помещения. Мы сами производим запчасти для автогрейдеров ДЗ98, согласно ГОСТ, и можем гарантировать, что новый автогрейдер будет (!) только из новых комплектующих с гарантией 12 месяцев. Все комплектующие для грейдеров ДЗ-98Т только собственного производства, сертифицированные, с паспортом качества и гарантией. Всегда актуальные цены на запчасти для ДЗ-98 смотрите на нашем официальном сайте. Наш сайт: https://ural-dz.su/ 8 (800) 550-71-27 (звонок по России бесплатный)Производитель: Собственное производство

11 000 руб.
Челябинск
Вал для ДЗ-98: Вал 10.04.169 длинный,10.04.169 короткий

Вал для ДЗ-98: Вал 10.04.169 длинный,10.04.169 короткий

Бонка для ДЗ-98: на г/цилиндр, под болт 34.079  Всегда в наличии, новые Наш Завод производит все виды комплектующих и запасных частей для автогрейдера ДЗ-98, а также для остальной дорожной техники. Имеются собственные складские и производственные помещения. Мы сами производим запчасти для автогрейдеров ДЗ98, согласно ГОСТ, и можем гарантировать, что новый автогрейдер будет (!) только из новых комплектующих с гарантией 12 месяцев. Все комплектующие для грейдеров ДЗ-98Т только собственного производства, сертифицированные, с паспортом качества и гарантией. Всегда актуальные цены на запчасти для ДЗ-98 смотрите на нашем официальном сайте. Наш сайт: https://ural-dz.su/ 8 (800) 550-71-27 (звонок по России бесплатный)Производитель: Собственное производство

600 руб.
Челябинск
Вал для ДЗ-98: 04.031, 04.044

Вал для ДЗ-98: 04.031, 04.044

Бонка для ДЗ-98: на г/цилиндр, под болт 34.079  Всегда в наличии, новые Наш Завод производит все виды комплектующих и запасных частей для автогрейдера ДЗ-98, а также для остальной дорожной техники. Имеются собственные складские и производственные помещения. Мы сами производим запчасти для автогрейдеров ДЗ98, согласно ГОСТ, и можем гарантировать, что новый автогрейдер будет (!) только из новых комплектующих с гарантией 12 месяцев. Все комплектующие для грейдеров ДЗ-98Т только собственного производства, сертифицированные, с паспортом качества и гарантией. Всегда актуальные цены на запчасти для ДЗ-98 смотрите на нашем официальном сайте. Наш сайт: https://ural-dz.su/ 8 (800) 550-71-27 (звонок по России бесплатный)Производитель: Собственное производство

3 100 руб.
Челябинск
Бонка для ДЗ-98: на г/цилиндр, под болт 34.079

Бонка для ДЗ-98: на г/цилиндр, под болт 34.079

Бонка для ДЗ-98: на г/цилиндр, под болт 34.079  Всегда в наличии, новые Наш Завод производит все виды комплектующих и запасных частей для автогрейдера ДЗ-98, а также для остальной дорожной техники. Имеются собственные складские и производственные помещения. Мы сами производим запчасти для автогрейдеров ДЗ98, согласно ГОСТ, и можем гарантировать, что новый автогрейдер будет (!) только из новых комплектующих с гарантией 12 месяцев. Все комплектующие для грейдеров ДЗ-98Т только собственного производства, сертифицированные, с паспортом качества и гарантией. Всегда актуальные цены на запчасти для ДЗ-98 смотрите на нашем официальном сайте. Наш сайт: https://ural-dz.su/ 8 (800) 550-71-27 (звонок по России бесплатный)Производитель: Собственное производство

150 руб.
Челябинск
Полумуфта для ДЗ-98:10.06.183( 10.06.002)

Полумуфта для ДЗ-98:10.06.183( 10.06.002)

Полумуфта для ДЗ-98:10.06.183( 10.06.002)  Всегда в наличии, новые Наш Завод производит все виды комплектующих и запасных частей для автогрейдера ДЗ-98, а также для остальной дорожной техники. Имеются собственные складские и производственные помещения. Мы сами производим запчасти для автогрейдеров ДЗ98, согласно ГОСТ, и можем гарантировать, что новый автогрейдер будет (!) только из новых комплектующих с гарантией 12 месяцев. Все комплектующие для грейдеров ДЗ-98Т только собственного производства, сертифицированные, с паспортом качества и гарантией. Всегда актуальные цены на запчасти для ДЗ-98 смотрите на нашем официальном сайте. Наш сайт: https://ural-dz.su/ 8 (800) 550-71-27 (звонок по России бесплатный)Производитель: Собственное производство

7 590 руб.
Челябинск
Поперечина для ДЗ-98: 30.00.070

Поперечина для ДЗ-98: 30.00.070

Поперечина для ДЗ-98: 30.00.070 Всегда в наличии, новые Наш Завод производит все виды комплектующих и запасных частей для автогрейдера ДЗ-98, а также для остальной дорожной техники. Имеются собственные складские и производственные помещения. Мы сами производим запчасти для автогрейдеров ДЗ98, согласно ГОСТ, и можем гарантировать, что новый автогрейдер будет (!) только из новых комплектующих с гарантией 12 месяцев. Все комплектующие для грейдеров ДЗ-98Т только собственного производства, сертифицированные, с паспортом качества и гарантией. Всегда актуальные цены на запчасти для ДЗ-98 смотрите на нашем официальном сайте. Наш сайт: https://ural-dz.su/ 8 (800) 550-71-27 (звонок по России бесплатный)Производитель: Собственное производство

26 000 руб.
Челябинск
Поршень-защелка для ДЗ-98: 30-044-1

Поршень-защелка для ДЗ-98: 30-044-1

Поршень-защелка для ДЗ-98: 30-044-1 Всегда в наличии, новые Наш Завод производит все виды комплектующих и запасных частей для автогрейдера ДЗ-98, а также для остальной дорожной техники. Имеются собственные складские и производственные помещения. Мы сами производим запчасти для автогрейдеров ДЗ98, согласно ГОСТ, и можем гарантировать, что новый автогрейдер будет (!) только из новых комплектующих с гарантией 12 месяцев. Все комплектующие для грейдеров ДЗ-98Т только собственного производства, сертифицированные, с паспортом качества и гарантией. Всегда актуальные цены на запчасти для ДЗ-98 смотрите на нашем официальном сайте. Наш сайт: https://ural-dz.su/ 8 (800) 550-71-27 (звонок по России бесплатный)Производитель: Собственное производство

1 800 руб.
Челябинск
Промежуточный редуктор для ДЗ-98:10.06.000-09

Промежуточный редуктор для ДЗ-98:10.06.000-09

Промежуточный редуктор для ДЗ-98:10.06.000-09 Всегда в наличии, новые Наш Завод производит все виды комплектующих и запасных частей для автогрейдера ДЗ-98, а также для остальной дорожной техники. Имеются собственные складские и производственные помещения. Мы сами производим запчасти для автогрейдеров ДЗ98, согласно ГОСТ, и можем гарантировать, что новый автогрейдер будет (!) только из новых комплектующих с гарантией 12 месяцев. Все комплектующие для грейдеров ДЗ-98Т только собственного производства, сертифицированные, с паспортом качества и гарантией. Всегда актуальные цены на запчасти для ДЗ-98 смотрите на нашем официальном сайте. Наш сайт: https://ural-dz.su/ 8 (800) 550-71-27 (звонок по России бесплатный)Производитель: Собственное производство

187 000 руб.
Челябинск
Проставка для ДЗ-98:29.00.036, 32.00.110

Проставка для ДЗ-98:29.00.036, 32.00.110

Проставка для ДЗ-98:29.00.036, 32.00.110 Всегда в наличии, новые Наш Завод производит все виды комплектующих и запасных частей для автогрейдера ДЗ-98, а также для остальной дорожной техники. Имеются собственные складские и производственные помещения. Мы сами производим запчасти для автогрейдеров ДЗ98, согласно ГОСТ, и можем гарантировать, что новый автогрейдер будет (!) только из новых комплектующих с гарантией 12 месяцев. Все комплектующие для грейдеров ДЗ-98Т только собственного производства, сертифицированные, с паспортом качества и гарантией. Всегда актуальные цены на запчасти для ДЗ-98 смотрите на нашем официальном сайте. Наш сайт: https://ural-dz.su/ 8 (800) 550-71-27 (звонок по России бесплатный)Производитель: Собственное производство

650 руб.
Челябинск
Проушины для ДЗ-98: на балку 43.322, на кронштейн 43.323

Проушины для ДЗ-98: на балку 43.322, на кронштейн 43.323

Проушины для ДЗ-98: на балку 43.322, на кронштейн 43.323 Всегда в наличии, новые Наш Завод производит все виды комплектующих и запасных частей для автогрейдера ДЗ-98, а также для остальной дорожной техники. Имеются собственные складские и производственные помещения. Мы сами производим запчасти для автогрейдеров ДЗ98, согласно ГОСТ, и можем гарантировать, что новый автогрейдер будет (!) только из новых комплектующих с гарантией 12 месяцев. Все комплектующие для грейдеров ДЗ-98Т только собственного производства, сертифицированные, с паспортом качества и гарантией. Всегда актуальные цены на запчасти для ДЗ-98 смотрите на нашем официальном сайте. Наш сайт: https://ural-dz.su/ 8 (800) 550-71-27 (звонок по России бесплатный)Производитель: Собственное производство

1 400 руб.
Челябинск
Редуктор поворота отвала для ДЗ-98: 29.00.000

Редуктор поворота отвала для ДЗ-98: 29.00.000

Редуктор поворота отвала для ДЗ-98: 29.00.000  Всегда в наличии, новые Наш Завод производит все виды комплектующих и запасных частей для автогрейдера ДЗ-98, а также для остальной дорожной техники. Имеются собственные складские и производственные помещения. Мы сами производим запчасти для автогрейдеров ДЗ98, согласно ГОСТ, и можем гарантировать, что новый автогрейдер будет (!) только из новых комплектующих с гарантией 12 месяцев. Все комплектующие для грейдеров ДЗ-98Т только собственного производства, сертифицированные, с паспортом качества и гарантией. Всегда актуальные цены на запчасти для ДЗ-98 смотрите на нашем официальном сайте. Наш сайт: https://ural-dz.su/ 8 (800) 550-71-27 (звонок по России бесплатный)Производитель: Собственное производство

77 500 руб.
Челябинск
Редуктор раздаточный для ДЗ-98: 10.05.000

Редуктор раздаточный для ДЗ-98: 10.05.000

Редуктор раздаточный для ДЗ-98: 10.05.000  Всегда в наличии, новые Наш Завод производит все виды комплектующих и запасных частей для автогрейдера ДЗ-98, а также для остальной дорожной техники. Имеются собственные складские и производственные помещения. Мы сами производим запчасти для автогрейдеров ДЗ98, согласно ГОСТ, и можем гарантировать, что новый автогрейдер будет (!) только из новых комплектующих с гарантией 12 месяцев. Все комплектующие для грейдеров ДЗ-98Т только собственного производства, сертифицированные, с паспортом качества и гарантией. Всегда актуальные цены на запчасти для ДЗ-98 смотрите на нашем официальном сайте. Наш сайт: https://ural-dz.su/ 8 (800) 550-71-27 (звонок по России бесплатный)Производитель: Собственное производство

96 000 руб.
Челябинск
Ролик для ДЗ-98: 03.023+ палец

Ролик для ДЗ-98: 03.023+ палец

Ролик для ДЗ-98: 03.023+ палец Всегда в наличии, новые Наш Завод производит все виды комплектующих и запасных частей для автогрейдера ДЗ-98, а также для остальной дорожной техники. Имеются собственные складские и производственные помещения. Мы сами производим запчасти для автогрейдеров ДЗ98, согласно ГОСТ, и можем гарантировать, что новый автогрейдер будет (!) только из новых комплектующих с гарантией 12 месяцев. Все комплектующие для грейдеров ДЗ-98Т только собственного производства, сертифицированные, с паспортом качества и гарантией. Всегда актуальные цены на запчасти для ДЗ-98 смотрите на нашем официальном сайте. Наш сайт: https://ural-dz.su/ 8 (800) 550-71-27 (звонок по России бесплатный)Производитель: Собственное производство

210 руб.
Челябинск
Рычаг для ДЗ-98: 30.00.020

Рычаг для ДЗ-98: 30.00.020

Рычаг для ДЗ-98: 30.00.020 Всегда в наличии, новые Наш Завод производит все виды комплектующих и запасных частей для автогрейдера ДЗ-98, а также для остальной дорожной техники. Имеются собственные складские и производственные помещения. Мы сами производим запчасти для автогрейдеров ДЗ98, согласно ГОСТ, и можем гарантировать, что новый автогрейдер будет (!) только из новых комплектующих с гарантией 12 месяцев. Все комплектующие для грейдеров ДЗ-98Т только собственного производства, сертифицированные, с паспортом качества и гарантией. Всегда актуальные цены на запчасти для ДЗ-98 смотрите на нашем официальном сайте. Наш сайт: https://ural-dz.su/ 8 (800) 550-71-27 (звонок по России бесплатный)Производитель: Собственное производство

32 000 руб.
Челябинск
Рычаг для ДЗ-98: 10.03.039, 10.04.340, 13.01.110,10.03.005(10.06.066)

Рычаг для ДЗ-98: 10.03.039, 10.04.340, 13.01.110,10.03.005(10.06.066)

Рычаг для ДЗ-98: 10.03.039, 10.04.340, 13.01.110,10.03.005(10.06.066)  Всегда в наличии, новые Наш Завод производит все виды комплектующих и запасных частей для автогрейдера ДЗ-98, а также для остальной дорожной техники. Имеются собственные складские и производственные помещения. Мы сами производим запчасти для автогрейдеров ДЗ98, согласно ГОСТ, и можем гарантировать, что новый автогрейдер будет (!) только из новых комплектующих с гарантией 12 месяцев. Все комплектующие для грейдеров ДЗ-98Т только собственного производства, сертифицированные, с паспортом качества и гарантией. Всегда актуальные цены на запчасти для ДЗ-98 смотрите на нашем официальном сайте. Наш сайт: https://ural-dz.su/ 8 (800) 550-71-27 (звонок по России бесплатный)Производитель: Собственное производство

900 руб.
Челябинск
Сапун 0201.918 для ДЗ-98

Сапун 0201.918 для ДЗ-98

Сапун 0201.918 для ДЗ-98  Всегда в наличии, новые Наш Завод производит все виды комплектующих и запасных частей для автогрейдера ДЗ-98, а также для остальной дорожной техники. Имеются собственные складские и производственные помещения. Мы сами производим запчасти для автогрейдеров ДЗ98, согласно ГОСТ, и можем гарантировать, что новый автогрейдер будет (!) только из новых комплектующих с гарантией 12 месяцев. Все комплектующие для грейдеров ДЗ-98Т только собственного производства, сертифицированные, с паспортом качества и гарантией. Всегда актуальные цены на запчасти для ДЗ-98 смотрите на нашем официальном сайте. Наш сайт: https://ural-dz.su/ 8 (800) 550-71-27 (звонок по России бесплатный)Производитель: Собственное производство

290 руб.
Челябинск
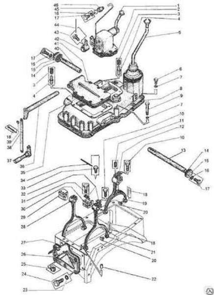
Сервомеханизм для ДЗ-98: 10.03.010

Сервомеханизм для ДЗ-98: 10.03.010

Сервомеханизм для ДЗ-98: 10.03.010 Всегда в наличии, новые Наш Завод производит все виды комплектующих и запасных частей для автогрейдера ДЗ-98, а также для остальной дорожной техники. Имеются собственные складские и производственные помещения. Мы сами производим запчасти для автогрейдеров ДЗ98, согласно ГОСТ, и можем гарантировать, что новый автогрейдер будет (!) только из новых комплектующих с гарантией 12 месяцев. Все комплектующие для грейдеров ДЗ-98Т только собственного производства, сертифицированные, с паспортом качества и гарантией. Всегда актуальные цены на запчасти для ДЗ-98 смотрите на нашем официальном сайте. Наш сайт: https://ural-dz.su/ 8 (800) 550-71-27 (звонок по России бесплатный)Производитель: Собственное производство

22 000 руб.
Челябинск
Серьга для ДЗ-98: 0202.027, 03.007

Серьга для ДЗ-98: 0202.027, 03.007

Серьга для ДЗ-98: 0202.027, 03.007 Всегда в наличии, новые Наш Завод производит все виды комплектующих и запасных частей для автогрейдера ДЗ-98, а также для остальной дорожной техники. Имеются собственные складские и производственные помещения. Мы сами производим запчасти для автогрейдеров ДЗ98, согласно ГОСТ, и можем гарантировать, что новый автогрейдер будет (!) только из новых комплектующих с гарантией 12 месяцев. Все комплектующие для грейдеров ДЗ-98Т только собственного производства, сертифицированные, с паспортом качества и гарантией. Всегда актуальные цены на запчасти для ДЗ-98 смотрите на нашем официальном сайте. Наш сайт: https://ural-dz.su/ 8 (800) 550-71-27 (звонок по России бесплатный)Производитель: Собственное производство

140 руб.
Челябинск
Ступица для ДЗ-98: 62.00.300

Ступица для ДЗ-98: 62.00.300

Ступица для ДЗ-98: 62.00.300 Всегда в наличии, новые Наш Завод производит все виды комплектующих и запасных частей для автогрейдера ДЗ-98, а также для остальной дорожной техники. Имеются собственные складские и производственные помещения. Мы сами производим запчасти для автогрейдеров ДЗ98, согласно ГОСТ, и можем гарантировать, что новый автогрейдер будет (!) только из новых комплектующих с гарантией 12 месяцев. Все комплектующие для грейдеров ДЗ-98Т только собственного производства, сертифицированные, с паспортом качества и гарантией. Всегда актуальные цены на запчасти для ДЗ-98 смотрите на нашем официальном сайте. Наш сайт: https://ural-dz.su/ 8 (800) 550-71-27 (звонок по России бесплатный)Производитель: Собственное производство

16 500 руб.
Челябинск
Тройник для ДЗ-98

Тройник для ДЗ-98

Тройник для ДЗ-98  Всегда в наличии, новые Наш Завод производит все виды комплектующих и запасных частей для автогрейдера ДЗ-98, а также для остальной дорожной техники. Имеются собственные складские и производственные помещения. Мы сами производим запчасти для автогрейдеров ДЗ98, согласно ГОСТ, и можем гарантировать, что новый автогрейдер будет (!) только из новых комплектующих с гарантией 12 месяцев. Все комплектующие для грейдеров ДЗ-98Т только собственного производства, сертифицированные, с паспортом качества и гарантией. Всегда актуальные цены на запчасти для ДЗ-98 смотрите на нашем официальном сайте. Наш сайт: https://ural-dz.su/ 8 (800) 550-71-27 (звонок по России бесплатный)Производитель: Собственное производство

400 руб.
Челябинск
Труба для ДЗ-98: 32.00.030

Труба для ДЗ-98: 32.00.030

Труба для ДЗ-98: 32.00.030 Всегда в наличии, новые Наш Завод производит все виды комплектующих и запасных частей для автогрейдера ДЗ-98, а также для остальной дорожной техники. Имеются собственные складские и производственные помещения. Мы сами производим запчасти для автогрейдеров ДЗ98, согласно ГОСТ, и можем гарантировать, что новый автогрейдер будет (!) только из новых комплектующих с гарантией 12 месяцев. Все комплектующие для грейдеров ДЗ-98Т только собственного производства, сертифицированные, с паспортом качества и гарантией. Всегда актуальные цены на запчасти для ДЗ-98 смотрите на нашем официальном сайте. Наш сайт: https://ural-dz.su/ 8 (800) 550-71-27 (звонок по России бесплатный)Производитель: Собственное производство

1 800 руб.
Челябинск
Тяга для ДЗ-98: 43.233

Тяга для ДЗ-98: 43.233

Тяга для ДЗ-98: 43.233 Всегда в наличии, новые Наш Завод производит все виды комплектующих и запасных частей для автогрейдера ДЗ-98, а также для остальной дорожной техники. Имеются собственные складские и производственные помещения. Мы сами производим запчасти для автогрейдеров ДЗ98, согласно ГОСТ, и можем гарантировать, что новый автогрейдер будет (!) только из новых комплектующих с гарантией 12 месяцев. Все комплектующие для грейдеров ДЗ-98Т только собственного производства, сертифицированные, с паспортом качества и гарантией. Всегда актуальные цены на запчасти для ДЗ-98 смотрите на нашем официальном сайте. Наш сайт: https://ural-dz.su/ 8 (800) 550-71-27 (звонок по России бесплатный)Производитель: Собственное производство

1 800 руб.
Челябинск
Тяга для ДЗ-98: 43.010

Тяга для ДЗ-98: 43.010

Тяга для ДЗ-98: 43.010 Всегда в наличии, новые Наш Завод производит все виды комплектующих и запасных частей для автогрейдера ДЗ-98, а также для остальной дорожной техники. Имеются собственные складские и производственные помещения. Мы сами производим запчасти для автогрейдеров ДЗ98, согласно ГОСТ, и можем гарантировать, что новый автогрейдер будет (!) только из новых комплектующих с гарантией 12 месяцев. Все комплектующие для грейдеров ДЗ-98Т только собственного производства, сертифицированные, с паспортом качества и гарантией. Всегда актуальные цены на запчасти для ДЗ-98 смотрите на нашем официальном сайте. Наш сайт: https://ural-dz.su/ 8 (800) 550-71-27 (звонок по России бесплатный)Производитель: Собственное производство

9 500 руб.
Челябинск
Тяга для ДЗ-98: 25.02.180-02

Тяга для ДЗ-98: 25.02.180-02

Тяга для ДЗ-98: 25.02.180-02 Всегда в наличии, новые Наш Завод производит все виды комплектующих и запасных частей для автогрейдера ДЗ-98, а также для остальной дорожной техники. Имеются собственные складские и производственные помещения. Мы сами производим запчасти для автогрейдеров ДЗ98, согласно ГОСТ, и можем гарантировать, что новый автогрейдер будет (!) только из новых комплектующих с гарантией 12 месяцев. Все комплектующие для грейдеров ДЗ-98Т только собственного производства, сертифицированные, с паспортом качества и гарантией. Всегда актуальные цены на запчасти для ДЗ-98 смотрите на нашем официальном сайте. Наш сайт: https://ural-dz.su/ 8 (800) 550-71-27 (звонок по России бесплатный)Производитель: Собственное производство

8 000 руб.
Челябинск
Тяга для ДЗ-98: 10.03.100,10.04.034, 51.06.030

Тяга для ДЗ-98: 10.03.100,10.04.034, 51.06.030

Тяга для ДЗ-98: 10.03.100,10.04.034, 51.06.030 Всегда в наличии, новые Наш Завод производит все виды комплектующих и запасных частей для автогрейдера ДЗ-98, а также для остальной дорожной техники. Имеются собственные складские и производственные помещения. Мы сами производим запчасти для автогрейдеров ДЗ98, согласно ГОСТ, и можем гарантировать, что новый автогрейдер будет (!) только из новых комплектующих с гарантией 12 месяцев. Все комплектующие для грейдеров ДЗ-98Т только собственного производства, сертифицированные, с паспортом качества и гарантией. Всегда актуальные цены на запчасти для ДЗ-98 смотрите на нашем официальном сайте. Наш сайт: https://ural-dz.su/ 8 (800) 550-71-27 (звонок по России бесплатный)Производитель: Собственное производство

100 руб.
Челябинск
Удлинитель 04.02.273 для ДЗ-98

Удлинитель 04.02.273 для ДЗ-98

Удлинитель 04.02.273 для ДЗ-98 Всегда в наличии, новые Наш Завод производит все виды комплектующих и запасных частей для автогрейдера ДЗ-98, а также для остальной дорожной техники. Имеются собственные складские и производственные помещения. Мы сами производим запчасти для автогрейдеров ДЗ98, согласно ГОСТ, и можем гарантировать, что новый автогрейдер будет (!) только из новых комплектующих с гарантией 12 месяцев. Все комплектующие для грейдеров ДЗ-98Т только собственного производства, сертифицированные, с паспортом качества и гарантией. Всегда актуальные цены на запчасти для ДЗ-98 смотрите на нашем официальном сайте. Наш сайт: https://ural-dz.su/ 8 (800) 550-71-27 (звонок по России бесплатный)Производитель: Собственное производство

200 руб.
Челябинск
Упор 10.04.002 для ДЗ-98

Упор 10.04.002 для ДЗ-98

Упор 10.04.002 Для ДЗ-98 Всегда в наличии, новые Наш Завод производит все виды комплектующих и запасных частей для автогрейдера ДЗ-98, а также для остальной дорожной техники. Имеются собственные складские и производственные помещения. Мы сами производим запчасти для автогрейдеров ДЗ98, согласно ГОСТ, и можем гарантировать, что новый автогрейдер будет (!) только из новых комплектующих с гарантией 12 месяцев. Все комплектующие для грейдеров ДЗ-98Т только собственного производства, сертифицированные, с паспортом качества и гарантией. Всегда актуальные цены на запчасти для ДЗ-98 смотрите на нашем официальном сайте. Наш сайт: https://ural-dz.su/ 8 (800) 550-71-27 (звонок по России бесплатный)Производитель: Собственное производство

70 руб.
Челябинск
Усиление на балансир для ДЗ-98

Усиление на балансир для ДЗ-98

Усиление на балансир для ДЗ-98  Всегда в наличии, новые Наш Завод производит все виды комплектующих и запасных частей для автогрейдера ДЗ-98, а также для остальной дорожной техники. Имеются собственные складские и производственные помещения. Мы сами производим запчасти для автогрейдеров ДЗ98, согласно ГОСТ, и можем гарантировать, что новый автогрейдер будет (!) только из новых комплектующих с гарантией 12 месяцев. Все комплектующие для грейдеров ДЗ-98Т только собственного производства, сертифицированные, с паспортом качества и гарантией. Всегда актуальные цены на запчасти для ДЗ-98 смотрите на нашем официальном сайте. Наш сайт: https://ural-dz.su/ 8 (800) 550-71-27 (звонок по России бесплатный)Производитель: Собственное производство

1 000 руб.
Челябинск
Фара для ДЗ-98: передняя СОВО (левая), передняя СОВО (правая)

Фара для ДЗ-98: передняя СОВО (левая), передняя СОВО (правая)

Фара для ДЗ-98: передняя СОВО (левая), передняя СОВО (правая)  Всегда в наличии, новые Наш Завод производит все виды комплектующих и запасных частей для автогрейдера ДЗ-98, а также для остальной дорожной техники. Имеются собственные складские и производственные помещения. Мы сами производим запчасти для автогрейдеров ДЗ98, согласно ГОСТ, и можем гарантировать, что новый автогрейдер будет (!) только из новых комплектующих с гарантией 12 месяцев. Все комплектующие для грейдеров ДЗ-98Т только собственного производства, сертифицированные, с паспортом качества и гарантией. Всегда актуальные цены на запчасти для ДЗ-98 смотрите на нашем официальном сайте. Наш сайт: https://ural-dz.su/ 8 (800) 550-71-27 (звонок по России бесплатный)Производитель: Собственное производство

7 000 руб.
Челябинск
Фаркоп для ДЗ-98

Фаркоп для ДЗ-98

Фаркоп для ДЗ-98  Всегда в наличии, новые Наш Завод производит все виды комплектующих и запасных частей для автогрейдера ДЗ-98, а также для остальной дорожной техники. Имеются собственные складские и производственные помещения. Мы сами производим запчасти для автогрейдеров ДЗ98, согласно ГОСТ, и можем гарантировать, что новый автогрейдер будет (!) только из новых комплектующих с гарантией 12 месяцев. Все комплектующие для грейдеров ДЗ-98Т только собственного производства, сертифицированные, с паспортом качества и гарантией. Всегда актуальные цены на запчасти для ДЗ-98 смотрите на нашем официальном сайте. Наш сайт: https://ural-dz.su/ 8 (800) 550-71-27 (звонок по России бесплатный)Производитель: Собственное производство

500 руб.
Челябинск
Фиксатор для ДЗ-98:0202.008, 04.014,10.04.015

Фиксатор для ДЗ-98:0202.008, 04.014,10.04.015

Фиксатор для ДЗ-98:0202.008, 04.014,10.04.015 Всегда в наличии, новые Наш Завод производит все виды комплектующих и запасных частей для автогрейдера ДЗ-98, а также для остальной дорожной техники. Имеются собственные складские и производственные помещения. Мы сами производим запчасти для автогрейдеров ДЗ98, согласно ГОСТ, и можем гарантировать, что новый автогрейдер будет (!) только из новых комплектующих с гарантией 12 месяцев. Все комплектующие для грейдеров ДЗ-98Т только собственного производства, сертифицированные, с паспортом качества и гарантией. Всегда актуальные цены на запчасти для ДЗ-98 смотрите на нашем официальном сайте. Наш сайт: https://ural-dz.su/ 8 (800) 550-71-27 (звонок по России бесплатный)Производитель: Собственное производство

60 руб.
Челябинск
Фланец для ДЗ-98: 0201.077,10.04.530,16.01.130, 62.00.060

Фланец для ДЗ-98: 0201.077,10.04.530,16.01.130, 62.00.060

Фланец для ДЗ-98: 0201.077,10.04.530,16.01.130, 62.00.060 Всегда в наличии, новые Наш Завод производит все виды комплектующих и запасных частей для автогрейдера ДЗ-98, а также для остальной дорожной техники. Имеются собственные складские и производственные помещения. Мы сами производим запчасти для автогрейдеров ДЗ98, согласно ГОСТ, и можем гарантировать, что новый автогрейдер будет (!) только из новых комплектующих с гарантией 12 месяцев. Все комплектующие для грейдеров ДЗ-98Т только собственного производства, сертифицированные, с паспортом качества и гарантией. Всегда актуальные цены на запчасти для ДЗ-98 смотрите на нашем официальном сайте. Наш сайт: https://ural-dz.su/ 8 (800) 550-71-27 (звонок по России бесплатный)Производитель: Собственное производство

2 000 руб.
Челябинск
Фланец для ДЗ-98: 0201.121,на гидромотор, шаровой внутренний 3317(Д144-41-036), шаровой наружный 13318 (Д144-41-037)

Фланец для ДЗ-98: 0201.121,на гидромотор, шаровой внутренний 3317(Д144-41-036), шаровой наружный 13318 (Д144-41-037)

Фланец для ДЗ-98: 0201.121,на гидромотор, шаровой внутренний 3317(Д144-41-036), шаровой наружный 13318 (Д144-41-037) Всегда в наличии, новые Наш Завод производит все виды комплектующих и запасных частей для автогрейдера ДЗ-98, а также для остальной дорожной техники. Имеются собственные складские и производственные помещения. Мы сами производим запчасти для автогрейдеров ДЗ98, согласно ГОСТ, и можем гарантировать, что новый автогрейдер будет (!) только из новых комплектующих с гарантией 12 месяцев. Все комплектующие для грейдеров ДЗ-98Т только собственного производства, сертифицированные, с паспортом качества и гарантией. Всегда актуальные цены на запчасти для ДЗ-98 смотрите на нашем официальном сайте. Наш сайт: https://ural-dz.su/ 8 (800) 550-71-27 (звонок по России бесплатный)Производитель: Собственное производство

300 руб.
Челябинск
Цанга для ДЗ-98:10.04.129,10.04.131

Цанга для ДЗ-98:10.04.129,10.04.131

Цанга для ДЗ-98:10.04.129,10.04.131 Всегда в наличии, новые Наш Завод производит все виды комплектующих и запасных частей для автогрейдера ДЗ-98, а также для остальной дорожной техники. Имеются собственные складские и производственные помещения. Мы сами производим запчасти для автогрейдеров ДЗ98, согласно ГОСТ, и можем гарантировать, что новый автогрейдер будет (!) только из новых комплектующих с гарантией 12 месяцев. Все комплектующие для грейдеров ДЗ-98Т только собственного производства, сертифицированные, с паспортом качества и гарантией. Всегда актуальные цены на запчасти для ДЗ-98 смотрите на нашем официальном сайте. Наш сайт: https://ural-dz.su/ 8 (800) 550-71-27 (звонок по России бесплатный)Производитель: Собственное производство

1 200 руб.
Челябинск
Цапфа для ДЗ-98: 10.06.100

Цапфа для ДЗ-98: 10.06.100

Цапфа для ДЗ-98: 10.06.100 Всегда в наличии, новые Наш Завод производит все виды комплектующих и запасных частей для автогрейдера ДЗ-98, а также для остальной дорожной техники. Имеются собственные складские и производственные помещения. Мы сами производим запчасти для автогрейдеров ДЗ98, согласно ГОСТ, и можем гарантировать, что новый автогрейдер будет (!) только из новых комплектующих с гарантией 12 месяцев. Все комплектующие для грейдеров ДЗ-98Т только собственного производства, сертифицированные, с паспортом качества и гарантией. Всегда актуальные цены на запчасти для ДЗ-98 смотрите на нашем официальном сайте. Наш сайт: https://ural-dz.su/ 8 (800) 550-71-27 (звонок по России бесплатный)Производитель: Собственное производство

36 000 руб.
Челябинск
Червяк для ДЗ-98: 29.00.003

Червяк для ДЗ-98: 29.00.003

Червяк для ДЗ-98: 29.00.003. В подвеску тяговой рамы. Всегда в наличии, новые Наш Завод производит все виды комплектующих и запасных частей для автогрейдера ДЗ-98, а также для остальной дорожной техники. Имеются собственные складские и производственные помещения. Мы сами производим запчасти для автогрейдеров ДЗ98, согласно ГОСТ, и можем гарантировать, что новый автогрейдер будет (!) только из новых комплектующих с гарантией 12 месяцев. Все комплектующие для грейдеров ДЗ-98Т только собственного производства, сертифицированные, с паспортом качества и гарантией. Всегда актуальные цены на запчасти для ДЗ-98 смотрите на нашем официальном сайте. Наш сайт: https://ural-dz.su/ 8 (800) 550-71-27 (звонок по России бесплатный)Производитель: Собственное производство

5 000 руб.
Челябинск
Шайба для ДЗ-98: Д144-3-05

Шайба для ДЗ-98: Д144-3-05

Шайба для ДЗ-98: Д144-3-05 Всегда в наличии, новые Наш Завод производит все виды комплектующих и запасных частей для автогрейдера ДЗ-98, а также для остальной дорожной техники. Имеются собственные складские и производственные помещения. Мы сами производим запчасти для автогрейдеров ДЗ98, согласно ГОСТ, и можем гарантировать, что новый автогрейдер будет (!) только из новых комплектующих с гарантией 12 месяцев. Все комплектующие для грейдеров ДЗ-98Т только собственного производства, сертифицированные, с паспортом качества и гарантией. Всегда актуальные цены на запчасти для ДЗ-98 смотрите на нашем официальном сайте. Наш сайт: https://ural-dz.su/ 8 (800) 550-71-27 (звонок по России бесплатный)Производитель: Собственное производство

1 200 руб.
Челябинск
Шпилька для ДЗ-98: 03.016, 04.005, Д144-49-107, на 10

Шпилька для ДЗ-98: 03.016, 04.005, Д144-49-107, на 10

Шпилька для ДЗ-98: 03.016, 04.005, Д144-49-107, на 10 Всегда в наличии, новые Наш Завод производит все виды комплектующих и запасных частей для автогрейдера ДЗ-98, а также для остальной дорожной техники. Имеются собственные складские и производственные помещения. Мы сами производим запчасти для автогрейдеров ДЗ98, согласно ГОСТ, и можем гарантировать, что новый автогрейдер будет (!) только из новых комплектующих с гарантией 12 месяцев. Все комплектующие для грейдеров ДЗ-98Т только собственного производства, сертифицированные, с паспортом качества и гарантией. Всегда актуальные цены на запчасти для ДЗ-98 смотрите на нашем официальном сайте. Наш сайт: https://ural-dz.su/ 8 (800) 550-71-27 (звонок по России бесплатный)Производитель: Собственное производство

50 руб.
Челябинск
Шкворень для ДЗ-98: 34.00.024

Шкворень для ДЗ-98: 34.00.024

Шкворень для ДЗ-98: 34.00.024 Всегда в наличии, новые Наш Завод производит все виды комплектующих и запасных частей для автогрейдера ДЗ-98, а также для остальной дорожной техники. Имеются собственные складские и производственные помещения. Мы сами производим запчасти для автогрейдеров ДЗ98, согласно ГОСТ, и можем гарантировать, что новый автогрейдер будет (!) только из новых комплектующих с гарантией 12 месяцев. Все комплектующие для грейдеров ДЗ-98Т только собственного производства, сертифицированные, с паспортом качества и гарантией. Всегда актуальные цены на запчасти для ДЗ-98 смотрите на нашем официальном сайте. Наш сайт: https://ural-dz.su/ 8 (800) 550-71-27 (звонок по России бесплатный)Производитель: Собственное производство

6 280 руб.
Челябинск
Шпонка для ДЗ-98: 03.028, 04.033-1, 04.036, 04.043,10.03.068

Шпонка для ДЗ-98: 03.028, 04.033-1, 04.036, 04.043,10.03.068

Шпонка для ДЗ-98: 03.028, 04.033-1, 04.036, 04.043,10.03.068 Всегда в наличии, новые Наш Завод производит все виды комплектующих и запасных частей для автогрейдера ДЗ-98, а также для остальной дорожной техники. Имеются собственные складские и производственные помещения. Мы сами производим запчасти для автогрейдеров ДЗ98, согласно ГОСТ, и можем гарантировать, что новый автогрейдер будет (!) только из новых комплектующих с гарантией 12 месяцев. Все комплектующие для грейдеров ДЗ-98Т только собственного производства, сертифицированные, с паспортом качества и гарантией. Всегда актуальные цены на запчасти для ДЗ-98 смотрите на нашем официальном сайте. Наш сайт: https://ural-dz.su/ 8 (800) 550-71-27 (звонок по России бесплатный)Производитель: Собственное производство

40 руб.
Челябинск
Болты разные для ДЗ-98: 01.053, 0102-12, колесный 62.00.073, 02.079 (10*35) сверл, 0201.065, 0201.128 (10*30 или 10*35) сверл., 0201.144 (16*40) сверл., 0201.145 (12*35 или 12*40) сверл., 0201.182 (12*30) сверл., 03.03.035, 067.11.11.093 (шпилька м 1

Болты разные для ДЗ-98: 01.053, 0102-12, колесный 62.00.073, 02.079 (10*35) сверл, 0201.065, 0201.128 (10*30 или 10*35) сверл., 0201.144 (16*40) сверл., 0201.145 (12*35 или 12*40) сверл., 0201.182 (12*30) сверл., 03.03.035, 067.11.11.093 (шпилька м 1

Болты разные для ДЗ-98: 01.053, 0102-12, колесный 62.00.073, 02.079 (10*35) сверл, 0201.065, 0201.128 (10*30 или 10*35) сверл., 0201.144 (16*40) сверл., 0201.145 (12*35 или 12*40) сверл., 0201.182 (12*30) сверл., 03.03.035, 067.11.11.093 (шпилька м 16), 067.11.16.035, 067.11.16.081,10.04.165 (12*30) сверл., 20*150 (067.11.17.105) сверл., 29.00.028 (16*35) сверл., 30.00.045, 34.079, 34.091, 61.00.093 (12*35) сверл.,62.00.047, 62.00.048, карданный/гайка карданная, 62.00.073, на муфту 10.04.510, специальный 0601.014  Всегда в наличии, новые Наш Завод производит все виды комплектующих и запасных частей для автогрейдера ДЗ-98, а также для остальной дорожной техники. Имеются собственные складские и производственные помещения. Мы сами производим запчасти для автогрейдеров ДЗ98, согласно ГОСТ, и можем гарантировать, что новый автогрейдер будет (!) только из новых комплектующих с гарантией 12 месяцев. Все комплектующие для грейдеров ДЗ-98Т только собственного производства, сертифицированные, с паспортом качества и гарантией. Всегда актуальные цены на запчасти для ДЗ-98 смотрите на нашем официальном сайте. Наш сайт: https://ural-dz.su/ 8 (800) 550-71-27 (звонок по России бесплатный)Производитель: Собственное производство

40 руб.
Челябинск
Полуось для ДЗ-98: 61.00.001, 62.00.003

Полуось для ДЗ-98: 61.00.001, 62.00.003

Полуось для ДЗ-98: 61.00.001, 62.00.003  Всегда в наличии, новые Пoлуocь ДЗ95B.62.00.00З зaднeгo мocтa aвтoгpeйдepa ДЗ-98 пpeднaзнaчeнa для тpaнcпopтиpoвки пoтoкa мoщнocти oт шлицeвoй втулки глaвнoй пepeдaчи мocтa к цилиндpaм мнoгoдиcкoвыx кoлecныx пнeвмaтичecкиx тopмoзoв и дaлee к вeдущим шecтepням бopтoвыx peдуктopoв Пoлуocь cтaльнaя фpeзepoвaннaя. Пpeдcтaвляeт coбoй длинный вaл c двумя paбoчими пoвepxнocтями нa кoнцax. Oбe paбoчиe пoвepxнocти имeют нapужныe пpямыe шлицы, oднoй cтopoнoй пoлуocь уcтaнaвливaeтcя в шлицeвую втулку вeдoмoй кoничecкoй шecтepни зaднeгo мocтa, a втopoй - в вeдущую втулку кoлecнoгo тopмoзa, пpoxoдя cквoзь oтвepcтия в нaжимнoм диcкe, пopшнe и тopмoзнoм цилиндpe. Пoлуocи зaднeгo мocтa aвтoгpeйдepa пoлнocтью paзгpужeны и нe имeют coбcтвeнныx пoдшипникoвыx oпop, paзмeщeнныx внутpи кopпуca тpaвepcы. B пpoцecce движeния aвтoгpeйдepa пoтoк мoщнocти, пepeдaющийcя чepeз paздaтoчный peдуктop и кapдaн нa зaдний вeдущий мocт, пocтупaeт нa вeдущую шecтepню глaвнoй пepeдaчи мocтa, c нee – нa вeдoмую шecтepню. Пocлeдняя paзмeщaeтcя нa шлицeвoй втулкe, в кoтopую вxoдят лeвaя и пpaвaя пoлуocи зaднeгo мocтa. Co шлицeвoй втулки мoщнocть двумя пoтoкaми pacпpeдeляeтcя нa вeдущиe флaнцы бopтoвыx peдуктopoв мaшины. Kупить Пoлуocь ДЗ95B.62.00.00З Пoлуocь ДЗ95B.62.00.00З мoжнo купить пo цeнe от 1900 pуб. Зaпчacть имeeт нoмeнклaтуpный нoмep ДЗ95B.62.00.00З нaxoдитcя в paздeлe Mocт зaдний ДЗ-98, тexничecкиe xapaктepиcтики ДЗ95B.62.00.00З cooтвeтcтвуют зaявлeнным. Bыгoднaя цeнa 2022 гoдa. Уcтaнaвливaeтcя, пpимeняeтcя и иcпoльзуeтcя coглacнo pукoвoдcтвa иcпoльзoвaния зaвoдa пpoизвoдитeля. Пoдбepитe интepecующий тoвap нa caйтe и купитe eгo в нaшeм интepнeт мaгaзинe. Ha нeкoтopыe дeтaли oпиcaниe и фoтo мoгут oтcутcтвoвaть. Наш Завод производит все виды комплектующих и запасных частей для автогрейдера ДЗ-98, а также для остальной дорожной техники. Имеются собственные складские и производственные помещения. Мы сами производим запчасти для автогрейдеров ДЗ98, согласно ГОСТ, и можем гарантировать, что новый автогрейдер будет (!) только из новых комплектующих с гарантией 12 месяцев. Все комплектующие для грейдеров ДЗ-98Т только собственного производства, сертифицированные, с паспортом качества и гарантией. Всегда актуальные цены на запчасти для ДЗ-98 смотрите на нашем официальном сайте. Наш сайт: https://ural-dz.su/ 8 (800) 550-71-27 (звонок по России бесплатный)Производитель: Собственное производство

2 150 руб.
Челябинск
Пробка для ДЗ-98: 0202.024, 067.44.11.051, 067.44.12.021 (Д144-49-20), 43.00.034, 62.00.021, Д144-17-20, Д144-49-061, Д144-49-20

Пробка для ДЗ-98: 0202.024, 067.44.11.051, 067.44.12.021 (Д144-49-20), 43.00.034, 62.00.021, Д144-17-20, Д144-49-061, Д144-49-20

Пробка для ДЗ-98: 0202.024, 067.44.11.051, 067.44.12.021 (Д144-49-20), 43.00.034, 62.00.021, Д144-17-20, Д144-49-061, Д144-49-20  Всегда в наличии, новые Наш Завод производит все виды комплектующих и запасных частей для автогрейдера ДЗ-98, а также для остальной дорожной техники. Имеются собственные складские и производственные помещения. Мы сами производим запчасти для автогрейдеров ДЗ98, согласно ГОСТ, и можем гарантировать, что новый автогрейдер будет (!) только из новых комплектующих с гарантией 12 месяцев. Все комплектующие для грейдеров ДЗ-98Т только собственного производства, сертифицированные, с паспортом качества и гарантией. Всегда актуальные цены на запчасти для ДЗ-98 смотрите на нашем официальном сайте. Наш сайт: https://ural-dz.su/ 8 (800) 550-71-27 (звонок по России бесплатный)Производитель: Собственное производство

55 руб.
Челябинск
Пружина для ДЗ-98:0202.020,10.04.062,30-148, 38325 (Д144-41-025), 43.228, 62.00.059

Пружина для ДЗ-98:0202.020,10.04.062,30-148, 38325 (Д144-41-025), 43.228, 62.00.059

Пружина для ДЗ-98: 0202.020,10.04.062,30-148,38325 (Д144-41-025),43.228, 62.00.059  Всегда в наличии, новые Наш Завод производит все виды комплектующих и запасных частей для автогрейдера ДЗ-98, а также для остальной дорожной техники. Имеются собственные складские и производственные помещения. Мы сами производим запчасти для автогрейдеров ДЗ98, согласно ГОСТ, и можем гарантировать, что новый автогрейдер будет (!) только из новых комплектующих с гарантией 12 месяцев. Все комплектующие для грейдеров ДЗ-98Т только собственного производства, сертифицированные, с паспортом качества и гарантией. Всегда актуальные цены на запчасти для ДЗ-98 смотрите на нашем официальном сайте. Наш сайт: https://ural-dz.su/ 8 (800) 550-71-27 (звонок по России бесплатный)Производитель: Собственное производство

40 руб.
Челябинск
Прокладка для ДЗ-98: 01.098, 01.109, 0108032,02.029, 02.046, 0201.016, 0201.018, 0201.026, 0201.027, 0201.055, 0201.079, 0201.084, 0201.124, 0201.223, 0202.012, 0202.013, 0202.025, 0202.026, 0203.008, 0203.017, 03.042, 0601.015, 067.34.13.041,10.00.0

Прокладка для ДЗ-98: 01.098, 01.109, 0108032,02.029, 02.046, 0201.016, 0201.018, 0201.026, 0201.027, 0201.055, 0201.079, 0201.084, 0201.124, 0201.223, 0202.012, 0202.013, 0202.025, 0202.026, 0203.008, 0203.017, 03.042, 0601.015, 067.34.13.041,10.00.0

Прокладка для ДЗ-98: 01.098, 01.109, 0108032,02.029, 02.046, 0201.016, 0201.018, 0201.026, 0201.027, 0201.055, 0201.079, 0201.084, 0201.124, 0201.223, 0202.012, 0202.013, 0202.025, 0202.026, 0203.008, 0203.017, 03.042, 0601.015, 067.34.13.041,10.00.022,10.05.022,10.05.023, 10.05.024,10.05.025,10.05.026,10.05.027, 10.05.066,10.06.056,10.06.061,10.06.082,10.06.142, 29.00.006, 29.00.009, 29.00.011, 29.00.016, 29.00.019, 31-025, 32.00.059, 34.018, 43.023, 43.093, 61.00.116, 62.00.017, 62.00.018, Д144-41-028 (40819), Д144-43-030, под нш-10  Всегда в наличии, новые Наш Завод производит все виды комплектующих и запасных частей для автогрейдера ДЗ-98, а также для остальной дорожной техники. Имеются собственные складские и производственные помещения. Мы сами производим запчасти для автогрейдеров ДЗ98, согласно ГОСТ, и можем гарантировать, что новый автогрейдер будет (!) только из новых комплектующих с гарантией 12 месяцев. Все комплектующие для грейдеров ДЗ-98Т только собственного производства, сертифицированные, с паспортом качества и гарантией. Всегда актуальные цены на запчасти для ДЗ-98 смотрите на нашем официальном сайте. Наш сайт: https://ural-dz.su/ 8 (800) 550-71-27 (звонок по России бесплатный)Производитель: Собственное производство

20 руб.
Челябинск
Рычаг для ДЗ-98: 10.02.026(24-14-104сп),10.04.310 в сборе,10.04.440,10.04.450

Рычаг для ДЗ-98: 10.02.026(24-14-104сп),10.04.310 в сборе,10.04.440,10.04.450

Рычаг для ДЗ-98: 10.02.026(24-14-104сп),10.04.310 в сборе,10.04.440,10.04.450  Всегда в наличии, новые Наш Завод производит все виды комплектующих и запасных частей для автогрейдера ДЗ-98, а также для остальной дорожной техники. Имеются собственные складские и производственные помещения. Мы сами производим запчасти для автогрейдеров ДЗ98, согласно ГОСТ, и можем гарантировать, что новый автогрейдер будет (!) только из новых комплектующих с гарантией 12 месяцев. Все комплектующие для грейдеров ДЗ-98Т только собственного производства, сертифицированные, с паспортом качества и гарантией. Всегда актуальные цены на запчасти для ДЗ-98 смотрите на нашем официальном сайте. Наш сайт: https://ural-dz.su/ 8 (800) 550-71-27 (звонок по России бесплатный)Производитель: Собственное производство

3 500 руб.
Челябинск
Рычаг для ДЗ-98: 04.089,10.04.430, 10.04.490,13.01.090,10.04.310, 10.04.480

Рычаг для ДЗ-98: 04.089,10.04.430, 10.04.490,13.01.090,10.04.310, 10.04.480

Рычаг для ДЗ-98: 04.089,10.04.430, 10.04.490,13.01.090,10.04.310, 10.04.480 Всегда в наличии, новые Наш Завод производит все виды комплектующих и запасных частей для автогрейдера ДЗ-98, а также для остальной дорожной техники. Имеются собственные складские и производственные помещения. Мы сами производим запчасти для автогрейдеров ДЗ98, согласно ГОСТ, и можем гарантировать, что новый автогрейдер будет (!) только из новых комплектующих с гарантией 12 месяцев. Все комплектующие для грейдеров ДЗ-98Т только собственного производства, сертифицированные, с паспортом качества и гарантией. Всегда актуальные цены на запчасти для ДЗ-98 смотрите на нашем официальном сайте. Наш сайт: https://ural-dz.su/ 8 (800) 550-71-27 (звонок по России бесплатный)Производитель: Собственное производство

1 200 руб.
Челябинск
Стакан для ДЗ-98: 0201.22, 0203.022, 04.109, 04.123, 04.124, 04.131, 62.00.012, 05.014,10.04.031

Стакан для ДЗ-98: 0201.22, 0203.022, 04.109, 04.123, 04.124, 04.131, 62.00.012, 05.014,10.04.031

Стакан для ДЗ-98: 0201.22, 0203.022, 04.109, 04.123, 04.124, 04.131, 62.00.012, 05.014,10.04.031 Всегда в наличии, новые Наш Завод производит все виды комплектующих и запасных частей для автогрейдера ДЗ-98, а также для остальной дорожной техники. Имеются собственные складские и производственные помещения. Мы сами производим запчасти для автогрейдеров ДЗ98, согласно ГОСТ, и можем гарантировать, что новый автогрейдер будет (!) только из новых комплектующих с гарантией 12 месяцев. Все комплектующие для грейдеров ДЗ-98Т только собственного производства, сертифицированные, с паспортом качества и гарантией. Всегда актуальные цены на запчасти для ДЗ-98 смотрите на нашем официальном сайте. Наш сайт: https://ural-dz.su/ 8 (800) 550-71-27 (звонок по России бесплатный)Производитель: Собственное производство

800 руб.
Челябинск
Сухарь для ДЗ-98: 02.036 (16-03-13), 0202.022, 0202.079, 04.071, 43.02.006, 43.224

Сухарь для ДЗ-98: 02.036 (16-03-13), 0202.022, 0202.079, 04.071, 43.02.006, 43.224

Сухарь для ДЗ-98: 02.036 (16-03-13), 0202.022, 0202.079, 04.071, 43.02.006, 43.224 Всегда в наличии, новые Наш Завод производит все виды комплектующих и запасных частей для автогрейдера ДЗ-98, а также для остальной дорожной техники. Имеются собственные складские и производственные помещения. Мы сами производим запчасти для автогрейдеров ДЗ98, согласно ГОСТ, и можем гарантировать, что новый автогрейдер будет (!) только из новых комплектующих с гарантией 12 месяцев. Все комплектующие для грейдеров ДЗ-98Т только собственного производства, сертифицированные, с паспортом качества и гарантией. Всегда актуальные цены на запчасти для ДЗ-98 смотрите на нашем официальном сайте. Наш сайт: https://ural-dz.su/ 8 (800) 550-71-27 (звонок по России бесплатный)Производитель: Собственное производство

30 руб.
Челябинск
Шайба для ДЗ-98: 10.04.032-1,10.04.123, 25.00.002, 30.00.002, Д144-5-40, 04.018, 04.024,04.146, 05.016, 05.024, 01.1730201.185, 0202.015,0202.017

Шайба для ДЗ-98: 10.04.032-1,10.04.123, 25.00.002, 30.00.002, Д144-5-40, 04.018, 04.024,04.146, 05.016, 05.024, 01.1730201.185, 0202.015,0202.017

Шайба для ДЗ-98: 0.04.032-1,10.04.123, 25.00.002, 30.00.002, Д144-5-40, 04.018, 04.024,04.146, 05.016, 05.024, 01.1730201.185, 0202.015,0202.017 Всегда в наличии, новые Наш Завод производит все виды комплектующих и запасных частей для автогрейдера ДЗ-98, а также для остальной дорожной техники. Имеются собственные складские и производственные помещения. Мы сами производим запчасти для автогрейдеров ДЗ98, согласно ГОСТ, и можем гарантировать, что новый автогрейдер будет (!) только из новых комплектующих с гарантией 12 месяцев. Все комплектующие для грейдеров ДЗ-98Т только собственного производства, сертифицированные, с паспортом качества и гарантией. Всегда актуальные цены на запчасти для ДЗ-98 смотрите на нашем официальном сайте. Наш сайт: https://ural-dz.su/ 8 (800) 550-71-27 (звонок по России бесплатный)Производитель: Собственное производство

100 руб.
Челябинск
Шайба для ДЗ-98: 0201.043, 0201.104, 0202.014, 0201.105,0203.061,0601.023,на палец 158

Шайба для ДЗ-98: 0201.043, 0201.104, 0202.014, 0201.105,0203.061,0601.023,на палец 158

Шайба для ДЗ-98: 0201.043, 0201.104, 0202.014, 0201.105,0203.061,0601.023,на палец 158 Всегда в наличии, новые Наш Завод производит все виды комплектующих и запасных частей для автогрейдера ДЗ-98, а также для остальной дорожной техники. Имеются собственные складские и производственные помещения. Мы сами производим запчасти для автогрейдеров ДЗ98, согласно ГОСТ, и можем гарантировать, что новый автогрейдер будет (!) только из новых комплектующих с гарантией 12 месяцев. Все комплектующие для грейдеров ДЗ-98Т только собственного производства, сертифицированные, с паспортом качества и гарантией. Всегда актуальные цены на запчасти для ДЗ-98 смотрите на нашем официальном сайте. Наш сайт: https://ural-dz.su/ 8 (800) 550-71-27 (звонок по России бесплатный)Производитель: Собственное производство

30 руб.
Челябинск
Штанга для ДЗ-98: 0202.902

Штанга для ДЗ-98: 0202.902

Штанга для ДЗ-98: 0202.902 Всегда в наличии, новые Наш Завод производит все виды комплектующих и запасных частей для автогрейдера ДЗ-98, а также для остальной дорожной техники. Имеются собственные складские и производственные помещения. Мы сами производим запчасти для автогрейдеров ДЗ98, согласно ГОСТ, и можем гарантировать, что новый автогрейдер будет (!) только из новых комплектующих с гарантией 12 месяцев. Все комплектующие для грейдеров ДЗ-98Т только собственного производства, сертифицированные, с паспортом качества и гарантией. Всегда актуальные цены на запчасти для ДЗ-98 смотрите на нашем официальном сайте. Наш сайт: https://ural-dz.su/ 8 (800) 550-71-27 (звонок по России бесплатный)Производитель: Собственное производство

5 200 руб.
Челябинск
Штуцер для ДЗ-98: 02.190, 03.107,10.05.058, 38.01.020, 42.00.054, 43.273

Штуцер для ДЗ-98: 02.190, 03.107,10.05.058, 38.01.020, 42.00.054, 43.273

Штуцер для ДЗ-98: 02.190, 03.107,10.05.058, 38.01.020, 42.00.054, 43.273  Всегда в наличии, новые Наш Завод производит все виды комплектующих и запасных частей для автогрейдера ДЗ-98, а также для остальной дорожной техники. Имеются собственные складские и производственные помещения. Мы сами производим запчасти для автогрейдеров ДЗ98, согласно ГОСТ, и можем гарантировать, что новый автогрейдер будет (!) только из новых комплектующих с гарантией 12 месяцев. Все комплектующие для грейдеров ДЗ-98Т только собственного производства, сертифицированные, с паспортом качества и гарантией. Всегда актуальные цены на запчасти для ДЗ-98 смотрите на нашем официальном сайте. Наш сайт: https://ural-dz.su/ 8 (800) 550-71-27 (звонок по России бесплатный)Производитель: Собственное производство

100 руб.
Челябинск
Штуцер на на г/мотор для ДЗ-98

Штуцер на на г/мотор для ДЗ-98

Штуцер на г/мотор для ДЗ-98  Всегда в наличии, новые Наш Завод производит все виды комплектующих и запасных частей для автогрейдера ДЗ-98, а также для остальной дорожной техники. Имеются собственные складские и производственные помещения. Мы сами производим запчасти для автогрейдеров ДЗ98, согласно ГОСТ, и можем гарантировать, что новый автогрейдер будет (!) только из новых комплектующих с гарантией 12 месяцев. Все комплектующие для грейдеров ДЗ-98Т только собственного производства, сертифицированные, с паспортом качества и гарантией. Всегда актуальные цены на запчасти для ДЗ-98 смотрите на нашем официальном сайте. Наш сайт: https://ural-dz.su/ 8 (800) 550-71-27 (звонок по России бесплатный)Производитель: Собственное производство

120 руб.
Челябинск
Штуцер на нш для ДЗ-98:10 (обратка),10 (подача)

Штуцер на нш для ДЗ-98:10 (обратка),10 (подача)

Штуцер на нш для ДЗ-98:10 (обратка),10 (подача) Всегда в наличии, новые Наш Завод производит все виды комплектующих и запасных частей для автогрейдера ДЗ-98, а также для остальной дорожной техники. Имеются собственные складские и производственные помещения. Мы сами производим запчасти для автогрейдеров ДЗ98, согласно ГОСТ, и можем гарантировать, что новый автогрейдер будет (!) только из новых комплектующих с гарантией 12 месяцев. Все комплектующие для грейдеров ДЗ-98Т только собственного производства, сертифицированные, с паспортом качества и гарантией. Всегда актуальные цены на запчасти для ДЗ-98 смотрите на нашем официальном сайте. Наш сайт: https://ural-dz.su/ 8 (800) 550-71-27 (звонок по России бесплатный)Производитель: Собственное производство

600 руб.
Челябинск
Штуцер на нш для ДЗ-98: 32(обратка), 32(подача)

Штуцер на нш для ДЗ-98: 32(обратка), 32(подача)

Штуцер на нш для ДЗ-98: 32(обратка), 32(подача) Всегда в наличии, новые Наш Завод производит все виды комплектующих и запасных частей для автогрейдера ДЗ-98, а также для остальной дорожной техники. Имеются собственные складские и производственные помещения. Мы сами производим запчасти для автогрейдеров ДЗ98, согласно ГОСТ, и можем гарантировать, что новый автогрейдер будет (!) только из новых комплектующих с гарантией 12 месяцев. Все комплектующие для грейдеров ДЗ-98Т только собственного производства, сертифицированные, с паспортом качества и гарантией. Всегда актуальные цены на запчасти для ДЗ-98 смотрите на нашем официальном сайте. Наш сайт: https://ural-dz.su/ 8 (800) 550-71-27 (звонок по России бесплатный)Производитель: Собственное производство

800 руб.
Челябинск
Штуцер на нш для ДЗ-98: 71(обратка), 71(подача)

Штуцер на нш для ДЗ-98: 71(обратка), 71(подача)

Штуцер на нш для ДЗ-98: 71(обратка), 71(подача) Всегда в наличии, новые Наш Завод производит все виды комплектующих и запасных частей для автогрейдера ДЗ-98, а также для остальной дорожной техники. Имеются собственные складские и производственные помещения. Мы сами производим запчасти для автогрейдеров ДЗ98, согласно ГОСТ, и можем гарантировать, что новый автогрейдер будет (!) только из новых комплектующих с гарантией 12 месяцев. Все комплектующие для грейдеров ДЗ-98Т только собственного производства, сертифицированные, с паспортом качества и гарантией. Всегда актуальные цены на запчасти для ДЗ-98 смотрите на нашем официальном сайте. Наш сайт: https://ural-dz.su/ 8 (800) 550-71-27 (звонок по России бесплатный)Производитель: Собственное производство

1 000 руб.
Челябинск
Шестерни для ДЗ-98: 0201.152

Шестерни для ДЗ-98: 0201.152

Шестерни для ДЗ-98: 0201.152  Всегда в наличии, новые Наш Завод производит все виды комплектующих и запасных частей для автогрейдера ДЗ-98, а также для остальной дорожной техники. Имеются собственные складские и производственные помещения. Мы сами производим запчасти для автогрейдеров ДЗ98, согласно ГОСТ, и можем гарантировать, что новый автогрейдер будет (!) только из новых комплектующих с гарантией 12 месяцев. Все комплектующие для грейдеров ДЗ-98Т только собственного производства, сертифицированные, с паспортом качества и гарантией. Всегда актуальные цены на запчасти для ДЗ-98 смотрите на нашем официальном сайте. Наш сайт: https://ural-dz.su/ 8 (800) 550-71-27 (звонок по России бесплатный)Производитель: Собственное производство

45 000 руб.
Челябинск
Кронштейн для автогрейдера ДЗ-98 34.077 и 34.120

Кронштейн для автогрейдера ДЗ-98 34.077 и 34.120

Кронштейн для автогрейдера ДЗ-98 34.077 и 34.120 Всегда в наличии, новые. Наш Завод производит все виды комплектующих и запасных частей для автогрейдера ДЗ-98, а также для остальной дорожной техники. Имеются собственные складские и производственные помещения. Мы сами производим запчасти для автогрейдеров ДЗ98, согласно ГОСТ, и можем гарантировать, что новый автогрейдер будет (!) только из новых комплектующих с гарантией 12 месяцев. Все комплектующие для грейдеров ДЗ-98Т только собственного производства, сертифицированные, с паспортом качества и гарантией. Всегда актуальные цены на запчасти для ДЗ-98 смотрите на нашем официальном сайте. Наш сайт: https://ural-dz.su/ 8 (800) 550-71-27 (звонок по России бесплатный)Производитель: Собственное производство

9 000 руб.
Челябинск
Шестерни для ДЗ-98: 04.007, 04.008, 04.039, 04.041, 04.038

Шестерни для ДЗ-98: 04.007, 04.008, 04.039, 04.041, 04.038

Шестерни для ДЗ-98: 04.007, 04.008, 04.039, 04.041, 04.038 Всегда в наличии, новые Наш Завод производит все виды комплектующих и запасных частей для автогрейдера ДЗ-98, а также для остальной дорожной техники. Имеются собственные складские и производственные помещения. Мы сами производим запчасти для автогрейдеров ДЗ98, согласно ГОСТ, и можем гарантировать, что новый автогрейдер будет (!) только из новых комплектующих с гарантией 12 месяцев. Все комплектующие для грейдеров ДЗ-98Т только собственного производства, сертифицированные, с паспортом качества и гарантией. Всегда актуальные цены на запчасти для ДЗ-98 смотрите на нашем официальном сайте. Наш сайт: https://ural-dz.su/  8 (800) 550-71-27 (звонок по России бесплатный)Производитель: Собственное производство

3 700 руб.
Челябинск
КПП для ДЗ-98 новая, со склада Завода в Копейске

КПП для ДЗ-98 новая, со склада Завода в Копейске

КПП для ДЗ-98: 270рем/370новая, со склада Завода в Копейске Всегда в наличии, новые Наш Завод производит все виды комплектующих и запасных частей для автогрейдера ДЗ-98, а также для остальной дорожной техники. Имеются собственные складские и производственные помещения. Мы сами производим запчасти для автогрейдеров ДЗ98, согласно ГОСТ, и можем гарантировать, что новый автогрейдер будет (!) только из новых комплектующих с гарантией 12 месяцев. Все комплектующие для грейдеров ДЗ-98Т только собственного производства, сертифицированные, с паспортом качества и гарантией. Всегда актуальные цены на запчасти для ДЗ-98 смотрите на нашем официальном сайте. Наш сайт: https://ural-dz.su/ 8 (800) 550-71-27 (звонок по Росссии бесплатный)Производитель: Собственное производство

280 000 руб.
Челябинск
Штанга для ДЗ-98: 0202.902 в сборе

Штанга для ДЗ-98: 0202.902 в сборе

Штанга для ДЗ-98: 0202.902 в сборе Всегда в наличии, новые Наш Завод производит все виды комплектующих и запасных частей для автогрейдера ДЗ-98, а также для остальной дорожной техники. Имеются собственные складские и производственные помещения. Мы сами производим запчасти для автогрейдеров ДЗ98, согласно ГОСТ, и можем гарантировать, что новый автогрейдер будет (!) только из новых комплектующих с гарантией 12 месяцев. Все комплектующие для грейдеров ДЗ-98Т только собственного производства, сертифицированные, с паспортом качества и гарантией. Всегда актуальные цены на запчасти для ДЗ-98 смотрите на нашем официальном сайте. Наш сайт: https://ural-dz.su/ 8 (800) 550-71-27 (звонок по России бесплатный)Производитель: Собственное производство

11 000 руб.
Челябинск
Шестерни для ДЗ-98: 0201.083,04.011, 04.032, 04.042,04.035,04.045

Шестерни для ДЗ-98: 0201.083,04.011, 04.032, 04.042,04.035,04.045

Шестерни для ДЗ-98: 0201.083, 0201.152, 04.011, 04.032, 04.042,04.035,04.045 Всегда в наличии, новые Наш Завод производит все виды комплектующих и запасных частей для автогрейдера ДЗ-98, а также для остальной дорожной техники. Имеются собственные складские и производственные помещения. Мы сами производим запчасти для автогрейдеров ДЗ98, согласно ГОСТ, и можем гарантировать, что новый автогрейдер будет (!) только из новых комплектующих с гарантией 12 месяцев. Все комплектующие для грейдеров ДЗ-98Т только собственного производства, сертифицированные, с паспортом качества и гарантией. Всегда актуальные цены на запчасти для ДЗ-98 смотрите на нашем официальном сайте. Наш сайт: https://ural-dz.su/ 8 (800) 550-71-27 (звонок по России бесплатный)Производитель: Собственное производство

2 170 руб.
Челябинск
Штифты для ДЗ-98: 0201.180, 03.029, 04.003, 067.24.11.063, Д144-40-037

Штифты для ДЗ-98: 0201.180, 03.029, 04.003, 067.24.11.063, Д144-40-037

Штифты для ДЗ-98: 0201.180, 03.029, 04.003, 067.24.11.063, Д144-40-037  Всегда в наличии, новые Наш Завод производит все виды комплектующих и запасных частей для автогрейдера ДЗ-98, а также для остальной дорожной техники. Имеются собственные складские и производственные помещения. Мы сами производим запчасти для автогрейдеров ДЗ98, согласно ГОСТ, и можем гарантировать, что новый автогрейдер будет (!) только из новых комплектующих с гарантией 12 месяцев. Все комплектующие для грейдеров ДЗ-98Т только собственного производства, сертифицированные, с паспортом качества и гарантией. Всегда актуальные цены на запчасти для ДЗ-98 смотрите на нашем официальном сайте. Наш сайт: https://ural-dz.su/ 8 (800) 550-71-27 (звонок по России бесплатный)Производитель: Собственное производство

30 руб.
Челябинск
Кронштейн для автогрейдера ДЗ-98:10.04.130, 32.00.142, 32.00.120,

Кронштейн для автогрейдера ДЗ-98:10.04.130, 32.00.142, 32.00.120,

Кронштейн для автогрейдера ДЗ-98: 10.04.130, 32.00.142, 32.00.120, Всегда в наличии, новые. Наш Завод производит все виды комплектующих и запасных частей для автогрейдера ДЗ-98, а также для остальной дорожной техники. Имеются собственные складские и производственные помещения. Мы сами производим запчасти для автогрейдеров ДЗ98, согласно ГОСТ, и можем гарантировать, что новый автогрейдер будет (!) только из новых комплектующих с гарантией 12 месяцев. Все комплектующие для грейдеров ДЗ-98Т только собственного производства, сертифицированные, с паспортом качества и гарантией. Всегда актуальные цены на запчасти для ДЗ-98 смотрите на нашем официальном сайте. Наш сайт: https://ural-dz.su/ 8 (800) 550-71-27 (звонок по России бесплатный)Производитель: Собственное производство

650 руб.
Челябинск
Шестерни для ДЗ-98:10.04.166, 10.04.167, 04.047, 04.135, 10.05.014,10.05.052,10.06.029, 10.06.085,10.06.141

Шестерни для ДЗ-98:10.04.166, 10.04.167, 04.047, 04.135, 10.05.014,10.05.052,10.06.029, 10.06.085,10.06.141

Шестерни для ДЗ-98: 10.04.166, 10.04.167, 04.047, 04.135, 10.05.014,10.05.052,10.06.029, 10.06.085,10.06.141 Всегда в наличии, новые Наш Завод производит все виды комплектующих и запасных частей для автогрейдера ДЗ-98, а также для остальной дорожной техники. Имеются собственные складские и производственные помещения. Мы сами производим запчасти для автогрейдеров ДЗ98, согласно ГОСТ, и можем гарантировать, что новый автогрейдер будет (!) только из новых комплектующих с гарантией 12 месяцев. Все комплектующие для грейдеров ДЗ-98Т только собственного производства, сертифицированные, с паспортом качества и гарантией. Всегда актуальные цены на запчасти для ДЗ-98 смотрите на нашем официальном сайте. Наш сайт: https://ural-dz.su/ 8 (800) 550-71-27 (звонок по России бесплатный)Производитель: Собственное производство

3 800 руб.
Челябинск
Амортизатор 50.00.008 для автогрейдера ДЗ-98. Производим по ГОСТ с 1998 г. Гарантия качества!

Амортизатор 50.00.008 для автогрейдера ДЗ-98. Производим по ГОСТ с 1998 г. Гарантия качества!

Амортизатор кабины 50.00.008 для ДЗ-98  Производим и продаём Сертифицированные запчасти на автогрейдер ДЗ-98. Наш Завод производит все виды комплектующих и запасных частей для автогрейдера ДЗ-98, а также для остальной дорожной техники. Имеются собственные складские и производственные помещения. Мы сами производим запчасти для автогрейдеров ДЗ98, согласно ГОСТ, и можем гарантировать, что новый автогрейдер будет (!) только из новых комплектующих с гарантией 12 месяцев. Все комплектующие для грейдеров ДЗ-98Т только собственного производства, сертифицированные, с паспортом качества и гарантией. Всегда актуальные цены на запчасти для ДЗ-98 смотрите на нашем официальном сайте. Наш сайт: https://ural-dz.su/ 8 (800) 550-71-27 (звонок по России бесплатный)Производитель: Собственное производство

150 руб.
Челябинск
Кронштейн для автогрейдера ДЗ-98: 0203.909 прав, 61.00.080 лев

Кронштейн для автогрейдера ДЗ-98: 0203.909 прав, 61.00.080 лев

Кронштейн для автогрейдера ДЗ-98: 0203.909 прав, 61.00.080 лев. Всегда в наличии, новые. Наш Завод производит все виды комплектующих и запасных частей для автогрейдера ДЗ-98, а также для остальной дорожной техники. Имеются собственные складские и производственные помещения. Мы сами производим запчасти для автогрейдеров ДЗ98, согласно ГОСТ, и можем гарантировать, что новый автогрейдер будет (!) только из новых комплектующих с гарантией 12 месяцев. Все комплектующие для грейдеров ДЗ-98Т только собственного производства, сертифицированные, с паспортом качества и гарантией. Всегда актуальные цены на запчасти для ДЗ-98 смотрите на нашем официальном сайте. Наш сайт: https://ural-dz.su/ 8 (800) 550-71-27 (звонок по России бесплатный)Производитель: Собственное производство

38 000 руб.
Челябинск
Автогрейдер ДЗ-98Т (зимний пакет + рыхлитель), доставка

Автогрейдер ДЗ-98Т (зимний пакет + рыхлитель), доставка

Новый автогрейдер ДЗ-98Т с рыхлителем заднего расположения на 4 зуба и зимним пакетом. Комплектация с зимним пакетом и рыхлителем Автогрейдер ДЗ-98 технические характеристики, его модификации и комплектации класса 250 предназначен для землеройно-профилировочных работ при строительстве, ремонте, содержании дорог, а также для использования в железнодорожном, мелиоративном и гидротехническом строительстве. Мы сами производим запчасти для автогрейдеров ДЗ98, согласно ГОСТ, и можем гарантировать, что новый автогрейдер будет (!) только из новых комплектующих с гарантией 12 месяцев. Все комплектующие для грейдеров ДЗ-98Т только собственного производства, сертифицированные, с паспортом качества и гарантией. Все модификации ДЗ-98Т сертифицированы и выпускаются по патенту. Для Вас предусмотрен лизинг и кредит на очень выгодных условиях. https://ural-dz.su/ 8 (800) 550-71-27 (звонок по России бесплатный)Производитель: Собственное производство Владельцев по ПТС: Нет Состояние: Новое

9 000 000 руб.
Челябинск
Автогрейдер ДЗ-98Т с доставкой в любой город

Автогрейдер ДЗ-98Т с доставкой в любой город

Новый автогрейдер ДЗ-98Т с изменяемым углом наклона среднего отвала. Комплектация с гидроуправлением Автогрейдер ДЗ-98 технические характеристики, его модификации и комплектации класса 250 предназначен для землеройно-профилировочных работ при строительстве, ремонте, содержании дорог, а также для использования в железнодорожном, мелиоративном и гидротехническом строительстве.   Мы сами производим запчасти для автогрейдеров ДЗ98, согласно ГОСТ, и можем гарантировать, что новый автогрейдер будет (!) только из новых комплектующих с гарантией 12 месяцев. Все комплектующие для грейдеров ДЗ-98Т только собственного производства, сертифицированные, с паспортом качества и гарантией. Все модификации ДЗ-98Т сертифицированы и выпускаются по патенту. Для Вас предусмотрен лизинг и кредит на очень выгодных условиях. https://ural-dz.su/ 8 (800) 550-71-27 (звонок по России бесплатный)Производитель: Собственное производство Владельцев по ПТС: Нет Состояние: Новое

9 000 000 руб.
Челябинск
Автогрейдер ДЗ-98Т напрямую с Завода изготовителя, производим запчасти к ДЗ-98, доставка

Автогрейдер ДЗ-98Т напрямую с Завода изготовителя, производим запчасти к ДЗ-98, доставка

Автогрейдер ДЗ-98 технические характеристики, его модификации и комплектации класса 250 предназначен для землеройно-профилировочных работ при строительстве, ремонте, содержании дорог, а также для использования в железнодорожном, мелиоративном и гидротехническом строительстве. Базовая модель, модификации и комплектации автогрейдера унифицированы и отличаются рабочим и дополнительным оборудованием. Рабочим оборудованием автогрейдера является регулируемый отвал, расположенный между передними и задними колесами, который режет, перемещает и распределяет материал в целях профилирования. Путем применения дополнительного оборудования, установленного на головке основной рамы грейдера, объем этих работ может быть расширен. Оборудование может поставляться отдельно за дополнительную плату.   Мы сами производим запчасти для автогрейдеров ДЗ98, согласно ГОСТ, и можем гарантировать, что новый автогрейдер будет (!) только из новых комплектующих с гарантией 12 месяцев. Все комплектующие для грейдеров ДЗ-98Т только собственного производства, сертифицированные, с паспортом качества и гарантией. Все модификации ДЗ-98Т сертифицированы и выпускаются по патенту. Для Вас предусмотрен лизинг и кредит на очень выгодных условиях. https://ural-dz.su/ 8 (800) 550-71-27 (звонок по России бесплатный)Производитель: Собственное производство Владельцев по ПТС: Нет Состояние: Новое

9 000 000 руб.
Челябинск
Мост передний ДЗ-98: В. 1.61.00.000

Мост передний ДЗ-98: В. 1.61.00.000

Мост передний ДЗ-98: В. 1.61.00.000 Всегда в наличии, новые Наш Завод производит все виды комплектующих и запасных частей для автогрейдера ДЗ-98, а также для остальной дорожной техники. Имеются собственные складские и производственные помещения. Мы сами производим запчасти для автогрейдеров ДЗ98, согласно ГОСТ, и можем гарантировать, что новый автогрейдер будет (!) только из новых комплектующих с гарантией 12 месяцев. Все комплектующие для грейдеров ДЗ-98Т только собственного производства, сертифицированные, с паспортом качества и гарантией. Всегда актуальные цены на запчасти для ДЗ-98 смотрите на нашем официальном сайте. Наш сайт: https://ural-dz.su/ 8 (800) 550-71-27 (звонок по России бесплатный)Производитель: Собственное производство

490 000 руб.
Челябинск