Транспорт в Барнауле

Всего объявлений: 976

Втулка цилиндра С1, 503-07-2

Втулка цилиндра С1, 503-07-2

На фото №2 В нашей компании всегда, в наличии и под заказ, запчасти и дизельные двигатели типа Д6, Д12, У1Д6. Поставка в любую точку России, Белоруссии, Казахстана и других стран СНГ. Доставка до терминала Транспортной компании г. Барнаула бесплатно. С этим товаром так же покупают: 503-07-2, 503-07-4 Втулка цилиндра (гильза сталь, Трансмаш) 504-05-18-1, 504-05-18-2 Поршень Полный комплект РТИ и АТИ (Д6 - Д12) 507-06, 507-15 Распредвал впуска, выпуска Сб.20-04-08-6 Кольцо поршневое маслосъемное с эспандером 20-04-06-1 Кольцо поршневое компрессионное 3303-08-1 Прокладка под головку Сб.303-03-21 Рубашка блока Сб.327-07-1, сб.527-07-2 Плунжерная пара Сб.506-06-2, сб.506-07-2 Клапан впуска (выпуска) 506-17-7 Направляющая клапана Сб.527-00-3, сб.527-00-8 Топливные насосы Д6 Сб.1227-00-6, сб.1227-00-12 Топливные насосы Д12 Сб.532-00 Топливоподкачивающий насос (БНК-12ТК, 12У) Сб.1206-01-5 Головка блока правая Сб.575-00-10-1 Охладитель в/водяной, в/масляный Сб.1275-00-10-1 Охладитель в/водяной, в/масляный СТ-721, 722, 724 Стартер Сб.523-08/09-1 Трубки высокого давления сб.511-00-55 Насос водяной Сб.512-00-6-01 Насос масляный Сб.584-01-25 Насос забортной воды Сб.525-04-1 Диск тренияПроизводитель: Барнаултрансмаш Вид: Другое Применение: Для катера Комплектация: Отдельное изделие

12 500 руб.
Барнаул
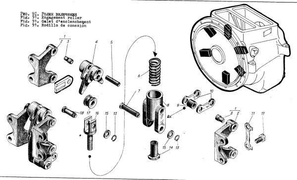
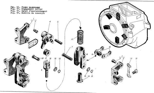
Шестерня переднего хода ведущая 3Д6 (1:3, Z=26) 525-24-03

Шестерня переднего хода ведущая 3Д6 (1:3, Z=26) 525-24-03

На фото каталога, позиция № 12 В нашей компании всегда, в наличии и под заказ, запчасти и дизельные двигатели типа Д6, Д12, У1Д6. Поставка в любую точку России, Белоруссии, Казахстана и других стран СНГ. Доставка до терминала Транспортной компании г. Барнаула бесплатно. С этим товаром так же покупают: 503-07-2, 503-07-4 Втулка цилиндра (гильза сталь, Трансмаш) 504-05-18-1, 504-05-18-2 Поршень Полный комплект РТИ и АТИ (Д6 - Д12) 507-06, 507-15 Распредвал впуска, выпуска Сб.20-04-08-6 Кольцо поршневое маслосъемное с эспандером 20-04-06-1 Кольцо поршневое компрессионное 3303-08-1 Прокладка под головку Сб.303-03-21 Рубашка блока Сб.327-07-1, сб.527-07-2 Плунжерная пара Сб.506-06-2, сб.506-07-2 Клапан впуска (выпуска) 506-17-7 Направляющая клапана Сб.527-00-3, сб.527-00-8 Топливные насосы Д6 Сб.1227-00-6, сб.1227-00-12 Топливные насосы Д12 Сб.532-00 Топливоподкачивающий насос (БНК-12ТК, 12У) Сб.1206-01-5 Головка блока правая Сб.575-00-10-1 Охладитель в/водяной, в/масляный Сб.1275-00-10-1 Охладитель в/водяной, в/масляный СТ-721, 722, 724 Стартер Сб.523-08/09-1 Трубки высокого давления сб.511-00-55 Насос водяной Сб.512-00-6-01 Насос масляный Сб.584-01-25 Насос забортной воды Сб.525-04-1 Диск тренияПроизводитель: Барнаултрансмаш Вид: Другое Применение: Для катера Комплектация: Отдельное изделие

9 500 руб.
Барнаул
Труба подвода масла от фильтра к блоку упр. Сб. 525-20-103

Труба подвода масла от фильтра к блоку упр. Сб. 525-20-103

На фото каталога, позиция № 3 В нашей компании всегда, в наличии и под заказ, запчасти и дизельные двигатели типа Д6, Д12, У1Д6. Поставка в любую точку России, Белоруссии, Казахстана и других стран СНГ. Доставка до терминала Транспортной компании г. Барнаула бесплатно. С этим товаром так же покупают: 503-07-2, 503-07-4 Втулка цилиндра (гильза сталь, Трансмаш) 504-05-18-1, 504-05-18-2 Поршень Полный комплект РТИ и АТИ (Д6 - Д12) 507-06, 507-15 Распредвал впуска, выпуска Сб.20-04-08-6 Кольцо поршневое маслосъемное с эспандером 20-04-06-1 Кольцо поршневое компрессионное 3303-08-1 Прокладка под головку Сб.303-03-21 Рубашка блока Сб.327-07-1, сб.527-07-2 Плунжерная пара Сб.506-06-2, сб.506-07-2 Клапан впуска (выпуска) 506-17-7 Направляющая клапана Сб.527-00-3, сб.527-00-8 Топливные насосы Д6 Сб.1227-00-6, сб.1227-00-12 Топливные насосы Д12 Сб.532-00 Топливоподкачивающий насос (БНК-12ТК, 12У) Сб.1206-01-5 Головка блока правая Сб.575-00-10-1 Охладитель в/водяной, в/масляный Сб.1275-00-10-1 Охладитель в/водяной, в/масляный СТ-721, 722, 724 Стартер Сб.523-08/09-1 Трубки высокого давления сб.511-00-55 Насос водяной Сб.512-00-6-01 Насос масляный Сб.584-01-25 Насос забортной воды Сб.525-04-1 Диск тренияПроизводитель: Барнаултрансмаш Вид: Другое Применение: Для катера Комплектация: Отдельное изделие

2 000 руб.
Барнаул
Кольцо уплотнительное анкерное С1 303-38

Кольцо уплотнительное анкерное С1 303-38

На фото каталога, позиция № 7 В нашей компании всегда, в наличии и под заказ, запчасти и дизельные двигатели типа Д6, Д12, У1Д6. Поставка в любую точку России, Белоруссии, Казахстана и других стран СНГ. Доставка до терминала Транспортной компании г. Барнаула бесплатно. С этим товаром так же покупают: 503-07-2, 503-07-4 Втулка цилиндра (гильза сталь, Трансмаш) 504-05-18-1, 504-05-18-2 Поршень Полный комплект РТИ и АТИ (Д6 - Д12) 507-06, 507-15 Распредвал впуска, выпуска Сб.20-04-08-6 Кольцо поршневое маслосъемное с эспандером 20-04-06-1 Кольцо поршневое компрессионное 3303-08-1 Прокладка под головку Сб.303-03-21 Рубашка блока Сб.327-07-1, сб.527-07-2 Плунжерная пара Сб.506-06-2, сб.506-07-2 Клапан впуска (выпуска) 506-17-7 Направляющая клапана Сб.527-00-3, сб.527-00-8 Топливные насосы Д6 Сб.1227-00-6, сб.1227-00-12 Топливные насосы Д12 Сб.532-00 Топливоподкачивающий насос (БНК-12ТК, 12У) Сб.1206-01-5 Головка блока правая Сб.575-00-10-1 Охладитель в/водяной, в/масляный Сб.1275-00-10-1 Охладитель в/водяной, в/масляный СТ-721, 722, 724 Стартер Сб.523-08/09-1 Трубки высокого давления сб.511-00-55 Насос водяной Сб.512-00-6-01 Насос масляный Сб.584-01-25 Насос забортной воды Сб.525-04-1 Диск тренияПроизводитель: Барнаултрансмаш Марка авто: Другая|МАЗ|УРАЛ Вид: Гильза двигателя Модель авто: Другая Тип по изготовителю: Оригинал Состояние: Новый Применение: Для катера Вид: Другое Комплектация: Отдельное изделие

25 руб.
Барнаул
Шайба стопорная 15, 553-32

Шайба стопорная 15, 553-32

На фото каталога позиция №12 В нашей компании всегда, в наличии и под заказ, запчасти и дизельные двигатели типа Д6, Д12, У1Д6. Поставка в любую точку России, Белоруссии, Казахстана и других стран СНГ. Доставка до терминала Транспортной компании г. Барнаула бесплатно. С этим товаром так же покупают: 503-07-2, 503-07-4 Втулка цилиндра (гильза сталь, Трансмаш) 504-05-18-1, 504-05-18-2 Поршень Полный комплект РТИ и АТИ (Д6 - Д12) 507-06, 507-15 Распредвал впуска, выпуска Сб.20-04-08-6 Кольцо поршневое маслосъемное с эспандером 20-04-06-1 Кольцо поршневое компрессионное 3303-08-1 Прокладка под головку Сб.303-03-21 Рубашка блока Сб.327-07-1, сб.527-07-2 Плунжерная пара Сб.506-06-2, сб.506-07-2 Клапан впуска (выпуска) 506-17-7 Направляющая клапана Сб.527-00-3, сб.527-00-8 Топливные насосы Д6 Сб.1227-00-6, сб.1227-00-12 Топливные насосы Д12 Сб.532-00 Топливоподкачивающий насос (БНК-12ТК, 12У) Сб.1206-01-5 Головка блока правая Сб.575-00-10-1 Охладитель в/водяной, в/масляный Сб.1275-00-10-1 Охладитель в/водяной, в/масляный СТ-721, 722, 724 Стартер Сб.523-08/09-1 Трубки высокого давления сб.511-00-55 Насос водяной Сб.512-00-6-01 Насос масляный Сб.584-01-25 Насос забортной воды Сб.525-04-1 Диск тренияПроизводитель: Барнаултрансмаш Тип: Детали двигателя, детали топливной системы Состояние: Новый Применение: Для катера Тип запчасти: Оригинал Вид: Другое Комплектация: Отдельное изделие

25 руб.
Барнаул
Шайба стопорная 9, 553-37

Шайба стопорная 9, 553-37

На фото каталога позиция №33 В нашей компании всегда, в наличии и под заказ, запчасти и дизельные двигатели типа Д6, Д12, У1Д6. Поставка в любую точку России, Белоруссии, Казахстана и других стран СНГ. Доставка до терминала Транспортной компании г. Барнаула бесплатно. С этим товаром так же покупают: 503-07-2, 503-07-4 Втулка цилиндра (гильза сталь, Трансмаш) 504-05-18-1, 504-05-18-2 Поршень Полный комплект РТИ и АТИ (Д6 - Д12) 507-06, 507-15 Распредвал впуска, выпуска Сб.20-04-08-6 Кольцо поршневое маслосъемное с эспандером 20-04-06-1 Кольцо поршневое компрессионное 3303-08-1 Прокладка под головку Сб.303-03-21 Рубашка блока Сб.327-07-1, сб.527-07-2 Плунжерная пара Сб.506-06-2, сб.506-07-2 Клапан впуска (выпуска) 506-17-7 Направляющая клапана Сб.527-00-3, сб.527-00-8 Топливные насосы Д6 Сб.1227-00-6, сб.1227-00-12 Топливные насосы Д12 Сб.532-00 Топливоподкачивающий насос (БНК-12ТК, 12У) Сб.1206-01-5 Головка блока правая Сб.575-00-10-1 Охладитель в/водяной, в/масляный Сб.1275-00-10-1 Охладитель в/водяной, в/масляный СТ-721, 722, 724 Стартер Сб.523-08/09-1 Трубки высокого давления сб.511-00-55 Насос водяной Сб.512-00-6-01 Насос масляный Сб.584-01-25 Насос забортной воды Сб.525-04-1 Диск тренияПроизводитель: Барнаултрансмаш Тип: Детали двигателя, детали топливной системы Состояние: Новый Применение: Для катера Тип запчасти: Оригинал Вид: Другое Комплектация: Отдельное изделие

30 руб.
Барнаул
Шайба стопорная 553-36

Шайба стопорная 553-36

На фото каталога позиция №15 В нашей компании всегда, в наличии и под заказ, запчасти и дизельные двигатели типа Д6, Д12, У1Д6. Поставка в любую точку России, Белоруссии, Казахстана и других стран СНГ. Доставка до терминала Транспортной компании г. Барнаула бесплатно. С этим товаром так же покупают: 503-07-2, 503-07-4 Втулка цилиндра (гильза сталь, Трансмаш) 504-05-18-1, 504-05-18-2 Поршень Полный комплект РТИ и АТИ (Д6 - Д12) 507-06, 507-15 Распредвал впуска, выпуска Сб.20-04-08-6 Кольцо поршневое маслосъемное с эспандером 20-04-06-1 Кольцо поршневое компрессионное 3303-08-1 Прокладка под головку Сб.303-03-21 Рубашка блока Сб.327-07-1, сб.527-07-2 Плунжерная пара Сб.506-06-2, сб.506-07-2 Клапан впуска (выпуска) 506-17-7 Направляющая клапана Сб.527-00-3, сб.527-00-8 Топливные насосы Д6 Сб.1227-00-6, сб.1227-00-12 Топливные насосы Д12 Сб.532-00 Топливоподкачивающий насос (БНК-12ТК, 12У) Сб.1206-01-5 Головка блока правая Сб.575-00-10-1 Охладитель в/водяной, в/масляный Сб.1275-00-10-1 Охладитель в/водяной, в/масляный СТ-721, 722, 724 Стартер Сб.523-08/09-1 Трубки высокого давления сб.511-00-55 Насос водяной Сб.512-00-6-01 Насос масляный Сб.584-01-25 Насос забортной воды Сб.525-04-1 Диск тренияПроизводитель: Барнаултрансмаш Тип: Детали двигателя, детали топливной системы Состояние: Новый Применение: Для катера Тип запчасти: Оригинал Вид: Другое Комплектация: Отдельное изделие

25 руб.
Барнаул
Гайка М76 525-561

Гайка М76 525-561

На фото каталога позиция № 6 В нашей компании всегда, в наличии и под заказ, запчасти и дизельные двигатели типа Д6, Д12, У1Д6. Поставка в любую точку России, Белоруссии, Казахстана и других стран СНГ. Доставка до терминала Транспортной компании г. Барнаула бесплатно. С этим товаром так же покупают: 503-07-2, 503-07-4 Втулка цилиндра (гильза сталь, Трансмаш) 504-05-18-1, 504-05-18-2 Поршень Полный комплект РТИ и АТИ (Д6 - Д12) 507-06, 507-15 Распредвал впуска, выпуска Сб.20-04-08-6 Кольцо поршневое маслосъемное с эспандером 20-04-06-1 Кольцо поршневое компрессионное 3303-08-1 Прокладка под головку Сб.303-03-21 Рубашка блока Сб.327-07-1, сб.527-07-2 Плунжерная пара Сб.506-06-2, сб.506-07-2 Клапан впуска (выпуска) 506-17-7 Направляющая клапана Сб.527-00-3, сб.527-00-8 Топливные насосы Д6 Сб.1227-00-6, сб.1227-00-12 Топливные насосы Д12 Сб.532-00 Топливоподкачивающий насос (БНК-12ТК, 12У) Сб.1206-01-5 Головка блока правая Сб.575-00-10-1 Охладитель в/водяной, в/масляный Сб.1275-00-10-1 Охладитель в/водяной, в/масляный СТ-721, 722, 724 Стартер Сб.523-08/09-1 Трубки высокого давления сб.511-00-55 Насос водяной Сб.512-00-6-01 Насос масляный Сб.584-01-25 Насос забортной воды Сб.525-04-1 Диск тренияПроизводитель: Барнаултрансмаш Вид: Другое Применение: Для корабля Комплектация: Отдельное изделие

1 000 руб.
Барнаул
Клапан пусковой Сб. 522-13-1

Клапан пусковой Сб. 522-13-1

На фото каталога позиция №10 В нашей компании всегда, в наличии и под заказ, запчасти и дизельные двигатели типа Д6, Д12, У1Д6. Поставка в любую точку России, Белоруссии, Казахстана и других стран СНГ. Доставка до терминала Транспортной компании г. Барнаула бесплатно. С этим товаром так же покупают: 503-07-2, 503-07-4 Втулка цилиндра (гильза сталь, Трансмаш) 504-05-18-1, 504-05-18-2 Поршень Полный комплект РТИ и АТИ (Д6 - Д12) 507-06, 507-15 Распредвал впуска, выпуска Сб.20-04-08-6 Кольцо поршневое маслосъемное с эспандером 20-04-06-1 Кольцо поршневое компрессионное 3303-08-1 Прокладка под головку Сб.303-03-21 Рубашка блока Сб.327-07-1, сб.527-07-2 Плунжерная пара Сб.506-06-2, сб.506-07-2 Клапан впуска (выпуска) 506-17-7 Направляющая клапана Сб.527-00-3, сб.527-00-8 Топливные насосы Д6 Сб.1227-00-6, сб.1227-00-12 Топливные насосы Д12 Сб.532-00 Топливоподкачивающий насос (БНК-12ТК, 12У) Сб.1206-01-5 Головка блока правая Сб.575-00-10-1 Охладитель в/водяной, в/масляный Сб.1275-00-10-1 Охладитель в/водяной, в/масляный СТ-721, 722, 724 Стартер Сб.523-08/09-1 Трубки высокого давления сб.511-00-55 Насос водяной Сб.512-00-6-01 Насос масляный Сб.584-01-25 Насос забортной воды Сб.525-04-1 Диск тренияПроизводитель: Барнаултрансмаш Вид: Другое Применение: Для катера Комплектация: Отдельное изделие

500 руб.
Барнаул
Труба Сб. 522-101-2

Труба Сб. 522-101-2

На фото каталога позиция №4 В нашей компании всегда, в наличии и под заказ, запчасти и дизельные двигатели типа Д6, Д12, У1Д6. Поставка в любую точку России, Белоруссии, Казахстана и других стран СНГ. Доставка до терминала Транспортной компании г. Барнаула бесплатно. С этим товаром так же покупают: 503-07-2, 503-07-4 Втулка цилиндра (гильза сталь, Трансмаш) 504-05-18-1, 504-05-18-2 Поршень Полный комплект РТИ и АТИ (Д6 - Д12) 507-06, 507-15 Распредвал впуска, выпуска Сб.20-04-08-6 Кольцо поршневое маслосъемное с эспандером 20-04-06-1 Кольцо поршневое компрессионное 3303-08-1 Прокладка под головку Сб.303-03-21 Рубашка блока Сб.327-07-1, сб.527-07-2 Плунжерная пара Сб.506-06-2, сб.506-07-2 Клапан впуска (выпуска) 506-17-7 Направляющая клапана Сб.527-00-3, сб.527-00-8 Топливные насосы Д6 Сб.1227-00-6, сб.1227-00-12 Топливные насосы Д12 Сб.532-00 Топливоподкачивающий насос (БНК-12ТК, 12У) Сб.1206-01-5 Головка блока правая Сб.575-00-10-1 Охладитель в/водяной, в/масляный Сб.1275-00-10-1 Охладитель в/водяной, в/масляный СТ-721, 722, 724 Стартер Сб.523-08/09-1 Трубки высокого давления сб.511-00-55 Насос водяной Сб.512-00-6-01 Насос масляный Сб.584-01-25 Насос забортной воды Сб.525-04-1 Диск тренияПроизводитель: Барнаултрансмаш Вид: Другое Применение: Для катера Комплектация: Отдельное изделие

500 руб.
Барнаул
Прокладка 20-05-165

Прокладка 20-05-165

На фото №33 В нашей компании всегда, в наличии и под заказ, запчасти и дизельные двигатели типа Д6, Д12, У1Д6. Поставка в любую точку России, Белоруссии, Казахстана и других стран СНГ. Доставка до терминала Транспортной компании г. Барнаула бесплатно. С этим товаром так же покупают: 503-07-2, 503-07-4 Втулка цилиндра (гильза сталь, Трансмаш) 504-05-18-1, 504-05-18-2 Поршень Полный комплект РТИ и АТИ (Д6 - Д12) 507-06, 507-15 Распредвал впуска, выпуска Сб.20-04-08-6 Кольцо поршневое маслосъемное с эспандером 20-04-06-1 Кольцо поршневое компрессионное 3303-08-1 Прокладка под головку Сб.303-03-21 Рубашка блока Сб.327-07-1, сб.527-07-2 Плунжерная пара Сб.506-06-2, сб.506-07-2 Клапан впуска (выпуска) 506-17-7 Направляющая клапана Сб.527-00-3, сб.527-00-8 Топливные насосы Д6 Сб.1227-00-6, сб.1227-00-12 Топливные насосы Д12 Сб.532-00 Топливоподкачивающий насос (БНК-12ТК, 12У) Сб.1206-01-5 Головка блока правая Сб.575-00-10-1 Охладитель в/водяной, в/масляный Сб.1275-00-10-1 Охладитель в/водяной, в/масляный СТ-721, 722, 724 Стартер Сб.523-08/09-1 Трубки высокого давления сб.511-00-55 Насос водяной Сб.512-00-6-01 Насос масляный Сб.584-01-25 Насос забортной воды Сб.525-04-1 Диск тренияПроизводитель: Барнаултрансмаш Вид: Другое Применение: Для катера Комплектация: Отдельное изделие

150 руб.
Барнаул
Втулка цилиндра С2, 503-07-4

Втулка цилиндра С2, 503-07-4

На фото №11 В нашей компании всегда, в наличии и под заказ, запчасти и дизельные двигатели типа Д6, Д12, У1Д6. Поставка в любую точку России, Белоруссии, Казахстана и других стран СНГ. Доставка до терминала Транспортной компании г. Барнаула бесплатно. С этим товаром так же покупают: 503-07-2, 503-07-4 Втулка цилиндра (гильза сталь, Трансмаш) 504-05-18-1, 504-05-18-2 Поршень Полный комплект РТИ и АТИ (Д6 - Д12) 507-06, 507-15 Распредвал впуска, выпуска Сб.20-04-08-6 Кольцо поршневое маслосъемное с эспандером 20-04-06-1 Кольцо поршневое компрессионное 3303-08-1 Прокладка под головку Сб.303-03-21 Рубашка блока Сб.327-07-1, сб.527-07-2 Плунжерная пара Сб.506-06-2, сб.506-07-2 Клапан впуска (выпуска) 506-17-7 Направляющая клапана Сб.527-00-3, сб.527-00-8 Топливные насосы Д6 Сб.1227-00-6, сб.1227-00-12 Топливные насосы Д12 Сб.532-00 Топливоподкачивающий насос (БНК-12ТК, 12У) Сб.1206-01-5 Головка блока правая Сб.575-00-10-1 Охладитель в/водяной, в/масляный Сб.1275-00-10-1 Охладитель в/водяной, в/масляный СТ-721, 722, 724 Стартер Сб.523-08/09-1 Трубки высокого давления сб.511-00-55 Насос водяной Сб.512-00-6-01 Насос масляный Сб.584-01-25 Насос забортной воды Сб.525-04-1 Диск тренияПроизводитель: Барнаултрансмаш Вид: Другое Применение: Для катера Комплектация: Отдельное изделие

15 000 руб.
Барнаул
Втулка цилиндра 20-01-50-1

Втулка цилиндра 20-01-50-1

На фото №7 В нашей компании всегда, в наличии и под заказ, запчасти и дизельные двигатели типа Д6, Д12, У1Д6. Поставка в любую точку России, Белоруссии, Казахстана и других стран СНГ. Доставка до терминала Транспортной компании г. Барнаула бесплатно. С этим товаром так же покупают: 503-07-2, 503-07-4 Втулка цилиндра (гильза сталь, Трансмаш) 504-05-18-1, 504-05-18-2 Поршень Полный комплект РТИ и АТИ (Д6 - Д12) 507-06, 507-15 Распредвал впуска, выпуска Сб.20-04-08-6 Кольцо поршневое маслосъемное с эспандером 20-04-06-1 Кольцо поршневое компрессионное 3303-08-1 Прокладка под головку Сб.303-03-21 Рубашка блока Сб.327-07-1, сб.527-07-2 Плунжерная пара Сб.506-06-2, сб.506-07-2 Клапан впуска (выпуска) 506-17-7 Направляющая клапана Сб.527-00-3, сб.527-00-8 Топливные насосы Д6 Сб.1227-00-6, сб.1227-00-12 Топливные насосы Д12 Сб.532-00 Топливоподкачивающий насос (БНК-12ТК, 12У) Сб.1206-01-5 Головка блока правая Сб.575-00-10-1 Охладитель в/водяной, в/масляный Сб.1275-00-10-1 Охладитель в/водяной, в/масляный СТ-721, 722, 724 Стартер Сб.523-08/09-1 Трубки высокого давления сб.511-00-55 Насос водяной Сб.512-00-6-01 Насос масляный Сб.584-01-25 Насос забортной воды Сб.525-04-1 Диск тренияПроизводитель: Барнаултрансмаш Тип по изготовителю: Оригинал Состояние: Новый Применение: Для катера Вид: Другое Комплектация: Отдельное изделие

15 000 руб.
Барнаул
Шайба стопорная 9, 553М-100

Шайба стопорная 9, 553М-100

На фото каталога позиция№11 В нашей компании всегда, в наличии и под заказ, запчасти и дизельные двигатели типа Д6, Д12, У1Д6. Поставка в любую точку России, Белоруссии, Казахстана и других стран СНГ. Доставка до терминала Транспортной компании г. Барнаула бесплатно. С этим товаром так же покупают: 503-07-2, 503-07-4 Втулка цилиндра (гильза сталь, Трансмаш) 504-05-18-1, 504-05-18-2 Поршень Полный комплект РТИ и АТИ (Д6 - Д12) 507-06, 507-15 Распредвал впуска, выпуска Сб.20-04-08-6 Кольцо поршневое маслосъемное с эспандером 20-04-06-1 Кольцо поршневое компрессионное 3303-08-1 Прокладка под головку Сб.303-03-21 Рубашка блока Сб.327-07-1, сб.527-07-2 Плунжерная пара Сб.506-06-2, сб.506-07-2 Клапан впуска (выпуска) 506-17-7 Направляющая клапана Сб.527-00-3, сб.527-00-8 Топливные насосы Д6 Сб.1227-00-6, сб.1227-00-12 Топливные насосы Д12 Сб.532-00 Топливоподкачивающий насос (БНК-12ТК, 12У) Сб.1206-01-5 Головка блока правая Сб.575-00-10-1 Охладитель в/водяной, в/масляный Сб.1275-00-10-1 Охладитель в/водяной, в/масляный СТ-721, 722, 724 Стартер Сб.523-08/09-1 Трубки высокого давления сб.511-00-55 Насос водяной Сб.512-00-6-01 Насос масляный Сб.584-01-25 Насос забортной воды Сб.525-04-1 Диск тренияПроизводитель: Барнаултрансмаш Вид: Другое Применение: Для катера Комплектация: Отдельное изделие

70 руб.
Барнаул
Втулка 525-564

Втулка 525-564

На фото каталога позиция № 12 В нашей компании всегда, в наличии и под заказ, запчасти и дизельные двигатели типа Д6, Д12, У1Д6. Поставка в любую точку России, Белоруссии, Казахстана и других стран СНГ. Доставка до терминала Транспортной компании г. Барнаула бесплатно. С этим товаром так же покупают: 503-07-2, 503-07-4 Втулка цилиндра (гильза сталь, Трансмаш) 504-05-18-1, 504-05-18-2 Поршень Полный комплект РТИ и АТИ (Д6 - Д12) 507-06, 507-15 Распредвал впуска, выпуска Сб.20-04-08-6 Кольцо поршневое маслосъемное с эспандером 20-04-06-1 Кольцо поршневое компрессионное 3303-08-1 Прокладка под головку Сб.303-03-21 Рубашка блока Сб.327-07-1, сб.527-07-2 Плунжерная пара Сб.506-06-2, сб.506-07-2 Клапан впуска (выпуска) 506-17-7 Направляющая клапана Сб.527-00-3, сб.527-00-8 Топливные насосы Д6 Сб.1227-00-6, сб.1227-00-12 Топливные насосы Д12 Сб.532-00 Топливоподкачивающий насос (БНК-12ТК, 12У) Сб.1206-01-5 Головка блока правая Сб.575-00-10-1 Охладитель в/водяной, в/масляный Сб.1275-00-10-1 Охладитель в/водяной, в/масляный СТ-721, 722, 724 Стартер Сб.523-08/09-1 Трубки высокого давления сб.511-00-55 Насос водяной Сб.512-00-6-01 Насос масляный Сб.584-01-25 Насос забортной воды Сб.525-04-1 Диск тренияПроизводитель: Барнаултрансмаш Вид: Другое Применение: Для корабля Комплектация: Отдельное изделие

1 000 руб.
Барнаул
Шайба 584-74-1

Шайба 584-74-1

На фото каталога позиция №18 В нашей компании всегда, в наличии и под заказ, запчасти и дизельные двигатели типа Д6, Д12, У1Д6. Поставка в любую точку России, Белоруссии, Казахстана и других стран СНГ. Доставка до терминала Транспортной компании г. Барнаула бесплатно. С этим товаром так же покупают: 503-07-2, 503-07-4 Втулка цилиндра (гильза сталь, Трансмаш) 504-05-18-1, 504-05-18-2 Поршень Полный комплект РТИ и АТИ (Д6 - Д12) 507-06, 507-15 Распредвал впуска, выпуска Сб.20-04-08-6 Кольцо поршневое маслосъемное с эспандером 20-04-06-1 Кольцо поршневое компрессионное 3303-08-1 Прокладка под головку Сб.303-03-21 Рубашка блока Сб.327-07-1, сб.527-07-2 Плунжерная пара Сб.506-06-2, сб.506-07-2 Клапан впуска (выпуска) 506-17-7 Направляющая клапана Сб.527-00-3, сб.527-00-8 Топливные насосы Д6 Сб.1227-00-6, сб.1227-00-12 Топливные насосы Д12 Сб.532-00 Топливоподкачивающий насос (БНК-12ТК, 12У) Сб.1206-01-5 Головка блока правая Сб.575-00-10-1 Охладитель в/водяной, в/масляный Сб.1275-00-10-1 Охладитель в/водяной, в/масляный СТ-721, 722, 724 Стартер Сб.523-08/09-1 Трубки высокого давления сб.511-00-55 Насос водяной Сб.512-00-6-01 Насос масляный Сб.584-01-25 Насос забортной воды Сб.525-04-1 Диск тренияПроизводитель: Барнаултрансмаш Материал: Алюминий Покрытие: Хром Состояние: Новый Тип: Детали двигателя, детали топливной системы Применение: Для катера Тип запчасти: Оригинал Вид: Другое Комплектация: Отдельное изделие

20 руб.
Барнаул
Шайба замковая 1225-67

Шайба замковая 1225-67

На фото каталога, позиция № 5 В нашей компании всегда, в наличии и под заказ, запчасти и дизельные двигатели типа Д6, Д12, У1Д6. Поставка в любую точку России, Белоруссии, Казахстана и других стран СНГ. Доставка до терминала Транспортной компании г. Барнаула бесплатно. С этим товаром так же покупают: 503-07-2, 503-07-4 Втулка цилиндра (гильза сталь, Трансмаш) 504-05-18-1, 504-05-18-2 Поршень Полный комплект РТИ и АТИ (Д6 - Д12) 507-06, 507-15 Распредвал впуска, выпуска Сб.20-04-08-6 Кольцо поршневое маслосъемное с эспандером 20-04-06-1 Кольцо поршневое компрессионное 3303-08-1 Прокладка под головку Сб.303-03-21 Рубашка блока Сб.327-07-1, сб.527-07-2 Плунжерная пара Сб.506-06-2, сб.506-07-2 Клапан впуска (выпуска) 506-17-7 Направляющая клапана Сб.527-00-3, сб.527-00-8 Топливные насосы Д6 Сб.1227-00-6, сб.1227-00-12 Топливные насосы Д12 Сб.532-00 Топливоподкачивающий насос (БНК-12ТК, 12У) Сб.1206-01-5 Головка блока правая Сб.575-00-10-1 Охладитель в/водяной, в/масляный Сб.1275-00-10-1 Охладитель в/водяной, в/масляный СТ-721, 722, 724 Стартер Сб.523-08/09-1 Трубки высокого давления сб.511-00-55 Насос водяной Сб.512-00-6-01 Насос масляный Сб.584-01-25 Насос забортной воды Сб.525-04-1 Диск тренияПроизводитель: Барнаултрансмаш Вид: Другое Применение: Для корабля Комплектация: Отдельное изделие

200 руб.
Барнаул
Запчасти к дизельным двигателям типа Д6, Д12, У1Д6.

Запчасти к дизельным двигателям типа Д6, Д12, У1Д6.

В нашей компании всегда, в наличии и под заказ, запчасти и дизельные двигатели типа Д6, Д12, У1Д6. Поставка в любую точку России, Белоруссии, Казахстана и других стран СНГ. Доставка до терминала Транспортной компании г. Барнаула бесплатно. С этим товаром так же покупают: 503-07-2, 503-07-4 Втулка цилиндра (гильза сталь, Трансмаш) 504-05-18-1, 504-05-18-2 Поршень Полный комплект РТИ и АТИ (Д6 - Д12) 507-06, 507-15 Распредвал впуска, выпуска Сб.20-04-08-6 Кольцо поршневое маслосъемное с эспандером 20-04-06-1 Кольцо поршневое компрессионное 3303-08-1 Прокладка под головку Сб.303-03-21 Рубашка блока Сб.327-07-1, сб.527-07-2 Плунжерная пара Сб.506-06-2, сб.506-07-2 Клапан впуска (выпуска) 506-17-7 Направляющая клапана Сб.527-00-3, сб.527-00-8 Топливные насосы Д6 Сб.1227-00-6, сб.1227-00-12 Топливные насосы Д12 Сб.532-00 Топливоподкачивающий насос (БНК-12ТК, 12У) Сб.1206-01-5 Головка блока правая Сб.575-00-10-1 Охладитель в/водяной, в/масляный Сб.1275-00-10-1 Охладитель в/водяной, в/масляный СТ-721, 722, 724 Стартер Сб.523-08/09-1 Трубки высокого давления сб.511-00-55 Насос водяной Сб.512-00-6-01 Насос масляный Сб.584-01-25 Насос забортной воды Сб.525-04-1 Диск тренияПроизводитель: Барнаултрансмаш Вид: Другое Применение: Для катера Комплектация: Отдельное изделие

100 руб.
Барнаул
Двигатель дизельный судовой 7Д12

Двигатель дизельный судовой 7Д12

Вспомогательные судовые дизели 7Д12 для привода генераторов 200 кВт в неавтоматизированных судовых дизель-генераторах ДГР-200/1500 (У30), ДГФ-200/1500М (У30М) и для замены выработавших ресурс в ранее выпускавшихся дизель-генераторах ДГ-200/1 (У08). Указанные дизели высокооборотные, четырехтактные с непосредственным впрыском топлива. Типа Д12 - двенадцати цилиндровые с V образным расположением цилиндров и развалом блоков 600. Система охлаждения - жидкостная, циркуляционная с охлаждением воды и масла у дизелей типа 7Д12 осуществляется в водо-водяном и водо-масляном охладителях. Дизели типа 7Д12 (кроме П7Д6АФ-С2) укомплектованы насосом забортной воды. Система смазки - циркуляционная, под давлением с "сухим" картером, с электронасосом для предпусковой прокачки системы. Дизели типа 7Д12 могут быть оборудованы дополнительным валом отбора мощности (до 30 л.с.). В нашей компании всегда, в наличии и под заказ, запчасти и дизельные двигатели типа Д6, Д12, У1Д6. Поставка в любую точку России, Белоруссии, Казахстана и других стран СНГ. Доставка до терминала Транспортной компании г. Барнаула бесплатно. Так же вы можете приобрести такие двигатели как: СТАЦИОНАРНЫЕ ДИЗЕЛИ: 1Д6-150С, 1Д6БА, 1Д12В-300, У1Д6-150АД-С4, У1Д6-С4 ПРОМЫШЛЕННЫЕ ДИЗЕЛИ: 1Д6Н-250С, 2Д6Н-250С, 1Д12-400БС, 1Д12-400КС, 1Д12БС, 1Д12БМС, 2Д12БС, У2Д6-С4 ТРАНСПОРТНЫЕ ДИЗЕЛИ: Д12А-375А, Д12А-525, Д12А-525А СУДОВЫЕ ДИЗЕЛИ: 3Д6С, 3Д6Н-235С, 3Д12А, 7Д6-150, 7Д12 РЕВЕРС-РЕДУКТОРЫ: Механические Сб.525-00-4, Сб.1225-00-5 и гидравлический Сб. 525-01-13Производитель: Барнаултрансмаш Вид: Другое Применение: Для катера Комплектация: Отдельное изделие

700 000 руб.
Барнаул
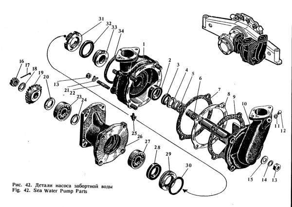
Труба сливная Сб. 520-04

Труба сливная Сб. 520-04

В нашей компании всегда, в наличии и под заказ, запчасти и дизельные двигатели типа Д6, Д12, У1Д6. Поставка в любую точку России, Белоруссии, Казахстана и других стран СНГ. Доставка до терминала Транспортной компании г. Барнаула бесплатно. С этим товаром так же покупают: 503-07-2, 503-07-4 Втулка цилиндра (гильза сталь, Трансмаш) 504-05-18-1, 504-05-18-2 Поршень Полный комплект РТИ и АТИ (Д6 - Д12) 507-06, 507-15 Распредвал впуска, выпуска Сб.20-04-08-6 Кольцо поршневое маслосъемное с эспандером 20-04-06-1 Кольцо поршневое компрессионное 3303-08-1 Прокладка под головку Сб.303-03-21 Рубашка блока Сб.327-07-1, сб.527-07-2 Плунжерная пара Сб.506-06-2, сб.506-07-2 Клапан впуска (выпуска) 506-17-7 Направляющая клапана Сб.527-00-3, сб.527-00-8 Топливные насосы Д6 Сб.1227-00-6, сб.1227-00-12 Топливные насосы Д12 Сб.532-00 Топливоподкачивающий насос (БНК-12ТК, 12У) Сб.1206-01-5 Головка блока правая Сб.575-00-10-1 Охладитель в/водяной, в/масляный Сб.1275-00-10-1 Охладитель в/водяной, в/масляный СТ-721, 722, 724 Стартер Сб.523-08/09-1 Трубки высокого давления сб.511-00-55 Насос водяной Сб.512-00-6-01 Насос масляный Сб.584-01-25 Насос забортной воды Сб.525-04-1 Диск тренияПроизводитель: Барнаултрансмаш Вид: Другое Применение: Для катера Комплектация: Отдельное изделие

550 руб.
Барнаул