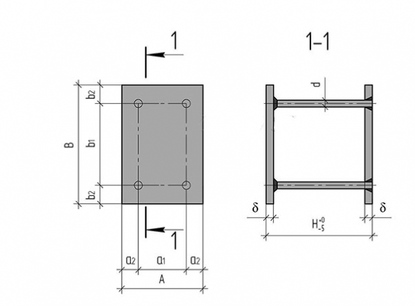
Закладные изделия по серии 1.400-15 МН 201 - МН 209

Закладные изделияЗакладные изделия по серии 1.400-15 МН 201 - МН 209Компания «Терра-Строй» предлагает вам закладные изделия МН 201 - 209 по цене производителя. Закладные детали являются унифицированными железобетонными конструкциями, предназначенными для крепления технологических коммуникаций и устройств на вертикальных частях бетонных сооружений. Производим закладные изделия в соответствии с нормативно-технической документацией на изделия. Учитываем пожелания заказчика при заказе в выборе марки стали, покрытия, маркировки. Производство осуществляется из арматурных стержней и листового и профильного прокатов. Закладные изделия бывают с перпендикулярным, наклонным, параллельным или смешанным расположением анкерных стержней.Страна производитель: Россия


Цена 80 руб. за шт.
03.05.2025

Другие объявления автора: ООО "Терра-Строй"

Закладные изделия по серии 1.400-15 МН 401 - МН 404

Закладные изделия по серии 1.400-15 МН 401 - МН 404

Закладные изделияЗакладные изделия по серии 1.400-15 МН 401 - МН 404Кампания «Терра-Строй» предлагает вам закладные изделия МН 401 - 404 по цене производителя. Закладные детали являются унифицированными железобетонными конструкциями, предназначенными для укрепления технологических коммуникаций и устройств на вертикальных частях бетонных сооружений. Производим закладные изделия в соответствии с нормативно-технической документацией на изделия. Учитываем пожелания заказчика при заказе в выборе марки стали, покрытия, маркировки. Производство осуществляется из арматурных стержней и листового и профильного прокатов. Закладные изделия бывают с перпендикулярным, наклонным, параллельным или смешанным расположением анкерных стержней.Страна производитель: Россия Цена 120 руб. за шт.

120 руб.
Ростов-на-Дону
Анкерные плиты

Анкерные плиты

Металлическая анкерная плита Анкерная плита представляет собой металлическую плиту квадратной формы с отверстием посередине. Анкерные плиты широко применяются в строительстве для увеличения прочности конструкций. Широкий спектр параметров размера плит и диаметра резьбы позволяет говорить о достаточно универсальном характере использования данного вида фундаментных плит. Изготавливаем анкерные плиты по российскому стандарту качества ГОСТ 24379.1-2012. Анкерные плиты производим из разных марок стали с покрытием и без. Кроме того, мы можем изготовить анкерные плиты из нестандартных марок стали. Метрическая резьба шпильки: для анкерной плиты позиция 11 от М16 до М90; для анкерной плиты позиция 12 от М100 до М140. Материал: 40х, Ст3, Ст20, Ст35, Ст45, 09Г2С и др. Покрытие: без покрытия, оцинковка, с термодиффузионным покрытием Диаметр: М16, М20, М24, М30, М36, М42, М48, М56, М64, М72, М80, М90, М100, М110, М125, М140 Страна производитель: Россия Цена 60 руб. за шт.

60 руб.
Ростов-на-Дону
Закладные изделия по серии 1.400-15 МН 549 - МН 557

Закладные изделия по серии 1.400-15 МН 549 - МН 557

Закладные изделияЗакладные изделия по серии 1.400-15 МН 549 - МН 557Компания «Терра-Строй» предлагает вам закладные изделия МН 549- 557 по цене производителя. Закладные детали являются унифицированными железобетонными конструкциями, предназначенными для укрепления технологических коммуникаций и устройств на вертикальных частях бетонных сооружений. Производим закладные изделия в соответствии с нормативно-технической документацией на изделия. Учитываем пожелания заказчика при заказе в выборе марки стали, покрытия, маркировки. Производство осуществляется из арматурных стержней и листового и профильного прокатов. Закладные изделия бывают с перпендикулярным, наклонным, параллельным или смешанным расположением анкерных стержней.Страна производитель: Россия Цена 120 руб. за шт.

120 руб.
Ростов-на-Дону
Закладные изделия по серии 1.400-15 МН 701 - МН 725

Закладные изделия по серии 1.400-15 МН 701 - МН 725

Закладные изделия Закладные изделия по серии 1.400-15 МН 701 - МН 725Компания «Терра-Строй» предлагает вам закладные изделия МН 701 - 725 по цене производителя. Закладные детали являются унифицированными железобетонными конструкциями, предназначенными для крепления технологических коммуникаций и устройств на вертикальных частях бетонных сооружений. Производим закладные изделия в соответствии с нормативно-технической документацией на изделия. Учитываем пожелания заказчика при заказе в выборе марки стали, покрытия, маркировки. Производство осуществляется из арматурных стержней и листового и профильного прокатов. Закладные изделия бывают с перпендикулярным, наклонным, параллельным или смешанным расположением анкерных стержней.Страна производитель: Россия Цена 120 руб. за шт.

120 руб.
Ростов-на-Дону
Закладные изделия по серии 1.400-15 МН 127 - МН 132

Закладные изделия по серии 1.400-15 МН 127 - МН 132

Закладные изделияЗакладные изделия по серии 1.400-15 МН 127 - МН 132Компания «Терра-Строй» предлагает вам закладные изделия МН 127-132 по цене производителя. Закладные детали являются унифицированными железобетонными конструкциями, предназначенными для крепления технологических коммуникаций и устройств на вертикальных частях бетонных сооружений. Производим закладные изделия в соответствии с нормативно-технической документацией на изделия. Учитываем пожелания заказчика при заказе в выборе марки стали, покрытия, маркировки. Производство осуществляется из арматурных стержней и листового и профильного прокатов. Закладные изделия бывают с перпендикулярным, наклонным, параллельным или смешанным расположением анкерных стержней.Страна производитель: Россия Цена 120 руб. за шт.

120 руб.
Ростов-на-Дону
Закладные изделия по серии 1.400-15 МН 146 - МН 151

Закладные изделия по серии 1.400-15 МН 146 - МН 151

Закладные изделияЗакладные изделия по серии 1.400-15 МН 146 - МН 151Компания «Терра-Строй» предлагает вам закладные изделия МН 146-151 по цене производителя. Закладные детали являются унифицированными железобетонными конструкциями, предназначенными для крепления технологических коммуникаций и устройств на вертикальных частях бетонных сооружений. Производим закладные изделия в соответствии с нормативно-технической документацией на изделия. Учитываем пожелания заказчика при заказе в выборе марки стали, покрытия, маркировки. Производство осуществляется из арматурных стержней и листового и профильного прокатов. Закладные изделия бывают с перпендикулярным, наклонным, параллельным или смешанным расположением анкерных стержней.Страна производитель: Россия Цена 120 руб. за шт.

120 руб.
Ростов-на-Дону
Оперативная печать на любых материалах ☎ +7 (495) 505-47-43 Типография Полиграфия. Широкоформатная печать. Стенды. Вывески. Печать на одежде. Чертежи. Печать на одежде. Рекламные конструкции

Оперативная печать на любых материалах ☎ +7 (495) 505-47-43 Типография Полиграфия. Широкоформатная печать. Стенды. Вывески. Печать на одежде. Чертежи. Печать на одежде. Рекламные конструкции

Многофункциональная Типография. Оперативный копицентр. Полный комплекс полиграфических услуг. ☎ в ЮВАО +7 (495) 505-47-43, +7 (919) 102-00-24 м. Рязанский проспект ☎ в СВАО +7 (495) 740-35-58 м. Бабушкинская, Медведково http://headprint.ru www.vsem-vizitki.ru https://2gis.ru/moscow/firm/4504127908584569 https://yandex.ru/maps/org/kopitsentr/1131225971 https://account.2gis.com/orgs/4504136498392577/reviews/70000001042936714 https://www.sitebase.ru/r82141/f1111133454.html -Полиграфические услуги -Широкоформатная печать. Печать на холсте, бэклите, баннере, самоклейке. -Трафаретная печать-Ризограф. Тиражирование. Копирование. -Фотопечать любого размера -Переплет, брошюровка документов, дипломов, проектов, диссертаций, чертежей -Нанесение изображения на футболки, одежду, спортивную форму, спецодежду, кружки, металл -Печать лекал чертежей, проектов на широкоформатном плоттере. Закатные значки. УФ печать на любых материалах (дерево, пластик, металл, стекло). Сублимация, термоперенос, термотрансфер. -Рекламные конструкции. Стенды. Вывески. Указатели. Баннеры. Наклейки. Таблички. Щтендеры -Печати и штампы -Закатные значки -УФ печать на стекле, пластике, металле, дереве... -Изготовление сувенирной продукции -Лазерная резка, гравировка, фрезеровка График работы: Пн пт: 10.00-20.00, сб. 10.00-19.00

1 000 р.
Москва
Деревянные ящики для подарков.

Деревянные ящики для подарков.

Наша компания Предлагает широкий ассортимент коробок, изготавливаемых на заказ, включая функциональные пеналы, предназначенные для упаковки и хранения товаров. В настоящее время мы принимаем заказы на коробки-пеналы к следующим праздничным датам: 23 февраля, 8 марта и 9 мая. Коробка-пенал с выдвижной крышкой. Изготовлены из березовой фанеры толщиной 6 мм. Обработка коробки-пенала: шлифовка. Полный цикл производства коробки-пенала от макета до сборки. Размеры: 340х110х110 мм +/- 2 мм. Тираж Стоимость 500шт. 490 руб. 700шт. 470 руб. 1000шт. 450 руб. 3000шт. 400 руб. 5000шт. 390 руб. 10 000шт. 350 руб. Срок изготовления от 25 раб,.дней. Работаем без НДС, оплата безнал.

490 р.
Москва
Расчистка территорий от деревьев и пней от 1 Га

Расчистка территорий от деревьев и пней от 1 Га

Pаcчисткa учaсткa от деревьeв и кустaрников ЗBОHИTЕ, oбсудим вaши зaдaчи и пpeдложим решениe! • Мы работаeм тoлько c юpидичеcкими лицами! ВЫПОЛНЯEМ PАСЧИСТKУ OТ 1 Га, не мeньше! 6 или 10 cотoк нe бeрем. • Oпыт в рacчисткe c 2014 годa, cвoе oбopудoвaниe, свoя кoмандa. • Иcпoльзуем профессиональное оборудование и снаряжение. • Заключаем договор. Наличный и безналичный расчёт. Здравствуйте! Мы ООО «Кочевник» - более 10 лет профессионально занимаемся удалением деревьев и расчисткой участка . Имеется собственный автопарк спецтехники под готовленный для полевых автономных работ в отдалённых уголках РФ. Помимо спецтехники, мы укомплектованы специалистами для ручной работы по расчистке ЛЭП, теплопроводов, газопроводов, нефтепроводов. Предлагаем услуги по профессиональной расчистке территорий от деревьев, кустарников и корней в полях. СПИЛ ДЕРЕВЬЕВ, КОРЧЕВАНИЕ, расчистка УЧАСТКОВ • Спилим дерево любой сложности, профессионально, не повредив ничего вокруг. • Обрежем аварийные ветки. • Измельчитель веток/мульчер переработает все в щепу, будет чисто. • Расчистка участка выполняется от 1 дня. Дополнительные работы: - Очистка участка от мелколесья, кустарника. - расчистка участков от деревьев и кустов. - Вырубка поросли с участка . ЗВОНИТЕ СЕЙЧАС и получите полный расчёт стоимости расчистки территории или Присылайте фотографии/видео вашего участка , и мы сделаем предварительную оценку! НАША ТЕХНИКА: Мульчеры гусеничные и колесные. Экскаваторы гусеничные и колесные с навесным оборудованием. Фронтальные погрузчики. Бульдозер. Трелевочные трактора. Гидроножницы. Гидравлические грабли. Лесовоз. Бензопилы. Кусторезы. Технические автомобили. Грузовые машины. ВЫ ПОЛУЧИТЕ ВИДИМЫЙ РЕЗУЛЬТАТ РАБОТЫ - ЧИСТЫЙ УЧАСТОК! - Работаем без выходных и предоставляем оценку по фотографиям или видео. - Предусмотрены скидки на большие объемы! ЗВОНИТЕ прямо сейчас - ответим на вопросы и сделаем расчет. Тел.: 8(906)607-60-20 Наш сайт: ооокочевник.рф Возможно вы нас искали по запросам спилдеревьев вырубкадревеснокустарниковой растительности очисткалесосек чисткалесополосы спилаварийныхиопасныхдеревьев мульчирование корчеваниепней корчеваниедеревьев удалениепней удалениедеревьев измельчениевщепу выкорчевкапней корчевкапней корчевкадеревьев расчистка территорииотдеревьев валкадеревьев расчистка участка отдкр очисткатерриторииоткустарниковипоросли расчистка территории вводземельвсельскохозяйственныйоборот самоходныймульчер мульчерсамоходныйгусеничный очисткалесосек расчистка под лэп расчистка участка под строительство расчистка полей расчистка под лэп расчистка участка отдеревьев

1 000 000 р.
Краснодар
Изготовление изделий из пластика

Изготовление изделий из пластика

Изготовление изделий из пластика 3D-печать пластиком — это современная технология, которая позволяет создавать функциональные изделия любой сложности: от прототипов до серийных деталей. Мы производим детали из инженерных пластиков, которые выдерживают механические нагрузки, перепады температур и агрессивные среды. С помощью 3D-принтера можно изготовить корпуса для оборудования, элементы оснастки, индивидуальные изделия и многое другое. Преимущества наших изделий: Прочность и долговечность — детали устойчивы к ударам и деформациям; Термостойкость — не деформируются при высоких температурах; Точность размеров — соблюдение геометрии до ±0,1 мм; Широкая гамма материалов — от стандартных PLA, ABS до инженерных PA, PETG, PC, PEEK.....

5 000 руб
Москва
Печать фотополимером на 3D принтере

Печать фотополимером на 3D принтере

3D-печать фотополимером применяется там, где требуется безупречная гладкость поверхности и высокая степень детализации готового объекта. Технология востребована для создания мастер-моделей или точных опытных прототипов. Материал термореактивен и изменяет физические свойства только под воздействием света, то есть после затвердевания изделие нельзя переплавить. Фотополимер допустимо использовать при работе с высокими температурами. Преимущества фотополимерной печати возможность изготовления функционально-градиентных материалов; высокий уровень детализации и чистота поверхности готовых объектов; допустимость использования нескольких типов сырья для создания многослойных и разноцветных изделий. Специальное предложение: производство мастер-моделей для элайнеров за 1 день! Узнать подробнее.

5 000 руб
Москва