3908-0017 резцы алмазные

Нет фотографий

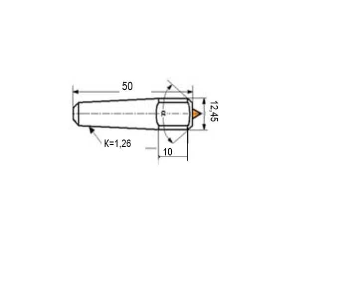
Резец алмазный правящий 3908-0017, 3908-0027 (ГОСТ 17368-79). Основные размеры 8х16х46 мм. h=1,0 мм. Угол заточки ά=32º. Модуль червячного круга – 2,5-5,0.Предназначен для правки (профилирования) червячных шлифовальных кругов (при обработке зубчатых колес 5-й и выше степени точности) на зубошлифовальных станках .Вся информация на нашем сайте.Доставка во все регионы.Система скидок.
14.07.2025

Другие объявления автора: ---

Головки алмазные на металлической и гальванической связке производстве

Циллиндрические AW, сводчатые F1W, конические EW и др. различных типоразмеров, предназначенные для внутреннего шлифования циллиндрических поверхностей.ООО АлмазПром занимается изготовлением алмазного и эльборового инструмента.Доставка во все регионы,система скидок.Вся информация на нашем сайте.

500 р.
Санкт-Петербург

Ролики алмазные производство и продажа

Алмазный ролик – это профессиональный инструмент, который применяется для технической правки шлифовальных кругов. К специализированной продукции предъявляются повышенные требования долговечности, что является важным фактором снижения расходов на производстве. Алмазные ролики применяются для правки шлифовальных кругов, для обработки шаровых пальцев, клапанов, шлицевых валов, деталей на ШРУС, коленчатых валов.На нашем сайте более подробная информация.Консультации технологов.Доставка во все регионы.

7 000 р.
Санкт-Петербург
Резцы алмазные и эльборовые производство и продажа

Резцы алмазные и эльборовые производство и продажа

В инструментальном производстве машиностроительной отрасли широко используются алмазные резцы для червячных шлифовальных кругов. Они в основном применимы для правки шлифовальных кругов с модулем профилируемого червячного круга от 0,4 до 8,0. Для правки червячных шлифовальных кругов с их помощью используется зубошлифовальный станок типа Рейсхауэр. Технология изготовления алмазных резцов регламентируется положениями ГОСТ 17368-79. Вся информация на нашем сайте.Доставка во все регионы

10 000 р.
Санкт-Петербург
Иглы алмазные производство и продажа

Иглы алмазные производство и продажа

Алмазные иглы 33.35,36,37 и др.изготовление и продажа Это изделие очень востребовано среди узкоспециализированного круга лиц, занимающихся обслуживанием рабочих узлов промышленного оборудования, производящего операции по обработке металла и других материалов. Основные задачи: по правке кругов резбошлифовального типа; доводка кругов, являющихся основным, рабочим узлом станков и оборудования, у которых имеется нестандартная конфигурация.Вся информация на нашем сайте.

1 000 р.
Санкт-Петербург

3908-0017 алмазные резцы типа Рейсхауэр производство и продажа

Резец алмазный правящий 3908-0017, 3908-0027 (ГОСТ 17368-79). Основные размеры 8х16х46 мм. h=1,0 мм. Угол заточки ά=32º. Модуль червячного круга – 2,5-5,0.Предназначен для правки (профилирования) червячных шлифовальных кругов (при обработке зубчатых колес 5-й и выше степени точности) на зубошлифовальных станках .Вся информация на нашем сайте.Доставка во все регионы.Система скидок.

10 000 р.
Санкт-Петербург

Продажа алмазного и эльборогово инструмента

Продажа алмазного и эльборогово инструмента ООО АлмазПром занимается реализацией всего спектра алмазного и эльборового инструмента со склада в Санкт-Петербурге. Наша номенклатура: -алмазные круги 1А1, 12А245, 12А220 -алмазная и эльборовая паста АСМ, ЛМ -эльборовые круги -алмазные карандаши 3908 -алмазные наконечники НК1 Роквелл Телефон: +7 (812) 9309519 E-mail: almazprom [@] mail. ru |

Москва
Продам оптом

Продам оптом

CeramTec (и аналоги TekUtec) Эти позиции, вероятно, являются твердосплавными пластинами или пластинами из ПКНБ/керамики. Цены предоставляются по запросу. Обозначение Количество Тип и применение RCGX 251200 P86 SH3 490 шт. Круглая режущая пластина (D=25.4мм), вероятно, ПКНБ/керамика для точения закаленных сталей/чугуна. RCGX 251200 P20033N-S000-M9010 30 шт. Круглая режущая пластина (D=25.4мм), скорее всего, TaeguTec (см. ниже) или аналог. RCGX 151000 P86 SH3 650 шт. Круглая режущая пластина (D=15.875мм), ПКНБ/керамика. RCGX 120700 P86 SH2 35 шт. Круглая режущая пластина (D=12.7мм), ПКНБ/керамика. NBMN 12F120 T02020SH2 80 шт. Керамическая или ПКНБ пластина (микробор). Используется для чистовой обработки. Цена ~3888 руб./шт. (по данным поставщика в Новокузнецке). RCGX 151000 U2 AB 30 30 30 шт. Круглая пластина (D=15.875мм), ПКНБ/керамика. RCGX 120700 U2 AB 30 10 10 шт. Круглая пластина (D=12.7мм), ПКНБ/керамика. RCGX 120700E Круглая пластина (D=12.7мм), ПКНБ/керамика. Sandvik Обозначение Количество Тип и применение 341.G.600-666. 670 40 шт. Режущая вставка из ПКНБ (CBN) для высокоскоростной обработки закаленных сталей/чугуна. RCGX 151000T20015. 650 10 шт. Круглая пластина (D=15.875мм) из ПКНБ (CBN), аналог Sandvik Coromant, марка сплава 650. 176.39-855 5 шт. Опорная пластина (подложка) для державки Sandvik. Не является режущим инструментом. RNGN 250700 K20015. 670 Круглая монолитная пластина из ПКНБ (CBN), диаметр 25,4 мм, марка сплава 670 (CeramTec/TekUtec). TaeguTec Эти позиции являются стандартными твердосплавными пластинами с PVD/CVD покрытием. Обозначение Количество Тип и применение RCGX 090700 T01 020N-F020-MBR 7010 M 30 шт. Круглая твердосплавная пластина (D=9.52мм), марка 7010M (PVD покрытие), для точения стали/нерж. стали. RCGX 090700 T0 1020N-S000-M9010 89 шт. Круглая твердосплавная пластина (D=9.52мм), марка M9010 (PVD покрытие), для точения жаропрочных сплавов/нерж. стали. Ingersoll Cutting Tools Это сменные твердосплавные наконечники серии Chipsurfer (модульные фрезы). Марка сплава IN2005 (PVD TiAlN) подходит для обработки стали, нерж. стали и жаропрочных сплавов. Обозначение Количество Тип и применение 45M12012T8RA30 IN2005 4 шт. Наконечник для углового фрезерования/снятия фаски 30°, D=12 мм. 45N12012T8RA45 IN2005 28 шт. Наконечник для углового фрезерования/снятия фаски 45°, D=12 мм. 45P12012T8RA60 IN2005 16 шт. Наконечник для углового фрезерования/зенкования 60°, D=12 мм.

Кемерово
Фреза концевая радиусная R1*4*4D*50L*2F HRC65

Фреза концевая радиусная R1*4*4D*50L*2F HRC65

Фреза концевая радиусная Возможен как наличный так и безналичный расчет. Фрезы в наличии от R1 до R6 Так же есть фрезы по алюминию

800 р.
Ростов-на-Дону
Гребенки резьбонарезные плоские (компл. из 4-х штук), ГОСТ 2287-88

Гребенки резьбонарезные плоские (компл. из 4-х штук), ГОСТ 2287-88

Гребенки резьбонарезные плоские (компл. из 4-х штук), ГОСТ 2287-88 Грезьбонарезные гребенки тип 1 исп. 1 и 2 Гребенки резьбонарезные плоские шаг (2660-0101) (2660-0102) шаг 1,00 7,5х19,5х50 Гребенки резьбонарезные плоские шаг (2660-0109) (2660-0112) шаг 1,25 7,5х19,5х50 Гребенки резьбонарезные плоские шаг (2660-0119) (2660-0122) шаг 1,50 7,5х19,5х50 Гребенки резьбонарезные плоские шаг (2660-0129) (2660-0132) шаг 1,75 7,5х19,5х50 Гребенки резьбонарезные плоские шаг (2660-0139) (2660-0142) шаг 2,00 7,5х19,5х50 Гребенки резьбонарезные плоские шаг 1,0 Р6М5 09х20х75мм 2660-0103 АI (к-т из 4шт) Гребенки резьбонарезные плоские шаг 1,0 Р6М5 09х20х75мм 2660-0104 АII (к-т из 4шт) Гребенки резьбонарезные плоские шаг 1,0 Р6М5 09х20х100мм 2660-0105 АI (к-т из 4шт) Гребенки резьбонарезные плоские шаг 1,0 Р6М5 09х20х100мм 2660-0106 АII (к-т из 4шт) Гребенки резьбонарезные плоские шаг 1,0 Р6М5 10х25х75мм 2660-0107 АI (к-т из 4шт) Гребенки резьбонарезные плоские шаг 1,0 Р6М5 10х25х75мм 2660-0108 АII (к-т из 4шт) Гребенки резьбонарезные плоские шаг 1,25 Р6М5 09х20х75мм 2660-0113 АI(к-т из 4шт) Гребенки резьбонарезные плоские шаг 1,25 Р6М5 09х20х75мм 2660-0114 АII(к-т из 4шт) Гребенки резьбонарезные плоские шаг 1,25 Р6М5 09х20х100мм 2660-0115 АI(к-т из 4шт) Гребенки резьбонарезные плоские шаг 1,25 Р6М5 09х20х100мм 2660-0116 АII(к-т из 4шт) Гребенки резьбонарезные плоские шаг 1,25 Р6М5 10х25х75мм 2660-0117 АI(к-т из 4шт) Гребенки резьбонарезные плоские шаг 1,25 Р6М5 10х25х75мм 2660-0118 АII(к-т из 4шт) Гребенки резьбонарезные плоские шаг 1,25 Р6М5 10х25х100мм 2660-011* АI(к-т из 4шт) Гребенки резьбонарезные плоские шаг 1,25 Р6М5 10х25х100мм 2660-011* АII(к-т из 4шт) Гребенки резьбонарезные плоские шаг 1,5 Р6М5 09х20х75мм 2660-0123 АI (к-т из 4шт) Гребенки резьбонарезные плоские шаг 1,5 Р6М5 09х20х75мм 2660-0124 АII (к-т из 4шт) Гребенки резьбонарезные плоские шаг 1,5 Р6М5 09х20х100мм 2660-0125 АI (к-т из 4шт) Гребенки резьбонарезные плоские шаг 1,5 Р6М5 09х20х100мм 2660-0126 АII (к-т из 4шт) Гребенки резьбонарезные плоские шаг 1,5 Р6М5 10х25х75мм 2660-0127 АII (к-т из 4шт) Гребенки резьбонарезные плоские шаг 1,5 Р6М5 10х25х75мм 2660-0128 АII (к-т из 4шт) Гребенки резьбонарезные плоские шаг 1,5 Р6М5 10х25х100мм 2660-012* АI (к-т из 4шт) Гребенки резьбонарезные плоские шаг 1,75 Р6М5 09х20х75мм 2660-0133 АI (к-т из 4шт) Гребенки резьбонарезные плоские шаг 1,75 Р6М5 09х20х75мм 2660-0134 АII (к-т из 4шт) Гребенки резьбонарезные плоские шаг 1,75 Р6М5 09х20х100мм 2660-0135 АI (к-т из 4шт) Гребенки резьбонарезные плоские шаг 1,75 Р6М5 09х20х100мм 2660-0136 АII (к-т из 4шт) Гребенки резьбонарезные плоские шаг 1,75 Р6М5 10х25х75мм 2660-0137 АI (к-т из 4шт) Гребенки резьбонарезные плоские шаг 1,75 Р6М5 10х25х75мм 2660-0138 АII (к-т из 4шт) Гребенки резьбонарезные плоские шаг 1,75 Р6М5 10х25х100мм 2660-013* АII (к-т из 4шт) Гребенки резьбонарезные плоские шаг 2,0 Р6М5 09х20х75мм 2660-0143 АI (к-т из 4шт) Гребенки резьбонарезные плоские шаг 2,0 Р6М5 09х20х75мм 2660-0144 АII (к-т из 4шт) Гребенки резьбонарезные плоские шаг 2,0 Р6М5 09х20х100мм 2660-0145 АI (к-т из 4шт) Гребенки резьбонарезные плоские шаг 2,0 Р6М5 09х20х100мм 2660-0146 АII (к-т из 4шт) Гребенки резьбонарезные плоские шаг 2,0 Р6М5 10х25х75мм 2660-0147 АII (к-т из 4шт) Гребенки резьбонарезные плоские шаг 2,0 Р6М5 10х25х75мм 2660-0148 АII (к-т из 4шт) Гребенки резьбонарезные плоские шаг 2,0 Р6М5 10х25х100мм 2660-014* АII (к-т из 4шт) Гребенки резьбонарезные плоские шаг 2,5 Р6М5 10х25х75мм 2660-0149 АI (к-т из 4шт) Гребенки резьбонарезные плоские шаг 2,5 Р6М5 10х25х75мм 2660-0152 АII (к-т из 4шт) Гребенки резьбонарезные плоские шаг 2,5 Р6М5 10х25х100мм 2660-0153 АI (к-т из 4шт) Гребенки резьбонарезные плоские шаг 2,5 Р6М5 10х25х100мм 2660-0154 АII (к-т из 4шт) Гребенки резьбонарезные плоские шаг 3,0 Р6М5 10х25х75мм 2660-0155 АI (к-т из 4шт) Гребенки резьбонарезные плоские шаг 3,0 Р6М5 10х25х75мм 2660-0156 АII(к-т из 4шт) Гребенки резьбонарезные плоские шаг 3,0 Р6М5 10х25х100мм 2660-0157 АI (к-т из 4шт) Гребенки резьбонарезные плоские шаг 3,0 Р6М5 10х25х100мм 2660-0158 АII(к-т из 4шт) Гребенки резьбонарезные плоские шаг 3,5 Р6М5 10х25х75мм 2660-0159 АI (к-т из 4шт) Гребенки резьбонарезные плоские шаг 3,5 Р6М5 10х25х75мм 2660-0162 АII (к-т из 4шт) Гребенки резьбонарезные плоские шаг 3,5 Р6М5 10х25х100мм 2660-0163 АI (к-т из 4шт) Гребенки резьбонарезные плоские шаг 3,5 Р6М5 10х25х100мм 2660-0164 АII (к-т из 4шт) Гребенки резьбонарезные плоские шаг 4,0 Р6М5 10х25х75мм 2660-0165 АI (к-т из 4шт) Гребенки резьбонарезные плоские шаг 4,0 Р6М5 10х25х75мм 2660-0166 АII (к-т из 4шт) Гребенки резьбонарезные плоские шаг 4,0 Р6М5 10х25х100мм 2660-0167 АI (к-т из 4шт) Гребенки резьбонарезные плоские шаг 4,0 Р18 10х25х100мм 2660-0167 АI (к-т из 4шт) Гребенки резьбонарезные плоские шаг 4,0 Р6М5 10х25х100мм 2660-0168 АII (к-т из 4шт) Гребенки резьбонарезные плоские шаг 4,0 Р6М5 16х40х100мм 2660-0169 АI (к-т из 4шт) Гребенки резьбонарезные плоские шаг 4,0 Р6М5 16х40х100мм 2660-0172 АII (к-т из 4шт) Гребенки резьбонарезные плоские шаг 4,5 Р6М5 10х25х75мм 2660-0173 АI (к-т из 4шт) Гребенки резьбонарезные плоские шаг 4,5 Р6М5 10х25х75мм 2660-0174 АII (к-т из 4шт) Гребенки резьбонарезные плоские шаг 4,5 Р6М5К5 10х25х100мм 2660-01* АI (к-т из 4шт) Гребенки резьбонарезные плоские шаг 4,5 Р6М5К5 10х25х100мм 2660-01* АII (к-т из 4шт) Гребенки резьбонарезные плоские шаг 4,5 Р6М5 16х40х100мм (2660-0175) АI (к-т из 4шт) Гребенки резьбонарезные плоские шаг 4,5 Р6М5 16х40х100мм (2660-0176) АII (к-т из 4шт) Гребенки резьбонарезные плоские шаг 5,0 Р6М5 16х40х100мм 2660-0177 АI (к-т из 4шт) Гребенки резьбонарезные плоские шаг 5,0 Р6М5 16х40х100мм 2660-0178 АII (к-т из 4шт) Гребенки резьбонарезные плоские шаг 5,5 Р6М5 16х40х100мм 2660-0179 АI (к-т из 4шт) Гребенки резьбонарезные плоские шаг 5,5 Р6М5 16х40х100мм 2660-0182 АII (к-т из 4шт) Гребенки резьбонарезные плоские шаг 6,0 Р6М5 16х40х100мм 2660-0183 АI (к-т из 4шт) Гребенки резьбонарезные плоские шаг 6,0 Р6М5 16х40х100мм 2660-0184 АII (к-т из 4шт) Гребенки резьбонарезные плоские трубные 19 ниток/дюйм Р6М5 9х20х75мм АI 2686-0003 (к-т из 4шт) Гребенки резьбонарезные плоские трубные 19 ниток/дюйм Р6М5 9х20х75мм АII 2686-0004 (к-т из 4шт) Гребенки резьбонарезные плоские трубные 19 ниток/дюйм Р6М5 9х20х100мм АI 2686-0005 (к-т из 4шт) Гребенки резьбонарезные плоские трубные 19 ниток/дюйм Р6М5 9х20х100мм АII 2686-0006 (к-т из 4шт) Гребенки резьбонарезные плоские трубные 19 ниток/дюйм Р6М5 10х25х75мм АI 2686-0007 (к-т из 4шт) Гребенки резьбонарезные плоские трубные 19 ниток/дюйм Р6М5 10х25х75мм АII 2686-0008 (к-т из 4шт) Гребенки резьбонарезные плоские трубные 14 ниток/дюйм Р6М5 9х20х75мм АI 2686-0013 (к-т из 4шт) Гребенки резьбонарезные плоские трубные 14 ниток/дюйм Р6М5 9х20х75мм АII 2686-0014 (к-т из 4шт) Гребенки резьбонарезные плоские трубные 14 ниток/дюйм Р6М5 9х20х100мм АI 2686-0015 (к-т из 4шт) Гребенки резьбонарезные плоские трубные 14 ниток/дюйм Р6М5 9х20х100мм АII 2686-0016 (к-т из 4шт) Гребенки резьбонарезные плоские трубные 14 ниток/дюйм Р6М5 10х25х75мм АI 2686-0017 (к-т из 4шт) Гребенки резьбонарезные плоские трубные 14 ниток/дюйм Р6М5 10х25х75мм АII 2686-0018 (к-т из 4шт) Гребенки резьбонарезные плоские трубные 14 ниток/дюйм Р6М5 10х25х100мм АII 2686-001* (к-т из 4шт) Гребенки резьбонарезные плоские трубные 11 ниток/дюйм Р6М5 9х20х75мм АI 2686-0019 (к-т из 4шт) Гребенки резьбонарезные плоские трубные 11 ниток/дюйм Р6М5 9х20х75мм АII 2686-0022 (к-т из 4шт) Гребенки резьбонарезные плоские трубные 11 ниток/дюйм Р6М5 9х20х100мм АI 2686-0023 (к-т из 4шт) Гребенки резьбонарезные плоские трубные 11 ниток/дюйм Р6М5 9х20х100мм АII 2686-0024 (к-т из 4шт) Гребенки резьбонарезные плоские трубные 11 ниток/дюйм Р6М5 10х25х75мм АII 2686-0025 (к-т из 4шт) Гребенки резьбонарезные плоские трубные 11 ниток/дюйм Р6М5 10х25х100мм АII 2686-0026 (к-т из 4шт) Гребенки резьбонарезные плоские трубные 11 ниток/дюйм Р6М5 10х25х100мм АII 2686-002* (к-т из 4шт) Страна производитель Китай Гребенки резьбонарезные плоские шаг 4,5 13х28х100мм Р6М5 АII (к-т из 4шт), Китай система охлаждения. Гребенки резьбонарезные плоские шаг 5,0 13х28х100мм Р6М5 АII (к-т из 4шт), Китай система охлаждения. Гребенки резьбонарезные плоские шаг 5,5 13х28х100мм Р6М5 АII (к-т из 4шт), Китай система охлаждения. Гребенки резьбонарезные плоские шаг 6,0 13х28х100мм Р6М5 АII (к-т из 4шт), Китай система охлаждения.

6 000 р.
Новокузнецк
Гребёнки резьбонарезные к винторезным головкам (из 4 шт.), ГОСТ 21761-76

Гребёнки резьбонарезные к винторезным головкам (из 4 шт.), ГОСТ 21761-76

Гребёнки резьбонарезные к винторезным головкам (из 4 шт.), ГОСТ 21761-76 Предназначены для установки на головки резьбонарезные самооткрывающиеся (ГОСТ 21760-76). Круглые гребенки обладают продолжительным сроком службы (50-100 переточек). Крепление гребенки с кулачком осуществляется посредством звездочки. Способ крепления гребенки с кулачком дает возможность поворачивать гребенку при переточке на небольшой угол, благодаря чему достигается большое количество переточек. Гребенки изготовляются из быстрорежущей стали - Р6М5, Р18. Гребёнки резьбонарезные к винтор. головкам 1К-1КА, 1-0,5 (из 4 шт.), ГОСТ 21761-76 Гребёнки резьбонарезные к винтор. головкам 1К-1КА, 1-0,5А (из 4 шт.), ГОСТ 21761-76 Гребёнки резьбонарезные к винтор. головкам 1К-1КА, 1-0,7 (из 4 шт.), ГОСТ 21761-76 Гребёнки резьбонарезные к винтор. головкам 1К-1КА, 1-0,75 (из 4 шт.), ГОСТ 21761-76 Гребёнки резьбонарезные к винтор. головкам 1К-1КА, 1-0,8 (из 4 шт.), ГОСТ 21761-76 Гребёнки резьбонарезные к винтор. головкам 1К-1КА, 1-1,0 (из 4 шт.), ГОСТ 21761-76 Гребёнки резьбонарезные к винтор. головкам 1К-1КА, 1-1,0А (из 4 шт.), ГОСТ 21761-76 Гребёнки резьбонарезные к винтор. головкам 1К-1КА, 1-1,25 (из 4 шт.), ГОСТ 21761-76 Гребёнки резьбонарезные к винтор. головкам 1К-1КА, 1-1,5 (из 4 шт.), Р18, ГОСТ 21761-76 Гребёнки резьбонарезные к винтор. головкам 1К-1КА, 1-1,5 (из 4 шт.), Р6М5, ГОСТ 21761-76 Гребёнки резьбонарезные к винтор. головкам 1К-1КА, 1-1,5 (из 4 шт.), Р6М5К5, ГОСТ 21761-76 Гребёнки резьбонарезные к винтор. головкам 2К-2КА, 2-1,0 (из 4 шт.), ГОСТ 21761-76 Гребёнки резьбонарезные к винтор. головкам 2К-2КА, 2-1,0А (из 4 шт.), ГОСТ 21761-76 Гребёнки резьбонарезные к винтор. головкам 2К-2КА, 2-1,25 (из 4 шт.), ГОСТ 21761-76 Гребёнки резьбонарезные к винтор. головкам 2К-2КА, 2-1,5 (из 4 шт.), ГОСТ 21761-76 Гребёнки резьбонарезные к винтор. головкам 2К-2КА, 2-1,75 (из 4 шт.), ГОСТ 21761-76 Гребёнки резьбонарезные к винтор. головкам 2К-2КА, 2-2,0 (из 4 шт.), Р18, ГОСТ 21761-76 Гребёнки резьбонарезные к винтор. головкам 2К-2КА, 2-2,0 (из 4 шт.), Р6М5, ГОСТ 21761-76 Гребёнки резьбонарезные к винтор. головкам 2К-2КА, 2-К1/4" (из 4 шт.), ГОСТ 21761-76 Гребёнки резьбонарезные к винтор. головкам 2К-2КА, 2-К1/8" (из 4 шт.), ГОСТ 21761-76 Гребёнки резьбонарезные к винтор. головкам 3К-3КА, 3-1,0 (из 4 шт.), ГОСТ 21761-76 Гребёнки резьбонарезные к винтор. головкам 3К-3КА, 3-1,0А (из 4 шт.), ГОСТ 21761-76 Гребёнки резьбонарезные к винтор. головкам 3К-3КА, 3-1,25 (из 4 шт.), ГОСТ 21761-76 Гребёнки резьбонарезные к винтор. головкам 3К-3КА, 3-1,5 (из 4 шт.), ГОСТ 21761-76 Гребёнки резьбонарезные к винтор. головкам 3К-3КА, 3-1,5А (из 4 шт.), ГОСТ 21761-76 Гребёнки резьбонарезные к винтор. головкам 3К-3КА, 3-1,75 (из 4 шт.), ГОСТ 21761-76 Гребёнки резьбонарезные к винтор. головкам 3К-3КА, 3-2,0 (из 4 шт.), ГОСТ 21761-76 Гребёнки резьбонарезные к винтор. головкам 3К-3КА, 3-2,5 (из 4 шт.), ГОСТ 21761-76 Гребёнки резьбонарезные к винтор. головкам 3К-3КА, 3-3,0 (из 4 шт.), ГОСТ 21761-76 Гребёнки резьбонарезные к винтор. головкам 3К-3КА, 3-К1/2" (из 4 шт.), ГОСТ 21761-76 Гребёнки резьбонарезные к винтор. головкам 3К-3КА, 3-К1/4" (из 4 шт.), ГОСТ 21761-76 Гребёнки резьбонарезные к винтор. головкам 3К-3КА, 3-К3/8" (из 4 шт.), ГОСТ 21761-76 Гребёнки резьбонарезные к винтор. головкам 4К-4КА, 4-1 (из 4 шт.), ГОСТ 21761-76 Гребёнки резьбонарезные к винтор. головкам 4К-4КА, 4-1,25 (из 4 шт.), ГОСТ 21761-76 Гребёнки резьбонарезные к винтор. головкам 4К-4КА, 4-1,5 (из 4 шт.), ГОСТ 21761-76 Гребёнки резьбонарезные к винтор. головкам 4К-4КА, 4-1,5А (из 4 шт.), ГОСТ 21761-76 Гребёнки резьбонарезные к винтор. головкам 4К-4КА, 4-1,75 (из 4 шт.), ГОСТ 21761-76 Гребёнки резьбонарезные к винтор. головкам 4К-4КА, 4-2 (из 4 шт.), ГОСТ 21761-76 Гребёнки резьбонарезные к винтор. головкам 4К-4КА, 4-2,5 (из 4 шт.), ГОСТ 21761-76 Гребёнки резьбонарезные к винтор. головкам 4К-4КА, 4-2А (из 4 шт.), ГОСТ 21761-76 Гребёнки резьбонарезные к винтор. головкам 4К-4КА, 4-3 (из 4 шт.), ГОСТ 21761-76 Гребёнки резьбонарезные к винтор. головкам 5К-5КА, 5-1 (из 4 шт.), ГОСТ 21761-76 Гребёнки резьбонарезные к винтор. головкам 5К-5КА, 5-1,5А (из 4 шт.), ГОСТ 21761-76 Гребёнки резьбонарезные к винтор. головкам 5К-5КА, 5-1А (из 4 шт.), ГОСТ 21761-76 Гребёнки резьбонарезные к винтор. головкам 5К-5КА, 5-1А (из 4 шт.), ГОСТ 21761-76 Гребёнки резьбонарезные к винтор. головкам 5К-5КА, 5-1,5А (из 4 шт.), ГОСТ 21761-76

5 555 р.
Новокузнецк
Кулачки к винторезным головкам ГОСТ 21762-76

Кулачки к винторезным головкам ГОСТ 21762-76

Кулачки к винтор. головкам Кулачки к винтор. головкам 1К-1КА-1КИ, 1Б (из 4 шт.) М4, ГОСТ 21762-76 Кулачки к винтор. головкам 1К-1КА-1КИ, 1В (из 4 шт.) М5 М8 М10, ГОСТ 21762-76 Кулачки к винтор. головкам 1К-1КА-1КИ, 1Е (из 4 шт.) М8х1, ГОСТ 21762-76 Кулачки к винтор. головкам 1К-1КА-1КИ, 1Ж (из 4 шт.) М6х0,75 М9х1, ГОСТ 21762-76 Кулачки к винтор. головкам 1К-1КА-1КИ, 1М (из 4 шт.) М8х0,75 М10х1, ГОСТ 21762-76 Кулачки к винтор. головкам 1К-1КА-1КИ, 1П (из 4 шт.) М6х0,5 М9х0,75, ГОСТ 21762-76 Кулачки к винтор. головкам 1К-1КА-1КИ, 1С (из 4 шт.) М6, ГОСТ 21762-76 Кулачки к винтор. головкам 2К-2КА, 2Б (из 4 шт.) М8 М10, ГОСТ 21762-76 Кулачки к винтор. головкам 2К-2КА, 2В (из 4 шт.) М7, ГОСТ 21762-76 Кулачки к винтор. головкам 2К-2КА, 2Г (из 4 шт.) М9 М11 М12 М14, ГОСТ 21762-76 Кулачки к винтор. головкам 2К-2КА, 2Д (из 4 шт.) М8х1, ГОСТ 21762-76 Кулачки к винтор. головкам 2К-2КА, 2Е (из 4 шт.) М6х0,75 М9х1, ГОСТ 21762-76 Кулачки к винтор. головкам 2К-2КА, 2И (из 4 шт.) М8х0,75 М10х1, ГОСТ 21762-76 Кулачки к винтор. головкам 2К-2КА, 2Л (из 4 шт.) М6х0,5 М9х0,75, ГОСТ 21762-76 Кулачки к винтор. головкам 2К-2КА, 2П (из 4 шт.) М12х1,25 М14х1,5, ГОСТ 21762-76 Кулачки к винтор. головкам 2К-2КА, 2С (из 4 шт.) М11х1, ГОСТ 21762-76 Кулачки к винтор. головкам 2К-2КА, 2ТА (из 4 шт.) М6, ГОСТ 21762-76 Кулачки к винтор. головкам 2К-2КА, 2У (из 4 шт.) М10х1,25 М12х1,5, ГОСТ 21762-76 Кулачки к винтор. головкам 3К-3КА, 3Б (из 4 шт.) М10 М12, ГОСТ 21762-76 Кулачки к винтор. головкам 3К-3КА, 3В (из 4 шт.) М9 М14 М18, ГОСТ 21762-76 Кулачки к винтор. головкам 3К-3КА, 3Д (из 4 шт.) М18х1,5, ГОСТ 21762-76 Кулачки к винтор. головкам 3К-3КА, 3Е (из 4 шт.) М16 М20, ГОСТ 21762-76 Кулачки к винтор. головкам 3К-3КА, 3Ж (из 4 шт.) М22, ГОСТ 21762-76 Кулачки к винтор. головкам 3К-3КА, 3И (из 4 шт.) М9х1, ГОСТ 21762-76 Кулачки к винтор. головкам 3К-3КА, 3Л (из 4 шт.) М14х1,5, ГОСТ 21762-76 Кулачки к винтор. головкам 3К-3КА, 3М (из 4 шт.) М16х1,5, ГОСТ 21762-76 Кулачки к винтор. головкам 3К-3КА, 3Н (из 4 шт.) М11х1 М12х1,25, ГОСТ 21762-76 Кулачки к винтор. головкам 3К-3КА, 3П (из 4 шт.) М9х0,75, ГОСТ 21762-76 Кулачки к винтор. головкам 3К-3КА, 3Р (из 4 шт.) М12х1, ГОСТ 21762-76 Кулачки к винтор. головкам 3К-3КА, 3С (из 4 шт.) М24х2, ГОСТ 21762-76 Кулачки к винтор. головкам 3К-3КА, 3Т (из 4 шт.) М10х0,75, ГОСТ 21762-76 Кулачки к винтор. головкам 3К-3КА, 3У (из 4 шт.) М11х0,75 М20х1,5, ГОСТ 21762-76 Кулачки к винтор. головкам 3К-3КА, 3Ф (из 4 шт.) М14х1 М22х1,5, ГОСТ 21762-76 Кулачки к винтор. головкам 3К-3КА, 3Х (из 4 шт.) М16х1 М24х1,5, ГОСТ 21762-76 Кулачки к винтор. головкам 3К-3КА, 3Ц (из 4 шт.) М10х1, ГОСТ 21762-76 Кулачки к винтор. головкам 3К-3КА, 3Ш (из 4 шт.) М18х1, ГОСТ 21762-76 Кулачки к винтор. головкам 3К-3КА, 3Э (из 4 шт.) М24, ГОСТ 21762-76 Кулачки к винтор. головкам 3К-3КА, 3Ю (из 4 шт.) М20х1, ГОСТ 21762-76 Кулачки к винтор. головкам 4К-4КА, 4Б (из 4 шт.) М12 М14, ГОСТ 21762-76 Кулачки к винтор. головкам 4К-4КА, 4В (из 4 шт.) М12х1,5 М16 М20, ГОСТ 21762-76 Кулачки к винтор. головкам 4К-4КА, 4Г (из 4 шт.) М24, ГОСТ 21762-76 Кулачки к винтор. головкам 4К-4КА, 4Д (из 4 шт.) М22 М27, ГОСТ 21762-76 Кулачки к винтор. головкам 4К-4КА, 4Е (из 4 шт.) М16х1,5, ГОСТ 21762-76 Кулачки к винтор. головкам 4К-4КА, 4И (из 4 шт.) М36х3, ГОСТ 21762-76 Кулачки к винтор. головкам 4К-4КА, 4Л (из 4 шт.) М20х1,5, ГОСТ 21762-76 Кулачки к винтор. головкам 4К-4КА, 4Н (из 4 шт.) М39х3, ГОСТ 21762-76 Кулачки к винтор. головкам 4К-4КА, 4О (из 4 шт.) М12х1,25 М14х1,5, ГОСТ 21762-76 Кулачки к винтор. головкам 4К-4КА, 4П (из 4 шт.) М42х3, ГОСТ 21762-76 Кулачки к винтор. головкам 4К-4КА, 4Р (из 4 шт.) М14х1 М22х1,5, ГОСТ 21762-76 Кулачки к винтор. головкам 4К-4КА, 4Т (из 4 шт.) М27х1,5 М33х2, ГОСТ 21762-76 Кулачки к винтор. головкам 4К-4КА, 4Ф (из 4 шт.) М22х1, ГОСТ 21762-76 Кулачки к винтор. головкам 4К-4КА, 4Х (из 4 шт.) М30х1,5 М36х2, ГОСТ 21762-76 Кулачки к винтор. головкам 5К-5КА, 5ЕЕ (из 4 шт.) М45х1, ГОСТ 21762-760 Кулачки к винтор. головкам 5К-5КА, 5Р (из 4 шт.) М36х1,5 М45х2 М48х2, ГОСТ 21762-76 Кулачки к винтор. головкам 5К-5КА, 5СС (из 4 шт.) М30 М36, ГОСТ 21762-76 Кулачки к винтор. головкам 5К-5КА, 5У (из 4 шт.) М39х1,5, ГОСТ 21762-76 Кулачки к винтор. головкам 5К-5КА, 5Х (из 4 шт.) М27х1 М42х1,5, ГОСТ 21762-76

5 555 р.
Кемеровская область, Кузбасс